オーディオの部屋2
ここにテキストを入力
2025/10/17 8スケACケーブルの製作 その2
早速FI-28Rのインレットが届いた。FI-11との違いは、アースジャンパーと使用材料の違いだが、自分には違いがわからないだろう。中古なのでエージングは完了しているはずだ。ロジウムメッキはエージングに時間がかかると言われているが、人間はゆっくりは変化には鈍感な生物なので、新品と比べない限りわからないのでは、と思う。さて何度も失敗したので、丸端子に被せた熱収縮チューブが取れてしまったので、布絶縁テープを巻く。この場合、しっかりと2巻き以上巻くことが重要だ。絶対に短絡させてはいけない。もっともカシメ+ネジ穴を通して固定しているので、まず動くことはないが。
今回は成功した。網シールドを被せているので、中身が高圧電線とは、わからない。これより外径の太いケーブルはいくらでもあるが、ほとんどは充填剤のために太くなっているだけで、この中が8スケもあるとは、外観からは、わからない所が良い。導通を確認すると、テスター程度では、抵抗値がゼロを示す。さて音質はいかに?
やはり8スケは違う。微小レベルの再現性が上がった。それによってエコーが綺麗になり滞空時間が長く感じる。セリフはよりクッキリしてきた。激変かと言えば、ACドミナスとの比較なので激変とはいかないが、ACドミナスの何分の一の費用でこのクオリティーを得られるのは、素晴らしい。どうせカマボコとかドンシャリだと思うなら、作って聞いてみると良い。帯域バランスは決して高圧電線から想像するようなナローレンジ出ないし、電流の通りが良くなったことのメリットは大きい。今回長いかなと思いながら2mにして正解だった。曲げもねじれも、受けつけないクセモノなので、長めに作らないと接続できない可能性があることを頭に入れていたほうが良い。なので高級ケーブルで外径が太いものは、総じて芯線の径は細いし、ジャケットやシールドも柔らかく作っているのだ。ただしコイツは違う。エネルギッシュでありながら、微小レベルの再現性が良いのだ。
2025/10/16 8スケACケーブルの製作 その1
MC252をモノパラレル接続にし、一層のパワフルサウンドになってきたSK2-1000だが、どうもACドミナスだと甘口になる気がしてきた。そこで電源ケーブルを自作することにした。どうせなら、どこにも売ってない太さにしようと思い、8スケに決定した。市販のACプラグは5.5スケぐらいが限界の太さで8スケだと芯線の太さが直径4mm近くになり、手で穴に入れることすら不可能な硬さになる。なので知恵が必要だ。ケーブルは600V CVの3芯8スケを選択。物凄く硬い。裸線をプラグにそのまま入れるのは作業が大変なので、圧着端子を使う。電源用はOFCのR8-4S。これは外径8mmで、圧着部の内径が4mmなので8スケはすんなり入る。アース用は、芯線を3本ほどカットしてRF-3.5-4を使う。
R8-4Sを選んだのは、少しでも音質を良くするため。さらにフルテックのFI-11Rに加工なしで取り付けができるサイズだから。これを見つけるまでに時間がかかった。ケーブルは太いがなんとかケースを通過することができた。
圧着端子の部分に合わせて被覆を取り、専用工具で圧着する。きちんと安全なものを作りたかったら、専用工具で作業すること。ペンチなどでは抜けます。さらに安全を期するため、熱収縮チューブを被せる。ACケーブルには、網チューブを被せるとそれっぽくなる。「網チューブのカットしたところがほつれて使えない」なんて言ってる人は適正な端末処理方法を知らないからで、わからないならやらないほうが良い。ここまで順調だったが、いざプラグに入れてネジを締めようとした時、芯線が硬く端子が斜めになっていたようでネジをナメてしまった。これでインレットプラグがパーになった。芯線の固定ネジを調べたら、ただのM4ではなかった。外径は4mmなのだが、ピッチが特殊なのだ。普通のM4のピッチは0.7だが、0.7より大きいのだ。ナメたネジを交換しようとしたが、ピッチが合わず断念。仕方なくインレットを買うことにした。以上のように8スケは、とんでも硬いので、被覆を剥いたり、端子を入れたりするのが、大変です。体力も気力も要ります。3.5や5.5スケとは、わけが違います。もの凄く大変な作業ですが、きっと良い結果が出ると信じて作ってみます。こんな失敗でもしない限り、ネジピッチが違うことなんて、気が付くはずもないので、インレットを扱う時は、慎重にやらないと自分と同じようになります。ちなみに自作するなら、オヤイデより自分はフルテックを選びます。理由は内部構造が扱いやすいからです。値段も高めですが、作りがしっかりしています。代替のインレットプラグは奮発してFI-28Rを注文しました。長さ2mのケーブルと半日格闘したら、指先はボロボロで腕もパンパンです。
先端がなめたネジとネジ切れたネジ。もったいないことをした。ちなみにプラグとインレットでは微妙にネジの長さも違うので、交換して使うこともできません。

2025/10/3 JBL SK2-1000
このSPを使っている人は本当に少ないだろう。検索しても、ほとんど情報が出て来ない幻の機種だ。ただのセンターSPではない。「K2」の名が付けられているのは、只者ではない証拠。JBLのフラッグシップ K2 S9800をメインに使った場合のセンターSPとして設計されたものだ。自分は一度だけS9800を聞いたことがある。クラシックをかけていたが、その自然な音の出方に感動したものだ。所謂ホーン臭さを微塵も感じさせない鳴り方は、新時代を感じさせる出来だった。S9800は、コンプレッションドライバー+ホーンの構成で、振動板はベリリウム。中域は7.5cmの435Be、高域は2.5cmの045Beを採用している。ウーハーも恐ろしく強力な38cmだ。SK2-1000は、S9800の中高域ユニットをそのまま移植している。ウーハーは25cmの251J-2(2251J-2もある)で16Ω2発を並列駆動する。エッジは写真ではウレタンかEPDMに見えたが、実物は布製のダブルロールタイプでストロークを稼いでいる。エンクロージャーは普通なら横に長い配置を取るが、ウーハーの上にドライバーが載る背の高いスタイルが特長だ。横長のモデルにHC-5000がある。本機は、高さが559mmあるが、奥行は241mmしかない独特のプロポーションだ。中高域が床から離れることで、低域のカブリが無くなり、自然な声のニュアンスが再現できるのだろう。設計の意図は、ここにあると思う。実は出品中の写真を見て迷った。ウーハーにカビが生えているように見えたからだ。右の写真の右ウーハーが清掃前のもの。コーン紙やエッジが白くなっているのが、わかるだろう。左のほうはもっとひどかった。なのでほかの人もあまり気合を入れて買おうとしてなかったと思う。ちなみに新品価格は80万円もします。
届いた時には、天板も白くなっていた。拭いたら茶色になったので「カビじゃなくて、ココアか?」と思いました。ココアが乾燥して砂糖の成分が白くなっているのかも。アルコールティッシュで拭いたら、気にならないレベルまで、綺麗になりました。超ラッキーです。四国から運ばれてきたダメージもなく、ちゃんと音が出ました。今は前のマルチアンプの補正カーブなので、低域のバランスが取れてませんが、中域の浸透力、透明度は、さすがに高性能ユニットの音を感じます。今まで、JBL C1500、4311ダブル、B&W HTM1、自作マルチアンプ式3WAYなどを使ってきたが、やっと理想の音に出会えた気がする。これからしっかり調整すれば、自然でリアルな音になるのは、間違いない。2004年の発売なので、もう20年以上経っているはずだが、開封したら新品の匂いがした。日焼け、変色、サビもない。ココアをこぼしてから、ずっと使ってなかったような感じだ。サランネットも端子も綺麗なのだ。不思議な状態の機器です。エンクロージャーの仕上げが、通常のツキ板でなく、ラッカー塗装だったことが、ココアのダメージが無いおかげだと思う。バイオリンにも使えるワックスを塗ってやりました。さらにピカピカになりましたが、以外にもプロジェクターの反射が気にならないのは、良かった点です。クアドラスパイアのセンターSPスタンドも寸法的にピッタリで言うことなしです。
いつものようにAPEQで特性を測ってみた。測定範囲は40~20KHzで、-10dBだと下は50Hzぐらいで、上も20KHzぐらいだ。25cmウーハー2発でも、30cm2発の自作ウーハーと同じくらいの性能のようだ。部屋の定在波で300Hz以下に大きなコブが2つあるが、これはAPEQが綺麗に消してくれるので問題はない。クロスは800Hzだが、きっちりと出ている。問題は435Beでクロスの10KHzより手前の6KHzぐらいから落ち込んでいる。その次の山が15KHzにあるので045Beもちゃんと動作しているようだ。LE175+2405でも高域は出てなかったので、測り方の問題なのかも知れない。APEQを使ってオレンジ色が予想出力カーブなので、特性的には全く問題ないレベルに補正は出来ていることになる。あとは、マランツのAVプリでもう一度、距離とレベルを合わせ込む必要がある。さてどんな音になるか、楽しみである。

確かにベリリウム振動板のクセのない音は、素晴らしい。中高域は文句がない。問題は低域である。ユニットが悪いわけじゃない。配置が問題だ。通常の中域の両サイドにウーハーを置く配置の場合、それなりの高さまでウーハーは持ち上げられる。なので床からの反射は少なくある。SK2-1000の場合、中域の下にウーハーがあるので、床からの高さを取ると、どんどんスクリーンの幅が狭くなる。なのでウーハーは床に近接する。すると、床からのかぶりでどうしてもキレのある低音が得にくくなるのだ。考えればわかることだが、実際に測定して聞いてみると、良くわかるのだ。部屋の定在波は80Hz付近なので、これはどうしようもないが、200Hzにもう1つ大きな山がある。APEQの補正上は、綺麗に山が消えているが、実際はそうはいかない。どうしてもハギレの悪さを耳は感じてしまうのだ。もう一度、補正カーブの引き直しと、SPの位置を検討しなくては、ならないだろう。今は、壁からの距離が27cmしか空いてない。メインSPと一直線まで、前に出せれば特性も変わるだろう。良い音は、1つ1つの積み重ねだ。1つ収穫だったのは、このSPの反応の良さだ。SPケーブルをゾノトーンの6NからCARDAS QUADLINK5Cに換えた。長さが2mから3mに長くなっても、低域のキレ、中域の自然さが増したのだ。良いSPには寄り添って、問題を1つ1つクリアにしていく方法しかない。
壁からの距離を27cmから50cmに+23cm手前に移動した。物理的な改善は、効果があって昨日よりだいぶスッキリ感が出てきた。これなら行けそうな気がしてきた。メインSPも42cm離れているので、うちでは、これぐらい離すのが良いみたいだ。もう少し高域をスッキリさせたいと思い、試しにSONYのプロ用パワーアンプ SRP-P50 50Wをつないでみた。マッキントッシュのMC252は、出力トランスを積んでいるため、透明度はいくぶん不利になるからだ。結果はNG。余計に詰まった感じになった。最近の出力トランス付きアンプの透明度は、問題になるレベルではないことを認識した。となると出来ることは1つ。アンプをセンターSPの裏側に移動し、ウーハーの障害物を取り除くことと、SPケーブルを最短で接続することだ。左が変更前で正面にアンプがあり、ウーハーの障害になっている。右が変更後でSPの裏に配置した。さらに電源スイッチは壁側に向けたので、普通なら操作できないが、マッキントッシュのパワーコントロールのおかげでプリの電源に連動して動作させることができるのだ。さらにこの向きだと、アンプのSP端子とSPの距離が最短になる。
その結果は、こうなる。SPの正面には何の障害物もない。さらにSPケーブルは、ZONOTONEからTIGLONに変更し長さはたった50cmしかない。以上の対策で、スッキリとしたセリフを聴くことができるようになった。アンプを換えようかとも思ったが、MC252は、やっぱり良いアンプだと再認識した。あとはメイン用アンプと同じように、モノパラレル接続にして、パワーアップするかどうかだ。B&W N801よりJBL SK2-1000のほうが、能率が高いが高域の残留ノイズは気にならないはずだ。あとで試してみよう。
10/3 SONY YEDS-18
タイトルだけで、何かわかった人は相当な通だろう。これはSONYとTEACのCDプレーヤーを調整するときに絶対に必要なテストCDである。今回高かったが、新品未開封品が手に入った。このディスクは板自体がジッターを最小にするため、特別に管理して製作され、録音レベルも厳密に「0dB」になっている。何故、これが必要なのか。ピックアップの出力電圧値を見る時、このディスクで規定されているからだ。SONYの場合、たとえば1~1.4Vと規定された場合、録音レベルの高いCDを読めば当然、出力電圧も高く出るわけで「〇〇V出ているので、まだ元気です」みたいなコメントは、このCDで測定しないかぎり全く意味を成さない。ジッターも同じで、大抵はジッター測定器を持ってないので、ジッター値までは調整できていない。これで再度WT-2000sを測定して、アイパターンの電圧値を見て、ピックアップを交換するか決めよう。何事も基準がなくては、始まらないのだ。
9/29 ASUKA AS-PND-PRO 発売
製造中止になったノイズ可視化装置のASUKA AS-PND-PROの純正パーツや回路図が手に入ったので、組み上げてヤフオクで販売することにしました。初回は贅沢にも専用のアタッシュケース付きです。定価が物凄く高かったので、正規品は、そんなに出回ってないでしょう。使って見ると、自宅の電源環境の良否が、良くわかります。特にPCのコンセントやLED照明など、結構なノイズを放出しているのが、わかります。写真右は、LED照明を付けた時の画像で「レッドゾーン」に突入してます。なのでPCの横にあるLED照明を点けながら聴くのは、少なからず影響を及ぼしていると言えます。従来、AC100Vのノイズを直接測る、見る方法は凄く限られた環境で、大がかりな装置が無いと出来なかったので、本製品は画期的です。またLED表示だけでなく、もっと深く探求したい人には、各測定端子が付いています。AC OUTは、オシロスコープスコープを使ってノイズ成分を見ることが出来ます。
AC100V波形をそのままオシロスコープで見るには、絶縁差動プローブなどが必要です。これはAC100V波形そのものを見ることはできませんが、ノイズ成分を見ることが出来ます。するとAC100V波形とは、全く同期しない波形が観測されました。複雑で複数のノイズがまじり合っているようです。またDC OUTは、もっと簡単にテスターでノイズ成分の直流電圧を測ることができます。これなら移動が簡単なので、どのコンセントのノイズが少ないかを測るのも時間を掛けずに実行できます。1台持っているといろんなことに使えるので、なかなか優れモノの機器です。数に限りがあるので、お早めに。
9/18 ESOTERIC P2sの調整
「P2sを持っているので、調整したい。サービスマニュアル:以下SMを譲って欲しい」と言う記事を見た。まず大前提として、CDプレーヤーはパワーアンプのようにテスター1台で、調整できるようなものではない。最低限、周波数カウンター、発振器、2針式ミリボルト計、ジッター測定器、アナログオシロスコープは持っていないと何もできない。何故なら、最初にやるのは発振器の周波数調整で、周波数カウンターは必須である。これをチェックだけで済ませているサイトもあるが、大間違いだ。多少ズレていても動くが、ズレは、最後までズレとして残るからだ。仮にSMが手に入ったとする。残念ながらネット上からダウンロードできるものは、一番肝心なピックアップ周りの回路図が無いのだ。何故、回路図が必要かというとSMどおりにやってもダメな所があるからだ。その場合、どこから信号を取るかを知る必要があり、回路図が必須になる。さらにどうやって信号を取るかが、わからないと手も足も出なくなる。そして一番大切なことは「正しい基準を持つこと」。正しい基準とは、CD用のテストディスクだ。これはほとんど手に入らないので、普通のCDで代用するのが一般的な手法だが、これでは基準がなく、適当に調整したのに等しい。テストディスクはジッターもレベルも厳格に規定されているディスクで、これなしにピックアップの波形、所謂アイパターンの電圧値やジッター値を測定しても意味を成さない。お互いに違う尺度の定規で家を建てるようなもので、傾いた家しか立たないだろう。P2sもWT-2000sも中身は同じなので、調整方法は同じである。どちらも高性能なトランポだ。車に例えるなら、直列6気筒エンジンのキャブレター付きで、さらに6連スロットル仕様と思えばいい。キャブレターの調整とスロットルの調整のどちらも完璧でないと、高回転まで綺麗に回らない。調整がうまく行かないと、途中で息つき(音切れ)したり、止まってしまったりする。測定器やテストディスクなしで調整しても、6気筒エンジンなので何とか回ることはできるが、本来の性能には、程遠いのだ。なので全ての準備が揃っていないで、手を付けることは、いじり壊すに等しい。試しにフォーカスゲインをいじってみると良いだろう。闇雲に触ると、キュルキュル音がして、しまいには完全にCDの回転が止まってしまう。こうなると、もう元の状態に戻すのは、大変である。調整とは、最適な状態に戻す作業で、いじって壊すことではない。
9/17 WADIA WT-2000s 再調整3
電源ONでピックアップが中央に移動しない不具合は、制御基板の電解C:29ケ 全交換とスレッドモータ(リニアモータ)用のドライバートランジスタの交換、ピックアップのドライバートランジスタの交換で、無事直りました。トランジスタはマルチテスタで取り外した時にhFEを見たら正常値だった。ただ先輩に教わったのは、テスターの低電圧、低電流では正常でも、正規の電圧がかかったときも正常かは、保証外だ。と言うことでした。これはコンデンサも同じで容量は有っても、絶縁性能が低下してる場合がほとんどで、交換しなきゃわからないのが実情だ。ピックアップも単体で購入したものに交換した。最初にやるのは、基準周波数の調整。4.32MHzにピッタリ合わせる。トリマーがトレイのステーに開いた穴の下にあるので、少々やりずらい。
つぎはトラッキングバランスでオシロを見ながら調整するが、マニュアルのような波形にはならないので、結構むずかしい。その次にアイパターンを見てみた。これでピックアップの状態がわかる。元からついていたピックアップよりは、ずいぶんまともでアイパターンらしくなっている。ただしSONYのCDP227ESDのように綺麗ではない。電圧も0.9Vぐらいか。流れる電流は、22Ω抵抗の両端電圧でわかる。これだと1.183=I・22で53.7mAになる。元のLOP値が64mAなので若返ったことになり、何かおかしい。
つぎはジッター調整だ。60nsスケールなので、37nsぐらいだ。規格が30ns以下なので規格外だ。ここであることに気づいた。当然ながらテストCDなど持ってないので、手持ちのCDで測定していた。イーグルスのCDで調整したあと、「徳永が来る」を掛けたら、かからないのだ。何で?何とか調整してみたらジッター値が38nsで一番悪かったのだ。CDによってジッター値も違うのだ。一番良かったのは「XLOのテストCD」で金蒸着ディスクなのだ。ジッター値は34nsで最高値。金蒸着で反射率が良いからか、アイパターンの電圧値も1.2Vも出ている。写真右がXLOで、上が徳永だ。XLOのほうが菱形がよりクッキリ見えるのがわかるだろう。結局最後は、フォーカスゲインとトラッキングゲインを音と動きで調整した。とりあえず一通りのCDはかかる。音飛びや突然止まったりもしない。いたって快調である。気のせいか音が少しフレッシュになったようだ。この機種は、制御基板が底にあり、前方のディスプレイとフラットワイヤーで接続し、天板直下の電源部と多数のケーブルで接続する。さらにメカ部のトレイ駆動ベルトの下をケーブルが通るので、ケーブルが接触しない位置に配置してやらないとあとで、大変なことになる。またアナログサーボなので、ピックアップを交換しただけでは、まともに動かない。とても厄介な機種ですが、この時期に完成されたと言ってもいいアルミブリッジ付きのVRDSメカは、とても魅力的で明らかに、スイングアーム式より、低域のスピード感や全域の分解能はこの機種の美点だと思います。あとはもう一度、程度の良いピックアップに交換してみたいと思う。ピックアップは、制御基板をいじらなくてできるので、フラットワイヤーが抜ける心配がないのが、いいです。
今回の経験で得たことはテストCDで調整しないと意味が無いと言うことだ。テストCDは所謂「標準原器」であるので、ジッターが極力でないように真円に作られ、録音レベルも厳密に管理されている。普通のCDは、偏芯もレベルもまちまちだ。なのでレベルの高いCDで「ピックアップの電圧が高い」と喜んでも意味がないし、レーザー電流値も意味を成さない。自分の今までの調整も意味がないので、テストCDを購入することにした。これで本当の意味の「再調整」が出来る。
9/12 WADIA WT-2000s 再調整2
基板を見ていたら、おかしなことに気づいた。なんと同じ番号のトリマーが2つあるのだ。これは印刷ミスだろう。左の下側中央付近に「F・GAIN V405」が見Rつだろうか?R432のとなりだ。また一番上の中央やや左に「F・BAL V405」が見える。同じV405があるのだ。間違っているのは上のほうで正解はV402である。部品側は間違っていないので、調整は問題なくできる。現在の問題は「電源ONでピックアップが中央に移動しない」ことだ。原因は2つ考えられる。1つ目はスレッドバランスが取れていない。もう1つは、リニアモータの駆動電流が流れてない。このうちスレッドバランスは、そこそこ動いたので、問題ないだろう。リニアモータの駆動ドライバーは、Q406,409だと分かった。右の写真の中央のトランジスタだ。Q406:2SD774 Q409:2SB734だ。マルチテスターでQ406を測るとhFE=249と出た。ところがQ409は何度やっても測定できない。良く見るとコレクタの足が熱で赤くなっている。これが原因かどうかは不明だが若松通商で部品を手に入れることにした。ついでにレーザーダイオードのドライバーのQ401:2SB562Cも交換した。これは壊れていないが念のためだ。クランパの上下検知マイクロスイッチの故障も考えられたが、上:0.3Ω、下:0.4Ωで接点に問題はないようだ。右の写真には青いトリマーも2つ写っている。多回転型のコパル製に交換した。純正は、ガリがあるようで調整が大変だった。これでキッチリ調整できるようになるはずだ。なんとか復活させてやりたいものだ。
調べているうちに、いろんなことがわかってきた。WT-2000sやP-30までは、アナログサーボなので、調整方法は似たり寄ったりである。ところがP-50sは資料が全く出て来ないし、P-70VUは、綺麗なパターン図があるのに、回路図が全くない。しかも調整はたった1つでスレッドバランスだけ。何故だかわからなかったが、デジタルサーボになっているからだった。なのでフォーカスやトラッキング、RF振幅、ジッターなどの調整項目が一切ないのだ。と言うことは、VRDSの皿の効果は認めつつも、デジタルサーボになったら、アナログサーボとは比べ物にならないくらい高精度になるので、ひょっとしたら、VRDSのアナログサーボでは、VRDSなしのデジタルサーボに勝てないんじゃないか?と疑問が湧いてきた。なんと所有するTASCAM Cd601MKⅡは、デジタルサーボだったのだ。テストモードにすると、驚くことにRF振幅やジッター値、各調整値が見られるのだ。ただしヘキサで表示されるので、mVやピコセカントにどう換算するのかまでは書いてないので、イマイチ勿体ないが。つまりピックアップが読み取り不良を起こし始めたら、そろそろ寿命と判断し、ピックアップを交換するだけで、あとはサーボ回路が全部調整をやってくれるのだ。だから、どこにもピックアップの調整方法が書いてないのだ。ひょっとしたらこいつは優れものかも知れない。WT-2000sが動かなかったら、ヘタなトランポに手を出さず、まずはこいつをじっくり聞いて見よう。クロック入力もあり、なかなか貴重なモデルかも知れない。
9/10 WADIA WT-2000s 再調整1
考えてみると、余程の大企業でない限りマニュアル作成専門の部署などを常時維持できない。大抵は製品が出荷されるころには、設計業務が完了するので、設計者が作成する。設計者はヒマじゃないから次の仕事が入る。そうなるとマニュアルの不備は、ずっと後回しになる。これが現実で自分もそうだった。なのでネット上のマニュアルで改版がされているのを手に入れるのは困難だろう。なのでP2sも書き足らない所があって当然だ。今回は、ピックアップ周りを点検してみる。それにはアイパターンとレーザーダイオードに流れる電流値の把握は必須である。まずは回路図からアイパターンと電流値がどこから取れるか探す。基板の穴が開いた下あたりにそれはある。右の写真の下にTP-3と書かれた所がアイパターン用のTPだが、TPは立っていない。その上にTP-4とあるIOPが電流値の測定箇所だ。SONYは普及機さえきちんとTPを立てている(使いずらい場合もあるが)このへんがメーカーの思想の違いだろう。とにかくこの機種はメンテのことは全く考えていない。
このようにTPが立っていない場合、どうすればよいか自分は知らないので、テスト用のケーブルをハンダ付けすることにした。こんな感じでハンダ付け完了。どこかで見たような配置になったが、同じことをやろうとすれば必然的に同じような配置になるものだ。これで自分の考えが正しければアイパターンと電流値が見えるはずだ。さて、どうなるか?
やってビックリ!アイパターンは、ぐちゃぐちゃだ。これで良くCDが演奏できるのか不思議だ。VRDSは読み取り精度が高いので、少々ピックアップがヘタっていても読める、とは聞いたことがあるが、これは驚きだ。しかも電圧がメチャクチャで2Vぐらいある。いくらなんでも高過ぎなのだが、電圧を絞るとキューンと言って止まってしまう。ボリューム調整は全開でないと動かない状態だ。ここで電流値を計算してみよう。V=I・Rより 1.119/22=50.8mAとなる。このピックアップの初期値は46.3mAなので50.8-46.3=4.5mA上昇している。以上より電圧も電流もダメと判断し、ピックアップを交換してみる。ピックアップは1.6万で買った中古品で、初期値が64mA品だ。現状の初期値が46.3mAなので17.7mAも多く電流が流せるもので、期待できそうだ。商売サイトで気になったのは、ピックアップがNGだと交換する、これは納得だが、ほかの例えばサーボとかゲインの調整をしたと言う記事がないことだ。ピックアップが変わればすべてに影響するはずなので、実施しないのは理解できない。商売なので、手間をかけられないと言うのが本音なのだろう。今回、基板からケーブルを出したことで、作業が物凄くやりやすくなった。テストピンを立てると背が高くなるのを嫌ったのだろう。この後の機種のP-30やP-50sは、底板を外さずに調査できるので、格段の進歩だ。デザインを優先するとメンテ性は犠牲なる。昔、HONDAのFIT1.5Tに乗っていた。ヘッドライトの球を交換しようとしたら手入らないのだ。困って調べたら、なんとフェンダー内のタイヤハウスカバーを外して、手を入れると球に触れるのである。しかもディーラーの人も同じことをやっていた。球もまともに交換できないような設計は、果たして設計と言えるのか?本田宗一郎が見たら、激怒するだろうな。ユーザーの視点に立ったもの作りができない会社は、いつか淘汰されるのは間違いない。
ピックアップ交換後、電源ONでピックアップが中央に移動しない。ピックアップを壊したか?元のピックアンプに戻したら動いた。やはりピックアップを壊したか?。再度、調整しようと思ったら、またピックアップが中央に移動しない。この機器を入手したときからなのだが、何かすると動かなくなる。最初はフラットケーブルだと思っていたが、フラットケーブルは、表示系の制御なので関係ないだろう。どこかが接触不良か、制御用のICが逝かれかけているのかも知れない。あとできるのは、制御基板上の電解Cの交換ぐらいだ。意を決してやるしかないだろう。制御基板上の電解Cは全部で29ケ。あとこのコンデンサの内、2ケにハンダクラックがあった。調べたらフォーカスゲイン用なので、ピックアップが移動しないのとは関係なさそうだ。ピックアップが動かないのは、リニアモータに電流が流れないからだ。でも中央に移動した状態で電源を切るとホームポジションまで瞬時に移動する。リニアモータは壊れてなく、指令が出てないのが原因だ。ピックアップが中央に移動しないので、タイムアウトで読み取り不良となり、操作を受け付けなくなる。なので指令が出ないのがマイコンだったら、修理不能。途中のドライバー関係だったら直る可能性があるが、回路図がないので追いようがないのだ。コンデンサを交換しても治らなかったら、別の機種を探したほうが良さそうだ。自作DIGILINK50があるので、もうSTリンク付きにこだわる必要もない。SONYでもYAMAHAでもいいのだ。
9/9 SONY CDP227ESD ピックアップ調整
テクトロニクスのアナログオシロと練習用のCDプレーヤー SONY CDP227ESDを入手して、ピックアップ調整の練習をすることにした。まずは、今まで出来なかったアイパターンを見て見る。マニュアルどうりにプローブをつないで、見たらあっさり波形が出たが振幅が小さい。やはりアナログオシロは素晴らしい。道具は大事ですね。プローブを10:1のまま使っていたからでした。1:1のプローブにしたら、キッチリと見えて来た。アイパターンはIC101横のRF,RFGのリード線をつかめば良いが、リード線でTPじゃないので、つかみにくいです。自分は商売人じゃないので、なるべく分かりやすく説明します。アイパターンはしっかりと菱形が見えているし、波高値のブレもないので、優秀です。このピックアップはWA-2000sと同じKSS-151Aで規定では、1~1.6V程度の電圧が正常値のようです。今回は実測1.2Vあり問題なし。調整してもこれが限界でした。ただし実際は、アイパターンよりレーザーダイオードの電流値のほうが重要です。
KSS-151Aは、工場出荷時の電流値が必ず記載されています。(LOP値と言う)。今度は電流値を測ります。これはマニュアルには記載されてません。回路図を読むとR102 22Ω抵抗が、ピックアップのドライバーのエミッタにつながっています。そこでこの両端電圧を測ります。結果は1.59Vでした。先ほどのピックアップに「710」と言う数値が見えます。これがLOP値で71mAの意味です。ここでV=I・Rより 1.59/22=72mAとわかります。SONYでは、LOP値が10mA以上上昇すると、断線の危険または寿命と判断するようです。このピックアップは1mAしか上昇していないので、まだまだ十分に使えるはずです。事実、初期値が71mAも流せるピックアップはなかなか無く、高くても65ぐらいで、大抵は50~60mAぐらいです。電流X電圧=パワーですから、このピックアップ非常に優秀です。LOP値もわからず勘でレーザーダイオードの電流値ボリュームを動かして、読み取れたと言う記事を良く見ますが、あれは単に寿命を短くしているだけです。本来はアイパターンの電圧値が低く、電流値に余裕がある場合、測定器を使って調整するものです。実際にCDP227ESDがTOCを読み取るスピードは速くWT-2000sでは、全く歯が立ちません。自分の予想はWT-2000sのピックアップがヘタっていると想定してます。これでアイパターンの見方とLOP値の測り方がわかりました。あとはWT-2000sの基板から測定点を見つけて測定するだけです。WT-2000s(P2s)のマニュアルには肝心なピックアップ部分の回路図が抜けているので、役にたちません。商売人のHPは、測定個所を明かすはずもなく自力で探すしかありません。1つ1つしっかりと測定していけば、きっとWT-2000sの読み取り性能は上がるはずです。アナログサーボなので、調整が大切です。
9/9 自作DIGILINK50 完成
とうとう自作のDIGILINK50が完成した。AES/EBU入力も受けられるようになった。どうやって実現したかと言うと、完成していたBNC入力の回路と同じものを作って、一部の回路を改造した。AES/EBUとSPDIFの違いは、インピーダンスと電圧が違うだけでオーディオ部分の信号は同じである。(細かい所は違うようだが)そこでこう考えた。まずインピーダンスは110Ω抵抗で受ければ良いはず。問題は電圧レベルが違い過ぎることだ。ざっと10倍ぐらいAES/EBU違う。ただし規格では厳密に決められていても、実際には結構電圧がバラついているようだ。事実、自分のSTUDERとAYREでは、全然違う。そこで電圧変換ICに目を付けたが、とても10:1には出来そうもない。そこでパルストランスを探したら、1:0.1:0.1と言うものがあった。これで回路を組んでみた。デジタル回路の良い所は、多少入力波形が歪んでいても、出てくる波形は、影響が少ないことだ。今回も波形自体は、汚いがTTLになっている。なので優秀なSTリンクトランスミッターが、WADIAに光信号に換えて送ってくれる。STUDERにXLRケーブルをつなぎ、自作DIGILINK50に入力。STケーブルでWADIA2000ver96に入力。サンプリング周波数に赤いLEDが灯り、信号がロックされた。緊張しながら音を出す。エネルギッシュなWADIAサウンドが出てきた。ロックも外れないし、ノイズも入らない。本当はマルチプレクサICを使って、入力選択をやりたいが、その技術がないので、信号はパネルに付けたAC100V用のスイッチで選択する。電源スイッチを使用しても、ダメじゃない。やってみて動けばOKだ。趣味の世界なので、好きにやればいいんです。写真の右がTTL変換後の波形で、ギザギザノイズが乗っているが、仕事で「デジタルは、信号エッジの立ち上がりを見るので、波形の山が崩れていても問題ない」と教わった。このレベルでも、ちゃんと動いてくれるWADIAは、大したもんだ。
9/8 オリオスペックPC用 純アナログ電源完成
オリオスペックのオーディオPC用の純アナログ電源がやっと完成した。ご存じのとおり純正は、スイッチング電源で、高性能版でもローノイズのスイッチング電源である(中身は某社の電源だと思います)たぶんアナログ電源で動くものを作ったのは、自分が世界初?ではないか。自分が調べた範囲では、見つからなかった。何故純正のアナログ電源が無いかと言うと、簡単には作れないからだ。自分も3回作ってやっと動いた。自分には能力がないので、試作、評価、改善を繰り返し、やっとどうすれば動くかがわかった。最初に作ったものは、電圧降下が大きく全く使い物にならなかった。次に作ったものは、負荷変動に弱かった。3度目にやっと負荷変動に強いものが作れた。単純にトランスの容量を上げただけでは、このPCを立ち上げることはできない。良くふるまいを観察し答えを導くのだ。ただし電源が出来ても意味がない。音が良くならないと価値がない。もともとCPUの電源はデコデコで作るので、スイッチング電源でもアナログ電源でも、結果は同じじゃないか?と言う人もいるが、それは違う。ノイズのない電源からCPU用の電源を作ることは、ノイズの少ない電源でCPUを駆動することになり、音に直結するのだ。実際にアナログ電源にすると音のカドが取れる。トゲトゲしさがなくなるのだ。さらにSN、透明度が増す。濁りがないのだ。試聴は、JEFFの最強アンプコンビ+WILSON グランドスラムで行った。普通に聴いても元から文句のつけようがない音なのだが、アナログ電源にすると明らかに良い方に変化する。写真は試作1号機のフロントパネルと完成品のリアパネルだ。完成品は、写真を撮り忘れて納品してしまった。興味のある方は会津坂下町までお出かけください。依頼者様から「もう元には戻せない」との言葉をいただき、苦労して作って本当に良かったと思う。簡単にあきらめないのが、昭和生まれのエンジニアです。
9/4 10Gbps STリンクケーブル
10Gbps対応の最新のSTリンクケーブル 2mを購入してみた。WADIA時代に比べてはるかに減衰がないと謳われていた。ところがガッカリ。さっぱり2000ver96がロックしない。2つあるST入力のどちらにつないでもダメ。使っているものに差し替えると瞬時にロックする。思うにODL50のレシーバー側の許容入力レベルを越えてしまっているのではないか?と思う。何でも新しいものに交換すれば良いと言うものではないらしい。¥2350が無駄になってしまった。WADIA純正ケーブルを手放したことが悔やまれる。新旧ケーブルを並べて、蛍光灯の光を当てたら、新ケーブルは光らない。どうやら断線のようだ。現在、代替品を入手中。この続きは次回に。代替品と交換してくれ、しかも差額も払ってくれた。オレンジのOM5規格は、なかなか良い感じです。
9/3 WADIA WT-2000s調整うまく行かず
せっかく動くようになったので、完璧に調整しようと思ったが、そんな簡単な話しではなかった。想像だが、あちこち傷んでいるので、新品のようには調整できないのだ。アンプもそうだが、古いトリマーが劣化していると、微調整が出来なくなるので、どうしても最適値にはできない気がする。トリマーを交換すれば、少しはまともになるだろうが、相手はデジタル機、全く動かなく可能性もあるので、そこまで踏み切れない。調整に入る前に、天板と両側板、筐体中央の補強ステーを外す。ここまでやらないとすべてのトリマーには、アクセスできない。補強ステーを外さないとPLL周波数調整 ができません。向かって左側下にサービス用のTP1:9ピンオスとトリマーが2ケ見える。4-1-1のクロック周波数調整は実際には調整出来ない。4-1-2はピックアップが3回動くか見るだけ。4-1-3がPLL周波数調整 4.32MHz±0.05MHzに合わせる。これはできた。4-1-4 スレッドバランス調整 これもできた。
問題はここからだ。4-1-5 トラッキングバランス調整 5番ピンを2番ピンのGNDに落とし、6番ピンの波形を見るとあるが、5番をGNDに落とすとうまくいかない。仕方なしに5番は使わず6番で見たが、いじらなくても良い感じだった。4-1-6 フォーカスオフセット調整 取説には、アイパターンが載っている。これが一番やって見たかったが、調整するのは「ジッター」である。ジッター試験機を使って30ns以内に調整するのだが、なんとか規定値以内に入っているものの、波形は矩形波でどうやってもアイパターンが出てこない。試しに9ピン全部当たったが、出てこなかった。ジッターなので波形は、矩形波で正しいと思うが、取説のアイパターンが、どうすれば見られるのか、いくらやってもわからなかった。今回わかったのは、CDディスクによってもジッター値は変わり、出来の良いディスクだと20ns以下に収まっていた。電圧も50mV以内だが、少し外れていた。
4-1-7 フォーカスゲイン調整 基準信号を入れ、プレーヤー側からの信号とレベルを一致させる調整だ。デュアルチャンネルミリボルト計で調整する。これもなんとかできたが、問題が発生した。調整後、なんとCDを読み込まなくなってしまったのだ。あとでわかったのだが、4-1-8のトラッキングゲイン調整と密接な関係にあり、両者のバランスが取れてないとTOCを読み込まないのだ。フォーカスだけ最適にした場合、トラッキングがうまく行かず回転が止まってしまいTOCを読まないのだ。仕方なしにここは手動で目と耳を頼りに、フォーカスゲインを調整しトラッキングゲイン調整の良さそうな所を探した。トラッキングゲイン調整は、上げすぎるとP0sで良く聞いた「キュルキュル」と耳に良くない音がして、止まってしまう。下げ過ぎると、今度は回転が安定しない。ピックアップも制御基板もガタが来ているので、取説どうりには行かないようだ。今回、測定器を買い込んで万全を期したつもりだが、規定値に調整できない現実を見るに当たり、がっかりである。車もそうだが、エンジンを換えても、タイヤを換えても、足回りを換えても、支えるシャーシ自体に疲労がたまっているので、決して新車に戻ることはないのだ。老兵WADIAも、そろそろ限界が近いのだろう。これ以上いじって鉄クズにするのは、もったいないので、このまま不動になるまで、だましだまし使おうと思う。次にTOCを読まなくなったら、ピックアップを交換してみよう。少しオシロをいじったら、アイパターンらしきものが出せたが、これが出せてもいじれるのは、ジッター値だけなので役には立たない。結局、ジッター試験機が全てを語っているようで、右側のジッター値は30ns以下に追い込め「GO」の緑ランプが点灯しているが、左のレベルが赤いNGゾーンに入っている。この波形がアイパターンとするなら、オシロ上では3.6Vpp出ていることになるが、同じ信号をジッター試験機に 入れても、0.2Vppしかなく赤いNO GOランプが点灯したままである。そもそもアイパターンが3.6Vも出るのはおかしいので、自分の測り方が間違っているのだろう。ジッター試験機が正しいなら、このWT-2000sの回転精度は十分使えるレベルだが、レーザーダイオードの出力が減って、限界なのだろう。事実、ジッター値を調整するフォーカスバランストリマーは、ほんの少ししか回せず、フォーカスゲインとトラッキングゲインもギリギリで動いている感じだ。自分のは1990年11月製造なので、もう35年の年代ものである。どんな使われ方をしたかは不明だが、ピックアップの寿命が来てもおかしくはないだろう。フォーカスバランス、フォーカスゲイン、トラッキングゲインがうまく調整できないのも、納得が行く。
考えてみれば、当たり前の話だ。アンプもチューナーもそうだが、何台もいじって壊してやっと調整ができるようになった。CDプレーヤーは初めてなので、オシロの使い方、各パラメータの関連性などを理解していない。もっと修行が必要だ。まずは壊しても良いのを手に入れて、練習してみよう。そうすればこいつのピックアップが悪いのか、どうかの判断も付くだろう。常に勉強だ。まだまだ未熟者なので、当たり前の結果だ。頑張るしかない。
SONYのCDP-227ESDを買った。理由は同じピックアップを使っているからだ。同じピックアップならピックアップのドライバー回路は同じか同等で、レーザー電圧、電流も同じに違いない。この予想を元に調整の勉強をする。調整・修理を売り物にするHPにはアイパターンをオシロで表示する写真は載せているが、詳しい解説はない。ならば自分で見つけるしかない。ヒントはその写真にあった。筐体を木で浮かせて、下にテスターの配線を這わせていた。P2sのマニュアルどうりなら、左側のテストポイントだけで良いはずだ。つまりマニュアルにきちんと書かれていないテストポイントがあるのではないか?と言う想定をした。自分がやってアイパターンを出せなかったのは、テストポイントが違うからでは?今の想定は、こうだ。今まではTP1とTP2だけ見ていたが、TP1がサーボ調整、TP2がPLL調整、そしてTP3がRF:アイパターン測定、TP4がR401 22Ωの両端電圧を測ってレーザー電流値を見るのではないか。この22ΩがポイントでCDP-227ESDにもP1にもTPがある。P2sのマニュアルは解像度が悪く読めないが、あらかじめここにケーブルをハンダ付けしてから、測定してるなら、木で浮かせた理由も納得が行く。何故ならこのTPは基板のハンダ面にあるはずだからだ。CDP-227ESDのマニュアルは親切に書いてあるので、測定するば自分の疑問は解消されるはずだ。
8/31 WADIA WT-2000s 修理
電源は入るが、トレイが開かない原因を探っていく。このP-2sを母体としたWT-2000sは、中身はP-2sと同じ。基板にも「P-2s」と記載されている。違うのは、トランス2基が外出しと筐体の剛性、それとデザインだ。フロントパネルは、外から見えるよりぶ厚いアルミの削り出しだ。まずは現状把握。伸びたベルトの交換だ。ベルトはトレイ駆動用に2段掛けの2本、チャッキングクランパーの上下用に1本使われている。問題はクランパーのほうだ。いろんな記事にもあるように、板金メカベースに載ったVRDSメカを取り出すだけでは、交換できない。左がメカ全体。ここまで来るのも大仕事です。中央がクランパー用モータ。ベルトは両持ちの軸に取り付いているので、一度、軸を外さないと交換ができない。モータを外した上に、クランパー上部の「Cリング」を外して、クランパーをバラバラにしないと軸は取れないのだ。この機種のメカ設計者は、やりたいことを全部やっているが、メンテのことは全く考慮してない恐ろしい設計です。なのでメーカーにベルト交換を頼んだら、きっと高額だったと思う。しかしベルトを交換してもトレイは開かなかった。右は3度目の全バラシで、クランパーの上下位置信号を送る接点スイッチが怪しいと思い、外してみた。
これが大正解。抵抗は40Ωと27KΩ。ただの接点で27KΩは、高過ぎだろう。IPA洗浄と#2000ペーパーで接点を磨いた後は、両方とも16Ωまで下がった。これが本来の値だろう。これを組付けたが、まだ動かない。電源ON後にOPEN/CLOSEの赤いLEDが点滅するが、ボタンを押しても反応しない。ここであきらめかけたが、へこたれないのが技術者だ。
たぶんイニシャルの動作シーケンスを満たしてないから、動かないのではないか?と考えた。まずはクランパーが下がり切っていないとダメだと思うので、またバラしてクランパーを一番したまで下げた。するとトレイが開いた。予想は当たった。クランパーが下がっていない時は、トレイは動かないのだ。ところが今度は、VRDSのディスクが回転しない。これもイニシャルがあると思って、手でピックアップを下げようとしたら、途中で引っかかっている。何で?良く見るとピックアップのフラットワイヤーがピックアップの固定用の軸に巻き付いている。自分は、こんな所をいじってない。もしかして誰かがピックアップ交換した時に間違ったまま放置されていたのか?再度バラして組付けたが、やはりディスクは回転しない。いよいよダメかと思ったが、再度、電源部を外して何本かある制御基板にささるフラットワイヤーを指し直してみる。組み直して、ピックアップを写真の位置まで移動すると、ピックアップがイニシャル位置にあるのを認識し、ディスクが動き出した。やれやれやっと直った。何でこんなことになるかというと設計が悪いからだ。VRDSのディスク用のケーブルがアルミブリッジに沿って右奥に向かい、VRDSの板金メカベースの穴を通して制御基板にささるようになっている。これが問題で、ケーブルは制御基板が固定された状態では、スキマがなく刺せないので、一度制御基板を外してスキマを作って刺すしかない。この時、制御基板に引っ張られてフラットワイヤーが抜けるのだ。問題は、デザイン優先で小さい筐体にVRDSメカを入れたからだ。P-30やP-50sのようにフルサイズの筐体に入れたら、基板はメカの両脇に置け、コネクタは簡単に刺せるようになる。たぶんP-2sの構造が不評だったので変更したのだと思う。だがこの小ささが音のメリットを産む。ねじれ剛性が抜群に高いのだ。剛性や駆動方法によって音が変わるのは、アナログターンテーブルを見ればわかる。WT-2000sも剛性が高い筐体にメカを格納し、VRDSの中枢部分は、フローティングになっているのだ。「音のために、整備性は捨てたよ」とWADIAの技術者が言っているように感じた。最後にベルトサイズだが、内径60X□1.6,40X□ 1.6,22X□ 1.2を使った。千石通商で手に入る。これより1~2mm小さいサイズがベストだろう。特に60サイズは本来の□2が良いが入手できなかった。トレイ開閉が一番トルクがかかるからだ。あとベルトは急激に負荷が掛かる時伸びる。なのでP-2s、WT-2000sのユーザーは、トレイ開閉速度の可変をやって欲しい。これができるのが、この機種の良い所だ。トレイの開閉速度調整ができる機種は、ほんのわずかだ。なので使わない手はない。「ちょっと遅いかな」ぐらいの速度に調整するだけで、ベルトの伸びは抑えられる。お試しあれ!さてWADIA純正組み合わせの音を聴いてみよう!

念願の3台トランポ体制が、やっと完成した。改めて純正WADIAペアを聴くと、やっぱり凄い。以前所有していた時より、2000ver96のキレが増している印象を受けた。WADIAのトランポの音を拾い上げる能力が高いのだろう。AYRE+dcs、STUDER+dcsも悪くはないが、全体にソフトな印象だ。強烈な分解能で一筆書きのような音の印象のWADIAペアとの比較では、どちらも高いレベルの完成度を誇り、自分にはWADIAの音が、DAC業界から撤退を迫られるほどの差があるとは思えない。好みの範疇でよりクラシック向きのdcsが支持されたと言うことだろう。自分の聞くロック、ポップスにはWADIAのほうが相性が良いようだ。トランポとの相性の問題だと思うが、AYRE、STUDERとdcsの組み合わせだと、曲中、音量が数秒低くなる時がある。ノイズは出ないが気になる。DDコンバータやクロック、リクロックなどをかましてシステムが複雑になると、いろんな問題が出てくるものだ。この辺は、アナログのようにはいかない。デジタルは、入出力電圧を守ることと、時間軸がしっかり管理されていないと、うまく再生できなのだ。回転数で速度を管理するターンテーブルでは起こらないことが、デジタルでは起こる。信号のやり取りは、純正ペアが一番安定動作するのは、間違いないだろう。次回は、AYREとSTUDERの信号をWADIA2000に入れて見ようと思う。
8/29 自作DIGILINKが完成したが・・・
AES/EBU入力を実装して、いざ波形を見ると何か変だ。TTLに変換できてない。良く元ネタを見たら、SPDIFをAES/EBUに変換する回路だった。これじゃ動くわけがない。そこでAES/EBUをSPDIFに変換する回路と、TTLに変換する回路を探したら見つからなかった。誰か頭の良い方に教えてもらいたいものだ。仕方なしに明日は、BNC入力でWADIA2000から音が出るかを確認することにする。外観は、それなりに出来たのだが、残念だ。WADIA2000の音は、どうだろうか?1ケ月近く電源を入れてなかったので、最初は緩い音だったが、30分もすると、鋭くキレのある低域が出てきて、本領を発揮しだした。自作DIGILINKは、音が途切れることもなく、ノイズもなく安定している。ヘタな手配線の割には、良くできたと思う。明日は、いよいよWT-2000sが復活するか、鉄クズになるか、不安と期待が入り混じって、何とも言えない気分だ。セットの動作未確認を20万で買って、2000ver96は、自作DIGILINKと電源部のパーツ交換で動作するようになった。WT-2000sは、トレイが開かないとのことで、ベルト交換で動くはずだが、どうなることやら。ネットを見ると、ベルト交換しても、トレイが開かずハマっている人もいるので、なかなか手強そうだ。
2025/8/22 DIGILINKが完成した
今日はSTトランスミッターのドライバー回路を実装する。14ピンのICを手作業で配線するのは、集中力が必要だ。回路図どおりに慎重に配線する。2度ほど配線を間違えて波形が出なかったが、3度目で波形が出た。最初の波形は、SPDIFもTTLもぐちゃぐちゃで、ST入力は、ピンクの線が変化しないものだった。
これが3度目の波形。黄色がSPDIFで±0.2V程度の入力がある。緑糸がTTLでピッタリ5V出ている。ピンクがST入力前で、TTLに同期しながら、3.5VがLOW、4VがHIGHの信号になっている。手配線ではノイズが乗るかと思ったら、想像したよりずっと綺麗な波形が出ている。元の安定化電源の質が良いからだろう。さてWADIA2000につないで見よう。ドキドキするな。
WADIAの電源を入れる。リモコンでMUTE解除し、INPUT2を選択する。44.1KHzに赤いLEDが点灯した。やった~!ロックしたぞ。がんばった甲斐があった。今時、こんなものを作る人は、まずいないだろう。実はD730もD-1もAES/EBU出力なので、今回の自作DIGILINKは使えない。そこでAES/EBU入力も追加して、スイッチで入力を切り換えられるようにしようと思う。そうすればAES/EBUとSPDIFの2つの入力が使えるようになるからだ。回路図は変更していないので、同じ部品で作れば動きます。DIGILINKは30も40も電源別体型なので、スペースを取るが、自作は電源内蔵型にした。あとはカッコイイ筐体に入れてやろう。
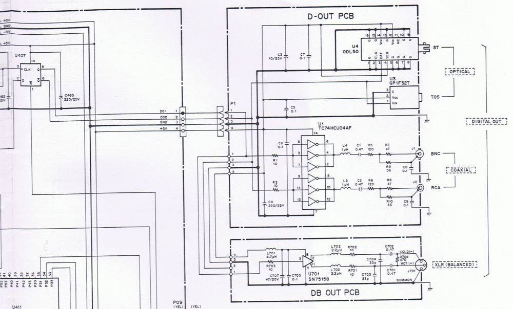
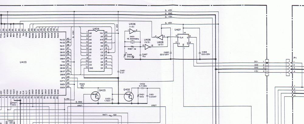
今回作りながら、気になっていたことがあった。WADIAのSTリンク波長は875nm。1414Tは820nmで一致していない。それとWADIAのSTモジュール:ODL50が、どのくらいのパワーで送信しているのかが、わからなかった。1414TはMAX60mA出せるように入力回路を組んである。たまたまなのか、元からWADIAの設計に余裕があったのかは不明だが、めでたく同期してくれたのはラッキーだった。たぶんAES入力にしても問題ないだろう。機械スイッチで入力を切り換える損失も、ほとんど影響しないと思う。まだODL50はTXもRXも手に入る。とりあえずTXのODL200を入手しておいた。WADIA2000ver96はスペシャルバージョンでST入力が2つあるのだ。と言うことはWT2000sから自作DIGILINK50(と勝手の命名する)に、BNCで入力し、ST出力をWADIA2000に入れることができ、DIGILINK50とST直結の聞きくらべも可能になる。まあWADIA2000のSTモジュールが同時に2ケ共故障する確率は低いだろう。実は保険でアメリカからDIGILINK30を購入して入荷待ちだ。本物と自作DIGILINK50の音の差は、いかに?DIGILINKを自作しようと思う人は、自分ぐらいだろうな。今時STリンクなんて、どこも使ってないし、新製品も出ないだろう。でも自分は、2000ver96の音が、たまらなく好きです。dcsには無い、粗さ、生き生きとした溌剌さが魅力なんです。
2025/8/21 DIGILINKを自作したい その2
パーツが入手できたので組立開始・まずは5V電源から。いつものようにLM350Tキットを買って、パーツを良いものに換え基板に実装していく。今回は初めてのものなので、あちこちにチェックピンを立てる。失敗しても、どこにどんな信号が届くのかを見るためだ。5Vは5.00Vに調整し完了。基板の右端にSTリンクモジュールを実装し、BNC入力は端子受けにした。もしうまく行った時のために中央にAES/EBUをTTLに変換するためのスペースを開けておく。トランスは8V 1A、電解Cは2200μF 50Vを2本積んでいるので、電力的な問題はないだろう。ニチコンFG 多回転トリマー VISHAYの抵抗 WIMAのフィルムCなど、いつものようにパーツにはこだわってます。ここからが本番だ。

TTL変換回路までが完成した。黄色が送り出し側のSPDIF信号で、緑色がTTLだ。緑色は黄色に同期して、ゼロ-ピークでぴったり5V出ている。これってTTL変換は出来たと言うことだろうか?このあとは、いよいよSTモジュールへ出力するコパレータ回路になる。こっちのほうが難しい感じだ。今度は今まで以上にノイズに気を付けて配線せねば。CDプレーヤーには、TASCAM CD-601MKⅡを使ったが、アルバム名が表示される機能があることを初めて知った。こいつは相当古いプロ機だが、にくい機能を搭載しているなと感心した。ここまで来たら、何としてもDIGILINKを作って見たくなった。TTL信号の波形は綺麗なので、ちゃんと作れば動くような気がする。
2025/8/14 DIGILINKを自作したい
WT-2000sを修理中だが、もし失敗した時のためにDIGILINKを自作したい。WADIA2000は、STリンク入力しかなく、非常に不便である。今時、ST出力を持つ現役のCDトランポなど購入もできない。調べたところ、同軸系をSTに変換できるのは、エソテリDD-10(以前持っていた) オーディオアルケミーDTI-PRO(以前持っていた)ぐらいのものである。これらも今は入手困難だ。そこで作ってみようと思った。と言っても技術がないので、ひたすら調べて回路図を作ってみた。どうやらSTリンクモジュールにSPDIF信号をそのまま入力しても動かないのがわかった。SPDIFをTTLに変換し、それをSTモジュールに入力しなくてはならないようだ。以前なら、デジット社からSPDIFをTTLに変換するキット「光同軸インターフェイス」が売られていたが、もう入手できない。ただし、ありがたいことに丁寧な回路図が公開されていたので、これを使うことにする。問題はSTモジュールだ。WADIA時代のAT&T ODLシリーズはすでに製造中止になっている。探してみたらBroadcom Limited社から発売されているのが、わかった。ところが話はそう簡単ではなかった。ODL50(200)の波長は875nmだが、HFBR-1414Tは、820nmで中心値が一致しないのだ。ただズレは数十nmぐらいなら許容できるらしい。中心値が845nmのAFBR-1715TZもあるが、こいつは出力値が極端に高いので、受信側が心配だ。なので1414Tのほうを選択した。TTL信号をそのまま入力するのもダメでNAND ロジックICで変換しなくはならない。この部分の回路図はBroadcomの資料に載っている。さらに探したらAT&T ODL200 TXが見つかった。海外通販で5000円ほどなので、買ってみることにした。とりあえず現状の回路図は、こんな感じ。どなたか、分かる方アドバイスお願いします。ネットで接続ケーブルのないDIGILINK30が売っているが、ジャンクで10万は高過ぎだ。今回はケースなしでパーツ代は1万程度だ。保険で買ったODL200を入れても1.5万程度だ。これで電源トランス、平滑回路、安定化回路、ST変換回路まで全部含んだ価格だ。

過去のDIGILINK40を使って調査した時の資料を見ると、シュミットトリガーインバータ→フリップフロップカウンター→STリンクの回路になっていた。海外サイトで見たP2sの回路も同じ並びだった。ということは、回路構成は、これで正しいようだ。とりあえずやってみるしかあるまい。P2sはODL50の前にU407:HP74HC74PのフリップフロップICがあり、それにU406:UDP74HC04C インバータが接続されている。


ところがさらに調べると、WADIAでも構成が違っているのを見つけた。WADIA8の場合は、インバータ→ラインドライバー→ODL50の順に接続されている。P2sは、インバータ→フリップフロップ→ODL50だ。この差は、どこから来るのだろうか?最後は同じODL50なので、自分の頭では理解不能だ。確からしいのは、TTLの信号をインバータで受ける。その後、ラインドライバーかフリップフロップでODL50に出力する。想像だがP2sは1992年発売で、WADIA8は、1993~4年頃の発売で、この間で制御回路が進歩してフリップフロップを内蔵するようになったと思う。一筋縄では、うまく行かないようだ。一番動きそうなのは、フリップフロップ回路構成がわかっている1414Tで作ってみることだろう。この場合、1414Tに入力される信号の電圧、電流は保証される。懸念事項は、周波数の中央値のズレの影響だけだ。ODL50(今回は200を使う)を使う場合、周波数はピッタリだが、フリップフロップ回路の使い方が、わからない。作ってみるしかないだろう。
2025/8/13 SONY TA-D900 オーバーホール
センターch用に使っているチャンネルデバイダーのSONY TA-D900のオーバーホールを実施した。どこかに不具合があるのではなく、ボリュームに軽いガリがある程度なので、電源部のリフレッシュと全電解Cの交換、インプット抵抗を高品位なものに交換した。電源部は、ダイオードを最新のものに全数交換し耐圧アップ。電解C交換を実施した。
中央がメンテ後の状態で、右がオフセット調整の様子だ。オフセット調整は、グランドとテストピン間の電圧がゼロになるようにトリマーを調整するだけなので、サービスマニュアルが無くても可能だ。調整ポイントは8ケ所ある。
インプット抵抗は、赤いRPRと茶色のDALEを使った。PRPは明るくキレがあり、DALEはストレートな表現が魅力だ。PRPは、AYRE KX-5プリアンプなどに使用されています。どちらも段々と入手しにくくなってきた。トリマーは、多回転型の高精度なものに全数交換した。1回転型だとピッタリゼロに合わせ込むのは困難だ。
リレーは代替品と交換。OMRON G5V-2のDC12Vタイプだ。トリマーは3本足で、足が3角形に並んでいるものを使うこと。直線に並んでいるものは、足が届かなくなり使えない。電解Cは容量が同じで耐圧を上げたニチコン オーディオ用を選択。外径が細くなっているので、熱の影響が小さくなるのがありがたい。どこかの業者のように根拠のない容量アップはやらない。
ボリュームはアルプスの特注品。20KΩの特殊カーブ仕様。同じものは入手できないので、分解して清掃。黒く見えるのは、ホコリでなくカーボン抵抗のようだ。IPAを含ませた綿棒でやさしく拭き取ると結構、黒くなったホコリが撮れた。これが8つあるので結構な仕事量になる。最後にツマミの作りが素晴らしい。全周が円ではなく、多角形になっているので、つまんだ時に滑りがない。たぶん押出しで成型したあと、旋盤、フライス加工、ヘアライン加工、メッキ処理をしていると思う。今時、こんなに手のこんだツマミには、お目にかかれない。この時代のSONYはデザイナーもエンジニアも超一流の仕事人だった。だからいまでもエスプリシリーズ、Rシリーズは人気が高いのだ。このツマミ以外で、触ってみたいと思わせたのは、CELLOのアンプのツマミぐらいだ。触る前から、性能が想像できるのが、本当のデザインである。以上の作業後、激変はしないが音が軽く明るくなり、ガリもなくなった。これで半導体がやられなければ、あと10年は使えるだろう。本機は、色付けがなく、しかも反応が良いため安心して使える性能を持っている素晴らしい機器だ。
2025/7/25 WADIA2000 電源部メンテ
WADIA2000 ver96の電源部の電解CとフィルムCを交換した。交換前の電解Cは、ニチコン製だったが、ルビコン製に交換した。外径が2mmほど小さくなっているが、容量は同じ。熱源から離れるので、寿命は大幅にアップするはずだ。左が交換前だ。電解Cは6800μF/25Vが1つで、ほかは1000μF/100Vだ。フィルムは0.1μF。たぶんver96になった時に交換されたと推測するが、それでも30年近く経っているので、交換時期だろう。右の写真で無事緑色のLEDが点灯し、メンテ完了。お願いしてたWT-2000s用の角ベルトの図面が出来たと連絡があった。材質は特殊配合のEPDM系でお願いした。長いタイプは硬度70度にしたが、短いタイプは硬いかも知れないとのことで、60度でお願いした。この辺は、長い仕事上の付き合いがあったので、阿吽の呼吸で話しが進むのがありがたい。あとは調度いい金型のサイズがあれば良いが。出来上がりが楽しみだ。
調度良いCDジッター試験機とミリボルトメーターが入手できたので、これでピックアップ関係の調整も全部できるはずだ。時代は、ネットワークオーディオ全盛に突入しており、職業でやる人以外は、こんな測定器を使う人は、ほとんどいないだろう。自分に取っては、たぶん状態の良い2000ver96と2000sを手に入れられるのは、これが最後だと思うので、可能な限り手を入れて最良の状態で動かしてやりたいと思っている。たぶん今回の1回調整すれば、あとはCDを読み込めなくなるまで調整は不要だろう。もしくは、出来が良ければ全く調整の必要が無いかもしれない。某オーディオショップのメンテ済のWT-2000(sではない)の「再生RFレベル測定:1.0Vp-p」と言うのがあった。自分のはどの程度のものか、興味がある。この個体は¥198000で販売されていた。まだまだ程度の良いWADIAは人気がある。まずはベルトを交換し、再組立てして動かなくては始まらない。やる気が出てきたぞ!

2025/7/16 WT-2000s修理 その1
トレーが開かないのは、3本の角ゴムベルトが、劣化しユルユルになっているのが原因だとすぐに判明した。ところが、VRDSメカを取り出すのが一苦労だ。簡単に言うとVRDSメカの上に電源基板、下に制御基板があるので、スッポリとは抜けないのだ。順序としては、電源基板を取り外して、VRDSメカを引き抜く形になる。ベルト入手に時間がかかるので、劣化が進んでいると思われる電源基板の電解Cを全部交換することにした。WT-2000sとWADIA7は、兄弟であるが兄貴の7のほうは、剛性アップと電源の強化がより徹底している。WT-2000sも電源分離型だが、電源部にはトロイダルトランスが2基入っているだけで、整流、平滑はやっていない。電源基板にダイオードとコンデンサを積んで整流し安定化している。また筐体に通風孔は開いてないので、天井付近にある電源基板は、熱がこもりやすいのだ。左が交換前、中央が交換後、右が交換したパーツだ。交換後を良く見ると、コンデンサの直径が小さくなっているのが、わかるだろう。同じ容量で耐圧もアップしているのだ。径が小さくなると、熱源から遠くなり、熱劣化が少なくなる。通風もよくなるので寿命も延びる。良いことしかない。今後は、ベルトを取り付け後に、ピックアップの調整をやってみたいと思っている。「アイパターン」を以前から見て見たいと思っていた。幸いなことにP2sとCDP-R1のサービスマニュアルが手に入った。P2sとWT-2000sは、別電源以外は電気的には同じだ。P2sのマニュアルには、測定方法は載っているが、オシロの電圧軸や時間軸の設定値が載っていなかった。そこで同じKSS-151Aピックアップを搭載するSONY CDP-R1のマニュアルを見ると設定値が書いてあった。大抵のHPは、できることが前提で記事が書かれているから、どこから信号を取るかや、どんなオシロの設定にするかは書いてない。商売をやっている人もいるので、明かしたくはないのだろう。自分は技術的な興味でやってみたいので、わからないことは、どんどん調べて実践するタイプである。またオシロだけでは、調整ができずCDジッター試験機と2針式ミリボルトメーターも必要なことがわかった。たぶん自分のWT-2000sはベルト交換だけで動くと思うが、せっかくまともな状態の2000ver96が手に入ったので、トランポも最高の状態にして聴いて見たいのだ。VRDSメカは、頂点のVUK-P0sも使っていたが、音を拾い上げる能力は素晴らしいものがあった。VUK-P0s は、ピックアップのスレッド送りまでやっていたので作動音は、結構大きかったし、デカく、決しておしゃれとは言い難いものだった。WT-2000sは、コンパクトな筐体で好感が持てる。トレイの出し入れ速度まで個別調整できるのは、マニアックだ。是非、完璧な状態に仕上げてあげたいのだ。頂点を極めたVRDSメカを搭載したトランポは、現在のCDプレーヤーでも太刀打ちできない性能を今でも、持ち続けているのだ。CDトランポは、アナログならターンテーブルになるのだろう。アナログプレーヤーを換えると、同じレコードでも激変するが、CDトランポも同じで、DACが同じでもトランポを換えると、トランポの音が反映されるのだ。これはやってみると面白い。現在は、STUDER D730、AYRE D-1Xの2台を持っているが、なんとなくこのWT-2000sが主役の座を奪いそうな予感がする。
現在は、こんな感じでベルトの入手待ち。ちなみにVRDSメカは何種類かあるようで、WT-2000sのメカは、板金のフレームにバネを用いたサスペンションによって、ダイキャストベースを浮かせてます。CD自体はガッチリつかんで回転させるが、メカ自体はフローティングする凝った作りになってます。廉価版のほうは、フローティングしてないようです。写真右の基板の手前上側の白い9ピンオスコネクタが、ピックアップ調整用のコネクタです。左側板を外すとアクセスできます。ピンのピッチは2.5mmですが正確がコネクタの型番がわからず、試しに買った9ピンコネクタメスは、ピンが入らず使えませんでした。コネクタはあきらめジャンパー線にバラのコネクタが付いたもので、自作するしかなさそうです。なかなか思ったようには、行かないもんです。まだベルトが届きそうにないので、WADIA2000のほうの電源部のコンデンサ交換作業をやります。
2025/7/6 WADIA2000 ver96 + WT-2000s
自分に取って、WADIA2000は特別な存在である。WADIA2000が出て来た時の衝撃は忘れられない。国産のCDプレーヤとDACの技術は当時、SONYを筆頭に世界一だったことは間違いないだろう。それをたった一日で過去へ追いやった「DSPによるデジマスターソフトウェア+64倍オーバーサンプリング」技術は、凄かった。オーバーサンプリングは、デジタルフィルターで行うのが一般的だったが、それをDSPのソフトウェアでやらせると言うのが画期的だった。さらにデザインや作りも徹底しており、中身はまんまコンピュータだし、筐体はアルミの削り出した。最初に聞いたのは2000だった。強烈な分解能とエネルギッシュでスキマの無い音に惚れこんだ。当然、トランポも欲しくなりWT-2000sを手に入れた。中身はエソテリ P-2sだが、発熱源の電源部が外だしで強力な電源部を構築しているところが違う。動作はスムーズそのもの、音の分解能も一流だった。その後、いろんなDACを使ったがやはりWADIAの音は捨てがたく、ver96を手に入れた。2000との違いは明白で、より自然になり透明度も増しているが、WADIAらしい解像度は健在だった。ver96は、自分の不注意でセット入れ替え中にRCA端子のショートを起こし、修理不能になってしまった。なんとかver96をもう一度聞きたいと思い、探したがリモコン付きがなく購入を迷っていた。今回のものは、リモコン付きでしかもスペシャルモデルのSTリンクのほかにBNC入力が追加されたモデルだ。ご存じのようにver96はリモコンがないと全く操作することができないので、正常な個体でも音は出せない。リモコンが超貴重なのだ。使うのは、MUTE解除、INPUT、VOLの3つだけで十分なのだが、リモコンがないとMUTE解除が出来ないので、音が出せないのだ。2000 ver96には、物理スイッチは無いのだ。今回は、ジャンク品とのことだったが、運よく本体も生きていた。WT-2000sは、トレイが開かないジャンク品なので、自分で修理したくて買ってみた。純正ペアで、もう一度WADIAサウンドを聴いてみたい。そしてdcsとどう違うのか、じっくり取り組んでみたい。
音を出してみようと、リアパネルのBNC端子のキャップを外したら、何か変だ。BNCケーブルが刺さらない。良く見ると金属製のST端子だった。これは困ったぞ。今時、STを出力できるトランポなど無い。WT-2000sを修理するか、DIGILINKを探すしかない。しかし中身は見事だ。以前の基板は全部捨てて交換している。拡張性のある筐体設計には、頭が下がる。大抵は「将来はバージョンアップします」なんて言っても、モデルの寿命が尽きてしまうのが落ちだ。その点WADIAは、常に進化するぞ、と言う意欲が見られる貴重なメーカーだった。内部は、電解コンデンサが1つだけあって、あとは表面実装パーツなので、壊れたらもう修理は不可能と思っていいだろう。WADIAは技術情報を開示してないので、チップコンデンサの1つも交換できない。但し、熱設計が秀逸なので、自分のように誤った使い方をしなければ、故障しないだろう。ただし電源部は劣化するので、あとで見て見よう。DAIは、CTSのSTリンクモジュールを2ケ搭載しているが、果たして使い道はあるのか?DACはBBのPCM1702を贅沢に片ch4ケも使っている。この後の出力バッファーが強力で、超低インピーダンスで出力する。
WT-2000sのトレイが出て来ない原因は、すぐにわかった。トレイ駆動モータは回っているが、駆動力が伝わっていない。角ベルトが伸びているのだろう。分解しないとトレイ駆動ベルトは見えないが、ターンテーブルリフトベルトも、伸び伸びなので間違いないだろう。こっちも作りは良くできている。P2sに対し、徹底的に筐体の剛性を高めている。トレイの塗装ハゲもなく、素晴らしく良い個体だ。ベルトの伸びは故障でなく、部品を交換すれば直る。ベルトはすでにメーカーからは供給していないと思われる。ネットなどでケ径だけ合わせて丸ベルトを売っているが、そもそも角ベルトと丸ベルトに互換性はない。それに材質も信用できない。自分は、技術力の高いゴム屋さん(N製作所)とお付き合いがあるので、特注した。材質も特殊なものを錬ってもらい、摩擦力と耐久性を両立させたものである。EPDM系とだけ言っておこう。過去にAYRE D-1のトレイ用に作ってもらったが、すこぶる快調である。出来上がりが楽しみだ。
2025/6/15 dcs PAGANINI DSD変換
最初は、こいつを買うつもりは無かった。でもどうしても44.1KHz⇒DSD変換を聞いて見たくなって導入を決意した。前回、AオーディオからPURCELL1394を買ったが、1394I/Fボードが故障していて使えなかった。輸入元と修理業者に依頼したが、直らなかった。Aオーディオから買うときは、詳細を良く確認してから買うことだ。今回はヤフオクで購入した。DSDはつないだことがないとのことで、賭けだったが無事動作した。PAGANINI側の表示は「16/44.1→DSD」となりDELIUS1394側は「dcs PUP」となる。初めて見る表示で、たぶんPAGANINI UPSAMPLERの意味だろう。ワンオーナーの美品だけあって、表示も綺麗で目立った傷もない。足が3点接触なので、筐体の角を押すとグラッと来るのと、筐体がバカでかいのが難点だ。世代がPURCELL1394より新しいだけあって、音もより洗練された印象だ。176.4や192KHzを聞いてみないとわからないが、DSD変換の印象は「当たりが柔らかい」と言うのが第一印象だ。決っして丸くダルイ音ではないが、素の44.1KHzのようなエッジが立った感じはしない。今は1394ケーブルの1本しか接続してないので、リアパネルもスッキリしている。今後、DUAL-AES、クロック同期をやるとまたごちゃごちゃになってくるだろうな。フロントパネルは、35mmはあるアルミの削り出しで、3次元加工している。これだけでも、相当なコストがかかっている。そりゃ高いわけだ。ところがBARTOK DACになるとまた真っ平になっている。良くわからんメーカーだ。1つ気がついたのは、こいつを入れると音量レベルが下がるのだ。音量レベルの調整はできないようだ。DUAL-AESにすると、どうなるんだろう。使いこなすには、時間がかかる機器だ。PAGANINIとDELIUS1394の相性は良く、音が途切れたり、ノイズが入ったりはしない。BARTOKには1394端子がないので、もうDSD変換はやめたのかと思ったが、USB入力が最優先になったようだ。
ハイテクの次はローテクの話題。友人が真空管試験機 IT-17を貸してくれた。この手の試験機は、程度が良いものは結構なお値段で取引されている。欲しかったが、なかなか手が出なかった。使い方は、簡単だった。中央のロールペーパーから調べたい真空管を選び、パラメータをセットする。真空管を刺して、フィラメントが赤くなったらTESTを押す。すると最初は中央にあった針が右に上がって緑色のGOODに触れる。ダメな球は、左の赤い方に振れる。今回買ったA3500の6L6GCの球は、全部、70以上で合格だ。ちなみにGOODは58からだ。しょっちゅう使うものではないが、これ1台あるといろいろと遊べる。なかなか面白い機械だ。
2025/6/10 LUXMAN A3500
友人からLUXMAN A3500をもらった。外見は錆てて、動くかどうかもわからない。内部は、組み立てたままのオリジナル状態に見える。老後のヒマつぶしに修理したら、売れるだろうか?球は6AQ8と6L6GCで、メーカーは6AQ8がマツダ製、6L6GCは読めない。真空管アンプは、トランスさえ生きていれば、復活させることができるのが、素晴らしい。今時の表面実装パーツがオンパレードの基板では「基板交換」が「修理」なので、製造中止イコール製品寿命になるので、寿命が短い。このA3500は、1972年発売だから、すでに53年物だ。それでも動かせるのだから、大したもんだ。ゴキブリと真空管アンプは、最後まで生き残れると思う。こいつには6L6GCが刺さっているので40W+40Wの出力が取り出せるようだ。ステレオアンプなので16kgと結構な重さだ。幸いにも回路図が手に入ったので、時間を掛ければ復活できるだろう。
2025/5/12 ハイテクデジタルアンプ VS 純アナログ極小パワーアンプ
エルサウンドのEPWS-5Sと師匠からお借りしたJEFF MODEL102、それにSONY SRP-P2070の3つをJBL 2405で聞きくらべることにした。2405の能率は105dBあるので、並のアンプを直結するとシーシー言って使いものにならないので、INPUTボリュームは必須である。今回やってみたかったのは、最新のハイテクデジタルアンプは純アナログの極小出力アンプより、静かなのか?と言う疑問が湧いたからだ。普通に考えると石の数が少ないほうが、残留ノイズも小さいはずだ。なので簡易的であるが、測定と試聴で判断する。基準は左のSONYでこの状態でツイーターに耳を近づけてもノイズは聞こえない。SRP-P2070は50W INPUTボリュームは1/2まで絞った状態だ。中央がJEFFで赤い線を見ると2.5KHzぐらいにピークが現れ、10KHz付近もグーンと盛り上がっている。聴感的にもシーっと音がするが、ボリュームなしでこの性能はさすがである。音もJEFFらしいそつのない音で好感が持てる。右がエルサウンドの5W+5W。これもINPUTボリュームは全開状態だが、ノイズが聞こえない。測定でもSONYとほとんど同じ傾向になっているのがわかる。
この状態で音を聴いてみた。自然である。違和感が無い。良い感じだ。やはりバイクを動かすのに、戦車のエンジンは必要ないのだ。ここで良く左の写真を見て欲しい。ドライバーを付けて無い状態で聴いていたのだ。ウーハーが1.25KHzまで、ツイーターが10KHz以上の音しか出ていないのにもかかわらず、つながりに違和感が無かったのだ。これは自分でも驚いた。2213と2405の中抜け2WAYでも行けるのだ。ついでに残留ノイズを測定したJEFFが16mVと4.2mV。エルサウンドは-1.2mVと0mVで、測定値もエルサウンドは優秀だった。これは回路を調べて、オフセット調整をやってみたくなった。
このアンプは結構真面目に設計されている。トランスは2次側が2出力になっていて、それ以後の整流ダイオード、コンデンサは左右完全独立になっている。トランスは15V 1A仕様なので、B電源は21V程度の定電圧駆動なのがわかる。電解C用のスルーホールがあるので、容量を増やすことも出来そうだ。基板上にトリマーが2ケあるので、アイドル電流とDCオフセットだろう。回路図は探したが見つからなかった。他のアンプでRCA端子に10KΩの固定抵抗を付けているのが有ったが、これには無くアルプス製の10KΩボリュームが付いている。マルチアンプ用としてオススメできるアンプです。今度はドライバー用にモノラルアンプを入手して、マッキントッシュのMC7100はサラウンド用に使ってみたくなった。今回は¥22000で入手できたので大変満足だ。
2025/5/9 残留ノイズとの戦い
昨日までで、やっとまともな音がセンターSPから出るようになった。ただしドライバーとツイーターは100dBを軽く越える高能率ユニットなので、MC7100もSRP-P2070も、結構入力ボリュームを絞らないと残留ノイズが気になる。ただし耳を近づけて聞こえないレベルまで下げると、必要な音圧が出ない。そこでリスポジから聞こえないレベルまで上げて何とか使っているのが現状である。ネットワークの場合は、素子で能率の違いを調整するのでノイズは気にならないが、チャンデバ方式は、パワーアンプ直結なので、もろにアンプ自体の残留ノイズが聞こえてくるのだ。そこで何とか解決策がないかと考えた結果、2つの案が浮かんだ。1つめは、小出力のアンプにする。2つ目は、アキュフェーズのアンプにする。小出力アンプは、エルサウンドのEPWS-5Sと言う5W+5Wのものが見つかったので、試してみることにする。出力が少ないことは、石がシングルかパラプッシュぐらいなので、鮮度もノイズにも有利なはずだが、能書きどおりかどうかは、実際に自分で聞いて見ないとわからないものだ。アキュフェーズのアンプは昔から残留ノイズが少ないことは、知られているので、これも試す価値はある。あと気になるのは、JEFFのDクラスアンプとゴールドムンドの小さいモノラルアンプだ。
2025/5/6 センターSP LE175測定
やっと全部が揃って、センターSPの特性測定を実施した。ウーハーは2213A ドライバーはLE175 ツイーターは2405 クロスは1.25KHzと10KHzにした。左がツイーターなしの2WAY時。右がフルバンドだ。どうも2213Aのエネルギーが高いのか、チャンデバの素の特性なのか、本来はドライバーのほうが19dB以上音圧が高くなるはずなのに、逆に低く出る。取説がないので、本当の所はわからない。LE175はギリギリ10KHzまで行けそうな感じだ。2/4の2420の測定だと2~4KHzぐらいが盛り上がっているが、LE175のほうがフラットだ。その代わり伸びると思っていた高域が10KHzまで届いてなく以外だった。ただし極端にドライバーが出しゃばることがなくなったのは、良いことだろう。とりあえず聞いてみて、気に入らなかったら2420に戻せばいいだけだ。
2025/5/6 LOGAUDIO LD2000
センターSPをマルチアンプ化して1つ課題が発生した。今までは、AV8802とC46の電源を入れると全システムがON OFFできたのだが、チャンデバとラインコンバータとSRP-P2070の電源が手動になってしまった。何とかならないかと探したら、SONY MU-P151と言うパワーディストリビューターがあることがわかった。こいつが優れもので、ソース系の電源が入ったあとパワー系は3秒遅れて入るのだ。これは使える。さらに調べるとSRP-D2000が結構新しいことがわかった。ところがすでに製造中止で、取説も入手できない。困ったいたらLOGAUDIO LD2000を見つけた。フロントパネルがそっくりなので、SONYのOEMかと思ったら、さにあらず。こっちのほうがより洗練されていた。何が違うかというとフィルター類を省くかわりに「ゼロクロススイッチ」を搭載している。この機能は重要だ。自分のほとんどの機器は、この機能を通るようになっている。チャンデバとラインコンバータとSRパワアンプの電源SWが入れっぱなしになるので、突入電流が軽減できる機能は、目には見えないが、大変有効な機能だ。しかも取説も手に入る。取説が入ったおかげで、新たな機能を思いついた。コントロール端子をショートすることで、自由に離れた所から電源の入り切りが出来るのだ。そこで考えた。AV8802のトリガーOUTを一度、自作分配器に入れ、電流をたくさん流せるようにしたあと、12Vリレーの接点をONさせるのだ。これで映画を見る時だけ、センターSPの電源を入れることができる。すでに自作分配器は完成している。LD2000の到着が楽しみだ。
中途半端なことをやってもオーディオの音は忖度しないので、良くなったりはしない。そこでラインコンバータ:SRP-200LCをもう1台追加して、ツイーターを独立で動かすことにした。気が付いたのは、年式によって仕様が違っていて、あとから買ったラックマウント金具のないほうは、電源ケーブルのアースマークがないのとケーブルも少し細い。ゲイン切り替えSWも色が違う。LOGAUDIO LD2000はなかなか良い。電源を入れるとスタンバイの赤LEDが点灯し、3秒経つとパワー系の電源が入り緑のLEDの点灯に変わる。電源OFFもパワー系が先に切れるようになっていて、安全だ。ちなみに裏側の2Pコンセントのニュートラル側は上下に並んだ下側になると表示されていて、この辺も親切な設計になっています。センターSPをマルチアンプ化するだけで、こんなに大がかりになるとは思わなかったが、箱の製作、ユニット選定、セッティング、調整を含めて進化したのは、間違いない。ここからは、じっくり取り組もう。
LD2000の便利な機能にリモートON OFFがある。背面のリモート入力と出力には、デフォルトでショートバーが入っている。これを取って、代わりに何でいいのでケーブルを付ける。このケーブルを自作のリレー装置でONする単純な仕組みで動作できる。このリモート端子には、電流は流れないのでどんなケーブルでも良いのだ。LD2000の電源SWをONしても動かない。AVプリから12Vトリガーが出力させたときだけ動くようにできるのだ。AVプリのスイッチONで見事に連動してSRP-200LCの電源が入った。快適だ。
2025/5/3 SONY SRP-200LC
バランス-アンバランス変換器のSONY SRP-200LCを入手した。ネットから取説は見つからなかったが、なんとかなるだろう。センターSPは、高感度ユニットを組み合わせたマルチアンプシステムである。マルチアンプは、ノイズとの闘いである。そこがネットワークとの最大の違いだ。ネットワークはメーカーが最適な値に素子を組んでくれるので、何の問題もなく鳴らせる。マルチアンプはネットワークを取り去った分、鮮度が上がるはずだが、高能率のドライバーをそのままつないだだけでは、アンプの残留ノイズが盛大に聞こえてくるだけである。なのでアンプの吟味を含め、細心の注意を払わなければ成功しない。今回、SRP-200LCを導入したのも、まずチャンデバに入る前に、ノイズの影響を最小限にするためだ。センターチャンネルはモノラルでAPEQからXLRケーブルで5mほど引っ張っているが、今まではバランス⇒アンバランス変換をケーブルでやっていた。そこにSRP-200LCを入れた。SRP-200LCの右から2本のアキュフェーズの緑色のバランスケーブルで入力し、アンバランス変換しPADのミズノセイFEROXで出力する。アンバランス⇒バランス変換は、ウーハー2ch、ドライバー1ch、ツイーター2chで合計5ch必要だが、工夫して4chで対応した。どうやったかというとウーハー、ドライバーで3ch分を使い、ツイーターはカルダスケーブルの出力にオーディオリプラスのXLR2分岐変換を付けて、振り分けた。これで4chを使い切った。ここで問題はチャンデバからの出力を、どちらか一方のチャンネルから取り出すと、ハムノイズが出ることがある。なのでドライバーは左ch、ツイーターは右chから出力させている。このへんはおのおのの環境で違ってくるので、トライアンドエラーしかない。またSRP-200LCには、グランド切り離し機能がある。これを切り離すと盛大にノイズが出た。うちでは切り離さないほうが良かった。ここまでで、ほど期待どおりの残留ノイズ量まで減ってきたが、ツイーターだけまだノイズが多い。アンプのSRP-P2070自体の問題かも知れない。マッキントッシュのMC7100で鳴らすドライバーのほうはノイズを押さえ込めたので、まだ入力レベルの調整が甘いのかも知れない。時間をかけて取り組もう。最後にSRP-200LCを入れた感想だが、抜群に鮮度が上がるわけでもないし、音がぼやけることもない。つまり自然体でクセがないと言うことで、この手の機器としては、使いやすいと言える。つぎはチャンデバ、変換器、パワーアンプの電源を入れる順序を守る必要があるので、この辺を自動化したい。AV8802の12Vトリガーを分岐してリレー回路を自作しパワーディストリビューターのMU-P151のリモート端子につなげば、実現できるはずだ。
2025/5/1 センターSP 進化
SRP-P2070を簡易整備し、やっとまともに音が出るようになった。ただ耳で聞いた感じだと、周波数特性にうねりがあるようで、イマイチ声が抜けて来ない。チャンデバもアンプも大幅に変更になっているのに、APEQの補正データが昔のままだからだろう。やはり何でも見える化が必要だ。面倒でもAPEQの測定をやり直して見よう。映画を見た感じとしては、サラウンドの天井SPの音の鮮度が上がっている。MC7106のドライバー基板をメンテした成果が出ている。無論MC7100も良い状態だ。サラウンドSPが良く鳴ってくれると、臨場感が増し、より映画に没入できるようになる。となるとやはりチャンデバもメンテしたほうが良いだろう。パーツは全部揃った。あとはやる気だけだ。考えてみたら、チャンデバもASHRY XR1001があるので、音が出なくなる心配もない。ボトボチやって見るか。
2025/4/30 センターSP ツイーターから音が出ない
MC7106のLED化が完了したので、サラウンドシステムの音出しを実施した。マランツAVアンプによるマイクを使ったSP測定をやったら、どうもセンターSPの音が変だ。ツイーターから音が出ていない。ツイーター用のアンプは、SONYのプロ機:SRP-P2070でリアパネルにINPUT切替スイッチがあり、0dBと-10dBを選択できる。0dBにしたら音が出なくなった。どうやらこれはバランス入力の時しか有効でないらしい。でも-10dBにしても音が出ない。何でだ?フロントパネルにあるINPUTボリュームを回していたら、右chは復活した。どうやらボリュームにガリがあるのが原因らしい。電源をOFFして10回程度グリグリしたら、左右とも音が出るようになった。ツイーターから音が出るようになったら、今度は右ウーハーがハム音でブーンと言う。これもあれこれいじっていたら、TA-D900が犯人だった。それもリアパネルにある低域ブーストスイッチの接触不良のようだ。ためしにこのスイッチに触れると音が止んだ。スイッチをカチカチと何往復かしたら、綺麗な音になった。アンプもチャンデバもこのままでは、使えないようだ。いい勉強になった。SRP-P2070の回路図を見ると、INPUTはオペアンプだと思うが、バランス受けになっている。なので本来の使い方はバランス入力にすべきだ。チャンデバのTA-D900がアンバランス出力しかないので、そのまま使っていたが、調べたらSONYには、バランス変換器:SRP-200LCと言うのが、あるのがわかった。是非、これを手にいれて見ようと思う。サイテーションCT-1と言う変換器も持っているが、こっちはトランス式でSNは問題ないが、どうも力感が薄れるような感じと細部がボケるような気がするのだ。電気式バランス変換器は、機種が無く、昔オーディオクラフトで見かけたぐらいで、選択肢はほとんどないのだ。探したらメルカリで出品されていたので、早速購入した。こうなると逆にどれをバランス入力にするか、迷ってしまう。MC252,MC7100、SRP-P2070のすべてがバランス入力を持っているからだ。いっそのこともう1台買えば、全部バランス入力できるのだが。SRP-P2070を開腹してみた。超薄型設計、トロイダルトランスもペッチャンコ、電解Cにシルミックを使う所はツウですねぇ。
出力段の基板にはバスバーを通す真面目な設計。 問題のボリュームは、開放型だったのでパーツクリーナーを吹いてグリグリしてみた。その他コネクタは可能な限り抜き差しと清掃。最後に整線して完了。このアンプは中央に整流部があり、その基板のバリが天板の防振ゴムに引っかかるとカバーが外れなくなるので、バリは取ったほうが良いのと、電力線と信号線がいっしょに束ねている部分があるので、極力離して固定したほうが良いです。基板同士がコネクタ接続で、ワイヤラッピングを使ってないので、整備性は大変良いです。このアンプは通電確認のみの物を2800円で手に入れました。DCオフセットは大幅にズレてましたが、バイアスはまともでした。50W+50Wの小パワーで業務用なので人気が無いから、安かったのでしょう。でも高能率のドライバーやツイーターを鳴らすには、石の数が少なくて小パワーのアンプで十分です。しかもバランス入力とボリュームも付いているので言うことなしです。これで、やっとまともな音出しができる。
2025/4/25 MCINTOSH MC7106 LED化完成
やっとアメリカからLEDが届いた。たまたまハカマと本体の結合が緩いのがあって、構造がわかった。やはり電流制限抵抗が付いていた。LEDもたぶん双方向に2つ付いているのだろう。これでやっとLED化が完成した。球切れの心配もなく、バイアスもバッチリ合わせたので、安心して使える。LEDなので発熱がないのが、何よりありがたいことだ。夜が楽しみだ。
2025/4/16 SONY TA-D900 その2
使い方がわかって再度試聴開始。これが本当に1980年代の45年も前の製品なのか?と驚いた。まずSNが抜群に良い。アキュフェーズより良かったASHRYよりさらに良い。ドライバー、ツイーターからはほぼ無音。そして音が立体的で平面的じゃないのが素晴らしい。所謂クセが無いのだ。無いはずは無いのだが、感じないほど自然体の音が出る。チャンデバは今までアキュフェーズのF15L、F20、F25、DF35、ASHRY XR1001、JBL5235(ベリンガーは問題外だったが)などを使ってきたが、こいつが使い勝手も含めて自分には最高だ。これでインプット抵抗周りをPRPとDALEにすればさらに良くなるだろう。どうせならトリマーと電解C、足が黒くなった整流ダイオードも交換しよう。マルチアンプのこつは、焦ってはいけないことだ。LE175も聞いてみたが、こちいのほうが2420よりも合いそうな感じだ。だんだん面白くなってきた。
2025/4/15 SONY ESPRIT TA-D900
ASHLY XR1001は、SNが良くなかなか良いチャンデバだが、クロス周波数が精確に設定できないのと、レベル調整が大雑把なので、悩んだあげくSONYのESPRIT TA-D900を手に入れた。UNIT1,3,4付きで¥10万なり。SONYの中で「ESPRIT」の名前が付くの物は、他の製品とは一線を画す。デザインも性能も思い入れが違う。TA-D900も、まず外観デザインが素晴らしい。薄型の筐体で精密感をもたせ、卓越した技術力で薄くても筐体の剛性も高い。一番カッコ良いのは、ガラストップ越しにクロスオーバーユニットが見えることだ。最初、取説がないので、ガラストップを開けたまま音を出したら、蚊の鳴くような音しか出なかった。こりゃ、ジャンク品かと焦った。そこでサービスマニュアルで回路図を見ると、出力MUTEリレーなるものがガラストップの下に付いていることが分かった。確かにマイクロスイッチがあり、ガラストップを載せるとONするようになっていた。なかなかにくい仕掛けだ。動作中は、いじれない安全装置になっていたのだ。こういったことは、実際に使ってみないとわからないのだ。レベル調整ツマミもクリック式で、再現性があるのも使い勝手が良い。中を開けてみると、クロスオーバーユニットの周波数切り替えレバーを固定するイモネジを締めるサービスホールまで付いており、操作性、整備性も良く練り込まれた製品だと思う。これを設計した当時の技術者は、超一流だったに違いない。可能ならお会いして、お話を聞いて見たいものだ。自分のは、電解Cも製造時のままの完全オリジナルだ。完全なDC直結アンプなので、電解Cの数は極端に少ない。その代わりDCオフセット調整用のトリマーは8つも付いている。これもテストピンが出ているので、アースポイントさえわかれば簡単に調整できる。自分のは、マイナス12.3mVからプラス0.9mVの範囲に収まっていた。これも何十年もノーメンテとしては、極めて優秀な数値だ。トリマーを調整すると簡単に±0.2mV以内に調整できた。トリマーも十分に効くので、まだまだ使えそうだ。古いものは、トリマーが劣化して、思うように調整できないので、触った時の感触で、わかるのだ。またこの時代はまだLEDが使われているのは少なく、良い感じのグリーンの電源ランプも電球だ。そこで電圧を測ってみるとAC6.4Vで点灯させていることがわかった。これなら今回買ったMCINTOSH用のバイポーラーLEDが使えそうだ。こっちはAC14V駆動だが、数Vもあれば十分な光量が得られることは実験済みだ。
赤いのが、オリジナルの電解C。SONY製のトランジスタ 2SA884が使われている。今でも入手可能だ。右がサービスホール。ツマミを真下に向けた時に、6角レンチがさせるように板金に穴が開けられている。こういった配慮が素晴らしい!
1ケ所だけ、すぐいじりたいのが、入力抵抗のR102とR152 150Ω 0.5W 1%。見た目は通常タイプが使われているが、これをPRP抵抗に替えてみたい。以前、COUNTERPOINT SA3.1でこいつに交換したら、抜群の鮮度感に驚いたものだ。何とか探してみよう。
2025/4/11 MCINTOSH MC7106 修理2
パーツが届いたので、交換する。VISHAYの電解C:100μF 25V とフィルムC:0.15μF 250V 、BOURNSのトリマー 200Ω 0.5W、マックエイト放熱シートである。もとは電解Cがルビコン、フィルムCがWIMA、トリマーは同じで1回転型。放熱シートは、メーカー不明のオレンジ色のペラペラシートが付いていた。プリドライバーの3つのトランジスタは放熱シートを取り去り、グリスに変更した。このほうがより放熱されるだろう。
交換作業を3台分やるのは、結構な作業量だ。同時にハンダの盛りも修正したり、清掃したりも当然ながら実施する。パーツ交換が終わったら、実装に入る。アンプ部を入れながら、制御基板を差し込み、ネジ止めする作業は2本の手には、なかなかアクロバット的な作業になる。実際、どうやって実装しているのか、不思議な構造だ。自分のポリシーは「最初の時より配線を綺麗に処理する」である。このアンプは出力段に送る正負電源線と制御基板へ行く制御線が、いっしょに束ねられていた。たぶん作業性の問題だと思うが、高電圧と低電圧の信号線がいっしょなのは良くないし、パワトラの真上を通るのは、熱劣化するので良くない。そこで信号線は、電源線の下を通すようにし、別々のルートを通した。これでお互いの干渉が無くなる。また線は、極力熱源から遠ざけるルートを通した。たぶん聞いてもわからない変化だとは思うが、長く安定した状態で使うには、大切なことだ。インシュロックも黒にしたので結束が目立たない。インシュロックは何十年も使っていると弾力が無くなるので、交換したほうが無難だ。
これで修理完了のはず。1,2番アンプはバイアス12mVが、なんなく調整できた。元から正常だったので当たり前。次が3,4番。なんと200mVも出ていてトリマーが全く効かない。やっちまったか?仕方なく5,6番を調整する。5番は出来たが、6番がマイナス100mVになり、これも調整不可。やはり直ってないのか?いろいろ試行錯誤してやっとわかった。このアンプはトリマーがどこの位置にあってもバイアスを調整できるようには設計されていない、と言うことだ。つまり最初に電源を入れた時、理想は0mV付近でズレていても±30mVぐらいまでのズレに収まっていないと、トリマーは効かないのだ。なので最初に電源を入れた時、極力0mVが表示されるような抵抗値をひたすら探す作業をやったところ、うまく行った。これにはメチャクチャ時間がかかった。簡単には見つからないのだ。こうして1~6番全てが12mVに調整できた。気が付いたら夜中の1時半になっていた。となると最初に5,6番アンプが調整きなかったのは、何故だろう。トリマー値が30mVズレただけだったのか?プリドライバーのトランジスタの不良か?結局の所、これが原因と言うのは掴めなかったが、多回転式トリマーなら、そう簡単に調整値がズレることはないので安心できる。どこも壊れてなく、調整だけの問題だったのかも知れないが、今回は良い勉強になった。これでしばらくは使えるだろう。あとは照明用のLEDを破損してしまったので、交換して完了だ。
2025/4/9 dcs PURCELL1394逝く
1394I/F基板が不良でDSD変換の伝送が出来なかったPURCELL1394だが、とうとうアップサンプリングも出来なくなった。正確にはアップサンプリングは出来ているのだが、ノイズが入るのだ。基板上の小さい電解Cの容量が無くなって、動作が不安定になっているだけかも知れないが、たぶん4層基板でハンダ外しのヘタな自分には、これ以上の修理は不可能と判断し売却することにした。音は素晴らしいのだがdcsはWADIAに比べて、寿命が短いのと故障が多い気がする。WADIAは上位機種では、電源部を別筐体にして、強力な安定化電源を組んでいたが、dcsは自分の知る限り電源部別筐体は無い。一番の差はトランスだろう。WADIAでは1次巻線、2次巻線の断線を聞いたことがないが、DCSでは何度か見たことがある。電源が入らない、と言う故障も目にする。WADIAも常時通電タイプだが、今でも動いている。デジタル基板がやられたら音は出ないが、電源が入らないのは、聞いたことがない。dcsは整流回路がデジタル回路と同じ基板上に乗っていて、どうもこれが悪さしているように見えて仕方ない。WADIA27とDELIUSを比較すると分かるが、27のほうは電解Cをパラってインピーダンスを下げ、さらにレギュレータにはヒートシンクを付けて、放熱に気を使っている。かたやDELIUSは、レギュレータにヒートシンクはなく、なんと基板に放熱しているのだ。dcsは、電源の質には気を使っていないメーカーに見える。オーディオの基本は電源である。電源にもっと力を入れてもらいたいものだ。
2025/4/4 MCINTOSH MC7106 修理1
MC7106の出力段だけを取り外す方法がやっとわかった。ドライバー基板は、SP端子と直接ハンダ付けされているので、取り外すことは出来ない。出力段は、全部コネクタ接続になっているので6ch全部なら取り外せることがわかった。最初に1,2番のドライバー基板で、さぐりを入れてみた。問題はヒートシンクに挟まれた3,4番と5,6番のドライバー基板だが、何とか指を伸ばしてコネクタを外すことに成功した。あとはドライバー基板をプチプチで保護して完了。問題はここからだ。
ヒートシンクは3つがかたまりになって、底板にネジ8本で固定されている。ネジは4つの足の内側にあり、かつめちゃくちゃ重いので、歪んだフレームをだましながら、何とかネジを外すことができた。綺麗な形で出力段が外れた。早速ダメな5,6番の出力段を調査した。パワトラは異常なし。hFEも揃っている。エミッタ抵抗も壊れてない。音は出るので、壊れているはずはないのだが。出力段とドライバー、プリドライバーのトランジスタで唯一バイアス用の2SC3790トランジスタだけ測れなかったので、取り外してみたら問題なかった。ダイオードも大丈夫。トリマーは200Ωだった。抵抗値はスムースに上下した。となると考えられるのは、コンデンサぐらいしかない。電解Cは100μF 25Vで、フィルムはWIMA MKP10 0.15μF 250Vがもう入手できないので、代替品を探す。あとは念のためドライバー 2SC3790、2SA1480 プリドライバー 2SC4793 2SA1837を若松通商に手配する。今までやってわかったのは、5,6番の出力段は、ドライバーのベース電圧が予想規定値1.8Vに対し2.0V プリドライバーのエミッタ電圧が予想規定値0.5Vに対し0.75Vと、どちらも高めだった。ただ高めだからと言って、全くバイアス調整が出来ないのは、おかしい。まずトランジスタ、コンデンサ、トリマーを交換してみることにする。これで直らないと重症だ。
2025/4/2 MCINTOSH MC7106 LED化
MC7100をLED化したら、光量が強すぎたので、緑色の拡散キャップを被せたら、良い感じになった。そこで本命のMC7106もLED化してみることにした。LED化はうまく行ったが、筐体の剛性が天板がないと、著しく低下する構造のため、フレームが曲がってしまい、その過程でLED4ケを損傷してしまった。これにはガッカリ。元の電球に戻すか検討中。LEDにすると光量が2割くらいアップするので、複雑なパネル構造のMC7106には、ちょうどいいかもしれない。DCオフセットは、最大でも1mVで超優秀。MC7100よりこっちのほうが健康体のようだ。困ったのは、バイアス調整だ。出力段はMC7100と同じだと思っていたら、こっちのほうは3パラプッシュで、MC7100の2パラプッシュより豪華だった。さらに2ch分が1枚基板の上下に分けられているのまで、わかったが、問題はテストピンが2本しかないのだ。本来は4本あるはずだが、探しても2本しかない。トリマーはちゃんと2つある。回路図がないから、基板を取り外さないと、わからない。これにはガッカリ。MC7106だけは、どこを探してもサービスマニュアルが見つからない。見つかっても、とても高価で入手できそうにない。バイアスはあきらめるか。
左がランプ点灯時で結構暗めなので、球が切れていると思っていたが切れていなかった。3つの放熱フィンに6チャンネル分のアンプが実装される。2つのアンプで1枚の保護回路基板が付く。トランスはデカく、電解Cは36000μF 75Vの特注品を2基積んでいる。このアンプはAV用だが、手抜きは全く見られない。サービス性も良く考えられている。
これが照明パネル。左が純正ランプで7ケ使っている。中央がLEDで拡散が少ないのがわかる。色味がほとんど同じなのが、このLEDの良い点。光量調整用のキャップは直径5mm用でアマゾンから調達。ほかにもいろんな色があります。MC7106のパネルは構造が複雑なのでLEDはそのままで使い、MC7100のほうが明るすぎたのでキャップを被せた。
簡単にあきらめないのが、エンジニア。MC7106の回路図が無くても、MC7100の回路図ならある。簡単に解釈すればパワトラが1段増えただけだ。そしてマッキントッシュのパワーアンプの回路の作りは、基本的には同じだ。7100と7106の使っているパワトラは同じ。ならばバイアス値も同じ12mVのはず。そしてバイアス測定点は、最終段の2SA1302と2SC3281のエミッタ間電圧だ。これならテストピンが無くても直接ワニ口でつかめば良い。早速やってみたら、大正解!18mVと出た。さてトリマーは2つあるので、上側はきっとリアパネル側のトリマーだろうと、そっと動かすと反応があった。これで全部わかった。2分後に12.4mVにセットし直して、とりあえず終了。何でも、一生懸命考えれば何とかなるものです。そして基板にテストピンが2ケしかない意味もわかった。下側のアンプのエミッタを探すことは、実装状態ではかなりキツイ。この2ケのピンは、下側のアンプ用のテストピンだった。こちらは15mVほどだったので、こちらも12.2mVにセットした。これでこのアンプの調整方法は、完全にわかった。
下側アンプのテストピンをつかんでいる所。奥側がプラス、手前がマイナス。見えている青いトリマーが下側アンプのバイアス調整用のトリマーです。上側アンプのエミッタは、抵抗の足が簡単につかめるので、ピンを立てなかったのだろう。あきらめないで良かった。あとはCDプレーヤーのアイパターンを見ることができれば、大抵のことはできるので、いつか頑張って見たい。

バイアス調整方法がわかって、順調に調整が進んでいたら、ヤバいことが判明した。このアンプはフロントパネルを見て、左から1~6と番号が振られているのだが、向かって右の5番、6番アンプのバイアス調整が出来ないのだ。1~4番までは12mVに調整できたが、5,6番だけ-0.1~0mVにしかならず、発熱するのである。どうやら、ドライバーとプリドライバーが怪しそうだとわかったが、何せ回路図がないので、トリマーの足を当たることもできない。出力基板を取り外して、基板の裏のパターンを見ないとわからないのだ。さて困ったものだ。このアンプも筐体剛性が無くヒートシンクを取り外すと、トランスの重さでフレームがねじ曲がるのが怖い。この辺でしっかりメンテしろ、と言うことだろう。
2025/3/27 dcs 1394I/F基板
自分のPURCELL1394は、DSD変換は出来ているが、1394I/F基板が故障で送信できていない。ディーラーの点検では、DELIUS1394は正常とのこと。ならばDELIUS1394側のI/F基板をPURCELLに移植したら、どうなるのか?を試してみた。仮定はPURCELL側は、送信だけが出来ないなら、DELIUS側と交換したら動くのでは?と思った。左がPURCELLで右がDELIUS。
これが1394I/F基板。上がPURCELLで下がDELIUS。レジストの色だけが違うのかと思ったが乗っているLSIやパーツが違っている。DELIUSのほうが、新しい設計に見える。

さてこのコンピュータの塊のような機器が、I/F基板の交換を受け入れるのか?基板を交換したら「交換した」と表示され、受け入れてくれた。PURCELLはDSD変換がロックしたと表示された。DELIUSは「探してます」のまま変わらず。残念ながらPURCELL側のI/F基板は、送信も受信も故障していることがわかった。DUAL AESにすると196KHzを受け入れてロックした。やはりDSD変換はあきらめるしかなさそうだ。ebayでもI/F基板だけは売って無かった。もともと高価で生産数も少ないので、1394のI/F基板なんて、本当に少ないのだろう。954ⅡもDSDを受け付けるが、1394I/F基板は載っていない。DSD変換が機能しなくても、dcsは、十分良い音なのは、変わらない事実である。今からネットワークオーディオに移行するのは、歳を取り過ぎたし、財力もない。このままCDとLPを音源として、付き合って行こう。
2025/3/25 新センターSP計画 その19
2213Aの測定を実施した。聴いた感じと測定値が一致する素晴らしい特性だった。左が2213A単体(裸特性は緑色) 右がセンターSP全体の特性(補正後は橙色) 2213Aの裸特性は素晴らしい。-10dBで見ると32Hzまでレスポンスがある。30cmとしては優秀だ。しかも高域特性が3KHzまでは十分使える。これで2420Aドライバーとのつなぎは全く問題がなくなった。2420Aの推奨クロスは500Hz以上だが、1.2KHzにした。2420Aは、上が伸びないので上のクロスは6.5KHzにした。ウーハーの能率は、数値上は89dBで、前の2206Hの95dBのほうが高いが実際には、新品の2213Aのほうが高く、ドライバーの音量を上げる必要があった。このためドライバーのシャー音がちょっと気になるようになった。2405用のMC7100は、ノイズも無くいい仕事をしてくれている。
低域と高域を良く見てみよう。80~200Hzの盛り上がりは、どうやら定在波のようである。同様に400Hzの落ち込みも定在波か箱の影響だろう。下も上も伸びるようになったのは、やはりユニットの差だ。いいユニットは、箱の性能に大きく左右されることはないのだろう。高域の2405には、7~10KHzに落ち込みがあるので、ここは20KHzのロールオフフィルター特性で補正した。実際に音を聴くと、反応の良さと、低域の伸びが実感でした。2213Aを手に入れて大正解だった。あと残る問題は、2420Aのシャー音とクロスオーバー機器のXR1001のレベル調整のしにくさだ。ツマミが小さいのと目盛りが粗くdB表記じゃないので、細かい調整が出来ないのだ。LE85とTA-D900は、次回の目標だ。
2025/3/25 MCINTOSH MC7100 修理 その4
パーツが揃ったので、組立開始。出力段のパワートランジスタは、一度古い放熱グリスをふき取ってから新しいグリスを塗布。出力段の電解CはVISHAYに換装。ついでにトリマーも多回転式のVISHAYに交換した。1回転型だとバイアス値を正確に合わせられないからだ。
トランスからのリード線は、よじり直してほかの線との干渉がないように配線しなおした。制御基板の電解Cも全てVISHAYに交換。さらにSPミュートリレーも進男院に交換した。出力段周りの配線も綺麗にやり直す。
最後に調整と点検。左がDCオフセット電圧。これは調整できないので、機器のパーツによって決まる。0.6mVと1.7mVなので、全く問題なし。右がバイアス調整値。規定値は12mV±2で、30分後にピッタリに調整する。この値が安定しないとどこかに不具合がある可能性が出てくるが、非常に安定しており問題なし。バイアス調整は、テストピンが出ているので、簡単に誰でも調整できます。ホコリが多く整流ダイオードは、劣化していたが、それ以外は良好な「ジャンク」だった。
最後にフロントパネルを確認。LED化して、色味が変わるのかと心配していたが、そんなことはなく、写真よりクッキリとグリーンが映えていい感じである。何より発熱がないので、気泡に影響が出ないのが良い。球切れもなく安心して使える。輸入して買った¥5000(10ケ送料込み)は、良い買い物だった。この後はMC7106の球も交換しよう。ここまで手を入れたMC7100だが、センターSPのツイーター:JBL2405アルニコしか鳴らさないのが、何とももったいない気がしてきた。これで終了です。

2025/3/20 新センターSP計画 その18
バッフル板をボンドで固定したので、やっとユニットを取り付けた。2213は2206Hと比べると、はるかに軽いので作業が楽だ。スピーカークランプを爪付きナットにしてよかった。M5でも結構なトルクが掛かるので、普通のタッピングネジでは、緩みが心配だ。クランプならウーハーフレームをがっちりと抑えるので、安心感が違う。真新しい白いコーンは新鮮に映る。¥5000で買った箱には、パッと見だと、わからないだろう。さてこいつの周波数特性とレスポンスがどうなったかが、凄く気になる。まずはウーハー単体で、上下のレンジがどこまで伸びるのかを測定しよう。
2025/3/16 MCINTOSH MC7100 修理その3
まずはランプ交換。アメリカから取り寄せたLEDに換装する。写真左の少し大きいほうが純正ランプの7382で、隣の14Vと書いてあるのがLEDだ。回路図上、ランプはAC12Vで点灯するようになっている。LEDは、交流では点灯できないが、良くできていて極性もなく、このまま取り付ければ良い。純正は熱対策のためか、ゴムを挟んであるが、このまま使うことにした。MC7100はブルーアイズメーターがないので、照明はこの2つしかない。点灯させるのが楽しみだ。ついでに整流ダイオードをチェック。見た目でわかるのが、足が錆てきて黒くなっている。純正は200V 6A仕様だが、ここは更なる余裕を求めてDIOTEC P1000D 200V 10A仕様に変更することにした。実は12000μF 63V 3リードの電解Cもebayで見つかった。VISHAYでなくフィリップス製が純正のようだ。とりあえず電解Cは、このまま使うことにした。問題はパワーリレーのVFB48HU 48V 30Aが無い。12V仕様ならあるが、48V仕様は、どこにもない。機械的には何万回も持つ高見沢製なので、滅多なことでは壊れることはないだろう。
EDAL M7C5 ダイオードを外してみて電圧を測った。動いてはいるが、劣化しているのは間違いなさそうだ。0.52V,0.53V,0.53V,0.6Vだった。取り付いている順序に並べたが、右が入力に近いほうでダイオードマークが見えないほどだ。余程発熱が大きいのだろう。これを見ると、その下流の電解Cの容量も気になってくる。1本外してみるか。

ヘタくそなので、いつも失敗するのだが、電解Cを外す時、スルーホールも取れてしまった。太い足を外すのは、いくらやってもうまくならない。初めて見る3リードの電解C。マッキントッシュ製 15000μF 63Vだ。回路図上は75Vになっている。3リードの3本目は、どこにも接続されてなく、ただの位置決めだった。テスターで測っても、+、-のどちらにもついてない。これなら普通のが使えるのだが、そうすると実装できなくなる。面倒な話しだ。容量は10%減っていたら交換しようと思っていたが、13.58mFと12.2mFで10%以上減っている。これは交換する必要があるが悩む。リードピッチが13mmの電解Cで細身のがあるだろうか?やはり無かった。ebayの12000μF 63Vは1本¥5000前後で送料も¥5000近くかかる。ちょっと高い。そこで裏技を使う。容量は同じ15000μF 63Vだと隣の1000μFと干渉する。そこで1000μFの直径をφ16からφ10に細くして、干渉を逃げる。これならルビコンの63MXG15000MEFCSN35X50 ¥2239が使える。これと1000μFを買い直しても、ebayで買うより安い。これで行こう!
2025/3/15 新センターSP計画 その17
リコーンしたJBL 2213アルニコ仕様(123A=122A)が届いた。フレームもピカピカでまるで新品のようだ。初めてリコーンしたものを手に入れたが、想像していた以上に素晴らしい。仕事の丁寧さは特筆ものだ。
驚くべきは、その初期感度で新品の布エッジとは、こういうものなんだ、と感激した。ほんの少しの力を加えると、スッ沈むのだ。これはスピード感のある歯切れの良い音が出るだろう。新品の布エッジは、ベタベタしないのも良い。リコーンすると音が変わると言って、嫌がる方もいるが、それより劣化したエッジの音を聴いているほうが問題だと思う。昔、「グライコは途中に機械を挟むから音が悪くなる」と言って使わない人が多かったが、部屋の定在波の影響を排除せずに、緩んだ低音を聴いているほうが問題だと思う。今やシネマサラウンドでは、補正は当たり前の技術であり、「ピュアオーディオだけは補正なしで聞くのが正しい」なんて言うのは時代遅れだと思う。マッキントッシュのXRT20が出て、菅野先生がイコライザーを使ったルームアコースティックの重要性を説いたが、時代が早すぎて理解されなかった。自分もXRT26でいろいろやったが満足を得られなかった。今ならAPEQがあるので、きっと素晴らしい音が出せるだろう。XRTシリーズは、出現したのが早すぎた名機である。
2025/3/14 MCINTOSH MC7100 修理その2
早速部品探しを始めたが、いきなり壁に当たった。まずは電源部の電解C 15000μF 63Vで、見つかったと思ったのもつかの間。現物はなんと3ピン仕様なのだ。良く見ると製造メーカー名が無く「MCINTOSH」の名前が入っている特注品だった。今時、こんなデカイ3ピンコンデンサは、どこにもないのであきらめた。次が黒く四角い「VFB48HU」と言う富士通が作っていたパワーリレー。48V 30A仕様なら探せばあるのだが、形状が特殊で背中に配線を接続するようになっている。普通は、底側にコイルとリレー出力のピンが出ているのだが、これは底には3ピンしかない特殊仕様。どうやらMC7100とMC300ぐらいにしか使われず、後継機もない。これも探したがどこにも同じものは見つからない。仕方なく、これもあきらめた。電源周りは痛みやすいので、全部交換したかったが、無理だった。整流用のダイオードはEDAL社のM7C5と言う200V 6Aが使われている。これも仕様を見つけるのが大変だった。なので電源部の電解Cを除き、電解Cは全部交換し、あとはSP出力用リレー:AROMAT社 AJW521238 24V 5Aは代替品が見つかった。とりあえずこれでやってみよう。このアンプは大電力を扱う配線は、直付けだが、それ以外はコネクタ接続になっているので、完全に基板から配線を外さなくてもメンテレベルは可能な設計なので、ありがたい。でも長期安定性を誇る会社が、特注品を使っているとは意外でした。また基板にパーツナンバーが印刷されてないので、良く見える基板配置図がないとメンテが物凄く大変です。またパターンも細くランドも小さいので、ハンダ作業は慎重にする必要があります。
2025/3/13 MCINTOSH MC7100 修理その1
AYRE K-1は、予想どおり電源部の故障が原因でした。ダイオード、電解C、MOS-FETを交換したら、制御用と増幅用の電源が正しく出るようになった。ただリモコンによるボリューム調整が出来ない。長い間、タイミングベルトを緩いテンションで使っていたため、ベルトのピッチズレと歯型の摩耗が進み、正規のテンションで張るとモータの力では回らず、緩めると今度は歯飛びして4連ボリュームを動かすことができないのだ。これ以上は直せないので、ベルト交換はお願いすることにした。ベルトメーカーも歯型も不明では、手配のしようがない。タイミングベルトは、歯数が合えば使えると言うものではない。CDプレーヤのトレイ出し入れ用の丸ベルトのように、適当な周長でもなんとかなる、と言うような甘いシロモノではない。
さて自分の修理の勉強用にジャンク品のMCINTOSH MC7100を買ってみた。¥44520なり。ただし動作品でも5万円ぐらいで手に入るあまり人気のない機種だ。電源スイッチを入れると「カチン」とリレーの音がするが、ランプも点かないし音も出ない、と言うものだ。これはMC7106のメンテ用に買った。MC7100は100W+100Wだが、MC7106はこのアンプを3台分内蔵していると思われ、回路もほとんど同じに見えるからだ。点検すると、たしかにカチンと音がするが、ランプは点かないし、パワーガードのLEDも点灯しない。異常があるなら、LEDが点灯するはずだ。いやAC12Vが来ていれば球が切れていなければ、ランプは点くはずだ。ランプは点かないが、リレーは動く?。不思議な症状だ。ガラスパネルを外してみると電源は入っているように見えるが、ランプは点かない。内部のパーツに異常は見られない。
ランプの抵抗を測ってみると、0.5Ωで球は切れていなかった。ランプは通電されていれば増幅回路とは切り離されているので、常時点灯だ。となるとAC12Vが来ていないことになる。通電状態でランプ部の電圧を測るとAC0.8Vしかなかった。全く来てないのでなく、少しだけ来ている。リレーが動くぐらいの電力は来ていることになる。となると、どこかでAC100Vが途絶えていることになる。回路図を追って行こう。左が電源部の回路図。赤い×印の前までは、AC100Vが来ていたが、この黒い突入電流防止素子の後ろ側には、電気が来ていなかった。中央の黒いのが突入電流防止素子だが、壊れているのか?試しに少しゆすって見ると右側の足が動いた。アレ、ハンダが付いているように見えて、実は接触しているだけか?早速、ハンダをやり直してみたら、一発でランプが点いた。今まではなんとか接触しているだけで、音も出ていたんだろう。この個体は、修理シールが貼ってあるので、何かの故障はあったようだが、特に交換されたパーツは見当たらない。難しい修理になると思ったら、あっさり直ってしまった。これでは面白くないので、まずランプをアメリカから取り寄せたLEDに交換し、劣化パーツをオーバーホールしよう。すでに電解C 15000μF 75V φ35X80が製造中止で入手が怪しくなっている。DIGIKEYで17000μF 80Vなら入手可能なので最後のチャンスだろう。早めにパーツをリストアップして手配したい。DIGIKEYの仕事は早く最短だと4~5日で着くのだ。
2025/3/12 新センターSP計画 その16
これで終わりのはずだったが、どうもウーハーがしっくりこない。何も調べずに買った2206Hは、600Wも入るPA用?で、周波数特性も45~3.5KHzとなっているが、どうも-10dBでの話であり、上も下も伸びが無い。ダンパーもエッジもバリバリに硬いので音は締まっているのはいいのだが、どうにも量感やニュアンスに乏しい印象だ。エッジのせいで初期感度が低いのだと思われる。ほかの30cmを探してみたが、38cmならいくらでもあるが、30cmは選択肢が少ない。4311の2213系か、4425の2214Hぐらいしか手に入るものがない。2214Hは、頂角が深いので好きでない。なので2213系を探してみた。有名なのは2311Hでフェライトの8Ωだが、有名だけあって、いろんな人の手に渡りどんなものか素性が知れない。またフェライトもドライバーとツイーターがアルニコなので、アルニコの2213Aが欲しくなった。そこでいいタイミングで2213A(123A)が出品されていた。それもファンテックさんのリコーン済みの新品である。リコーンキットだけでも片側¥15950もするので、本体価格は¥27900となる。こんなお買い得なのは、2度と出て来ないと思い購入することにした。2213Aのスペックは、40~3KHz 75W 89dBといかにも民生用のスペックだ。センターSPなので、600Wも入れることはない。現状のMCINTOSH MC252のメーターは大体2.5~25WぐらいがMAXだ。なので反応の良いウーハーのほうが、良い結果が期待できる。さて、どうなるか楽しみだ。
2025/3/10 新センターSP計画 完成
とうとう新センターSPが完成した。いろいろ失敗もしたが、遠目には、それっぽく見える。ホーンは蜂の巣にするか、ラッパにするかは、これから決めたいと思う。こだわったのは、一体型より音の余裕があることと、定位が上下にズレないこと。なのでウーハーは2発、ツイーターも2発使った。ドライバーとツイーターの高さが、極力同じになるように設計した。さらにツイーターも極力中央に配置するため、箱に入るギリギリまで寸法を詰めている。なので2405は入るが2405Hは、入らないのだ。さて次は測定。
ウーハー単体の写真を撮り忘れたが、左がウーハー+ドライバーの特性。低域は、ユニットの口径と箱の大きさで、性能はほとんど決まってしまうものだと思う。吸音材のせいか200~500Hzのアバレは少なくなったが、下の伸びは今までと変わらない。ドライバーは使えるのは6~7KHzまでで、もう少し伸びて欲しい。中央が2405単体で5~20Kzまでと守備範囲は、広そうだ。この結果よりクロスは、下が900Hz、上が7KHzに決定した。右が全帯域で60~20KHzまでAPEQのおかげでフラットに補正できている。CELLOのSTRADIVARI LEGENDも同じ30cmウーハーだが、余裕で35Hzからレスポンスがある。やはり2206Hは、パワーが入るが下は伸びないようだ。DYNAUDIOのユニットは、本当に性能が良いようだ。ただしユニット単体販売していないので、手に入れるのは至難の業だ。とりあえず、この状態で聴いてみよう。フラットに調整したので、キツイかなと思ったが、さにあらず。ハチの巣ホーンが効いているのか、思いのほか自然な印象だ。さすがに30cmウーハー2発の余裕は大きく、やっとメインのN801に追いついた感じがする。声も自然だし、声以外の迫力が増し、前方の3本の統一感が出た感じだ。もう少しキツメでも良いので明日はラッパ型の2370Aに替えてみようと思う。蜂の巣:2301と2370Aの奥行は1mm違いでほぼ同じ。2301は、穴開きメタルでホーンの喉元は見えないが、2370Aは、障害物がないので、喉元までハッキリ見える。ここがキャラクターの差になり、好き嫌いが分かれる所だ。2370Aのほうが、映画には合う。障害物がないため、微小な音も聞き取れるし表現がストレートになり気持ちが良い。センターSP全体としての評価は、アルニコドライバー+ツイーターの領域は、ノイズもなく文句なしだ。問題はやはり低域で、とりあえず買ってみた2206Hは、パワーは入るが、低域の量感も応答性も控えめな印象だ。やはり硬い布エッジの影響が大きいと思う。上を見ればきりがないが、ローエンドの伸びはあきらめて、軽いコーンで反応の良さを狙うか、反応はあきらめて、ローエンドを伸ばすかのどちらかしかなさそうだ。これが30cmの限界だ。ウーハーについては、今後も研究するとして、一先ず新センターSP計画は、これで完結にする。
2025/3/10 dcs復活!
PURCELL1394は、DSD変換は直らなかったが、アップサンプリング機能は生きている。早速DELIUS1394と接続する。両機の接続はDUAL AESでつなぎ、PURCELLにマスタークロックを入れ、OUTをDELIUSに入れる。こうすることでPURCELLのタイミングでDELIUSが動作することになる。当然ながらトランポのD730にもクロックを入れる。クロック周波数は、44.1KHzだ。PURCELLには44.1→176.4KHzのアップサンプリングをやってもらう。半年近く聞いていなかったが、やはりどこまでも自然体の音で安心できる。誇張感がないので、長時間でもゆったりと音楽に浸れる。この安定感、安心感はWADIAには無いものだ。ただWADIAには、強烈な分解能、押出し感がある。どちらも好き嫌いのレベルで良い、悪いではない。現在のdcsは高額になり過ぎて、とても手が出ないが、一時代を築いた名機は健在である。WADIAは、9、27iX、2000ver96などの名機があるが、リモコンがないと動かないので本体が正常でも音が出せないものがあるのは、残念だ。dcsはリモコンもあるが、物理ボタンで操作できるので、安心して使える。DACもいろいろ使ったが、どれも個性的だった。レビンソン36SL、クレルSPB32、ムンド12+、WADIA2000,2000ver96,PRO、12 dcs950,952,954。あと聞いて見たいのは、COUNTERPOINT DA10UAぐらいだ。今は配信の時代になり、手が届いて性能が良い単体DACやトランポは、ほとんど見かけなくなった。時代の流れなので、仕方がないが。

2025/3/9 新センターSP計画 その15
昨日は大雪だったが、今日は風もなく快晴。なので塗装を実施した。ワトコ ダークウォルナットをバッフルに試してみる。今回はダークウォルナットを選択。色の乗りは良い感じだ。バスレフポートも完成した。こちらは、プライマー+サテン調艶消し黒ラッカースプレーを吹いた。プライマーの効果か、しっかり塗装が付いている。
ついでにリアバッフルを固定。色が薄いのはミディアムウォルナットだ。SP端子も取り付けた。ウーハークランパーのヒラザをアマゾンで買った。こんなものまで、今や中国から空輸してくるのには驚いた。さすがに中国製だけあって、袋の中が汚れている。どうやら防錆油が塗ってあるようだ。飛行機代払っても、日本製のほうが高いのか?にわかには、信じがたいが。これで¥990だ。M5用の外径15 厚さ1.2 50ケ入り。8つしか使わなくても、10ケ入りとかは、なかなか売ってないし、ホームセンターでは、サイズも黒塗りもない。なのでアマゾンに頼るしかないのだ。
吸音材を貼っていく。グラスウールは使わずミクロンウール、ポリエステルキルト芯、粗毛フェルトを使いわけた。リアバッフルにぐるりとミクロンウール(黄色)を這わせ、両サイドに薄手のキルト芯(白色)、ウーハーと反対側に粗毛フェルトを貼った。コーナーは全て見えないように貼ったので、反射は少ないだろう。これで箱は完成した。タッカーでパチパチやるだけなので、楽だ。最後にバッフルにバスレフポートを取り付けた。1晩置いて、接着されたら明日には、完成だ。さて、どんな特性になったのか、楽しみだ。バッフルは、少しホコリが付いたような色合いになったが、1度塗りだとこんなものだろう。ニスを掛ければ綺麗に見えるが、プロジェクターの光を反射させてはならないので、見栄えは我慢することにした。
友人が、アルニコツイーター:JBL2405を譲ってくれた。16Ωとのことで、抵抗を測ると6.6Ωと6.1Ωだった。8Ωダイヤフラムもあるが、同じような抵抗値らしい。この16Ωは使用する帯域での代表インピーダンスなので、抵抗値は6Ωで、使われる周波数帯域では16Ωですよ、と言うことらしい。ウーハーのように大電力を扱う場合、インピーダンスは重要だが、能率が105dBもあるので、通常では1Wも必要ないはず。なので実際には、8Ωでも16Ωでも、アンプから見れば関係ない話だろう。ただし音の違いはあるかも知れないが。
今回、修理に出していてPURCELL1394が修理不能で戻ってきた。やはり1394IF基板の交換しか手がないようだ。実際にはもう基板は入手できないので、DSD変換はあきらめるしかない。問題は返却方法で、発送の連絡はあったが着払いとは、どこにも書いてなかった。着払いがイヤだと言っているではない。着払いですよ、と一言書いて欲しかった。料金の案内もないので、いくら必要かもわからない。現金を事前に用意する必要だってある。もう少し丁寧な応対があっても良いと思うが。その点、SISは素晴らしい。親切丁寧だし、送料はサービスなのだ。こういう所が、信頼を得て長く良い商売ができるポイントなのだろうな。
2025/3/8 AYRE K-1 修理 その3
配線されてないパーツが、あるはずないので、テスターでパターンを追っていった。結果、やはり多層基板だった。一番右のC201の接続先が、無かったが反対側のC202とつながっていた。ここは基板の中にパターンがあり外からは見えない。これらのコンデンンサはフィルムでAYREのマークがある特注品だろう。さらにこれらは、ターミナルのM000と接続されている。M000は、トランスから配線が来ているが、これがMOS-FETにグリッド電圧を与えているのだろう。昨日まで、わからなかったことが、今日は段々わかってきた。これならパターンを切っても修復できる。しかし増幅部ならまだわかる気もするが、電源基板で多層基板を使っているのを、初めて見ました。いくらでもスペースがあるので、もう一回り大きい基板にすれば、多層じゃなくても出来そうなのに、そうしないのは執念ですね。AYREの製品って、スカスカのが多いけど、回路の密度を上げ、シグナルパスを極力短くして鮮度を保ち、大きな空間を確保して、基板間、部品間の干渉を最小限にしているのでしょう。これが全製品に思想として貫かれているのが素晴らしい。レビンソンやクレルには、無い発想です。最初期ノレビンソンのモジュール構造は、その一種ですが。

2025/3/6 AYRE K-1 修理 その2
電源基板を取り外し、詳細に調べてみた。同時に簡易の回路図を書いてみた。実装状態の調査でNGと思われるものは、写真左の部分。ダイオードと抵抗がNGだった。簡易回路図で流れを追っていくと、NGと記載したパーツがダメだと、電圧が出ない現象と一致することがわかったので、最低限これらのパーツは、交換することにする。回路図を書いていて、わからないのが、空中に浮いているパーツがあることだ。右端のフィルムコンデンサ:C201や抵抗:R203は、基板裏にパターンが無いのである。同じことはターミナル:M000にも言え、どこにも接続されてない端子がある。この基板は、3層基板なのだろうか?それとも、バージョン違いで何かに使うのだろうか? ほかのK-1も見て見たくなった。師匠は230V仕様のK-1も持っているので、今度、見せてもらえば何かわかるかも知れない。この電源部は、思った通り2つの電圧を出力している。1つは通常のダイオード+大容量電解Cの平滑回路。もう1つは、ダイオードの後に、チョークコイルを電解Cのプラス、マイナス両方に接続し、さらにMOS-FETで出力するもの。本体側を見ていないので、確かではないが、最初の平滑回路のほうが、モータ駆動や制御系で、あとが増幅系に給電している気がする。わざわざチョークコイルを通すのは、綺麗な電源が増幅系に欲しいからに違いないと思う。この後は、パーツを外して行って、故障しているかを確認していく。
2025/3/6 新センターSP計画 その14
バッフル板の材料が届いたので、加工を始めた。ウーハーの穴を開けるのは、初めての経験でやはり難しかった。最初はジグソー付属の、円の中心にピンを立ててジグソーを固定し、一周回す治具があるから楽勝だろうと思ったが、こいつが使い物にならない。シナ合板は18mmで、硬くはないが、この治具を使うと刃が逃げようと動くので、全く円を書けない。たぶんもっと薄い板を想定したものなのだろう。結局、鉛筆で円を描いて手動でジグソーを動かし、あとはヤスリで修正して何とか仕上げた。シナ合板は表面は綺麗だが、表面部分は薄板なので、凄く欠けやすいのもわかった。メーカー製のようなものをシロートが作るには、難しいものだ。板の加工が大変なので、最初からツイーターを2402か2405と想定し、φ79の穴を右上に開けた。左下は、φ100のバスレフポートで水道管が入る。リアパネルには、バイワイヤー用のSP端子を取り付けた。ウーハーの固定は、30cmなので木ネジで十分だが、何度も取り外しできないので、爪付きナット+クランパー方式にした。M5用の爪付きナットの下穴はφ6.5でピッタリだった。ハーベスのウーハーがオニメナットで固定してあったが、古くなるとボルトといっしょに回って外れなくなるものが、出てくる。その場合でも爪付きナットなら、バッフルに爪が深く突き刺さっているので、ナットが回ってしまうことは、まずないだろう。クランパーを使うとJBL4344見たいでカッコいい。クランパーはJBL純正じゃなく38cm用をネットで入手したが、30cmでも問題なく使えてます。この後は面倒な元バッフルの逃げ加工をし、塗装、ポート取り付け、吸音材取り付けと続きます。塗装は前回ワトコのミディアムウォルナットの色が薄かったので、ダークウォルナットにして見ます。
2025/3/5 AYRE K-1 修理 その1
今回のご依頼は、AYRE K-1。AYREは、好きなブランドでV3とD1をそれぞれ2回づつ購入したことがある。D1は今も手元にある。AYREは高解像度ながら爽やかな音質が特長で、どの機種を買ってもその音質は保たれている。また回路設計が良く、滅多に故障しないのだが、今回は試聴中にLchから音が出なくなったとのことで、修理を依頼された。ついでにお決まりのタイミングベルト調整も見ることになった。AYRE K-1は、何度か使ったことはあるが、バラすのは初めてだ。この機種は、電源部が別体型の高級機。良く見ると、電源部から本体までの間にコネクタが無い。これは困った。まずは、電源関係から見ようと思うが、いきなり本体に通電するのは、やりたくない。とりあえず電源部を開けてみた。するとケーブルが出る所がターミナル接続になっていた。これで電源部だけを調べることができる。左が電源部。中央がターミナル部。右が整流回路だ。回路図がないが、AC100V入力の流れは、こうである。トランスの2次側は2つに分かれていて、1つは耐圧180V 10A,もう1つは60V 10Aのショットキーダイオード4つで整流される。この後コーネルダブラーの1万μF 20Vと2700μF 100V2ケで平滑化される。普通はここでお仕舞だが、AYREはこのあとそれぞれエアーコンディショナーなるチョークコイルを通す。さらにその後、パワーMOS-FETで増幅され本体に給電していると思われる。そこでターミナル部を良く見ると、中央にグランドと思われるハダカ線があり、左右対称に3本づつ配線してある。これは左右独立給電のはずだ。なのでここの電圧を測れば、正常か異常かの判断が出来る。案の定、左右がバラバラで、安定していない。電源部に異常があるのは、間違いなさそうだ。そこで最上流のダイオードを見て見ると、60V 10A側の4つが正常なダイオードモードにならない。こいつが原因の可能性が高い。となると周りの電解Cや4.99KΩ 1%なんて言う手に入りそうもない特別な値の抵抗も怪しくなってくる。ここからは、一度バラして、パーツ単体で調べて行くしかなさそうだ。電源部全体としては、コゲた跡も液漏れもニオイもない。見た目に異常はないので、丹念に調べていく。AYRE K-1は1996年頃発売されたので、もう30年選手だ。あちこち傷んでいるのが、普通である。故障個所だけでなく、なるべく長く使えるよう予防修理も同時に実施しよう。
2025/3/5 ジェフローランド MODEL201修理 その2
まずは調べるための環境を構築する。これで中古か?と思うぐらい外観はピカピカだ。この筐体の凄いのは、銀色と黒のツートンカラーだが、銀色の部分も一体型でアルミを黒く塗装したあと、削りだしてパネル風に見せていることだ。つまりは弁当箱からの削り出し筐体で、物凄くお金がかかってます。上から見える部分には、継ぎ目もネジも無く、底板が唯一外せる部分になります。入力がXLRしかないのでCDP⇒ ボリューム⇒CT-1でアンバランス、バランス変換⇒本機、と言うように接続します。音出し前に、DCオフセットを確認する。Lch:25.4mV RCH:48.5mV。トランジスタアンプにしては、かなり大きめのDC漏れと、R側がL側の2倍近くもあるのが、気になった。続いて音だし。予感的中!Rchから全く音が出ない。電源LEDは点灯しているので、12V系だけは生きているようだが、音は出ない。ヒューズも切れてないし、これはICE POWERモジュールの故障だろう。このアンプは、所謂Dクラスアンプで、電源はスイッチング電源だ。なので大きなトランスは積んでない。回路は、表面実装パーツのオンパレードなので、とても手の出せるシロモノではない。修理に出せば基板交換になるだろう。と言うことで、MODEL201の修理は、これでおしまいです。次は、AYRE K-1です。
2025/3/2 ジェフローランド MODEL201 修理 その1
ジェフローランドのアンプを自宅でまともに聴いたことはない。自分のジェフの音のイメージは「中庸」である。クレルのように熱くはないし、AYREのように爽快でもない。レビンソンのよりにキリッとし過ぎることもないし、ゴールドムンドのようにクリーミーでもない。なので中庸なのだ。201は、ICE POWERモジュールを搭載した所謂Dクラスアンプなので、小型でも高出力が出せ、発熱もないので使いやすい。その代わり、スイッチング回路は常にフル稼働状態なので、大昔のレビンソンのML2のようにノーメンテで長い期間使えると言うものでは無いだろう。トランス+ダイオード+電解コンデンサの電源は、液漏れでもしない限り容量が減ってきても、きちんと音は出るものだ。スイッチング回路+表面実装パーツを採用した時点で「修理」でなく「ASSY交換」が前提だと設計者は考えているはずだ。なので回路図も触ったこともない自分に直せるとは思っていないので、現在の状態がどんなものか、可能な限り調べて報告するのが仕事だと理解している。これから順次、記事にしていきます。
2025/3/1 Mcintosh ランプ LED化
一昔前まで、マッキントッシュのアンプの照明は、ランプだった。ランプなので当然切れる。切れると自分で交換できない場合は、エレクトリに出すしかなかった。最近、古いMcintoshアンプをLED化する業者が現れたが、人気があるようで自分が頼んだ時には、受付けしていないと言われた。作業はAC電源に直流化の改造をしてLEDに交換するものであった。ところが改造無しでLED化する方法が米国で考えられ商品化された。たぶんLED本体の中に整流用のダイオードと電流制限抵抗を組み込んだものだと推定する。しかもこの方法だと無極性で取り付けられるのがメリットだ。なのでたぶん半波整流だと思う。新しい物好きとしては、早速輸入してみた。待つこと3週間弱 代金は32.18ドル。14Vで点灯する乳白色LEDだ。10ケ注文して10ケ共点灯したのは、さすがに中国製よりは品質が良さそうだ。仕様は14Vだが、2~3Vで点灯が始まり、14Vだとかなり明るい。青白い色じゃない所が、気に入った。すぐにでも付けて見たくなったが、福島の師匠から、JEFFの201?とAYRE K-1の片ch音が出ない修理を依頼されたので、こっちを先に片付けなくては。さて、回路図なしでどこまで頑張れるだろうか。
ついでに自分の勉強用にジャンクのMC7100 パワーアンプを買った。電源が入る音がするが、パネルランプが点かず、音も出ないと言うものらしい。こちらは回路図が手に入ったので、1つ1つ回路を追っていって、原因を探ってみたい。うまくいったら、こいつでセンターSP用のツイーターを鳴らしてみたい。ただやることがいっぱいで手が回らない。暖かくなって来たら、いよいよ蜂さんの準備もしなくてはならない。春は、やることがたくさんあって、楽しいものだ。
2025/2/27 新センターSP計画 その13 測定
いよいよ楽しみな測定をしてみた。結果は、予想どおりと、そうでない所が出た。左が前回、右が今回だ。緑線が裸特性。矢印を見て欲しい。左は48Hzで右は40Hzに伸びた。やはり空気漏れ対策は効いたようだ。この辺がこの箱の限界だし、ユニット的にも限界だろう。38cmでなく30cmでここまで出れば大したもんだ。大きく変わったのが200Hz以上で、レベルは揃ってきているが、上下の変動が大きい。これは吸音材の量と処置した面の数の違いだと思う。5面にきちんと入れれば、内部の反射が減り、綺麗な波形になるはずだ。あと気になるのが、クロスが800Hzなのに-4.5dBほど落ちている。ただし良く見ると、前回は-7.5dBなので実際は今回のほうが高域も伸びているのだ。つまり、空気漏れ、剛性アップ、吸音材変更で、周波数上は上も下も伸びているのだ。なので前回よりドライバーの負担も減ることになる。今の状態で900Hzまでは、フラットに補正できるので、クロスを900Hzに上げて、さらにドライバーの負担を減らすこともできるようになった。前回までは700Hzどまりだったので、高域の伸びは顕著な改善だ。データ上は、かなり初期より改善されて来ているので、あとは実際に聞いてどうかだ。
昨日の続きで、ドライバー込みで測定してみた。横軸のスケールが違うので注意だが、左がドライバー込みで、右がウーハーのみ。クロスは900Hzに設定した。ウーハーのみだと300~700Hzぐらいまで、レベルの上下が±3dBほどあったが、ドライバー込みだと、-5dB付近で上下するようになっている。クロス付近はうまくつながっているようだが、1500~3500Hzが盛り上がるのは、ドライバーの特性だろう。今はホーンに2370Aを使っているが、蜂の巣の2301も手に入れたので、どう変化するかは興味がある。ウーハーの箱をいろいろいじってきたが、聞いた感じとしては、もう少し低音が出て欲しいが、チャンデバのレベル調整でなんとかなるような気もする。シナ合板で、一体化したものを作ろうとすると、材料の寸法取りの関係で、高額になるのがわかり迷っている。かといって今と同じぐらいの箱を2つ作っても、見栄えは良くなるが、容量は変わらないので、音質的な伸びしろは、そんなにないだろう。1つやってみたいのは、バッフルを厚い板に替えて、ツイーターもマウントしてみたい。そうなると、隠れている元のバッフルも加工しなくてはならず、結構面倒だ。手を掛けないと、うまくいかないし、手を掛けても、うまく行かないとメゲそうだし、なかなか答えが見つからない。でも問題は6KHzからストンと落ちる高域だろう。ここは2405あたりを追加して補強したい所だ。現状の箱は、1本当たりの容量が70Lほどあり、王者:HC1000の予想容量は、1本当たり52Lほどなので剛性は低いが容量的には勝っている。なのでこれを一体化すると、巨大化、高額化してしまう。もう少し研究してから、行動に移そう。
結局、考えた結果は、今の左右別体型SPの箱を自作しても、容量的には同じなので、おおきな改善は期待できない。一体型にすると金額的に跳ね上がる。なので別体型SPの箱で問題のある、フロントバッフルとリアバッフルをそれぞれ18mmと15mmのシナ合板で作ることにした。フロントは穴が大きすぎてウーハー固定ネジがどうしても1ケ所は、バカになってしまうので、爪付きナット+ウーハークランパーでしっかり固定し直す。さらにツイーターをマウントできるように穴を開ける。使わなかったら、塞げば良い。リアは剛性アップとSP端子を交換する。そして買っておいた吸音材を貼って、音質がどうなるかを確認する。大きな丸穴は開けたことがないので、丸穴用の治具と曲線カット用のジグソー刃:マキタ G-18を買った。また爪付きナットも下穴が6.5mmなのでドリル刃も買った。さらにバスレフポートは、太くて短いのがなかなか見つからなかったが、水道用のエンビ管:100VUMBS100 呼び径100 L155を買った。これが¥474で一番欲しい周波数にピッタリだった。これに塗装をしっかり掛ければ水道管だとは、わからないはず。肉厚もあり剛性もある。シナ合板は18mm 600X450で¥1880 15mmが¥2215でアマゾンから買った。材質は、凝るといくらでも材料費が上がるが、どうせ塗装するので、そこそこのものにした。一番良いのは、ランバーコア材だが、目ん玉飛び出るほど高い。昔、長岡先生のバックロードが流行っていたころは、安かったのだろうか?
2025/2/26 新センターSP計画 その12
フロントバッフルの空気漏れは、元のバッフルより、少し大きいバッフルが貼ってあるので、2~3mmほど浮いた形でバッフルが付いていることがわかった。そうなると飾りのアルミ板が3ケ所見えるようになる。それと直線、直角の加工が狂っていたので、丸ノコで外周を4面カットし直して、ピッタリはまる寸法にした。これでフロントバッフルは綺麗に収まった。これで空気漏れはなくなるはずだ。さらに浮いていたバッフルが元のバッフルと一体化することで剛性も上がる。コーン紙の反動を受け止めるバッフルは、剛性がなくてはまともな音は出ないだろう。ネットで売っているエンクロージャーは、どれも自分の欲しい寸法になってないし、希望寸法のものにカットしてくれる所は、金額が高いことがわかった。一例だと希望寸法のものを、赤松合板で作った場合、1ペアで¥42000(送料別)の見積もりが来たが、これを材木業者に頼むと、カラ松合板の送料込み¥15950(送料込み )、表面が綺麗なヒノキ合板で¥19470(送料込み)だった。なので単に材料代だけなら半額以下でできることがわかった。だとしたら、この箱は、徹底的に実験用として使って、結果を反映したものを自作するのも有りだ。ジグソーがあるので、丸穴加工もできるし、バスレフポートはアマゾンで買える。リアバッフルもSP端子も、リューターで彫り込めば良い。スクリーンの下端ギリギリの高さで、箱を作りなるべく上のほうにウーハーをマウントし、ドライバーの高さとなるべく合わせれば、自分の理想のセンターSPが出来る。まずは、こいつを完成させなくては。
まずはフェルト貼りからだ。今回は、手持ちの分を使うため、ウーハー側の底板と、リアバッフルに貼ることにした。厚さは10ミリくらいの新品だ。新品はフカフカして弾力性がある。付いていたものとは、全然感触が違う。タッカーを使うのも初めてだが、パーチクルボードには、硬くて打てなかったので、両面テープで貼った。今までより面積的には、減っている。
今回はセンターSP用のTAOC 300DLCに載せてみた。この場合、高さが600mmになってスクリーンに被るが、どんな具合になるかを見たかった。バッフルを正しく取り付けたので、箱にしっかり感が出た。直線とスキマが均等に出ているので、きちんとした箱に見えるようになった。右がリスポジから見た写真で、角度がちょうど良いのがわかる。この角度なら箱にツイーターをマウントしても良いだろう。この箱だとウーハーの中央よりにスペースが無いので、試せないが。まだ音を出してないが、空気漏れとバッフル剛性アップ、吸音材の入れ替えの効果があるのかないのか、楽しみだ。これでうまく行けば、設計してもう一度センターSP用の箱を作るのも、面白いだろう。聴く、見るも楽しいが、作っている時間は、もっと楽しい。
2025/2/25 新センターSP計画 その11
バッフルが無塗装なので、塗装することにした。ついでに内部の吸音材も張り替えようと思う。吸音材は粗毛フェルトが貼ってある。もう50年以上前のものだと思う。叩くと盛大にホコリが出てくる。これは使えない。それと何故か片方が3面で片方が2面しか貼ってなくアンバランスだ。フェルトを剥がしたので、こいつの構造がわかった。型番不明の元の箱を一度バラして、内部に固定部材の角材を入れ、再度パネルを貼り直したような構造だ。なので最初のバッフルのほうが小さいのだ。それと構造上、スキマが出来るのは仕方がない。そこは丁寧に埋めよう。前日のデータは、元の40Lに比べると良くなっているが、バスレフダクト以外にも空気漏れがあった状態だとわかった。ただしこのスキマを完全に埋めるには、結構な労力が必要になるため、どうするかは検討中だ。
バッフルはワトコのウッドオイル ミディアムウォルナットを2回塗ってみた。素材によって違うだろうが、12mmのベニア板では結構薄い色である。ウォルナットのほうが良かったかも知れない。ベニア板だと、ベニアを貼り合わせたギザギザが見えてくるのと、黒いシミのようなので浮き出てくる。やはり杉や松のような1枚板でないと綺麗には仕上がらないようだ。またウーハー穴が少しデカ過ぎて、ネジがバカになってしまう所がある。なのでウーハークランプを買ってみたが、爪付きナットを入れると、下にある元のバッフルと干渉することがわかった。最初から設計されてものじゃないので、なかなか思うようには、行かないようだ。
2025/2/24 新センターSP計画 その10
ユニットの取り付けは、問題なくできたが、アンプ類を動かしたので、配線処理に時間がかかったが、何とか測定までこぎつけた。実際に置いてみると、なかなか立派である。細かい傷はあるが、リスポジからは気にならない。計算通りの寸法で、メインSPの間にスッポリと収まった。自分の最大の興味は、箱と周波数特性の関係である。今まで40Lの箱のせいで、下が伸びないのか、それとも箱に関係なく伸びないものなのかの切り分けがしたかった。なので高級なエンクロージャーは必要なく、容量が大きく寸法的にセンターSPとして収まるものが欲しかったのだ。製作者の腕が良いので、ウーハーとバスレフ穴の位置は、完全対象だ。素晴らしい。さてこれで今までの箱に対し変化があるかどうか、ウーハーだけ鳴らして測定してみよう。

左が今までの40Lで,右が今回の70Lの箱だ。緑色が生波形だ。チャンデバは入っているので800Hz -24dBで切っている。画像サイズが違うので見づらいが、明らかに波形は良くなっている。左は-10dB付近で最低周波数が55Hzぐらいだが、右は矢印がある所が-10dBで48Hzになり、明らかに低域が伸びている。測定中も下の音が力強くなったのを感じたが、こうして目で見えると自信が持てる。今までは350Hzから800Hzぐらいまで3~5dBぐらいの幅で上下していたが、今度は300~800Hz間は、出過ぎることなく波形が滑らかになっているのも大きな変化だ。やっぱり箱は、大切なのだと初めて知った。下が伸びて波形が滑らかになれば、必ずセリフにも良い影響が出てくるはずだ。2206Hの周波数特性は、45Hzからなので、ほぼこのユニットの性能に近い所まで来ていると考えていいだろう。この箱は十分使えることがわかったので、新しい箱を探したりして深い追いせず、この箱の外観のブラッシュアップと内部吸音材の調整をやって見よう。今ツイーターを借りる手筈になっているので、全部揃ったら、再度調整してみよう。技術の力で補正すれば何でもできるが、良い音が欲しいなら、補正前の裸特性を良くすることが一番大切だ。アンプもSPも同じで、補正すれば特性は良くなるが、その分だけ失うものも多いのだ。この箱で、どれだけ滑らかな波形を得るかが大切だ。
2025/2/23 新センターSP計画 その9
今日は天皇誕生日、自分も誕生日。烏骨鶏が卵を産んでくれた。目出たし目出たし。メジロもツガイでエサ台に来て、ミカンを食べてくれた。普通の毎日が幸せである。
北海道からウーハーボックスが届いた。元は何かわからないが、スピーカーの箱の上にもう1つの箱を被せたような作りであるが、自分が遊ぶには十分な出来だ。リアにNS100M用のSP端子が付いていた。これは板金が厚くメッキもしっかりしているので、このまま再利用することにした。箱のスキマをボンドで埋めているので、お披露目はもうすこし先になります。ヤフオクで売り買いしていると100~200回に1回ぐらい良い人に出会う。今回もそうで、なんとウーハー用の穴あけとバスレフポートの取付けを、無料でやってくれた。それもやっつけ仕事じゃなく、仕上げも綺麗なのだ。「素人が素人用に作った」と言っていたが、なかなかどうして。これだけの腕があれば、立派な箱屋としてやっていけます。感謝、感謝!
2025/2/18 新センターSP計画 その8
ツイーターを交換したいと思っていたら、ちょうど良いサイズで穴開け加工までやってもらえる箱を入手できそうだ。今の箱は、約40Lで角穴のバスレフ型。箱の容積が小さいのをずっと気にしていた。今の2倍の80Lぐらいが欲しかった。見つけたのは、外寸がW44XH65XD35cmで、たぶん容積は70Lぐらいにはなるはずだ。これならJBL4425と同じぐらいの容積になり、ウーハー本来の性能が発揮できるはずだ。今度は丸穴のバスレフでφ80X100mm 計算上の共振周波数は42Hzになり、2206Hの下限周波数:45Hzとほぼ同じに設定した。作りもそこそこしっかりしているし、到着するのが楽しみである。今の箱は、-10dBで55Hzなので、これがどこまで伸びるのかが、最大の関心事だ。もしうまく伸びたら、調子に乗ってブルーバッフルに塗装してみよう。どこかの会社で、塗料を売っていますが、¥19800は、さすがに高過ぎなんじゃないの? ちょっと濃いめらしいですが「California blue」なら、アマゾンで¥6300で買えますし。
2025/2/11 新センターSP計画 その7
本題に入る前に状況報告その1。MCINTOSH MC7106用のLEDランプをebayに注文したのは、今年の1/6 当初は2/4までに配達されるはずだった。追跡すると1/13にConsolidation Centerと言う所に到着し、その後全く動いていない。予定どおりじゃないのにebayからは、今日まで何の連絡もなし。翻訳ソフトで出品者に連絡したが配送の問題なので、出品者もどうにもならないだろう。明日からは返金も可能になるので、ebayに連絡してみるつもりだ。5000円ちょっとの初めての買い物で、こんな調子なので高額なものをebayから買うのは、非常にリスキーだと思ったほうが良い。国内の運送業者のような緻密な追跡やサービスなどは、全く期待できない。やっと本日12日に返金の連絡があった。やれやれ。どっちみち球切れは直さなくてはならないので、違う業者から再度買ってみようと思う。重要なのは、注文時に「返金保証対象品」であることを確認することだ。そうでないと物が届かない場合でも、打つ手がなくなるからだ。何事も経験しないと、分からなないことは、たくさんある。再度LEDランプ 10ケ入りを¥5092で注文してみた。2/27~3/10着予定だが、どうなるやら?
あと昨年の12/16にDCS PURCELL1394の修理が終わったと連絡があり、動作確認のためDELIUS1394を送った。もう2ケ月経つが、その後連絡がない。D730でしか聞けない日々は、ちと寂しいものだ。どうなっているのだろう?
ツイーターのFOSTEX FT96Hが届いた。ワンオーナー品だけあって、綺麗である。音出し前に導通確認。仕様は8Ωで6.9Ωと6.7Ω。異常なしだ。端子が太くしっかりしており、相当太いケーブルでも接続できる。さすがに作りは良い。さてこいつをどう設置するかで、ちょっといいアイディアが浮かんだ。早速やってみよう。
ドライバーホーンにちょうど良い穴があったので、ツイーターを共締めした。これならドライバーとツイーターの位置関係がズレないので安心だ。ドライバーやツイーターを個別で設置すると位置がズレるのが、結構面倒なのだ。
この状態で再びマイクを取り出して、測定してみた。左がツイーター無し。2420Hドライバー単体では6KHzぐらいから音圧が下がり始めるのがわかるだろう。右がFT96H 2発を付けた状態。クロスは8KHzに設定。補正前は緑色の線で、ドライバーより6dBほど音圧は低いが20KHz以上出ている。ツイーターは正常なようだ。15KHzのローパスを入れてターゲットカーブを作って演算させるとオレンジのようになり綺麗なフラットな波形になった。さすがはAPEQ 素晴らしい。この状態で聴いてみると、激変はしないが、細かいニュアンスとサラウンド、サラウンドバックとの前後、左右のつながりが良くなったのがわかる。サラウンドは当然ながらツイーターで高域まで再生していたので、センターがそれらに追いついたと解釈すべきだろう。ツイーターとドライバーのつながりにも不満はないが、能率118dBのドライバーに対し、100dBのツイーター2発だと、まだエネルギー的には負けている感じだ。チャンデバの設定を見てもツイーターの出力レベルは3時ぐらいまで行っている。ツイーターを駆動しているMM7025のパワーが足りないとは考えられないので、たぶんこれは単純に空気を押す面積が足りてないのだと思う。やはり2405Hクラスの大型ツイーターを使わないとダメなのか?ウーハーもドライバーもJBLで、ツイーターだけ日本製では、やはり合わないのかも知れない。スピーカーは1つのアンプで全帯域を鳴らすのが、基本なのだが、スピーカーもいろんなユニットの混成部隊では、うまくいかんのだろう。なかなか頂上が見えて来ない。奥が深い世界だ。だから面白いのだ。2402,2405,077当たりで再検討しよう。2405はカチーン、077はカシャーン、2402は使ったことがない。077のほうが少し丸めの音で、好みだった。
2025/2/9 新センターSP計画 その6
077や2405のJBL製のツイーターは、自分がマルチアンプをやっていた頃より大幅に値が上がっていて、手が出ない。手頃なのは、FOSTEXだ。最初はツイーター1台で行こうと思ったが、現状ではホーンの上にも下にもスペースがないので、ホーンとウーハーの間のスキマを狙って2台使うことにした。そのほうが1台当たりの負荷も減るからだ。ステレオアンプで1台づつ鳴らしたいと思う。そこでこのスキマが約70mmなので、このぐらいのサイズのものを探した。FT50H、FT90H、FT96H当たりを候補にした。ドライバーがアルニコなのでツイーターもアルニコにしたいと思っていたら、FT96Hが候補になった。所謂スーパーツイーターで外径が68mm角なので収まりも良い。運良くワンオーナーの美品が2.8万で手に入った。このツイーターは4~33KHzまでカバーするワイドレンジ設計で、推奨クロスは8KHz以上。ちょうどドライバーがこの当たりから落ち込んでくるので、クロス周波数としても問題ない。能率も100dBでドライバーの2420よりは低いので、バランスも取りやすいだろう。向きはまっすぐで角度だけ調整しても、軸上から30度以内には試聴位置は入るので、ほとんど高域の落ち込みもないはずだ。と言っても自分の耳ではせいぜい14KHzぐらい聞こえれば良いほうだろう。こいつは四角のプレートが付いているので、置き方に制約が無いのも使いやすい。さてどんな音になるのか楽しみだ。鳴らし方は、MC252のLchを4Ωにしてウーハー2台を並列で鳴らし、Rchを8Ωで使って2420ドライバーを鳴らす。チャンデバXR1001は3WAYに設定し、マランツのMM7025で2台のFT96Hを鳴らす。これが最適解だと思う。出力段がパラッてなく、小出力でSNが良いアンプは実はなかなかない。たとえばJEFFのMODEL 102などのアンプが一番マッチすると思うが、なかなか手を出せる値のものがない。どんなものか一度聞いてみたいものだ。ハイエンドと言われるものは、そこそこ所有してきたが、何故かJEFFだけは1つも所有したことがない。春風のAYRE 熱い真夏のKRELL ちょっとクールなGOLDMUNDまでは縁があったが、秋風のJEFFは縁が無かった。
ツイーターが届く前にセッティングした。センターSP用のAPEQからの信号をチャンデバXR1001に入力し3分割する。接続は全てバランス接続だ。ツイーター用のモノラル信号は、オーディオリプラスのXLR2股分岐を使って2分割しMM7025に入力する。MC252のLchがウーハー2発で、8ΩSPを並列接続し4Ω端子に接続。Rchはドライバーを駆動。これで2台のステレオアンプで3WAYが鳴らせるようになる。XR1001はお利口な機器で3WAY設定にすると「ここがボリュームだよ」と赤いLEDが点灯する親切な設計だ。青と緑のLEDは必要ないので、黒い絶縁テープで目隠しした。ツイーターのSPケーブルは、クリプトンの4芯を使って、1本で送って来て、ツイーター手前で左右に分けた。これで配線もスッキリした。これで準備完了だ。
2025/2/6 新センターSP計画 その5
2206Hの箱がイケてるのか、イケてないのかを知るため、モノラル信号を入れて音楽を聴いてみた。なんとめちゃくちゃ締まっていい低音が出ているではないか。全く問題ない。量感も30cm2発威力で、バリバリのベースがうなる。問題は、高域のほうだった。音楽を聴くと、ハイハット、シンバルが良く分離しない。これは前言撤回し、3WAY化に挑戦したほうが、いいかもだ。ウーハーとドライバーはクロス800Hzで、いい感じでつながっている。077か2405H当たりのスーパーツイーターを探してみよう。

2025/2/5 新センターSP計画 その4
ひとまず映画を1本見てみた。今までどうにもセリフが飛んで来ない、小音量で聞き取りにくいなどの気になる点が、あったが、それが無くなっていた。2206Hは、エッジが硬いので、低音が出ていないのでなく、低音が締まっているのだ。全く膨らまないので量感が無いように感じていたが、実際にはそんなことはなかった。2420H(あえてHと付ける)は、118dBもあるので、無信号でもホワイトノイズが出るが、試聴位置からは、気にならない。なので数値的な不満はあるが、実際の音には、不満が無くなった。2420Hのアルニコドライバーは、ニュアンス良く声が聞こえるし、どんな場面でもハッキリと聞き取れるようになった。あと改善する場合、鳴らしているアンプである。2420Hは、マランツ MM7025で鳴らしている。能率が高いのでハイパワーは必要ないが、2206Hを鳴らしているMcintosh MC252と音色やスピード感は、合っているだろうか?そこで思い付いた。2206Hは8Ωなので、並列につなげば4Ωになる。MC252は、出力トランスを積んでいるので、4Ω負荷のSP端子がある。何の問題もなくドライブ出来るのだ。片chを4Ω端子を使って2206Hを2台鳴らす。もう片chの8Ω端子で2420Hを鳴らせば、1つのアンプで全帯域を鳴らすことができる。これは、やってみる価値はあるだろう。細かいニュアンスの表現は、同じアンプで鳴らしたほうが有利に決まっている。出力トランスのない通常のアンプでも、もちろん8Ωと4Ωのスピーカーを鳴らすことが可能だが、Mcintoshの場合は、インピーダンスマッチングが完璧に取れる所が違うのだ。もう1つ調べてわかったことがある。それは2206Hのエンクロージャーだ。最初に見た時、加工寸法がきっちりなのでシロートの手作りにしてはおかしいと思っていた。どうやらこの40Lの箱は、楽天で売られている車のサブウーハー用の箱のようだ。なのでバスレフポートは無いし、特性もわからなかった。さらに40Lとは言え、2206Hの性能が出ているかも疑問だ。同じ30cmウーハーのJBLの4311は外径寸法計算容積が61Lの所、仕様だと40Lで容積率:65%。4425は93Lの所、54Lで58%となっている。この箱は外径容積57Lで40Lなので70%なのだが、バスレフスリット?があるので実質の容積は小さいはずだ。4311のエンクロージャーは、きちんと設計されたものなので、こういう箱に入れてみないと、今の箱で良いのか、悪いのかが、わからない。不満はないが、疑問はある。バスレフ開口部を除いて箱を再寸法して計算するとH338XW338XD342になる。これで内容積は39Lになる。実際の容積は4311より小さいのだ。
2025/2/4 新センターSP計画 その3
まずエッジ軟化処理だが、数値上も感触上も、ほとんど効果はなかった。すでに相当硬化していたので、効き目は無かったのだろう。2420が届いた。メチャクチャでかい。これがアルニコの凄さか。何十年経っても、ちゃんと音が出るだけ凄いと思う。直径は140mm以上ある。表記は16Ωだが、中身は8Ωだ。ホーンとは問題なく合体できた。
続いて測定に入る。ウーハーとドライバーの能率の差があり過ぎて、どうなるかと思ったが、そこはチャンデバのレベル調整で、低域を上げ、高域を下げてバランスを取った。まず全体を見て見よう。低域は、やはり60Hzからがいいと所だろう。100~300Hzに3dBほどの盛り上がりがある。クロスはなだらかでわからないが、800Hzになっている。APEQのおかげでクロス付近の落ち込みは無い。上は2~4KHzが3dBの落ち込み。高域はわりと早く減衰が始まり、6KHzあたりから下がって10KHzは-10dBだ。20KHzまでレスポンスはあるが、-30dBだ。普通なら7KHzぐらいから2405Hなどのスーパーツイーターを載せて3WAYにするだろうが、自分はやらない。声の再生には2420で十分だからだ。現在チャンデバで低域が+1.5目盛り、高域が-3目盛りの状態がこの図だ。低域はピッタリだと思うが、高域はあと3dBほど上げたほうが、APEQの補正が少なくなるので、再測定しよう。
拡大すると緑が元の波形で、低域の盛り上がりは3dBほど。350Hzの落ち込みは-9dBほど。高域はあと3~6dBほど、ゲインを上げると最小補正で済む気がする。面倒だが、何度もトライするしかない。ちなみにこの状態で映画を見ると、やはりホーンの音は浸透力があるし、微小な信号にも反応するので、満足行く音になった。ショートホーンのおかげか、こもったようなホーンくささは感じないし、ウーハーとのつながりも問題ない。センターSPとしては、非常に大がかりになったが、それだけの効果は十分あった。
新センターSPにして、ホーンのおかげで声の通りが良くなり満足だが、動きの悪いウーハーのせいか、もう少しセリフに厚みが欲しいと思うようになった。ここで便利なのがAPEQの補正機能だ。ターゲットカーブを何度でも書き直せるので、APEQとPCがつないであれば、何回でも補正データを書き換えれるのだ。そこで男性の声の周波数:85~155Hzの中心で120Hzと女性の165~255Hzの中心の210Hzを3dBほど上げてみることにした。やり過ぎたら、元に戻すだけなので簡単だ。オレンジが予想カーブでいい感じだと思う。12dBぐらいのデコボコはいくらでも綺麗になるし、30dBでも40dBでも補正できる優れものなのだ。補正しても機器固有の音になったり、ノイズが増えたりはしないのが素晴らしい。ほかの機種では、こうはいかない。
測定データを見返してみたら、HTM1は50Hz、CELLO LEGENDは30Hzまで出ている。2206Hは30cmウーハーなので、少なくとも仕様の45Hzは出て欲しいが出ていない。膨らみはないが、ふくよかさもない。やはりエッジが硬いのが、低域の出ない原因だと思う。さてどうしたものか。

2025/2/3 2206H エッジ軟化処理
センターSP用の2206Hの下が60Hzしか出ないので、意を決してエッジの軟化処理をやってみることにした。情報ではホンダのブレーキフルードが良いなんて書いてあったりするが、そもそもDOT4と言う規格に沿って作られているので、添加剤のたぐいは気にしないことにする。自分は、ヤマハ ヤマルーブブレーキフルードBF-4と言うDOT4規格品 100ccをアマゾンで¥436で購入した。30cm2発分なんて、5ccもあれば十分だ。どうせ使うなら、車会社より楽器もやってる会社のほうが、いいでしょ!色は普通のサラダオイルと同じ、サラサラ度も同じぐらい。匂いはなく使いやすい。当たり前だが、ブレーキオイルは、ものすごい吸湿性があるので、金属に垂らすと一発で錆びる。フレームは要注意だ。今回の処理で、元に戻るとは考えていない。エッジを交換する前に、少しでも改善できたらと思っている。掟破りの方法で、うまく行くなんてことは、世の中無い。
一番細い筆で、エッジの外側から1ヒダごと丹念に塗っていく。1本15分ぐらいで塗れる。使用前後を左右に並べた。塗ったあとは少しテカテカに光る感じだ。このまま少し置いて、テカテカが消えたらまだ塗っても良い。テカテカが残っていたら、もうお腹いっぱいの状態なので、それ以上は塗らない。塗った直後でも、気持ち柔らかくなった気がするが、このまま24時間放置し完全にしみ込むのを待つことにする。塗り過ぎたところは、明日綿棒で丁寧に引き取るつもりだ。この作業で気が付いたが、どうも左右のウーハーでエッジの硬さが違うようだ。前回、左右同時(実際にはモノラルだが)に鳴らした状態で、f特を測定したが、ひょっとしたら結構左右で違うのかもしれないことに気づいた。APEQを2台使ったら、補正できるか考えて見よう。明日はいよいよ2420が届く。どうなるかワクワクする。
2025/2/1 新センターSP計画 その2
JBL2370A ショートホーンが届いた。1インチスロートで幅は448mmあるが、前後は174mmしかない。これは狙いがあっての選択だ。センターチャンネルはモノラルなので、広角なホーンは必要ない。なので水平も垂直も狭いカバーレージで問題ない。こいつも水平90°X垂直40°とやや狭めのカバーレージ角だ。2インチ用の2397などは、水平140°X垂直60°とかなり広い。今回はセンター用なので、特に垂直方向は狭いほうが、都合が良い。垂直方向に広いと、床に置いたものや、ラックの反射を受けやすくなるので、狭いほうが都合が良いのだ。これは樹脂製だが、結構丈夫に出来ており、叩けばコンコンと鳴くが、100Hz以下を再生するわけじゃないので、問題ないはずだ。高さ的にも、ウーハーの中心から、大きく外れてはいないし、問題ないと思う。今回は、たまたま1台だけのホーンが、JBLの元箱、型番シール付きで見つかったのは、ラッキーだった。ホーンは、刻印がないので、シールが無くなるとガクッと値が下がりますから。シールは外して、大切に保管します。また元箱は、さすがに頑丈に出来ていて、輸送の際の安心につながります。うまく調整して、長く使いたいです。あとはチャンデバとホーンの到着を待とう。
チャンデバが届いたので、動作確認を兼ねてAPEQで周波数特性を測定してみた。チャンデバのクロスは800Hz 遮断特性は固定で-24dBである。左が測定値で、クロス周波数は800Hzほどなので、チャンデバは正常に動作しているようだ。緑が素の特性だ。ついでに2206H自体の周波数特性を見ると下は60Hzぐらいまでしか出ていない。スペック上は45Hzなので伸びていない。箱の容積が40Lと小さいからだろうか。80Hzの山は部屋の定在波だ。180Hz付近に盛り上がりがちょっと気になるが、この程度ならAPEQで補正できる。あとは300Hzから上に周期的な山谷も気になるところだ。いづれにせよ、ドライバーとウーハーを同時に鳴らして測定してみないと、どうにもならない。APEQは、周波数特性、位相特性、時間軸特性を補正してくれる、優れモノである。今回のようにモノラル使用なら、左右のチャンネルに2つのターゲットカーブを格納することで、チャンネルデバイダーとしても使うことができるのだ。ただ低域、高域のボリューム調整が、いちいちPCを立ち上げてUSB接続しなくてはならないので、ここはチャンデバを使うことにする。試しに2206Hにステレオ信号を左右に入れて、聞いてみるとセリフは十分なくらい良く聞きとることができる。3.5KHzまで上が出ているので、普通に使う分には全く問題ない。MC252のメーター読みで、0.25Wも出ていれば十分な音量が得られる。これでドライバーに軽く仕事をさせればいい感じになりそうだ。今回の測定でセンターSPは60Hzで、スーパーウーハーにつなぐと良いことがわかった。何でもそうだが、見える化は大切だ。今回のターゲットカーブは900Hzのローパスと50Hzのハイパスを組み合わせただけだ。補正値を大きくしていないので、オレンジの補正後特性は、まだフラットにはなっていない。特性を一度測ると、何度でも補正値が得られるのが、APEQの良い所だ。
今回、2206Hの下の伸びがイマイチだったので、調べてみた。推奨容積は28~113Lで、使っている箱は40Lなので仕様上はOKだ。同じ30cmの4311などが使う白い2213Hは42.5L以上なので、だいたい40Lぐらいあれば合格だろう。ちなみに4425を外径寸法で計算すると容積は97Lになる。これの10%減としても87.3Lなので、メーカーの作るスピーカーは仕様の2倍ぐらいの余裕をもって使っていることになる。4425のウーハーは90gだが、2206Hは65gで約72%の軽さ。磁気回路は上位の38cmモデルと同じサイズで超強力。なので狭い箱では、制動過剰で低域が出ないのかも知れない。ただし容積的に問題ないなら、あとはエッジが動きに馴染んでないかだ。ここは辛抱強く鳴らしてみよう。それでもダメならエッジ軟化剤だが、これは極力使いたくない。使うと元の音に戻らないからだ。
2025/1/31 新センターSP計画
いろいろ検討した結果、JBL 8340Aで大きなウーハーに可能性を感じたので、この方向をさらに推し進め、さらに高域を強化する対応を取ることにした。具体的には、コンプレッションドライバー+ホーンにダブルウーハーでセンターSPを再構築する。ウーハーはJBL 2206H 8Ω 95dB コンプレッションドライバーはJBL 2420 2インチ振動板(実際には44mm) 16Ω 118dB ホーンはJBL 2370A ショートホーン 幅448x高さ173x奥174mm これをどう鳴らすかだが、ネットワークを組むのと、チャンネルデバイダーを使う2種類がある。ネットワークは、構造は簡単だがアッテネータをどこかに入れないとバランスが取れないだろう。アッテネータ込みだと、そこそこ金がかかる。チャンデバの場合、クロスオーバーの設定、レベルなど全部1台で可能になる。以前アルテックのフロントロード、JBLのバックロードで使ったASHLY XR1001は安価だが抜群のSNの良さで印象が良かったので、これを使うことにする。3万以下で手に入るが、どこかのチャンデバも真っ青のSNです。色付けがないので、使いやすいのも良い点です。ウーハー2台の上にホーンを載せると収まりが良いのだが、背が高くなり過ぎてスクリーンがケラれるので、どう配置するかも重要なポイントだ。この点でユニットがバラバラにおけるのは、ありがたいのとクロスを推奨の800Hzにすれば、ウーハーが多少アンプの影に隠れても、セリフへの影響は少ないと想定する。ホーンは、角度調整が簡単にできるのも、センターSP向きだ。以前は4インチ振動板のドライバーを使って、つながりがうまく行かないのと、能率の高さで残留ノイズが気になって結局は長く使うことはなかった。今回は2インチ振動板と30cmウーハーなので、前よりまとまりがいいんじゃないかと期待している。完成品じゃないので可能性もあるが、まとめるのは難しいのだ。これでダメなら再度4425計画に戻るしかないだろう。今日は、センターSPに8340Aを使って、DOLBY ATMOSの天井SPの効果の検証を行う。
要求仕様どおりに天井SPを設置した効果は絶大だった。ターミネーター ジェニシスでは、バスの上を移動する場面が、一歩一歩リアルで、これは今まではっきりとはわからなかった。またトップガン マーベリックでは、F18がクルリと反転する際、音もいっしょに回っているのが、初めてわかった。天井SPは、サラウンドSPと一体となって音作りをしていることが、良くわかった。やはり設計者の意図どおりに、設置することは、補正では得られないリアリティーがある。センターSPの8340Aも良く活躍してくれて、自然にセリフが聞こえるようになり、全く不満は無かった。この感じだと新センターSPの出来が余程良くないと、メインの座を獲得することは難しいだろう。本来サラウンド用の8340Aだが、センターSPとしての使用も十分こなせることが、わかった。今回は、なかなか収穫が多かった。新センターSPの取り組みも楽しみだ。
まず左の写真だが、これは天井SPまでの距離測定結果だ。数値は、いじってないが左右は1cmもズレていない。我ながら完璧な設置だ。中央が2206HをTAOC300DLに載せた所。これで高さが56cmほどで、前回より8cmも低くなったので、スクリーンのケラレが無くなった。クアドラスパイアのラックの中にMC252を格納し、ボードの上に2420を載せる予定だ。この状態で、どんな音が出るのだろう。興味があったのでフルレンジで鳴らしてみた。2206Hは、45~3.5KHzまで出るので、普通に聴けてしまうのが、驚きだった。箱の出来も良いようで、このままでもブーミーな感じがしない。まだAPEQで測定していないので、本当の実力はわからないが、邪魔しないように2420をうまくつなげられれば、結構理想に近づけるような気がしてきた。推奨のクロス周波数は800Hzだが、もっと上でもいい気がする。2206HはMC252の片chずつで鳴らし、2420はマランツのMM7025の片chで鳴らす。問題が1つあってMM7025の指定負荷は6~8Ωとなっている。2420は16Ωなのだ。さて、どうなるか?理論上は、流れる電流が少なくなり、音量が小さくなるはずだが、もともと118dBもある高能率なので、ちょうどいいかも知れない。さらに調べたら、自分の2420は振動板が純正の8Ω仕様に交換されているのが、わかった。なんともラッキーだ。MM7025は、DYNAUDIOのM20を鳴らしているが、SNが良く相性も抜群に良い。今回はセンター用のMC252のパワーコントロールOUTからMM7025の12VトリガーINにステレオミニプラグを接続してみて、C46の電源ONで連動できるかも試す。サブウーハーは、KOJO Mt1000から給電しているので、ついでにチャンデバのXR1001に給電すれば、切り忘れもなくなるはずだ。サラウンドは機器が多いので、パワーコントロールやトリガーで、電源ON-OFFを管理できるのは、ありがたい。
センターSPには、もう1つ大事なことがある。それは低域ユニットと高域ユニットが水平に一直線で並ぶことが理想である。何故かと言うと、ユニットの高さが揃ってないと、低域から高域に音が高くなったり、低くなったりするとき、音像の高さが変わってしまうからだ。大抵のセンターSPは、高域と低域ユニットの高さが合っていないものがほとんどだ。大型のセンターSPでこれが成立しているのは、JBLのHC1000ぐらいだ。そのかわり一直線を実現するため横幅が95.5cmと巨大だ。それでもウーハーは25cmである。自分は30cmウーハーで横幅が133cmになった。理想を追求するとスペースが必要になる。載せてみないとわからないがホーンの高さは、極端には違わないはずだ。これで高さ方向の音像の移動も最小限になるので、セリフの定位は、しっかりしたものになるはずだ。
2206Hに良い印象を得たが、イマイチ低音が出ていない気がする。一番の理由は、しばらく鳴らしてないため、可動部分の柔軟性が落ちていることが考えられる。もう1つは、内部配線だ。ベルデン8205で0.5スケしかないので、これをTIGLONのマグネシウムシールドケーブルに変更する。MS-DF12SP-HSEは2スケだ。線径が全然違うのが、わかるだろう。「オーディオは、小さいことの積み重ねでしか、良い音は出ない」とあるオーディオの師が言っていた。その通りだと思う。ただしあれこれと、オカルトグッズや自作におぼれてはいけない。いつの間にか自己満足で、一般からかけ離れた音になっても、気がつかなくなる。なので、常に自分を中立に保つことが大切である。あとは、ドライバーとチャンデバの到着を待つばかりだ。
2025/1/30 JBL2206H
JBL2206Hが届いた。最初はユニットだけ使うつもりだったが、自作のハコが予想外に良く出来ているので、このまま使って見ようと思う。ユニット自体は、コーンの破れ、エッジの損傷もなく、良い状態だ。驚くのは、エッジも含めたコーンn硬さで、結構な力を入れないと動かない。これで、大丈夫なのかと思う。この辺が軽く高能率のD130系と違うところだ。能率がいいと反応は良いが、ズーンとくる低音は出にくいと感じる。この上にホーンドライバーを乗せてみるのも、面白いかも知れない。幸せになるか?泥沼かは、やってみないとわからない。今回はユニット+箱で¥35000で入手した。4425は、どうやっても15~20万ぐらいはかかるだろう。4インチのドライバーとホーン、チャンデバでさて、どのくらいになるだろうか?マルチアンプのほうが安上がりな気がするが、安くていい音は、なかなか得られないのが現実だ。もう1つは、8340Aのウーハー配線を引っ張りだして、2206Hにつなぐかだ。2206Hは、ツラを見ただけで、凄味を感じる。これはイケそうな予感がする。マルチアンプを再びやるか、嬉しい選択肢が増えた。恐ろしく巨大なマグネットが、その性能を静かに語る。これで30cmウーハーなのだ。ベンディッドクーリングホールが、「いくらでもパワーを入れろ」と言っているようだ。気を付けるのは、この時期のユニットは逆相である。赤い端子にプラス入力すると、ウーハーは押し込む方向に動く。確かめたら、確かにそうだった。なので内部配線を変更して正相にした。内部配線材は、赤黒のベルデン8205で0.5スケしかない。スズメッキ銅線で、いかにも細いので、これは2スケ程度に交換したい所だ。内部配線を太くするのは、ウーハーには効果が出るはずだ。
ついでにDOLBY ATMOS用の天井SPの吊り金具が完成した。今日はSPCC t=3.2 100X65 四三酸化鉄皮膜処理板に穴を開けた。高等テクニックで皿モミもしたので、M4サラネジの頭のでっぱりはなく取り付け可能だ。真下に向けることしかできないが純正より軽くできている。左右はいくらでも動くし、前後はレーザーで位置だししているので、動かすことはない。これで要求仕様どおりの位置に天井SPを配置できた。突っ張り棒は耐荷重は40kgと記載されていたが、良く読むとせいぜい10kgまでが吊り下げ限界らしい。40kgと言うのは、40kgでも壊れませんよ、と言う意味らしい。なのでこのSOLID MONITORの2台分で5kgぐらいまでが、限界だろう。2mを2本対向に使う方法もあるが、このほうが落下の危険があり危ないはず。4mの長さは、たわみが大きいが、パイプとパイプのかみ合い長さが5cmはあるので、5cm分たわまないと外れない。余程の大地震が来て、壁が動かない限りはSPが落下することはない。落下したら、マイクロのターンテーブルとLYRAのカートリッジが、ぶっ壊れるので、それだけは勘弁してもらいたいが、天災は忘れた頃にやってくると言うから、定期的に緩みチェックはしようと思う。これでひとまず完成したので、明日、AVプリでパラメータを再測定して、映画を見て見よう。元の位置から、内側にほぼ平行移動し、メインSPと一直線になった効果があるのか、ないのか、不安であり楽しみだ。困ったのは、1/6にebayで注文したマッキントッシュ用のLEDが、1/13からアメリカのなんちゃらセンターにあって、全然動かないのだ。追跡情報では、1/20~2/4までに配達となっているが、本当に来るのだろうか?日本ではまだ扱ってない部品なので、試したみたいのだが。困ったものだ。
2025/1/27 JBL4425 改造計画
まだまともに8340Aを試してないが、そう長い時間このSPは、センターの座には居ない予感がする。やはりそこは、あくまでサラウンド用のスピーカーだからだ。そこで最終目標の4425について研究してみた。4425は、ウーハーが2214H ドライバーが2416HSを搭載している。ウーハーが30cmで、ドライバーが1インチスロートの2インチ振動板だ。気になるのは、ウーハーのほうだ。軽い振動板で剛性を上げようとすると、頂角を深く取るしかない。ただこうすると、空気を押し出す効率は下がる。実質の押出し面積が減るからだ。では頂角が浅くして剛性を上げるには、アクアプラスを塗布するしかないが、その分重くなり、反応が鈍くなる。ある程度のパワーを入れないと、重いウーハーは動かず熱に変換されるからだ。自分は、セリフの微妙なニュアンスまで聞きたい。なので反応が良いウーハーが欲しいのだ。そこで、探し当てたのが2206Hだ。2214Hはボイスコイル径が75mmだが、こちらは1ランク上の100mm径ある。マグネットは、ほとんどコーンと同じくらいデカい。コーンの頂角は浅く、エッジは布エッジである。能率も91から95dBに上がっており、キレの良い音が出るはずだ。取り付け寸法もPCD:294と同じなので、4425には問題なく取り付く。たまたま2206Hが出ていたので、ユニットだけ手に入れた。あとは程度の良い4425を見つけるだけだ。高域の2416HSも磁気回路が、今となってはちと小さい気がする。互換性のあるのは、2425HSだ。これはJBL 4344後期型に使われた2425Jの8Ω スクリューマウント型なので、エネルギーは強力だ。ただし2416HSよりは、透明度が上がっているようだ。この辺は4425のアッテネータが、12KHzと2KHzを個別に調整できることで、いくらでも対応できそうだ。なので最終形は2206Hと2425HSに換装することだ。ウーハーは、互換性があるのがわかったが、スクリューマウント型は、ホーンとの取り付けが実際にどうなっているのかがわかってないので、ここは我慢して実機を手に入れる機会を待とうと思う。
2025/1/26 JBL8340A センターSP化 その2
ギタースタンドでうまく行きそうなので、探したらさらに良いものが見つかった。SPの幅よりも足の幅が狭く、かつしっかり保持できるのだ。前回のものより、遥に剛性が高い。この下に9cmの木製キューブを入れると高さもバッチリ。2台のSPもピッタリ付けられた。良い感じに角度も付くし文句なしだ。アマゾンで¥1810 折り畳みギタースタンド。JBL8340Aにして、しっかり聞いてみた。25cmが2発で35cmウーハー1発相当の振動板面積になる。N801の38cmウーハーにかなり近くなった。この状態だと、センターSPの大口径化の恩恵を受け、迫力と細部の再現性が抜群に良くなる。やはり映画は、フロント3本のスピーカーが同じなのが理想だと言うのは、間違いない。同じものが揃えられない場合、口径を同じにすることが大切だ。センターの情報量が増すことは、映画により深く没入できることにつながるのだ。ここまで来るとやはり、メインと同じ口径のセンターSPを使いたくなる。またはセンターの振動板面積を同じ程度まで大きくしたい。自分の目標は、JBL4425の2発使いだ。30cmウーハーが2発なら42cm相当になる。特長的は「おっぱいホーン」は、音を耳元まで飛ばしてくれるだろう。MKⅡもあるがおっぱいホーンが小さくなって「らしさ」が無くなったので、好きではない。これであと天井SPが取り付けできれば、ひとまず完成である。一時は、まるで使えそうにないと思われた8340Aだが、しっかり設置できたので、活躍してくれそうだ。次はAPEQの補正をやってみる。
2025/1/24 JBL8340A センターSP化
サラウンド用に使えないなら、何とかセンターSPとして使えないかと、やってみた。スタンドの形状のため、ピッタリ付けることはできないが、さしたる問題にはならないだろう。このSPは、所謂JBLらしい4311のような音ではない。どちらかと言うとホーンらしさを余り感じない自然な鳴り方をする。なので中域の張り出し感は無い。つながりが2KHzクロスで、自然につながっている。ウーハーもダンプ剤などを塗ってない軽いタイプなので反応も良い。たぶん20年近く使われてきたので、相当ヘタってはいるはずだが、大音量で音割れもビビリもないので、普通に使える。この辺はさすがにプロ機だ。センターSPとして見ると、やはり口径が大きい分、音に余裕がるし、細かい音、小さい音が聞こえるようになったので、より臨場感が増す。これはしっかりしたスタンドに固定したら、もっと良くなる気がする。壊しても良いので、ガンガン鳴らせるのは、ありがたい。APEQの補正が、MZ-S01のままなので、再度、測定してみようと思う。最終的には、アコースティックキューブで9cmほど持ち上げた状態で、よりヌケが良くなった。まだセンターSPしか鳴らしてないので、きちんとセットしてから、メインSPとの違和感がないか、確認してみよう。捨てるしかないと思っていたが、役に立って良かった。もう1組は、エッジが破れていたので返品することにした。やれやれ。
2025/1/22 DOLBY ATMOS 天井SP取り付け大失敗
突っ張り棒が届いた。けど全く使い物にならない。いくら突っ張っても剛性がなく、垂れ下がってしまう。これじゃ9kgもあるJBL 8340Aなどとてもじゃないが吊る気にはなれない。大枚はたいて4台も買ったのに、どうすりゃいいんだ。仕方なく元のSOLID MONITORを吊り下げてみた。このぐらいが「物干し竿」の限界だ。リアトップは付けたが、フロントトップは、金具がないので取り付けられない。JBL用に買ったブラケットは改造しても取りつかない。こっちは金属ゴミにしかならないだろうな。8340Aは平行面がないため、自立できない。センターSPとしても使えそうもない。かと言ってサラウンド用にも、自立しないので使えない。面倒なものを買ってしまった。誰が買ってくれないかな。
転んでもただでは起きないのが、年季の入ったマニアだ。なんとかこいつを立てる方法はないかと考えた。部屋の中に凄く良いものがあった。エレキギタースタンドだ。これのネック支えを取り外して置いたら、ちゃんと安定して自立する。しかもいい感じで少し上を向いてくれる。これは行ける。スタンドに載せた時の高さも、今とほとんど同じでスクリーンにかからない。これをダブルにしてセンターSPとして使って見よう。このSPはまだ音を聴いてないが、割とまともな音らしい。25cmウーハーと2.5cmのホーンドライバーを装備している。音が飛んでくるホーンドライバーは、センターSPとしては魅力がある。サランネットを外すとちょっと個性的な顔付きなのだ。めちゃくちゃ本数の多いネジを外すとサランネットが取れる。このへんが簡単に外せる民生用とは違う所だ。ウーハーはエッジもピンピンしているし、ドライバーのホコリよけのネットも綺麗だ。あまり使ってなさそうだ。樹脂製のバッフルの剛性を上げるための、ダイヤ型のくぼみが個性的だ。フラットだとエレクトロボイスのセントリー500見たいになってしまうだろう。500とウーハー径は同じだが、向こうのほうが筐体がデカイ。でもスペック的には能率も同じ96dBだ。まずはやって見よう。ダメなら戻せばいいだけだ。これは壊しても良いSPなので、低域レンジ下限の45Hz(-10dB)まで出してみるか。-3dBだと75Hzなので、たぶんマラプロ MZ-S01と同じレベルとは思うが、こっちは25cmでウーハーのデカさが違う。さて本物のシアター用SPの実力やいかに!
ブラケットが無く設置できなかったフロントトップのSOLID MONITORだが、昔取った杵柄で、ミスミの材料をかき集め、機械加工で作ってみることにした。用意するのは100X65mmのSPCC 黒染メッキ品、同じく直径10mm 長さ100mm 両端M4深12 それとSPCC 3.2mm 直径54mmの円盤があれば、あとは簡単な加工だけで取り付けられる計算だ。これを2台分で6864円だ。これなら新たにSOLID MONITORを買うより安く上がるはずだ。これでDOLBY ATMOSの仕様どおりの位置に天井SPを配置できるはずだ。
エッジがピンピンしてる、と書いたが間違いだった。良く見るとエッジが12cmほど完全に切れていた。なんで気づかんかったのか?アホか。まあ出品の画像は使いまわしだし、ノークレームと書いてあった。でもこの状態でまともな音がするとも思えない。ただし「シロート確認・・・」とあったので、どこまで対応してくれるやら。ちなみにエッジはファンテックの25cm用ウレタンエッジ:W10 ¥3740/枚である。さてどうなるか。ギタースタンドに載せて喜んでいたら、完全に左右が同じなので、スタンドの足が干渉し、SPは密着できないことが判明。MZ-S01はウーハー口径が20cmなので面積は314cm2。8340Aは25cmなので490cm2。MZ-S01は、2台使っているので628cm2で8340Aが1本では、勝てない。シングル1本で聞いてみるべきか。迷う所だ。8340Aが2本だと980cm2で、35cm相当になる。この差は歴然だ。とりあえず2本で聞いてダメなら却下だ。ちょっと待てよ。明日、エッジ新品のヤツが届く。こっちで聞いて見よう。ヤフオクは、玉石混合だから、全ていい買い物が出来るわけじゃない。
2025/1/19 DOLBY ATMOS SP配置測量
しかるべき寸法がわかったので、測量してみた。レーザーを飛ばして寸法を測るだけなので、簡単だ。レーザー水準器は、小屋を建てるのに買ったが、オーディオ用途でこんなに活躍してくれるとは思わなかった。1台あると、SPのセッティングが厳密にできます。SOLID MONITORを置いた時もレーザーを飛ばして置いたので、リア側は、ほとんど狂っていない。フロント側はひさしの関係でこれ以上前には置けなかった。突っ張り棒はなんとか配置できそうだが、エアコンの関係やSPの大きさがわかってないので本当に仕様どおりに置けるのかは、まだわからない。何せ25cmウーハーだから、そこそこデカいはずだ。25cmウーハーが天井にあれば、低域成分も十分に再生できるだろう。天井SPのクロスを80Hzに設定しているが、60Hzでも行けそうな気がする。JBL8340Aの低域再生は、45Hzとなっているが、そこまでは負担はさせられないだろう。本当は70Hzでスーパーウーハーに任せたいがAVプリのクロスが70Hzは選べず60か80Hzしかない。この辺が不満なのでAPEQのターゲットカーブを70Hzから下げるようにしている。現状と仕様との差は、前後方向は、ほとんどなしと言って良く、仕様だと内側に70cmほど入ってくる形で、メインSPの軸上に配置できることになる。この70cm差が、どのくらいの意味を持つのか?また25cmウーハーがどのくらいの意味を持つのか、やってみないと分からない。ただしどんなに完璧にATMOS仕様にしたからと言って、つまらない映画が面白くなるわけではない。つまらなものは、つまらないままなのだ。だから「ATMOSで見ないと映画じゃない」などと言うのは、ナンセンスである。あくまでもより楽しむためのツールに過ぎない。面白い映画は、STEREOで見立った面白いものだ。映画の内容より、デコード技術のほうの優先順位が高いなんてことは、あり得ないのだ。JBL8340Aは4台入手した。突っ張り棒は、人気があるのか、ないのかわからないが、1日経ったら品切れの物が出てきたので、慌てて430~480cm対応で耐荷重25kgの物を¥4318で買った。同じくSP用ブラケットも追加工前提で¥1480で2ケ入りを2セット買った。SPケーブルも現状だと届かなくなるのと、色が赤・黒で目立ちそうなので、新たにOFC 2スケ 30.5mのアマゾンブランド品を¥3413で2巻き買った。結構な出費だが、たぶんこれ以上は、余程デコード技術が変化しない限りやらないと思うので、後悔しないレベルの物を買った。これだけ換えると、SPケーブルの太さだけでも相当、変わるだろうが1つ1つ替えて検証するのは、時間がかかるので、仕方あるまい。現状のSPケーブルは、1スケなので断面積だけでも2倍もあるので、経験上は、相当音色に違いが出るはずである。あとは冷静に判断するだけだ。うちは防音用に厚さ100mmほどの石膏ボードを入れているので、突っ張り棒の力で陥没しないか不安である。突っ張り棒のストッパ部分の径は68mmと想定すると受圧面積は36.3cm2 耐荷重が25kgと言うことは2倍以上の圧力がかかっていると想定し、仮に50kgとすると50/36.3=1.4kg/cm2となる。9.5mmの石膏ボードの場合の圧縮強度は20kg/cm2なので、計算上は十分持つが、うちのは厚さが厚いので、この計算に乗らない恐れが高い。そこで10cm角で厚さ1cmの樹脂板を挟んでみることにする。これだと50/100=0.5kg/cm2となる。元の4割まで面圧を下げることが可能になるので、安全のためにも実施しよう。リア側は、たぶんひさしが守ってくれるだろう。もしこれで石膏ボードが沈むようなら、元に戻せは良いだけだ。まずは何事もやってみることが、大切だ。
2025/1/17 DOLBY ATMOS SP配置再検討
天井SPを正確に設置するため、天井高さをレーザー測距器で正確に測定し、寸法を出してみた。うちの天井高さは237.4cm 耳の高さは90cmとして、天井SPの推奨設置角度(90-55)=35°で計算すると103cmになった。本当は45°設置したい所だが、部屋が18畳と狭く試聴位置から背面壁までが160cmしかないので、これが限界だ。現状の天井SPのリア側はほぼ後ろの壁から60cmぐらいで偶然にも一致していた。フロント側もほとんど正しい位置だったので、このまま内側に平行移動できれば仕様どおりの位置に置けることになる。言い換えれば、正しい位置とそうでない位置の比較ができることになる。自分の場合は、7.1.4システムで天井SP以外は、すでに正しい角度に置いてある。天井SPだけが、仕様から外れた状態だ。天井SPは4.3m対応の突っ張り棒が1本で何とかなりそうだ。耐荷重が20kg程度はあるのでそこそこ重いものを吊り下げられる。うちの天井には、間接照明用の出っ張りを大工さんに作ってもらったので、そこに乗せる形で突っ張り棒を使うことで、耐荷重は余裕が出る計算だ。当初はSOLID MONITORをそのまま使おうかと思ったが、1本あたり10kgまで使えるとすると、本物の映画館のサラウンドスピーカー JBL8340Aが使えることがわかった。こいつは25cmウーハーを搭載した2WAYだが、重さが8.6kgしかない。しかも結構、素直な音らしいので、使って見たくなった。本物が使えるなら、本物を使ったほうがいいだろう。結果は、やってみないとわからないが、話のネタには十分だ。問題は耐荷重が40kgあるアマゾンオリジナルのチチロバの470cm突っ張り棒の白が品切れで、入荷が不明なことだ。これ以上の品質の突っ張り棒が見つからず、足止め状態で進みません。
2025/1/16 センターSPの高さ変更
センターSPをMZ-S01に変更してから、セリフの抜けは向上したが、まだ満足できるレベルではない。出来ることは限られているが、現行のアコースティックキューブ:9cm+TAOC 300DLCをTAOC 300DL+300DLCに変更した。これで5cm上がったことになる。数値上では、たった5cmだが試聴位置からの印象は結構変わる。スクリーンの下限とほぼ同じ高さまで上がったことで、よりストレートに音が飛んでくるはずだ。自分の場合、センターSPは2WAYで十分だ。クラシックを聴くわけじゃないので、繊細で伸びた高域は要らない。また2WAYなら、声の帯域を1つのユニットでカバーできる。変に帯域分割すればするほど、声が薄くなるのは事実だし、周波数によって音源の位置が移動するのも2WAYのほうが少なくなる。将来は、禁じ手かも知れないが、JBL4425を2台連結して使って見たい。このSPは高域ユニットが箱を横にしたとき接近し、かつ上のほうに位置するので、センターSPとしては都合が良い。セリフを飛んでくるように聞くのが、自分の理想だ。最新のAVアンプには、AURO3Dが搭載されているが、そもそもは13ch録音の音楽用のフォーマットで映画用に生まれたわけではない。なのでDOLBY ATMOSの代わりに使おうとは思わない。また音響補正ソフトのDIRAC LIVEも良さげだが、まだまだ搭載機種は高価だし、時間軸補正、周波数補正、位相補正ならAPEQがやってくれている。BASS MANAGEMENTやらは、低域の補正に有効らしい。自動でメインSPとサブウーハーのクロスオーバー値を決めてくれるらしいが、使ったことがないので、どれほどの効果があるのか、わからない。自分の場合は、サブウーハーにもAPEQを入れたので、締まった超低域が再現できている。パイオニアとオンキョーのAVセンターにDIRAC LIVEが搭載されたが、今更一体型に戻る気はない。エソテリ傘下ではAVプリは、出してくれないだろうな。ヤマハは独自路線だし、マラデノに期待するしかないか。ソフトには、流行りがあるので、どれが5年後に生き残っているかは予測できない。フォーマットやインターフェイスはすぐに新しくなるので「ファームのアップデートで新規規格に対応」なんて言っても、端子の形状が変わっては、どうにもならない。RGBやS端子、DVIはすでに無いし、今やHDMI端子が無ければ、どんなに高級機であっても、存在価値はない。技術の進化は早いのだ。高砂 AA330Fをサブウーハーにつないでいたが、やはりオーディオ用に設計されたものではないので、うなり音が結構あるので、使用をやめた。CELLOのMONOⅢ用に光城のMt1000を使っているが、サブウーハーとMONOⅢが同時に使われることはないので、サブウーハーの電源もMt1000から取ることにした。Mt1000は、全くの無音動作で快適です。しかも今回のセンターSP台の変更で良いことが起こります。センターSPの下にMt1000を格納できるようになるのです。これは余計なデッパリがなくなって、うれしいです。
注文した300DLが届いたので、設置してみた。計算どおりMt1000がすっぽりと収まった。AA330Fも、どかしたのでフロントがスッキリした。本当はセンター駆動用のMC252が入ってくれるといいのだが、そこまでは高望みのようだ。DOLBY ATMOSをやり始めて、まだ日が浅いが映画フォーマットを正しく聞くには、仕様どおりに各SPを設置するのが、何よりも大切だと思う。仕様どおりにSPを置いてないのに、〇〇は最高だ、などと言っているのはおかしいと思う。DOLBY ATMOSとAURO 3Dを比較するなら、どちらも仕様どおりのSP配置をした上で、切り替えて評価すべきだ。土台が違っているのに、その上の柱の出来を語っても意味がないし、説得力を持たない。この2つを完全に両立させた人を自分は知らない。評論家のたぐいは最も信用できない。自分の場合も同じで、DOLBY ATMOS の仕様の天井の4つのSPがメインSPの軸線上にない。普通に聴く分には、問題ない。時間軸の補正が効いているのだろう。ただし短時間で目まぐるしく変化する場面で、本当に追従しているのかは疑問だ。時間軸の補正をしている間に情報の欠落が起きているのは間違いない。なので本来、クリエーターが描いた通りの音にはなっていないはずだ。時間軸の「補正」は、最初から時間軸を合わせた階段状のマルチウェイのSP(有名なT社やW社のグランドなんとかなど)と平面バッフル上に配置したユニットを電気的に「補正」したものでは、意味が全く違う。前者は最初から補正などやってないし、後者は常に補正をやっている。この差は、永遠に埋まらないのだ。サラウンド再生では、1層目は上から見たSPの配置角度、2層目は角度と位置が重要だと思う。部屋の関係で天井SPが部屋の壁際にあるが、雑誌を読んでいたら「4.3mの突っ張り棒」を天井付近に水平設置することで、仕様どおりの位置に配置できそうなことがわかった。良いものを選べば耐荷重は40kgになり、そこそこの大きさまで使えそうだ。現在使っている天井SPはB&W SOLID MONITORなので重量が2.3kgしかない。2本でも5kg程度なので、このぐらいなら問題なく行けそうだ。壁際から仕様どおりの位置に移動させることで、どれくらいの変化があるのか、全くわからないが、やってみなくては話にならない。YOUTUBEなどで、DOLBY ATMOS化したことを上げている方がいるが、そのほとんどが「天井にSPを追加すること」だと思っているようである。ほとんどメインSPの軸上の天井に付いてはいない。フォーマットを正しく理解せずに設置するのは、ただの自己満足だ。自分はまず忠実に仕様を守ることから始めたい。そうでなければ、語る資格がない。サラウンド再生は、センターSPとサラウンドSPが肝だと思っている。自分の場合、メインがB&W センターがマランツプロ サラウンドがDYNAUDIOとバラバラである。頭で考える人は「機種がバラバラで、音に違和感が出る」と言うだろうが、それは聴いていないからだ。サラウンドで機種の差は、そんなに重要じゃない。全機種同一なんて人はほんのわずかだ。それより配置やアンプの選択、鳴らし方のほうがずっと支配的だと思う。事実、サラウンドSPをB&WからDYNAUDIOに変えたら、広がりと空間のつながりが増した。同じメーカーより混合部隊のほうが良くなることもあるのだ。センターSPも同じ。古くはJBL4311の連結、WILSON WatchCenter、B&W HTM1などなどを使ってきた。どれも良いのだが、まだピタッとはまるものに出会っていない。センターに15~18cmの小口径ウーハーを持ってくると、どうも余裕が無くなってしまう。でも30cmの4311の白いウーハーは重く、反応が良くなかった。WatchCenter はSystem5と組んだが、18cmでは苦し気に回る1500ccのエンジンのようで、好みではなかった。音質も自分にはスキャンピークの逆ドームツイーターが合わないようだ。HTM1は、密閉型でクオリティーが抜群だが、小音量では実力が出ない。マラプロは、20cmの軽い紙のコーンにウレタンエッジで動きが良い。乾いた音で安っぽさは感じない。Mcintosh MC252が完璧に駆動しているからだ。このSP、プロ用だけあって丈夫だ。ウーハーのストロークも十分あって、爆発音などにも負けてはいない。すごくシンプルな設計が生きている。こいつを一度JBL4425に変えて見たいと思っている。量も質だと思う。
2025/1/7 Mcintosh MC7106 LED化
自分のMC7106は、どう見ても球切れしている。純正の球は7373でまだ十分入手できるが、AC14V 0.1Aの仕様だ。たぶん8本使っているとすると、11.2Wも食うことになる。これはかなりの消費電力で発熱もバカにならない。なのでこの機会にLED化してみようと思う。ebayで検索すると、すぐに見つかった。14V 20mA仕様なので2.2Wになる。これはかなりの省エネになる。送料込みで¥4613だった。MC7106は、同世代のMC7100の6チャンネルバージョンだろうと推測するが、同じ100W出力でも、ヒートシンクもデカイしパワトラの数も多い。より真面目な設計のようだ。7100のランプを見ると「12VAC」で点灯させているのが、わかる。LEDは直流でしか点灯しないが、仕様には「無極性」と書いてある。たぶんAC12Vをもらって、LEDの内蔵抵抗で電流制限し、波形の半分の時間だけ点灯させているのだと思う。50Hzでも人間の目には、半分の25Hzでも連続点灯に見えるはずだ。さてLED化すると、どんな光り方になるのか楽しみだ。ネットで調べても、この手の改造をやっている人は、いなさそうなので情報発信には、いいと思う。

2025/1/3 CELLO STRADIVARI LEGEND 音量不一致
今年の一発目は、去年導入したCELLO STRADIVARI LEGENDから。去年までプリとパワーの間にAPEQを挟んでいたが「CELLO ENCOREのバランス出力バッファーのほうが、性能がいいんじゃないか?」と思ってテープ端子に入れてみたら、左右の音量が10dB以上も合わなくなった。機器の異常は考えられず、使ったケーブルが悪いのだろうと分解してみた。APEQはバランス入出力しかないが、CELLOのテープ端子はRCAなので、市販のケーブルで変換している。怪しいとしたら、この変換部分しかない。音は出ているので、導通はしている。問題は音量に関係する部分だ。開けてびっくり!玉手箱。
このプラグの何が問題か、わかるだろうか。左は1番と3番が接続してある。右は3番がオープンだ。左は3番の反転信号がアースに流れるようになる。これが左右の音量差の原因だ。市販品でも製造不良はある。人の仕事を信じてはいけないのだ。今回は左の3番をオープンにした。接続しなおすと音量差は直っていた。めでたしめでたし。ついでにクリーン電源の聞きくらべを行った。高砂のAA330Fと光城 Mt-1000の対決だ。AA330Fは、クリーン電源と言ってもオーディオ用ではない。そのせいか全体にザラ付き感がある。ただし載せてる電源はメチャクチャ重いのでパワー感はある。光城にすると、力感は減るがクリアで静けさが増す印象だ。大きな差はないが、CELLOと合わせるならこっちだ。高砂はレイアウトを変更しスーパーウーハーの電源に使うことにする。MONOⅢは、省エネアンプなので、左右全開で鳴らしても、90W~170Wぐらいしか消費しません。なので1000Wまで使えるMt-1000なら十分間に合います。現在は、出力電圧101V 出力電流0.9A 内部温度28.9℃を示しています。1時間ぐらいでは、内部温度はほとんど上がりません。このように表示がついているのは、本当にありがたいです。表示を見れば、電圧異常や温度上昇がわかるからです。自分は、パワーアンプにメーターやバーグラフが付いているのが、大好きです。それは見ているだけで楽しいから。無表情なアンプは、音で勝負ですが、音以外の眺める楽しみもオーディオの楽しみです。CELLOのアンプは電源投入後1時間で本領発揮します。低域はブンと言うよりズンと言う感じで、同じ密閉型だったMcintosh XRT26を思い出しました。ソースを選ばすスッキリとした音が出ます。オーディオ始めて40年で、やっとここまで来たと言う感じがします。聞き疲れせず、でも解像度が両立した音です。MONOⅢとLEGENDの相性は抜群です。スコーカービビリも完治して、あとは少しづつ追い込んで行こうと思います。ただし何かを変更すると、同じ結果が出なくなるのが、CELLOの怖い所です。
2024/12/27 CELLO STRADIVARI LEGEND トライワイヤー化
STRADIVARI LEGENDのSP端子は、トライワイヤー対応になっている。現在は出所不明のジャンパーケーブルで接続されている。使用しているSPケーブルはチェロストリングスの1mだ。このジャンパーケーブルがどうにも気にいらないので、スコーカーのビビリも直ったことだし、自作しようと思った。だがジャンパーケーブルでは、どう考えても損失が大きい。なんとかトライワイヤー化できないものかと考えた。まずPOWER MONOⅢのSP端子は11mm以下のYラグしか入らない。そこでM8が入る穴が開いていて、外径が12mmの真鍮金メッキ丸タンを準備した。これで外径を11mmまで削れば接続できる。また同じケーブルを片側3本使いたい所だが、丸タンを3枚重ねるとさすがにSP端子に収まりそうもない。そこでZONOTONE 6NSP-Granster 2200αを2本束ねて丸タンに入れたら、なんとか入ったので、これとチェロストリングスを使い3本が完全に独立したトライワイヤーケーブルを作った。接続はチェロストリングスが低域で、ZONOTONEが中高域だ。通常のバイワイヤ、トライワイヤは、アンプ側が1つで、SP端子側が2つ、または3つに分かれる構造だ。しかも分かれるのはSP端子からせいぜい15cmくらいの所からで、いくら分岐しても15cm戻ると逆起電力の影響を受ける。しかも最後に分岐するので、元のエネルギーの1/2か1/3しかSPに伝わらないことになり、分岐が増えるトライワイヤは不利な構造になる。だからこの手のケーブルは、作りたくはなかった。自分の作った物はウーハー、スコーカー、ツイーターすべてに同じエネルギーが届く。さらに逆起電力の影響も最小限に抑えられるのだ。早速聞いてみると、音が出た瞬間から違う「なんだこりゃ、都会のねーちゃん見たいな音だ」とは良く言ったものだ。今まで低域がなんとなく、伸びない、立ち上がりが遅い、量感が足りないと不満があったが一掃されしっかりと伸びと弾力のある低域に変化していた。中域はさらにフォーカスが絞られ、自然で潤いのある声になった。高域までエネルギーが感じられる。このSPは2つのSPを結んだ線より奥側にボーカルが定位するが、さらに奥になり周りの楽器との位置関係が良くわかるようになった。今までより格段に鮮度が上がり、いろんなディスクを聴くのが楽しくなった。今回はSTUDER D730のアナログ出力をそのまま聞いているが、PURCELLとDELIUSが戻ってくれば、さらに緻密な音になるだろう。やっとMONOⅢで鳴らせる最高のパートナーに巡り合った。高い解像度の中に、ほんの少し薄化粧をしたようなCELLOの美音は、はまると中々抜け出せない魅力がある。今回は、SPスタンドもTAOC MST-30Hに交換したが、まずはしっかりとスタンドのガタを取り、振動板が正確に動ける環境を作ることが大切だ。どんなに高性能なスタンドでもガタがあっては、性能を発揮できない。高さが10cm低くなったが、ボーカルの定位する高さは、変わらない。あとは鳴らし込んで様子を見て、ウーハーのエッジを交換してみたい。
2024/12/26 Mcintosh MC7106
以前から欲しかったMC7106を購入した。状態は気泡もなく、錆もない。内部のホコリもそれほど積もっていない。パーツに異常は見られないので、通電してみることにする。パワーコントロールで起動した。アイドル運転でノイズもない。これは完調のようだ。グリーンパネルに光量ムラがあるので、球が3~4ケ切れているようだ。このぐらいは許容範囲だ。自分で交換すれば良い。赤いLEDのバー式パワーメーターもきちんと動作する。上級機種のように出力トランスは積んでないが、重量24kgとしっかり重い。バカでかいトランスは伊達じゃないようだ。幅は445mmだが奥行は508mmもある。これは余裕ある放熱性を確保するためだ。このアンプは6chすべてにパワーメーターがついているのがありがたい。どのシーンでどのチャンネルが、どのくらい動いているのがわかる。しかもLEDの明るさも連続可変できる。良く考えられているアンプだ。残念なのはバランス入力が無いことぐらいだ。
左が電源部。恐ろしくデカイ電解Cを積んでいる。出力段はチャンネル当たり3パラプッシュのようだ。保護回路も当然6台分積んでいる。回路図がないが、バイアス調整は出来そうだ。同世代のMC7100は2パラプッシュなので、同じ100W出力でも、MC7106のほうが強化されているようだ。内部は全くのオリジナル状態のようだ。発売期間が1992~1998年なので、最も新しい場合でも26年以上経過しているが、問題なく動くところは長寿命設計のMcintoshらしく、絶対の安心感がある。無理のない回路設計と低温度動作の賜物である。このアンプでサラウンドバックと4本の天井SPを駆動する。あとアンプ1台で映画用SPは、オールマッキントッシュ化できる所まで来た。もうひと頑張りだ。
2024/12/24 CELLO STRADIVARI LEGEND
ENCORE POWER MONOⅢで鳴らすSPを探して、やっと答えにたどり着いた。DYNAUDIOのユニットが自分の好みに合うのがわかり、オールDYNAUDIOユニットで何とか手が届いたのが、CELLO STRADIVARI LEGENDだ。3WAYの密閉型でピアノブラック仕上げ。中域、高域はソフトドームだ。ウーハーが30cm ミッドが7.5cm ハイが2.5cmで上級機と同じトライワイヤ仕様だ。
購入時に、歪が出るとのことで確かにピアノの短音でほかに音が鳴っていない時にわかるぐらいで、常時鳴っているわけでないので、ほとんど影響はない。問題はウーハーのエッジだ。見るからに白くなっていて、押しても弾力がない。密閉型なのでエッジにかかる負荷が大きいのだろう。劣化したエッジは車のダンパーと同じで、最初はしっかりストロークして応答性も良いが、古くなってヘタると、ストローク、弾力共に無くなるので乗り心地が悪化する。スピーカーも同じで、この樹脂ウーハーならもっと弾力のある低音が出るはずだ。エッジが硬いので、音の立ち上がりが全体に鈍くなっているのだろう。
ウーハーはファンテックさんでエッジ張替えが出来るだろう。ついでにミッドも見てもらおう。問題は、ソフトドームをどうやって梱包するかだ。少し勉強しなくてはならない。

周波数特性は、極めて優秀だ。中低域のアバレは、部屋のせいだ。高域は20KHzまできちんとレスポンスしている。問題の音質だが、色付けのある美音ではない。極めて色付けのない素直な音でこれはアンプと同じだ。MONOⅢで十分にパワーも入る。ソフトドームのおかげで高域に刺激がなく聞きやすい。では眠い音かと言うとそうではない。ソースの音をそのまま出すタイプで、ピアノの音などは、非常に綺麗に鳴る。ボーカルのタッチも柔らかい。MONOⅢは、壁コンから電源を取るとジージー音がして聞けなかったが、光城精工のMt1000 クリーン電源から取ったら「無音」になった。今日は、これが一番うれしい。鳴らし始めて1時間が経過したが、どんどん中高域が綺麗になって行くのがわかる。この辺はソフトドームのユニットが馴染んで来た証拠だ。低域のベースやドラムに変化はないので、やはりエッジのヘタリは深刻なようだ。高域のシンバルは最初、金属ぽさが無い音だったが、段々スティックの当たる感じが出てきた。プリ、パワー、スピーカーとCELLOで揃えたが、残るR-DACはハードルが高過ぎて無理そうだ。トランポもデザインが合うバークレーを手放したのが、今となっては悔やまれる。最後に弦楽器は絶品である。
ビビリ音は、左側のみから出ているのが判明。とりあえずユニットを外してみる。するとプラス端子の接着が剥がれ、グラグラしているのがわかった。マイナス側は異常なし。これが原因ならラッキーだが、ダメ元でエポキシで固めてみる。端子は少し緑青が吹いていた。ついでにカルダス製のコンタクトオイルでも塗ってみるか。これでダメならファンテックさん送りだな。ユニットは普通のプラスドライバーで外せるが、ユニットカバーは「ポジドライブネジ」なので、普通のドライバーではなめます。PZ2番が必要です。スピーカーの中の吸音材は、安いグラスウールでなく白いフワフワした感触のものです。密閉型なのでホコリが入らず新品のような綺麗さです。ついでに、どうみても純正でない手作りジャンパーケーブルも新規に自作することにした。使っているケーブルは細く詳細不明だし、何と言っても丸端子が産業用丸出しのスズメッキが気に入らない。自分は無酸素銅+金メッキを使いゾノトーンの6NSPケーブル 2スケを圧着する予定だ。すでに6NSPケーブルは持っているので、端子代だけで作れる。圧着工具も持っているので、品質のバラツキもない。きっといいものができるはずだ。今のはどう見ても0.5スケ程度が2本使いで1スケぐらいなので、2スケにすれば低域の量感も変わってくるはずだ。エッジ交換前にやれることはやって見よう。あとはSPスタンドが問題だ。大きさはちょうど良いのだが、床側の土台に調整機構がないので、ガタが出るのだ。床も震災で部分的に歪んでいるようだ。これも対策せねばなるまい。良い音とは、地道な1つ1つの積み重ねが大切だ。いきなり激変などするはずがない。
エポキシが乾いたので、ユニットを取り付ける。ここで左右を入れ替える。左のユニットがビビるので右に移れば、ユニットが悪い。移らずにビビればネットワークが悪いことになる。果たしてどうか?結果は、左右ともビビらない。やはり端子のグラ付きが悪さしていたようだ。ついでにSPスタンドも高さ30cmのTAOC MST-30Hに交換した。TAOCお得意の制振子が付いている。やはりこれも効果があり、音がピラミッド型にしっかり構築され、細かい音も良く聞き取れる。さて次は、ジャンパーワイヤの製作に取り掛かろう。本当はトライワイヤーケーブルが良いのだが、ENCORE MONOⅢのSP端子は、昔の真空管アンプに逆戻りしたようなネジ固定式なので、幅の広いYラグが使えない。裸線は、危ないので使いたくない。レビンソンは、いつも変な端子やコネクタを使いたがるので、汎用性に欠け困ることが多いです。
2024/12/24 東日本大震災の防音ドアへの影響
オーディオルームには、クラスAの防音ドアが2枚ある。東日本大震災の後から、音漏れがするようになっていた。自分でいろいろやったがドア本体とゴムパッキンの間にスキマができているが、その原因が何かずっとわからなかった。ドア自体の調整をやり過ぎてヒンジが壊れて来たので、交換する時に大工さんに見てもらった。手持ちのレーザー水準器で測ってみると、ドアの窓枠自体が対角線状に歪んでいるのがわかった。窓枠は柱に付いているが、どうもその柱が少し沈んで、それといっしょに窓枠も沈んだらしい。沈むだけなら平面性は確保されるが、嫌なことにすこしねじれたような形になっているそうだ。なのでドア本体の平面は出ていても窓枠のパッキンが平面でないので、スキマが出ているとのこと。残念ながら、これは柱を持ち上げるか、窓枠自体の作り直しになってしまうそうだ。さすがにそこまでの財力はないので、あきらめることにした。ただドア本体を削ったりして、出来る限りの調整はやってもらったので、閉まりは劇的に良くなった。今までわからなかったことが、わかっただけでも良しとしよう。うちは幸い壁にヒビは入ったが、倒壊せずに済んだので、不幸中の幸いだ。
2024/12/22 B&W ASW700 周波数特性
B&W ASW700の周波数特性を測定してみた。驚いたことに-9dBで300Hzまで出ている。これじゃメインSPにそのまま足し算したら、ボコボコの音になって当然だ。素の状態が緑色で30Hzがほぼ0dB、20Hzは-8dBぐらいか。20Hzだとほとんど振動としか認識できないレベル。メインSPとは、80HzでクロスさせるようにAPEQでターゲットカーブを作って演算させると、ほとんどターゲットカーブと同じカーブになった。-12dBぐらいの遮断特性に出来た。もちろん高域はカットしたので150Hz以上には、影響が出ないはずだ。今までは80Hzのピーク音を聴いていたが、今度は、ほぼフラットな特性になったので、低域のキレが増してダブ付きは無くなった。ただまだまだメインとのつながりには満足できない。AVプリでクロス周波数の指定を80Hzにしても、実際の遮断特性が見られるわけではないので、ASW700とどんなふうにつながっているかは、わからないのだ。世の中には、すべてのSPの周波数特性とそれが同時に発音した時の特性を見られる装置があるのだろうか?あるなら一度は、お目にかかって見たいものだ。AVプリは、距離やレベルを簡単に調整できるが、各SPの周波数特性を思い通りにいじれるものはない(はずだ)。映画の時は、メインSPを80Hzで切って使って、音楽はフルに使う。そんなことが簡単に切り替えられる技を、思い付けばいいのだが。メインSPは音楽用に補正しているので、フルに下まで伸ばしている。わかった! APEQを2台使って1台はプロセッサーループに入れて、音楽用に使い、もう1台をプリアウトに入れて映画用の補正をすればいいのだ。これなら補正カーブを使い分けられる。APEQには「BYPASS」モードがあるので、音楽を聴くときには、プリアウトにつないだほうを「BYPASS」すれば、全く影響が出ないのだ。我ながらナイスなアイディアだ。早速、やって見よう。

2024/12/21 サラウンドアンプ不調
サラウンドアンプのONKYO PA-MC5500 9chアンプが不調になった。発売が2010年10月ごろなので、すでに14年選手だ。こいつは200WX9chのアンプでなかなか骨のある音を聴かせるが、無音の時にプチプチと数秒ほど異音が出てくるようになった。プリ側なら全chからそうなるはずで、サラウンドにしか接続してないこいつが犯人に間違いないだろう。AVアンプは、オーディオ用の2chアンプのような余裕のある作りにはなってないので、寿命は短いだろう。どうしようと思っていたら、マランツのMM-7025と言う2chのステレオアンプが余ったいることに気づいた。しかも2台ある。これならサラウンドとサラウンドバックを任せられる。幸いにも天井にある4つのSPからのプチプチノイズは聞こえない。これはラッキーだ。MM-7025には、12VトリガーがあるのでAVプリに連動して電源が入り切りする手軽さもいい。とりあえずJEFF 102は1回見送ろう。

めでたくAVプリから3台のパワーアンプの12Vトリガー連動は成功した。ただしこれは簡単なようで簡単ではない。マランツのプリとONKYOでは、素直にトリガーケーブルをつないだだけでは連動しない。左側のMM-7025の上に乗っている白い小箱がそれで、マランツのトリガー信号を受けると、小箱が起動し再度DC12Vを電流値を上げてONKYOに送り出している。同じメーカー同士でないと、単に12Vトリガーだからと言ってすべてうまく行くわけではない。自分は何故ONKYOが連動しないのか解析して、この小箱を作った。これを入れてからは、途中でONKYOが落ちることもなく快調である。MM-7025にはトリガーのINとOUTがあるので、数珠つなぎにしてもちゃんと下流の機器も動いてくれる。AVアンプのメーカーを統一して使えば何の問題もないが、組み合わせて見るのも面白いものだ。ちなみにPA-MC5500には、トリガーINしかないので、ここから分配することはできません。

センターSPをMZ-S01にして「ダイハード」4K版を試聴。4Kだからと言って、現代の映画のような画質にはならないことを知り、ちょっとガッカリ。だが気が付いたことが多数。ちょっと低音がセンターに入るとゴソゴソ言う。ウーハーを見ると、飛び出しそうな勢いで前後している。バスレフポート以外からも「シューシュー」と音がする。何だかわからなかったが、最初のゴソゴソ音はウーハーの底着きだった。設定を見るとフルレンジで使っていた。こりゃダメだ。B&W HTM1の時は大丈夫だったのは、さすがB&Wだ。早速センターSPのクロスを80Hzに変更して結果良好。もう1つのシューシューも原因判明。このSPはプロ用のモニターでいろんな場所に設置するための、メネジが4つ開いており、それがエンクロージャーとつながっているのだ。なのでウーハーが急激に動くと、この穴から空気が出てきてシューシュー言うのがわかった。こっちはメネジを探すしかない。調べたらM8だった。さらにメインSPもフルレンジから変更して60Hzでサブウーハーに任せることにした。やってみると「サブウーハーはアドオンだとうまく行かないよ」と教えてもらったので、サブとメインで1つのSPになるように調整してみた。やってみるとメインの負荷が減ったせいか、中高域がスッキリした。これは大正解。サブは、そのまま出すと迫力はあるが、締まった音にはならないので、いずれAPEQを入れて、低域も補正してみようと思う。そう言えば、サブウーハーの周波数特性は測ったことがなかった。まだまだやるべきことはたくさん残っているようだ。センターSPの高さも上げて、よりセリフをスッキリと聞こえるようにやって見よう。
2024/12/19 MZ-S01 イコライジング
センターSPをMZ-S01に変更して、良い感触を受けたので、本格的に取り組むことにした。まずは測定と補正だ。さすがに20cmウーハーが2発だと低域の量に不満はないが、床、壁に近いので低域は盛り上がっているだろうと思っていたら、その通りだった。緑が裸特性だ。50~300Hzぐらいが9dB近く盛り上がっている。高い方は2~7KHzぐらいが凹んでいるが20KHzまで、それなりにレスポンスがあるので、ツイーターもきちんと動作しているようだ。そこでセンターSPように、声の帯域の500~4KHzまでをなだらかに3dBほど持ち上げるターゲットカーブ:水色を作って、演算させた補正後の結果がオレンジ色だ。低域の盛り上がりは完全にはなくせないが、ターゲットカーブに沿った特性になっているのが、わかる。これで映画を見て見ると、声の感じは素直で高域のキラキラ感もなく、いい感じになった。アンプの出力はだいたい中央の2.5Wを常時使っている。アンプはステレオ駆動でセンターSP1台づつを鳴らしている。このスピーカーは音離れが良いので、セリフが下に引っ張られることなく、声が中央付近で聞こえてくるので、映画を見ていて違和感がない。軽いコーン紙のおけげで反応が良い音が聞こえる。これはいいスピーカーが余っていたもんだ。以前、JBL4311アルニコでも同じことをやったが、今回のほうが、はるかにまとまりが良い。ただ単に大きいとか高価だけでは、うまく行かないのがオーディオである。

2024/12/17 CELLO ENCORE POWER MONOⅢで鳴らすSP その2
DYNAUDIO EMIT M20は、なかなかの実力機で、特に中高域の質感が気に入った。ソフトドームツイーターの音が自分の好みに合うようだ。ならばもう少し大きなものが聴きたくなったが、これがちょっと人気のある機種になると、2WAYでも100万近くになってとても手が出ない。DYNAUDIOは、中域のスコーカーもソフトドームタイプを使用している機種があるが、こうなるともう手も足も出ない。ほとんどあきらめかけていた時に、たまたま自分の条件にピッタリなSPを見つけた。なんとオールDYNAUDIO製ユニットを積んだ3WAYのブックシェルフ機だ(メーカーとしてはフロア型の扱いをしている) しかも何とか手を出せる価格だ。外形寸法はW380XD300XH680 仕上げはピアノブラック 密閉型 トライワイヤリング対応。さて何でしょう?
大きさ的には、DIATONEのDS-10000がW360XD290XH625なので一回り大きく、重量も10kg重い37kgある。DS-10000の純正スタンド DK-10000は高さが275mmだが、自分は座った時にスコーカーの高さを耳の高さに合わせたいので、高めの400mmを選択した。この辺は好みの問題だろう。売却する機材で部屋が埋まっているので、まだまだ音は出せそうもない。
2024/12/15 センターSP変更
先日、ウエスギのUAV-1をメンテして、いろいろ勉強になった。このアンプのコンセプトは、帯域制限した出力トランス(ただし特性上は20KHzまでフラット)に、少ないNFBを組み合わせ、生き生きとした声を再現する、と言うものだった。自分のセンターSPに求めるものは、まさしくこれで「反応が良く色付けがなく素直で、かつ音離れが良いこと。帯域は広くなくてもいい」音離れが良いのを求めると、ホーン型になるがホーン特有のこもった感じは好きではない。今使っているHTM1は、良くできたSPだが、ちと優等生過ぎる気がしてきたのだ。3WAY4SPで、帯域はフラットでパワーも入る。だが密閉型なので、どうしても微小入力の反応は鈍くなる。大音量が前提の設計なのだろう。そこでいろいろ調べたら、手持ちのマランツプロ NZ-S01が良さそうだと思ってきた。HTM1より大きい20cmウーハー+フロントバスレフ しかもウーハーはフルレンジで使用して、7.7cmツイーターはフィルムコンデンサで低域カットするだけのシンプルさ。内部の吸音材も最小限。クロスは2.5KHzで女性の悲鳴以外は、すべてウーハー帯域で賄える。能率も8Ωで87dBと悪くはない。周波数帯域は35~20KHzと申し分ない。早速HTM1からつなぎ換えて見る。普通に考えたらペアで3万の中古にしたら、グレードダウンになるが、そうはならないのが面白い所だ。聞いた感じの能率は、ほとんど変わらない。APEQのカーブはHTM1用のままで試聴開始。最初に感じたのは、やはり微小音の再現性が抜群に良い。本のページをめくる音、カツカツと近づいてくる足音などHTM1でも出ているが、こちらのほうがよりリアルだ。声の通りも良い。思ったような粗さは感じない。3年近くも眠っていたSPなので、しばらく鳴らせばもっと実力を見せてくれるだろう。このSPは鈴木哲氏が監修しただけあって、侮れない実力を持つ。屈託なくスパーンと乾いた音で鳴るのは、得難い個性だ。ツイーターはバッフル面より1段落とし込んで設置してあり、リニアフェイズになっている。こういう所もプロ用のモニターSPとしての、さりげない作り込みだろう。今回、上位機種のNM01を手放して、こちらを残したのは正解だったと思う。NM01のほうが、金がかかっているが、自分はMZ-S01のシンプル差が好きだ。これを真空管アンプで駆動すると、どうなるだろう。興味は尽きない。明日は、とてもめずらしいSPを買いに行く予定です。
2024/12/6 ウエスギ UAV-1 OH完成
ヤスリでガリガリ必死で削って、やっとパーツの取り付けが完了した。筐体を傷つけずに加工できて何よりだった。今回は、中身の詰まった状態で加工したので、なかなかの難易度だった。左がネオンパイロットランプ 110V仕様の赤発光タイプだ。輝度が高くないので、AV用途にはピッタリだと思う。白熱球もそうだが、こういうアナログ的な物のほうが、雰囲気は出る。同時に足をタカチ製のアルミ削り出しに交換した。高さを上げて通風を良くなったのと、筐体を支える安定度が増した。中央が直出しのAC線を小さいゴム足で塞いだのと、使用しなくなったRCA端子にはキャップを被せた。右が一番大変だった、ACインレットとXLR端子の増設。どちらもフルテックのロジウムメッキ品で金かかってます。違和感なく付けられたのは、アンプ内部の余裕ある設計のおかげです。筐体は小さいが空間と放熱性は良く考えられている設計になってます。さすがはウエスギです。底板をとめるM3ネジにもナイロンワッシャーをかましてあり、締め付けても塗装が剥がれない配慮など、日本製はキメの細やかさが違います。
元の作りが素晴らしいので、自分も元の良さを壊さないように綺麗な配線を心掛けました。最短距離で直線、直角を守る配線です。電解Cは、取り外して容量を測定すると、20年も使っただけあって相当ヘタってました。黒い電源部のコンデンサは、ルビコン製、青いバイアス用のコンデンサはVISHAY製で、それぞれ85℃から105℃品にしました。電源用は33μF 450Vが8本。バイアス用が47μF 100Vが2本。コンデンサの高さを揃えて実装するのは、簡単そうで実は結構難しい作業です。本家並みとは言えませんが、そこそこうまく出来ました。その他のフィルムコンデンサも新品に交換し、リフレッシュしました。このアンプはセルフバイアスなので、マッチドペア球を使えば調整なしで使えます。20年以上も前の製品で、出力22Wで価格も22万円。ただしモノラルアンプのセンターSP用。割と発売期間が短かったので、使っている人も少ないと思います。センター用ということで、周波数特性も特殊らしい。では測定に入るか。ボリュームを飛ばして、XLR2番入力にしたので、音も変わっているはずだ。さて、どうなったでしょうか?
2024/12/5 ウエスギ UAV-1 加工が大変だ
今回の依頼はOHだが、それ以外にACインレット、XLR端子、パイロットランプの追加がある。この手の改造は、通常は実装前に行うもので、実装後は難易度が上がる。今回は、さらに困難な問題が発生した。穴開けにはボール盤を使うが、ヘッドとワークのスキマが取れず、3mm径のドリルしか使えないことがわかった。これより太いドリルは、チャックに底付きして筐体と干渉してしまうのだ。さらに通常はワークをバイスで固定するが、筐体がデカくて全く掴めない。結局、左手でワークを固定し右手でドリルハンドルを操作すると言う離れ業に挑戦するしかなかった。従って思うような位置に、思うような穴を開けることができないので、マスキングをしっかりやって、あとはひたすらヤスリで削っていくしかなかった。これには参った!
一度仕事を引き受けたからには、最後までやり抜くのがプロ。ほとんど腱鞘炎状態になりながら、なんとか削って加工した。こんな原始的な方法で、加工するのは自分ぐらいだろう。これも仕事で鍛えた追加工の技があればこそだ。ヤスリ1本で、キッチリした寸法に抑えるには、それなりの経験が必要です。なんとかACインレットは付きました。次はもっと大変なXLR端子の加工です。ヤスリで丸く精確に削るのは、最も難しい作業です。さあ、頑張って仕上げるぞ。
2024/11/30 DYNAUDIO M20 純正スタンド
純正のスタンド STAND2を追加した。高さは60cm、昨日まではONKYO製の50cm。材質も高さも違うが、STAND2の勝ち。より音が緻密になる。このスタンドは良く出来ていて、底板に穴があり、2本のパイプの片方の天板近くにも穴があり、SPケーブルを通せるようになっている。まだセッティング中なので使ってはいない。このスタンドは重さが12kgあり、ガッチリしている。スパイクもあるのでガタ付きなくセットできる。ついでに今までマランツプロを置いて所まで、前進させなるべく周りの空間に余裕を持たせたことで、奥行表現が改善された。音がSPにまとわりつかないので、曲によっては、SPが消えたように聞こえる。ただ昨日は調子良かったが、今日は何かが原因で、MONOⅢ単体で電源を入れると、ジージーと音がする。乾燥機をかけていると音が大きくなるので、乾燥機が原因の1つだが、乾燥機が止まってもジージー音が小さくするので、また電源の取り方には、苦労しそうである。地道に答えを探すしかない。小さいSPだが、実力は侮れない。ますます上位機種が気になる。

2024/11/28 DYNAUDIO EMIT M20
CELLOのMONOⅢ用に選んだ。M20が届いた。小さいが仕上げも作りもしっかりしている。ほとんど新品のような良品だ。感度:86dB ●インピーダンス:4Ω ●周波数特性:50Hz~23kHz●外形寸法:W215xH355xD265(mm) ● 質量:7.5kg/台がスペックだ。マランツプロのNM01にそのまま置き換えて、まずはアンプ系はつなぎ換えずYOU-TUBEの音源で鳴らしてみる。高域はソフトドームなので確かに刺激成分は少ないが、ソフトドームだからというネガティブさは感じない。驚くべきは、低域である。サイズをはるかに超えたしっかりと骨格のある低域が出てくる。量的にもサイズの大きいNM01を凌駕しれいる。これは不思議な感触だ。ボーカルはセンターに小さくまとまりブレがない。低域の特性がNM01と大幅に違いズーンとくるので、APEQの補正カーブは、測定しなおす必要がある。WILSON BENESHEのスピーカーが気になっていたが、まずは一時停止してコイツと遊べそうだ。クセがなく、何でも鳴らせそうだ。しかし本当に低域方向の伸びには、驚きだ。絶対にサイズからは想像できない。ハイハットなどの分解能もソフトドームの特長が生きる。凄く繊細な音が出せる。初めてDYNAUDIOを聞いてみたが、これは正統派の音で、ハマると抜け出せない魅力的な音だ。決して個性的ではないのだが、自然体で聞かせる素直な音が、耳にやさしいのだ。これはマジで、CELLOで鳴らしたら、大バケしそうな気配がある。スピーカーメーカーが、この会社のユニットを使うのが良くわかる。この上位機種も聞いてみたいが、お値段が跳ね上がり、退職老人には手が出ないのだ。
早速CELLOで鳴らす準備をした。大元の100Vはパワープラントプレミアから供給する。
電源はCSEのゼロクロスSWで制御する。この手のものを挟むとうちでは、必ずノイズに悩まされるが今回は大丈夫だった。自分はバランス派なのでD730のバランス出力をORBのセレクタにいれて、ENCOREにはバランスで入力する。ENCOREには、バランス受け用の専用バッファーアンプがあるので使わない手はない。内部がアンバランスだからと言ってかたくなに使わないなんて言う意固地な考えはない。良ければいいだけの話だ。だいたいMONOⅢには、フィッシャー入力しかないので、アンバランスで出しても使えないのだ。自分はフィッシャー XLR変換プラグで対応している。MONOⅢと300Bシングルが同居するのが、うちのシステムで、これでスピーカー1台当たり、すべて専用のセパレートアンプで駆動することになった。マッキントッシュC46,カウンターポイントSA3.1,CELLO ENCOREをそれぞれ使い分ける。さて肝心の音だが、マランツのAVプリ+MM7025とは、当たり前だが比較にならない。広がる空間、透明度、分解能全てが高い次元で調和する。やっぱりCELLOは凄いわ。これは頑張って、APEQの測定までやらねば本来の音にならないだろう。
2024/11/27 ウエスギ UAV-1
ウエスギ UAV-1 このアンプをご存じの方は、少ないであろう。ましてや所持している人はもっと少ないだろう。ウエスギがAVセンターSP用に開発したほぼ幻と言っていいアンプだと思う。検索しても外観は出てくるが、内部の写真など皆無だ。その貴重なアンプを借用することができた。感謝!。このアンプはモノラルパワーアンプで、筐体は小さく6L6WGCのPPでたった22Wしか出ない。発売は2001年頃で、ワンオーナー品ですでに23年は製造から経過しているので、何らかの不具合が出てもおかしくはない。
作りは、さすがはウエスギでどこにも手抜きがない。筐体も見た目より頑丈だ。天板と底板には、穴が開いていてきちんと出力管の放熱対策もしている。どこかのアンプのように空気抜きがないアホな設計とは、違う。
球はECC83,ECC82,6L6WGCで、それぞれGE,フィリップス、ソブテックだ。球の足に錆が見られるので、結構使いこんでいる。電気が通るところは、熱を持つので金属は酸化しやすくなるので、足を見ればだいたいの状態はわかるものだ。
これが本邦初公開の内部写真だ。素晴らしい!ほぼ芸術の域に達してますな。無駄な配線はなく、最短距離で接続されてます。出力トランスからSP端子を結ぶ斜め線など、惚れ惚れします。回路図から実際の配線に移行する段階で、余程煮詰めないとこんな配線はできません。さすがプロは素晴らしい。電源は整流ダイオードとコンデンサで平滑化。出力段は、抵抗で自己バイアス方式なので、ペア管に交換すれば、そのまま使えます。カソード抵抗は1KΩの10Wセメント抵抗を使用してます。電解Cはさすがに汎用品で85℃品が使われてます。ここは現代の技術で105℃品に交換したい所です。また抵抗類もマーキングが薄くなっているので、それなりに熱の影響は受けてます。気になったのは、電源ONのパイロットランプは切り忘れ防止にあったほうが、良いと思うが。ボリュームも全開で使うなら飛ばしたほうがいいし。23年も経っているなら、DCオフセットもズレてるだろうと思い、無入力、無負荷で8Ω端子で測定したら、残留ノイズはゼロ。素晴らしい!しかもトランスもうなりもジージー音もしない。驚きの高性能アンプです。さて22WでうちのB&W HTM1がどう鳴るか、楽しみです。8Ω 90dBとスペック上は鳴らしやすいですが、密閉型のこいつは手強いですぞ。
2024/11/23 CELLO ENCORE POWER MONOⅢで鳴らすSP
CELLOのMONOⅢは、たった2つのパワトラしかないAB級で60Wの小出力アンプだ。なのでデカイ38cmウーハーなどは駆動できないし、極端に低いインピーダンスのSPも苦手だ。クオリティー的には、素晴らしいものがあるが、何せSPを選ぶ。今までいろんなSPを組み合わせたが、どれもイマイチで消えて行った。制動力はないが、高い方のレンジは素直に伸びているので、ハードドームのツイーターと組み合わせると、時にきつくなりすぎる場合が多かった気がする。そこで今回は、初めてソフトドームツイーターを搭載する機種に挑戦してみようと思う。古い人間なので、ソフトドームと言うと、ヤマハのNS1クラシックやビクターのSX500シリーズが頭に浮かぶ。ただ両方とも相当年季が入っており、程度の良いものを手に入れるのは難しそうだ。そこで調べたら「DYNAUDIO」がソフトドームを採用していることがわかった。DYNAUDIOは使ったことがないが、通好みの渋いSPを作るメーカーだと思っている。忠実で正確な音だが、ソフトドームのおかげで音色の色分けが得意なSPと言う印象で、MONOⅢには、ぴったりな性質だと思う。MONOⅢを持っていて、JBLなどのホーン型や古い楽器型のSPと組みわせる人はいないだろう。アンプの良さを生かすなら、SPは現代的で素直な性格のものを選択するはずだ。DYNAUDIOは初めてなので、まずは小さいブックシェルフから挑戦しようと思う。ただしSPスタンドは純正のしっかりしたものを使うつもりだ。スタンド込みで音は作られていると思うからだ。ヤワなスタンドでは性能を発揮できないことは、十分に経験している。これでENCORE 1MΩも復活できる。車といっしょでオーディオも毎日使うことで性能が安定する。特にSPは、動かさないとエッジが良い状態に戻るのに時間がかかるものだ。さて新しいSPは、何になるでしょう?
2024/11/22 QUADⅡ FORTY 修理6エージング
エージングは大切だ。テストベンチでは、底板を外して電圧や温度を測るので、実際に設置された時より、大抵は条件が良い。なので実際に音を出しながらでないと、わからないことはたくさんある。温度は当然だが、機械的な歪も影響する。パーツが基板の上に付いているか、下に付いているかでも違いは出る。今回は、万全を期して、ベンチテストを1時間実施した。魔の10分間は越えたので、カソード抵抗電圧は安定領域に入っている。あとは温度飽和まで持てば問題ないはずだが、ドキドキする。音を出しながら、異常がないかを常に確認しているので、ボーっとしているわけではない。Rchは、cello DUET350の影に隠れて見えないがちゃんと音は出てます。センター定位はバッチリだし、ノイズもない。同じ交流点火でも300Bシングルより残留ノイズは小さい。パワーがあるだけ、骨格のしっかりした音が出ている。音出しを1時間やって異常がないので、これで納品に行ける。やれやれ。

2024/11/21 QUADⅡ FORTY 修理5 落とし穴からの脱出
カソード抵抗が飛んで、一発で原因を突き止められる人はプロだろう。自分はセミプロ?なので、いくつか仮説を立ててみた。
・KT88のグリッド-カソードが短絡し高電圧が流れた。この場合、一時的に高電圧が流れるのでコンデンサが爆発するはず。 だがKT88は新品なので「G-K」は、あり得ない。2回連続でR14が損傷しているので、原因は残っている。
・C6が接続されてないと、交流成分が全部R14に入力される。自己バイアスは、バイパスCが無くても動作する。出力が下がらないようにする効果があるだけなので関係なし。
・KT88ヒータ電圧異常 ヒータ電圧は、AC6.6~6.8Vで高めだが正常。
・電解Cの絶縁抵抗値 球を全部刺した状態でSW OFF時(通電はしていない) ヒューズありで測定 Lch C7:11Ω C8:測定不能 Rch C7:116Ω C8:110KΩ どこかで絶縁が切れているのか?
・電解Cの絶縁抵抗値 球は全部刺した状態でSW OFF時 ヒューズなしで測定 Lch C7:11Ω C8:225KΩ Rch C7:234Ω C8:225KΩ LchのC8は復活した。C7側に何かありそうな気がする。
・C7のマイナス端子につながっているシャーシアースを外すと、MΩ代に復活する。これは絶対何かがおかしい!
左上がシャーシアース部分のパーツ。このアンプはシグナルグランドとシャーシアグランドをつないでいる。これは一般に良く行われることで問題にはならない。10Ω抵抗と0.1μFを並列につないでシャーシに落としている。これを電解Cのマイナスにつなぐと絶縁が切れるということは、電解Cのプラス端子につながる線がどこかで、こいつとつながっているのではと考えた。電解Cのプラス端子につながるのは2本しかない。1本はチョークでこちらはつないでも離しても変化なしなのでシロだ。もう1本は、赤い信号線だ。回路図を追って、テスターで調べるとR6とR7あたりで、どうも接触しているように見えるが、表に配線はない。もしやと思って基板を剥がしてみたら、R6とR7の間は、ハダカの柔らかいハンダ線みたいので接続されている。しかも線の長さが長く基板の金属ポストの穴まで届いているではないか。間違いなくこいつが犯人だ。依頼者の所でも最初は音が出たと言っていたので、動作時の温度膨張で接触したのだろう。そして冷えるとまたギリギリ絶縁が回復したに違いない。自分もグリッドやヒータ電圧、DCオフセットなど一通り計ってから火は入れている。冷えている時は、接触しないのでデータは良いのだ。これは自分のミスが原因の故障ではないが、抵抗を飛ばす前にもっと調べていれば防げたかも知れないことが、悔やまれる。左がLch対策後でR6とR7を赤い被覆線で結んだ。中央がRch基板を外した所、今度は基板の端まで寄っていて、シャーシと接触しそうだ。結局、このアンプは何も考えないで設計されてるのに近い。こっちもヘタすると抵抗を飛ばす所だったが間に合った。このハンダ線を切断し、基板の表から赤い被覆線で結んだ。これでもうショートは起きない。
Lchが完成したので、カソード抵抗間電圧と温度上昇を測ってみた。1時間計測し左が温度、右が電圧。温度は60℃以下で飽和しているので、使用上の問題は全くない。また電圧も38~39V付近で一定しているので、球の安定度も申し分ない。劣化パーツを新品にしてバラツキを最小にし、球もピカピカのマッチドペアなので、これが本来の性能だろう。定期的にこの測定をすることで、真空管の状態をある程度は掴めるはずだ。これで1台完成だ。やれやれ古いアンプには、いろんな落とし穴があり、勉強になりました。古いアンプでも設計がしっかりしていれば持つが、ダメなら新しくても壊れると言うことだ。マッキントッシュやマランツの真空管アンプが今でもちゃんと動くのは、その時代の設計者が優れていたからだし、使ったパーツが長寿命だからだ。
2024/11/20 QUADⅡ FORTY 修理4 落とし穴にはまる
いい音が出て、自分では完璧に仕上げたつもりだったが、落とし穴にはまった。音出し10分で、なんと煙が出てきたのだ。何で?入出力波形だって、こんなに綺麗だしノイズもない。なのに390Ω 15Wのメタルクラッド抵抗が吹き飛んでいるではないか。本来メタルクラッド抵抗はシャーシに放熱して使うものだが、空中で使っても容量の1/3の5Wぐらいは十分行けるはずだ。この抵抗にはほぼ37V前後の電圧がかかる。なので計算上は、3.5W程度の電力にしかならないので、抵抗が飛ぶことはあり得ない。また温度も上がってもせいぜい60~70℃程度のはず。ハンダが溶けるような温度には、絶対ならない。ハンダが溶けるには最低でも180~200℃ぐらいは必要なはずで、いったいどのくらいの電圧または電流が流れたのか、想像もつかない。入庫した時、このR14抵抗は破損していて、交換すれば直ると思っていたが、どうやらそうではないようだ。この続きは、また次回に。
このアンプは、機構設計上、いただけない点が最低3つある。1つ目は、組み立て性。写真のようにトランス固定ネジがシャーシの底板止め部に当たって、斜めドライバーになるのだ。これは機構設計では絶対やってはいけないことで、生産現場から絶対改善すべきと問題提起されたはずだが、設計部が無視したと思われる。2つ目が重量に合わない足。ゴム足が両面テープで貼ってあるだけなのだ。なのでアンプが重いので、段々とズレて最後は取れてしまうのだ。さらにズレることで、底板が変形するのだ。これが純正の設計とは思えない品質だ。そこで自分はタカチのアルミカバー付きゴム足を底板と共締めすることにした。これで足の問題は解決できる。底板は曲がりを修正し、両面テープの残りカスも可能な限り除去した。見えない所まで、綺麗にするのが仕事だ。3つ目は発熱が多いアンプなのに、底板以外に穴がなく、熱の逃げ場がないのだ。通常KT88のような出力管では、シャーシ天板を2重構造にして、2段目にソケットを付け、天板に穴を開けて真空管の周りから、空気を抜くような配慮がない。この辺は設計の新旧に関わらず大出力アンプでは、当然のことだと思うが。その点、日本製のキット製品などは、本当に良くできていると感心する。以上のように筐体構造に問題があるし、熱的にも問題があるので、メンテされず捨てられた個体も多い気がする。さらに隠れていた設計上の問題があり、それが今回の抵抗破裂につながるとは、夢にも思わなかった。さて意外な犯人は、どこにいたのか?
2024/11/13 QUADⅡ FORTY 修理3
今日は頑張って完成させるぞ!まずは焼損した青いケーブルを張り替える。下が焼損したもので元は青だが、焦げてほとんど黒くなっている。そこで0.65mmの耐熱単線を用意し張り替える。どんなに短い配線でも手は抜かず、きっちり直線直角に仕上げる。
電解C周りの配線を慎重に進める。この時点では整線しない。まだ動くかどうかわからないからだ。電解Cを表面に実装したが、割と違和感はない。
最初に整流管を刺して、KT88への電圧をチェック。つぎに初段を刺してヒーター電圧をチェック。最後にKT88を刺して異臭や異常過熱がないことを確認し、1KHz 1Wの歪率を測定。短時間だがメタルクラッド抵抗の温度も40℃以下なので、問題ないようだ。ほかの抵抗やコンデンサの温度も一通りチェックする。
まだ音を出してないが、ほぼ完成。真空管は全部新品に交換した。全く曇りのない新品の真空管は、見てても良いものだ。あとは足を直して完成になる。このアンプは重量があるのに、足が問題なんです。
試しに片chだけで音を出してみた。期待してなかったが、メチャクチャいい音だ。これはびっくり!DCオフセットは8Ω端子でゼロ。なのでハム音も聞こえない。抜群のSNに支えられたパワフルサウンド。これは、ハマる音だ。
2024/11/12 QUADⅡ FORTY 修理2
今日は電解Cの仮実装を行った。いろいろ配置を試したが最終的には、写真の配置になった。基板固定用のネジがあるので、少し左よりの場所しか空いてなかったからだ。この場所のほうが、以前と違い密閉された空間で熱がこもることもないので、実質的な寿命も延びるはずだし、底板を開ければ電解Cの膨らみを目視できるので、予防メンテも可能になる。あとは47Ω抵抗をDALEに交換した。熱が加わるR13、R14の390Ω抵抗は、電流の流れを良くするため、スズメッキ線を2重に巻き付けた。まだメタルクラッド抵抗が入手できてないので、実装待ちで今日は終了。自分はプロじゃないので、集中力が続くのは2~3時間程度だ。ただし気が付いたところは、きっちりと直す。真空管は全部新品にするし、パーツも交換、配線も可能な限り引き直しするので、以前よりフレッシュな音になるはずだ。当然、左右の特性差も少なくなり、モノラルアンプ本来の音が聞けるだろう。
午後、メタルクラッド抵抗が届いたので取りつけた。本来は390Ω 5Wだが15Wに上げた。メタルクラッド抵抗は本来シャーシ止めしたときに本来のW数まで使えるが、今回はシャーシに取り付ける場所がないので、自然空冷で3倍の熱容量にした。これで十分だと思うが、慣らし運転時に発熱もチェックする。以前アンプのオーバーホールを依頼した方と打ち合わせしてたら「慣らし運転はしないでいい」と言われたので、依頼を断った。慣らし運転は絶対に必要なのだ。何故かと言えば、人間がやる仕事に完璧はあり得ない。必ずミスはつきものだ。アンプのように熱を発するものは、冷間時に音が出ても、暖まってきて機械的な寸法変化で音が出なくなることがある。ハンダ付けを忘れて接触してたものが、熱膨張で非接触になることがあるのを、見つけることができる重要な作業なのだ。中古車を買う時、普通はアイドリング音だけで買う人は、いないだろう。必ず乗って確かめるのだ。何を確かめるかというと「過渡特性」を見ているので。エンジンの吹けあがり、息つき、ブレーキの利き具合、サスの動きなどを感じて判断するものだ。アンプも同じ。火が入ったから、お客様に納品できるか、と言ったらNOである。きちんと途切れないで音が出ることを確認するまでが、OHの作業なのだ。メタルクラッド抵抗とVISHAYのコンデンサが付いたら、俄然雰囲気が出てきた。あとは、足を交換と、焼けた配線を交換し、電源部のコンデンサ周りの配線をやれば、片chは完成となる。当然、配線処理は、可能な限り綺麗にやる。
2024/11/11 QUADⅡ FORTY 修理1
QUADⅡ FORTYの修理を開始した。まず全体を眺めると、R14の390Ω 6W抵抗が焼損し基板まで焦げているので、これは無条件で交換だが、そのまま交換しても脳が無いので、ここは放熱性の良いメタルクラッド抵抗に交換する。同時にこの抵抗と並列に入っている220μF 63Vの電解CはVISHAYの220μF 100Vに交換する。容量は同じで耐圧を上げる。KT88のグリッド抵抗 47Ω 0.6Wもヘタっているはずなので、これもVISHAY 47Ω 1Wに交換する。問題は、この写真では見えない電源用の電解Cだ。

このアンプは、基板の裏側に電解Cがあるので、基板を取り外さないと交換できない。当然ながらコネクタ接続になどなってないので、真空管ソケットの配線を一度外して基板を浮かせて電解Cを取り外すことにした。なんとか電解Cが拝めた。
予想どおりだが、電解Cの頭がプックリと膨らんでいて、パンク寸前だ。片方は容量も測定できない。間一髪セーフ!ここで更なる問題が発生した。太いのがオリジナルで細いのが交換部品。細いほうが背が高いので、元のように基板に実装すると、シャーシに当たって実装できないことがわかった。そこで写真のように基板に寝かせて実装し固定する方法を思い付いた。ただしこの方法だと電解Cを固定するため、基板に穴を開ける必要がある。依頼者様に聞いたところ、すんなりと提案を承知してくれた。何が何でも元どおりにしろ、とか言わない方なので本当に助かる。ついでに8Ω端子がAC線と接触しそうなのを見つけたので、これも対応する。引き受けた時より、綺麗にして返すのが、自分の流儀だ。
燃えた抵抗もなかなか凄いことになっている。ケースが完全に溶けて、中の巻き線が見えている。抵抗値は測定不能だ。基板まで燃えているので、相当やばい状態まで行ったことになる。基板は、グリーンレジストで補修しておきます。
2024/11/2 dcs PURCELL 修理へ
DSD変換でDELIUSとロックが外れるPURCELL1394だが、1394インターフェイスボードの不良だとわかった。基板交換で修理が高額になるので、一度は修理をあきらめたが、修理できそうなショップが見つかったので、修理に出してみることにした。まあ2ケ月ぐらいは帰ってこないだろう。その間は、アップサンプリングなしでDELIUS1394を聞くしかないが、LUMINもあるので、ソースには困らない。直ったら、じっくりとDSD対192Kを聴き比べしたい。
2024/11/2 QUADⅡ FORTY OH受注
お得意様から、QUADⅡ FORTY モノラルパワーアンプのOHを受注しました。このアンプは、買った時から、真空管の銘柄はバラバラ、コンデンサは左右で容量が違っている。KT88が内部スパークして抵抗が焼ける、などなど相当やっかいな代物なので、しっかり直して見たいと思います。画像は、順次上げていきます。依頼者の方は、自分の考え方、パーツの選定方針などを理解してくれていて、修理内容に一切口を挟むようなことがないので、最短の日数、最小の時間で内容の濃い仕事ができます。結果的に金額的にも一番安くできるので、お互いに助かります。人生、何事も信頼関係が一番大事です。これが内部写真です。R14 390Ω 6W抵抗が焼けてます。並列接続のC6も頭が膨らんでいて、容量は測定できません。基板まで燃えているので、火事にならなくて良かったです。この抵抗は、要対策です。このアンプは基板を使ってますが、配線はプリントされておらず、手配線で組まれてます。基板にポストが立っていて、それにパーツの足をからげてハンダ付けしてます。なのでほとんどの部品はこのまま交換できるのですが、電源部のコンデンサのみこの基板の裏側にあり、交換できません。たった2個の電解Cを交換するため、配線を外さなくてはならない構造です。その電解Cは、頭が膨らんでおり、要交換です。ちょっと時間がかかりますが、しっかり直します。ただ直すのでなく、整備性の向上、寿命の延長なども頭に入れて作業していきます。依頼者の期待を上回る仕事をするのは、本当の職人の仕事だと思います。自分は、とても職人の領域には、ほど遠いですが。QUADⅡ FORTYの修理記事は、ほとんど情報がないので、自分の作業が少しでも役に立てば幸いです。
2024/8/20 マスタークロック対決
dcsを導入してからずっとサイバーシャフトのOP14を使っていた。とりたてて不満はないのだが、もう1台ある自作のルビジウムマスタークロックを使って見たら、どうなるかをやってみたくなった。以前からマスタークロックには、相性やキャラクターがあると思っている。単純にジッターとか位相雑音が良いことが、いい音、好きな音になるとは限らないのだ。OCXOは雑味のない自然な音、ルビジウムはメリハリがある音だと自分は思っている。dcsは自然な表現のDACなので、ルビジウムのほうがスパイスが効いていいんじゃないか?と思った。自作ルビジウム10MHz発振器は、出力インピーダンスが50Ωなので、このままでは75Ω受けのMUTECには繋げない。そこで頼りになるのはサイバーシャフトのインピーダンス変換器だ。50Ωを75Ωに変換してくれるのでMUTECにつないでもインピーダンスのアンマッチが起きないのだ。使用ケーブルもサイバーシャフトのセミリジット50Ωケーブルを使う。ルビジウムマスタークロックは、正解だった。思ったとおりメリハリが付くし、余韻も綺麗だ。これでシステム全体の味付けは決まった。
2024/8/18 dcs+MUTECリクロック
MUTEC MC3+にはリクロック機能があり、クロック入力のない機器には絶大な効果を発揮する。dcsシステムはクロック同期を基本としているので、期待はしていないが、試してみることにした。PURCELLとDELIUS間は、DUAL AES接続なので入れられない。MC3+は、シングルAESしかないからだ。そこでD730とPURCELLの間に入れてみることにした。
MC3+は左端のEXTERNALとRE-CLOCKが点灯しロックしている。PURCELLもクロックのロックが掛かって動作している。ところがDELIUSはサンプリング周波数を表示しているが、ビット数の24ビットが表示されない。MC3+が24ビットに対応していないのかと思ったがちゃんと24ビットに対応しているし、MC3+は44.1/16ビット信号を受けているので、24ビットにはこの時点では変換されていない。と言うことは、DELIUSとD730の時に流れていた何かしらの信号が「MC3+を入れたら来なくなった」と判断したのだろう。PURCELLの前でリクロックをさせると、リクロックする分微妙な送り出し遅れが出ていて、それを検知しているのかも知れない。クロック同期は、本当に奥が深くわからないことが多い。なので安易に手を出すとはまる。純正のクロックと純正のDACを使うことをお勧めする。自分は今まで、エソテリ:G03X、アンテロープ:トリニティー、TEAC:CG1000、dcs992Ⅱ、などなどを使ってきたが、インピーダンス、周波数精度(ジッター)、出力波形、出力レベルなどのいろんな要因で、ロックしたりしなかったりを経験してきた。純正組合わせ以外は、ロックしたらラッキーぐらいの気持ちじゃないと安い買い物じゃないので、泥沼にはまることもある。なのでクロック入出力を持たない機器同士を接続しリクロックできるMC3+は、本当にありがたい機器だ。
2024/8/17 dcs Purcell 1394
DDコンバータ
PURCELL1394が届いた。ご存じの通りDDコンバータである。192KHzへのアップコンバートとDSD変換ができる。これらの変換はdcs以外のどの会社トランポでも可能であるが、唯一の条件は44.1KHzのマスタークロック入力を持つトランポでないと動かない。10MHzでは、動かないので、特にT社のものは使えない。自分はSTUDER D730とTASCAM CD601MKⅡを使っている。また接続方法も特長があり、Deliusをマスターにしてはいけない。44.1KHzのマスタークロックをトランポと PURCELLにまず供給する。そしてPURCELLのWCLK設定を「IN」にして、PURCELLを「親」にする。そしてPURCELLのクロックアウトをDeliusに接続し、Deliusのクロック設定を「sync」にする。これでDeliusはPURCELLに同期運転する。この一連の接続がすべてうまく行かないとPURCELLは動作しない。この辺は結構シビアな関係性があり、dcs以外のDACでもうまく行くのかは試していない。 今までもD730のクロック同期には、散々悩まされてきたが不思議と今回の接続では、ロックが外れない。クロック同期はトランポに単純にクロックを送れば成立するものでなく、接続する下流の機器との相性があるらしいことが、最近になって分かって来た。
さてDSD変換だが、これがクセ者だ。左が音が出ている時で右が出ない時。何が違うかと言うとdeliusの表示を見て欲しい。表示設定は「INPUT名」になっているので「PURCELL」と表示されるのが正しい。ところが「search」と表示され入力設定は1394を表示しているのに、送り出し側が見つからなくなっている。この時PURCELLの1394変換がINACTIVEになっていることもあるし、ACTIVEでも、deliusが見つけられない時があり、どちらの機器が悪いのか、両方悪いのかが、わからない状態である。
これがPURCELLの内部写真だ。左上に電源トランス。基板左下がレギュレータと電源用電解Cが配置される。本機は120V仕様電源SWなしだが、AC230Vと記載してある。スイッチで簡単に100Vには変更できない設計だ。基板は1枚で電源供給を含めすべてコネクタ接続になっているコンピュータ基板と同じ設計でメンテ性は良い。開きのソケットがたくさんあり、性能確認に使用するのだろう。電源部の電解Cを含め膨らみやモレはない。3.3Vか5Vの電源を扱う電解Cがヘタって動作が不安定になっている気がする。基本は1枚基板だが1394I/Fから出ている信号処理部だけ写真右の2階建て基板になっている。この基板の電解Cかチップコンデンサが一番怪しいのだが。本機は完全密封筐体なのでホコリの進入もなく、内部は綺麗でコゲた匂いもない。タイムロードが扱っていた時代は、特殊な花びら型ネジを後つけして開けられなくしていたが、輸入元が変わってすんなり開けられるようになった。特殊ネジを使って何を守ろうとしていたのか不思議でならない。そのせいで中を開けようとして、失敗した個体が992,942,950,952,954には多く存在することが残念である。一度市販したものを隠し通すことはできない。それより積極的に情報開示したほうが、個体が生き残る可能性が高いと思うが、いかがだろうか。本機はパーツの名前消しすら行っていない。「使っている石がわかっても、それぐらいじゃ自分達には追い付けないよ」と言う誇らしげな自信を伺い知ることができる。
DSD変換で音が出ない時は「PURCELL-」とマイナス表示が出る時がある。44.1→192変換は問題なく動作し音も途切れない。あらためてじっくり24/192を聴いてみると、やはり違いがわかる。今までアップサンプリングすると、どうも力感というかパンチというか薄味になる傾向が嫌で44.1のまま聞いていたが、このセットは違う。24/192でも薄味にはならないのだ。余韻がクッキリとたなびき、音粒の1つ1つが自然で誇張感がないのだ。分解能や解像度が劇的に上がるのでなく、自然さが増すのだ。こういう変化はなかなか聞けないものだ。試しにMYTEK DIGITAL STEREO192-DSDにIEEE1394端子があったので、接続してみたが、動かなかった。やはりDSD再生は、USB入力だけのようだ。dcsのペアは、一度見てもらってそれでも直らない場合は、このまま24/192で使うことにする。やっとD730も安定してクロック同期が出来るようになったので、安心して使えそうだからだ。
2024/7/23 dcs delius1394 DAコンバータ
delius1394が届いた。deliusの最終バージョンだ。1394が付いているが、エソテリとはソフトが違うので接続できないと書いてある。SACDは持ってないので関係ないが。筐体は思ったよりも大きく重い。構造的にもしっかりしている。天板は黒いガラス製でその下に薄いゴムシートがあり、その下に天板がある。通風孔がないので、稼働時は結構発熱するので、スタンバイはあるものの小まめに電源は落としたほうが良さそうだ。今回は同期運転をやってみたくて買った。今まで同期運転がうまく行ったのはただ1つの組み合わせで、エソテリ P0s+D05の純正組み合わせのみ。その後、D730にトランポを変えてからは、ほとんどうまく行かないことが多かった。今回、取説を読んでわかったのは、deliusの前にDDコンバータを入れるとロックしないと書いてあった。ためしにMUTEC MC3+にリクロックをさせたらdeliusは、データが来ないと表示した。そこでMC3+のリクロックをやめ、44.1KHzをトランポとDACに入れたら、写真のように同期した。長時間聞いてもロックは外れなかった。どうやら同期運転はトランポとDACでデータのやり取りをしている時だけ同期するようだ。ためしにLUMINをつないでみるとdeliusは自動的に同期をやめスレーブモードになっていた。D730とdeliusの同期は、44.1KHzのみで成立し、途中にDDコンバータを挟むと成立しないのだ。deliusはDDコンバータを挟むと「何か余計な物がいる」と検知するようだ。MC3+のリクロックは効果抜群なので使えないのが残念だが。音はさすがはdelius、広がり、粒立ちともに申し分ない。954も使ったことがあるが、954のほうがよりパワフルな記憶がある。LUMINからのデータも無事ロックしてくれたのは良かった。これでうちの音楽ソースは、FM、アナログLP,CD,ネットワークと4つになった。気分で使い分けられるのは便利だ。
ついでに内部も点検した。2階建ての5ビットDAC部は、いつ見ても超精密さが際立っている。コネクタ接続を多用しているので、整備性は非常に良い。左端中央の黒いのが電源トランスだが、結構熱い。電解Cには厳しい環境だ。その証拠に電解Cは、少し頭が膨らみかけていた。完全どノーマルのようなのでメンテが必要だろう。基本的な作りは、950,954,delius Elgarもいっしょだ。
CDの再生で試してないのは、DSD変換だけだ。MYTEKDIGITAL STEREO192-DSDもDSD再生が可能だが、音源がPCからのUSBに限られるのとメーカーがソフトをサポートしてないので、自分には出来ないと判断した。SACD自体は、聞いたことがあり、とても自然な感じが好印象だった。CDをDSD変換・再生するにはpurcell1394とiLINKケーブルが必要になる。中古が出るまで気長に待とう。以前プロ機のdcs972を使ったことがあるが、取説なしで取り組んだためか、SPを壊しそうな盛大なノイズを発したので、それ以来怖くて使っていない。やはりここは民生用のpurcell1394が出るのを待とう。ただのpurcellはデュアルAESで192KHzのアップサンプリング機能はあるが、1394ポートがないのでDSD変換はできないのだ。最近はトランポやDACでアップサンプリングできるものもあるが、経験として、CPUに負荷がかからない接続が一番良い音が出ると思う。なのでトランポは素で出力して、DDコンバータでDD変換、DACでDA変換するのが一番負荷の掛からない接続だと思う。
2024/7/22 同期運転
今度dcsのdeliusを導入する。取説を読んでわかったが、マスタークロックを使った同期には、いろんな考え方があるようだ。deliusのクロック入力には3つのモードがある。クロック出力は常に出ているものと思っていたが、そうではなかったのだ。まずはスレーブモード。この場合、クロック入力は使わない。PLLはCDの入力信号にロックする。クロック出力はしない。マスターモード。この場合、deliusはマスタークロックとして動作して、クロック出力は44.1KHzを出す。クロック入力はないので、クロック精度はdeliusの内蔵クロック精度なので大した精度ではなうが、トランポと「同期運転」できる。最後が、シンクモード。ここで初めて外部クロック入力を受け付ける。外部の高精度クロックに同期する。ただしこの時問題なのは、クロック出力が出ないのだ。高精度クロックをマスターにして、DAC側の時計でトランポが動作すると言うことができないのだ。今まで散々やってきたがうちのD730は、ほとんどの場合、マスタークロックからのクロックを入れるとロックが外れる。なのでDAC経由でクロックを入れて見たかったのだが、できないのが残念だ。エソテリ同士ならマスタークロックを分配し、トランポとDACを同じ時計で動かすのはたやすいことだろう。メーカーが違うと思想が違うので、「同期運転」させるのは、本当に難しいものだ。deliusのマスターモードでトランポと同期させた時と、シンクモードでマスタークロックを受けた時のどちらが音がいいかは、やってみるしかない。
2024/7/22 DC電源ノイズ測定
DC電源を集めて、ノイズ測定をやってみることにした。最初は治具作り。DCジャックとプラグに配線するだけ。測定方法は、デジタルオシロにプローブ1:1で接続し、LUMINが実稼働状態で測定する。純正のACアダプタは12V5A仕様で、AC結合で100nsサンプリングの波形は50mVほどの変動がある。1MHz/divレンジでFFT解析すると10MHzまでノイズが出ているのがわかる。
次が自作2段安定化電源。AC結合での電圧変動は50から32mVに減少しているのがわかる。FFTを見ると全体的にノイズが減っているのがわかる。これは良いが、スイッチング電源に比較して劇的に改善してるわけではない。
さらにサンプリング周波数を低くしてオーディオ帯域でどうなっているかを、見てみよう。左が横軸1マスが100KHzで、右が50Hzだ。340KHzぐらいにピークがあるが、十分可聴帯域外だ。50Hzレンジでは、0からストンで50Hzまで落ちていて、ほぼ理想的な電源になっているのがわかる。これなら十分効果があるはずだ。しっかりと聞いて見よう。あとでローノイズ電源のマスタークロック用安定化電源も調べて見よう。
早速自作ローノイズ安定化電源を測定した。これはフィードバック回路を積んだDC15V 1A仕様だ。もともとはマークレビンソンのJC-1AC用に作ったものだが、現在はマスタークロック用に使っている。やはりこれが一番良い。測定条件は、サイバーシャフトのマスタークロックが稼働状態で測定している。電圧変動は、なんと6mVまで下がっている。あきらかに波形が綺麗だ。
FFT解析でもローノイズが顕著だ。1MHzレンジでは、ほとんどピークが見つからなくフラットだ。50Hzレンジでも綺麗に収束している。もし電圧を変えて12VにしてLUMINにつないだら同じ結果が出るのか、また興味が湧くが残念ながら1Aしか流せないのでLUMINには使えない。最低3A 36Wは必要だろう。やはりフィードバック回路を使うほうが、単純な3端子レギュレータよりローノイズになるのは、間違いないようだ。LUMINでスイッチング電源と自作2段安定化電源を聞きくらべてみた。スイッチング電源のほうがメリハリがある感じだ。自作2段安定化電源だと、やや静かになった印象だ。人によってはスイッチング電源のほうが好みの場合もあるだろう。その差はほんのわずかだ。その次にうちのCDシステムとLUMIN+自作2段安定化電源を聴きくらべた。CDシステムのほうはアップサンプリングして176.4KHzにしたり、10MHzマスタークロックを使ったりしているので、厳密に言うと同じ条件ではない。LUMINは44.1KHz 16bitだ。ここでも差はわずかだ。LUMINのほうが広がりがやや狭く、音場もフラットで奥行方向の深みが出ない感じだが、両方同時に鳴らして切り替えたら、差を指摘できる人は少ないだろう。CDシステムのほうがキレや深みが出る。今度来るDAコンバータでまた変わるだろう。
2024/7/13 ゼロから始めるネットワークオーディオ LUMIN D1
アナログが一段落し、ネットワークオーディオをやってみようと思った。たまたま電源部がないLUMIN D1が売りに出ていたので買ってみた。汎用の12V5A ACアダプタをつないだら起動した。とりあえずラッキー!LUMINを選んだのは、カッコが良く一度使って見たかったから。国産P社のN70Aなどは10万以上の値が付いたりするので、格安でD1を手に入れられた。電源は入ったが、ネットワーク(ルーター)につないで、とエラー表示が出た。つなぐと今度は「不明」のなぞの表示。取説もないので、さっぱりわからない。いじっているうちに、いつの間にかスマホが認識し、ファームウェアがアップデートできた。
ネットワークオーディオの知識はほとんどないので、わからないことわかりだ。まずわからなかったのは、USB-AでつなぐHDDだ。NASとHDDは何が違うの?NASじゃないと音楽再生できないの?などなど。ここでD1はHDDをUSBケーブルで接続すれば良いことがわかった。つまりNASの必要性はないのだ。つぎにHDDは最新機種じゃないと使えないのか?どうもそうでもないらしくフォーマットさえ合っていればいいようだ。20年近く前に買ったIOデータの0.8Gのが手元になった。フォーマットはFAT32だったが、ここは新しいほうが良いと考えNTFSにフォーマットし直した。あとはPCの音楽ソフトを立ち上げ、CDをリッピングしデータフォーマットをFLACにした。自分の場合、ネットワークオーディオはながら聞き専用なので、高額な機器は必要ない。知識もないのでまずは手持ちの機材をつないで音が出たらラッキーぐらいに思っている。ファームウェアアップデートが完了し、リブートしたら「LUMIN」の表示が出た。スマホと連動したらしく、アルバム内の曲が表示された。今回はLANケーブルが短くオーディオシステムに接続できないので、音が出ているかは不明。安物のHDDと高級なHDDで音が変わるのかも興味があるが、深入りはしない。D1が不便なのは、例のヒサシのせいで電源入り切りがやりにくいのだ。みなさんどうしているのだろう。表示を消して常時通電してるのか、教えてもらいたい。自分はACアダプタは使いたくないので、12V3Aの安定化電源を作ってみた。
左が前回作ったローノイズ安定化電源で、右が今回作った12V3A電源だ。純正のACアダプタは12V5Aだが、常に5Aも食うはずがないので、3A仕様で使ってみる。この電源は3端子レギュレータを2つ使って2段階安定化している。1段目でDC22Vを18Vまで下げて安定化。2段目は18Vを受けて12Vにさげて安定化。パーツも高品質パーツを詰め込み、回路設計はオリジナルだ。これは背面に電源SWがあるので、入り切りが楽だ。今、治具を作っているので、市販のACアダプタ、2段安定化電源、ローノイズ安定化電源の3つのレギュレーションの状態と放射ノイズをオシロを使ってFFT解析してみる予定だ。
初めてメインシステムとつないで聴いてみた。スッキリ系と思いきや、低域は割とボリュームがある印象だ。普通に聴ける音で、リッピングのハンデは感じない。現状のセットは、以下の写真で、自作安定化電源は接続ケーブルを作っているのでまだ使っていない。電源供給はLUMIN横のアマゾン製12V5Aのスイッチング電源だ。LUMINの電源SWはONのままで、KOJOのソフトスタート機能付きタップで入り切りする。その右が年代物のHDD。こんなものでも音飛びや音切れがしないのは不思議だ。少々カタカタ言っても、音楽が出れば全く問題にならない。スマホで離れた所からオーディオシステムを操作できるのは、快適だ。今の時代は何でもスマホで動くのが、正解なのだろう。FLACのせいかLUMINのせいか、昔聞いたMP3の音とはケタ違いに音質が良くなっているのは驚いた。好きな曲を好きな順に聴けるのは楽しいことだ。あとは自作電源で音が変化するかどうか、楽しみだ。使い方が段々わかってきた。スマホで電源がOFFできることがわかった。元の電源を入れるとLUMINもONする。この機種はDSD再生に重きを置いているようで、DSDをPCMに変換したりするメニューはあるが、44.1KHzをアップサンプリングする機能は無いようだ。あとでじっくりうちのCDシステムと勝負させてみようと思う。CDシステムは複雑だが、こっちはHDDのトランポとLUMINのDACしかないので、シンプルだ。果たしてシンプル イズ ベストとなるのか?

2024/7/8 ローノイズ安定化電源完成
ローノイズ安定化電源が完成した。当初は、JC-1ACの±15V電源を作るつもりだったが、LYRA AMPHIONとJC-1とのコンビには勝てそうもないので、サイバーシャフトの10MHzマスタークロック用の15V単電源に変更した。ただし回路は両電源仕様で組んでおり、マイナス側に給電しない状態で使っている。15V1AX2仕様のトロイダルトランス、アッシー化した平滑回路、安定化電源をタカチのシャーシに組み込んで完成。DC15Vは2口用意し、その横に4ピンのコネクタを実装した。
DC15.00Vに調整し、オシロで電圧波形を観察。細かいノイズはさすがに消えてないが、測定が適当なせいもあるだろう。中央は1MHz/divでのFFT波形。左端にピークがある以外は10MHzまでフラットでピークはない。これは良いんじゃないの。右が仮設置状態。D730の左がマスタークロックで右が今回作った電源部。比べるとデカイ。30分ほどでヒートシンクは25℃から38℃になった。そこそこ発熱するようだ。今晩から常時通電モードにする。簡易試聴で、より滑らかで静けさが増したように聞こえる。マスタークロックは安定するのに2~3週間かかるので、実力が分かるのは、今月末になる予定だ。
2024/7/3 フォノイコライザー aurorasound VIDA prima LYRA AMPHION PHONO
フォノイコライザーのaurorasound VIDA primaと LYRA AMPHION PHONOを入手した。AMPHIONはフルサイズかと思ったが、LUXMAN E-250と同じサイズでフルサイズよりちょっと小さい。奥行はprimaのほうがある。どちらもMMとMCの2入力を持っている。フロントパネルはシンプルで切り替えも何もなし。AMPHIONのLEDは、小さいがなかなか良い色で点灯する。
まずはAMPHIONから。超シンプル。余計なものは何もない。ツラ構えを見ただけで「こいつは、もううちからは出ていかないな」と音を聴く前から、確信した。良い機械とは、向こうから訴えかけてくるものが違うものだ。
AMPHIONは、今まで見て来た中で最高の工作精度だ。さすがは日本製だ。天板のネジを取って、逆さまにしても天板は落ちて来ない。すべての部品が恐ろしい工作精度で加工されている。構造も素晴らしい。ステンか鉄メッキかは、未確認だが削り出しのステーを前後に通し、そこにメネジを加工。なので本来なら天板ネジを取れば天板も取れるはずだが、全てがピッタリなので落ちて来ないのだ。ネジの位置精度も凄く穴とネジは中心でピッタリはまる。どこかのアンプのように、穴がズレていたりはしない。内部は、左右独立のRコアトランスを2基使い、SECCの板でシールドしている。ここにステンを使わないのが、わかっている設計者の証拠だ。
メイン基板も当然左右独立だが、電源へのこだわりがまた凄い。左右独立基板にレギュレータを4基積み、オペアンプ用の±電源を作り出している。ディスクリートで増幅してると思っていたが、オペアンプは以外だった。電解Cは、特別なものは使っていない。ただフィルムCと抵抗は良いものを使っている。抵抗はVISHAYのようだ。配線もハンダも素晴らしくプロの仕事だ。
音質はE-250を基準とすると、primaは、SNは少し落ちるが、低域方向のボリューム、解像度が増す。エコーも綺麗だ。小さい筐体からは想像できないような音だ。抜群のコスパだと思う。次がAMPHION。カートリッジがLYRAなので純正組み合わせになる。これを聴いて、LYRAの狙っている音は、こういう音かと認識した。primaよりさらに低域の分解能、スピードが増し、気持ちが良い。高域はprimaのほうが聞こえるが、ボーカルの説得力に実力の違いが出る。歌い分けが上手いのだ。まだ適当に置いただけで電源ケーブルも付属のものだ。設置をきちんとしてやれば、さらなる性能を見せてくれるだろう。フォノイコライザーで、ここまで変わるとは思わなかった。LYRAは、素晴らしいサウンドだ。ハイスピード、高解像度、ストレートな音が好みの人は、最高にはまる音だ。その逆の雰囲気重視型の人には、全く合わないだろう。
2024/6/29 ローノイズ安定化±電源製作 その1
今回、ヘッドアンプをいろいろ試して、再認識したことがある。オーディオはやはり「電源だ」。電源の質が悪ければ、その後何をやっても良くは鳴らない。クリーン電源が必要なのも、いろんなノイズ源にアンプがさらされるからだ。いい電源がいい音になるのは、間違いない。そこでDC15Vのローノイズ±安定化電源を作ろうと思った。15Vにしたのは、マスタークロックにまずは使って見たいこと。さらにJC-1ACが±15Vだからだ。JC-1ACは、一応動いているので、純正を捨てるのかどうか迷っている。ローノイズ±安定化電源は、通常は3端子レギュレータで安定化するが、それではまだmV単位のノイズが残る。いろんなコンデンサを試したが、コンデンサを詰め込んでも限界があると悟った。そこで最近の製品を調べるとAD社が採用しているオペアンプでフィードバック回路を組む方式が良さそうなのがわかった。市販品は大抵12V程度しかなく、12V 1A仕様で4.4万と高価でしかも単電源だ。±15Vで1A流せるものは、なかなか見つからないので自作することにした。トランスは15V1A 15Wの両電源仕様を採用する。平滑回路はニチコンFGを使った市販品を採用。ただし整流ダイオードをショットキーバリアダイオードに変更した。肝心の安定化回路だが、これも市販品で良いのが見つかった。K&Rのウルトラローノイズレギュレータキットである。これは両電源で余裕で1A出せる。これなら使える。実際にJC-1ACは数十mAしか流れないだろうし、マスタークロックも1Aフルには流れない。一度作ってマスタークロックにつないで温度上昇を見て、放熱板で行くか、シャーシ放熱するかを決めれば良い。理論的には過去に作った電源よりノイズは1/1000近く減るはずなので、どうなるか楽しみだ。完成したら、Iさんに送って使ってもらい感想を聞いて見たい。シャーシは、空間を十分に取って、漏洩磁気の影響を受けないよう配慮をしている。パネル加工用の図面も作ったのであとは、シャーシが来たら加工するだけだ。シャーシ加工が一番大変だ。四角の穴を開けるのには、フライス盤が欲しい。
2024/6/15 JC-1 パーツ交換 その2
インシュレータの取り付けはこんな感じです。カーボンの折り目が見えるのがカッコいい!大事なのは、大きすぎない径を選ぶこと。足が基板などの取り付けネジを隠してしまうと、作業が大変なことなるし、簡単にメンテができなくある。適材適所です。
RCA端子とアース線をハンダ付けして完成。ブルーのVISHAYが映えますね。端子もピカピカ。
これで完成。以前より重量が増したので、硬いケーブルでも本体が持ち上がらなくなった。JC-1は、初期のジョン カールの傑作だと思う。モジュール構造での回路構成、簡潔な配線、こだわりのDC駆動。JCシリーズはJC-2までジョン カールが参加していたのかRCA端子だったが、その後、ほぼ端子をLEMOに変えただけのML-1が出てマークレビソン=LEMO端子が定着したが、あの細くてか弱いLEMO端子は、オーディオには向いてないと思う。オーディオはわかっている人がやる趣味なので、わざわざマイナス側が最後に抜ける構造は、本来医療向けの配慮だ。LEMOとフィッシャー端子は、ただ敷居を高くしただけだと思う。デジタルも同じだ。最初はTOSリンクで光伝送のほうがノイズに有利だと持てはやされ、RCA端子は、信号の反射があるとBNC端子が盛んに使われた。だが現在、TOSやBNCを標準装備するのは、ほんの一部だ。極限の性能を求めるより、汎用性、拡張性を広げたほうが結局はユーザーの支持が集まる。CDやハイレゾの伝送に、高周波用のSMC端子など必要ないのだ。マスタークロックだって、10MHzしかない。ギガHzまで伝送できても、意味をなさないのだ。ただの宣伝文句に踊らされてはならない。さて、音はどうなったかな?おおっ全然違う。センターにビシッと定位する。まず低域の量感が増えた、同時にキレも上がった。タムやバスドラ、ベースが気持ち良い。さらに静寂感が上がり、見通しが良くなっている。やはり電解Cは、限界だったのだろう。キレやスピード感には、オヤイデのINS-BSも5%ぐらいは貢献しているだろう。何十年も前に特殊な選別パーツでなく、普通のパーツの組み合わせでこんな音が出せるなんて、当時の仲間は、さぞビビッたことだろう。必死で黒いモジュールの中身を知ろうとしたはずだ。現在でもこの静寂感とキレを追い越せるMCヘッドアンプは、ほとんどないと思う。まず通常のAC駆動では、この静寂感に勝てない。たぶん買おうと思って、忘れてしまったら、もう手に入らなくなった「サザーランド ph3D」のバッテリー駆動しかないんじゃないかと思う。あとはJC-1DCか。これもいつか聞いて見たい。JC-1より手に入りにくいようだ。JC-1は本当に素晴らしい。
2024/6/15 オヤイデ INS-BSの寸法
JC-1の足に使おうと、オヤイデのINS-BSというインシュレータを買った。買ってから気が付いたが、一番大切な寸法がどこにも載っていないのだ。自分の会社のオプションパーツ取り付け寸法は丁寧に書いてあるが、ネジ止めする場合のネジ頭の径と首下寸法を決めるためのザグリ深さが書いてないのだ。いかにも電気屋さんらしい商品の寸法表示で参ってしまった。結局、実測したのが写真の寸法です。ネジ止め用のザグリ径は11.1mmとわかり、セムスM4が使えそうだとわかる。さらに四角で囲った寸法のザグリ深さが3mmとわかるので、最低でも首下は相手の板厚にもよるが、8ミリは必要だとわかる。何故、たったこれだけのことなのに寸法表示しないのか、疑問である。これを書くだけで「おっ使えそうだ」と思う人が居るに違いない。ただしものは、凄く良いものです。
2024/6/11 MARKLEVINSON JC-1 パーツ交換その1
モジュールが生きているうちに、パーツ交換をすることにした。対象は、電解C、RCAコネクタ、樹脂フットの3点の予定。電解Cは、どう考えてもヘタっているし、RCAコネクタもアルミ製?なのか、黒い汚れが付き接触不良気味だ。プラス側もマイナス側も真っ黒けだ。これじゃいい音は望めない。MCカートリッジの微弱な信号を扱うには、接触不良などあってはいけない。
オリジナルの電解Cは、1000μFの3VDC HONGKONGと書いてあるがメーカーはわからない。取り外して容量を測定したら、案の定大幅にズレていた。1750,1775,1848,1853μFで、容量が1.7~1.8倍にもなっていた。同じパーツは手に入らないので、VISHAYの1000μF 6.3V品を選んだ。こちらの容量は、1204,1216,1214,1217μFで良く揃っている。小型になり耐熱も105℃仕様だ。スッキリした配置になり、青いVISHAYのケースが映える。たまにラジアルタイプのコンデンサに交換したものも見るが、ここはオリジナルと同じアキシャルタイプを使うべきだろう。またJC-1は音は抜群だが、足までは気にしていなかったので、樹脂製の安易なものが付いている。小型なので太いケーブルをつなぐと浮いてしまう。そこでTUBEWORKSの真鍮削り出しインシュレータに交換する。直径22mm 高さ9mm M4セムスで固定するタイプだ。4ケで5775円。JC-1の足は、5mmの穴が開いているので、この穴を使って固定する。真鍮は響きが良いし、キズ付き防止のフエルトも付属しているのが親切だ。見た目も良くなるだろう。RCAコネクタは、絶縁タイプを買ったので、穴を9.5mmまでボール盤で広げなくてはならないので、明日以降の作業だ。オリジナルのコネクタは、導通タイプでシャーシにもアースされていた。今度は、シャーシにアースしないので、どうなるか、ちょっと不安だ。ただ厳密には、RCAコネクタのマイナス側は、アルマイト塗装越しの導通なので積極的にアースをシャーシに落としたい設計ではないようだ。もしアースを落としたいなら、塗装を剥がすか、菊座のようなものを使うはずだ。なので、これによってハムが出るということは無いと思っている。
2024/6/10 MARK LEVINSON JC-AC
気になると追求するタイプなので、JC-1ACも入手した。この機種は人気があるのか、結構な値で取引されている。JC-1と比べると結構デカイ。同じモジュール構造だが、モジュール自体も違うし、周辺部品も多い。フロントパネルは何もなくLEDが1つだけ。当然のように電源スイッチはなく、お決まりの常時通電タイプです。
となると気になるのが、パワーサプライである。±15Vで定電圧電源らしい。裏面の穴は、電圧調整トリマーだと思っていたが、ネジが切ってあるので、どうやら固定用だ。出力固定型の何かの素子が入っているのだろう。こっちも樹脂モールドなので、故障しても一般的には修理不能だ。
最初に音出ししたら、右chから音が出ない。RCA端子を掃除するも変化なし。そこでゲイン調整のディップスイッチを何十回も入り切りしたら、やっと復活した。でもまだセンター定位にならない。ひょっとするとモジュールは差し込んであるだけか?恐る恐る引っ張ったら抜けた。無水エタノールでピンを清掃したらセンター定位になった。良かった!!。音はJC-1とほとんど同じだ。SNはさすがにJC-1のほうに分があるが、力感、立ち上がりはJC-1ACのほうにわずかに軍配があがる。両者の差は僅差で、同時に聴かないかぎりわからないレベルだと思う。電解Cが自分のは、オリジナルではないようだ。青いスプラグはオリジナルの500μF 12VDCのようだが、銀色のほうはデブっている。ほかの写真を見るともっとスリムなのが付いている。こっちは2200μF 10Vだ。容量を測るとどちらも大幅にズレていた。ディップスイッチと電解Cは、交換すべきだろう。JC-1を2台使うかどうかは、今後じっくり聞いてから決めよう。その場合は、電源部は自作する。念のため入力電圧を測ったら、どちらも14.9Vで揃っていた。主要なパーツの電解C,タンタルC、ディップSWと電源部を自作するとなると、ざっくり2万円ほどかかることがわかった。JC-1の性能が高く、しかも構造も簡単でゲイン切り替えなどの接点が存在しない。低電圧駆動で電源スイッチもあるので、故障率を考えると圧倒的にJC-1のほうが故障しないだろう。JC-1ACをどうするかは、JC-1のパーツ交換をしてから考えることにする。
2024/6/4 MARK LEVINSON JC-1
MARK LEVINSONのMCヘッドアンプは3種類ある。JC-1、JC-1DC,JC-1ACの3つだ。JC-1とJC-1DCが乾電池駆動である。自分が入手したのは、最も初期型のJC-1だ。ジョン カールがその名を冠した最初の製品だと思う。初めての作品だから、一番彼の個性が強く出るはずだと購入した。構成はシンプルで3ポジションの(ON)-OFF-ONのスイッチのみ。左が(ON)になっているのは、特殊なモーメンタリスイッチで左に倒すと電池の残量の有無を示す赤いLEDが点灯するが、離すと中央のOFFポジションに自動で戻るものだ。このスイッチを交換したかったが、なかなか見つからない。OFFでは音は出ない。JC-1DCでは、バッテリーチェック機能が省力されているので、使い勝手はこっちのほうが良い。
肝心の音は、予想どおりだった。乾電池駆動なので、SNは抜群だしハム音も皆無。この辺はAC駆動と差をつける。乾電池駆動なので心配だったが、キレキレの高解像度サウンドで好みの音質だ。ここからレビンソンのモジュール構造が、流行りだした。しかしモジュールなので中身が超シンプルだ。電池ホルダ、アキシャル電解C、モジュールしかない。調整も出来ない。DCオフセット調整もない。RCA端子も金メッキなどでなく、アース側は、裸の単線で全部が串刺しになっている。最初、Lchの音量が極端に小さかったが、無水アルコールと綿棒で丁寧に掃除したら、ビシッとセンター定位が復活した。乾電池駆動といえど、30分ぐらい通電してからのほうが、音が生き生きする。電解Cは、容量を測ってみて、左右で差があるようなら交換しよう。RCA端子をどうするか、迷うところだ。HA-55より、SNはいいし、低域も厚いがスピード感がある。さすがはレビンソンと言う印象だ。ゲイン切り替えはにが、感じとしてはHA-55と同じぐらいだ。LYRAとの相性も良い。こうなるとJC-1ACも聞いて見たくなる。JC-1DCの回路図が入手できたので調べたら、JC-1DCは1.5X2=3V駆動である。JC-1は1.5Vの両電源駆動なので、より電源にはシビアなはず。電解Cを調べたら、2543,2521,2571,2501μFなので1000μFを2つ並列接続してるようだ。本来は2000μFのはずで、ヘタっているのは間違い。ところがこのコンデンサは3VDC耐圧なのだ。探しても今時3V品などなく、あってもVISHAYの6.3VDCが最小だ。もともと1.5Vの所に6.3Vはオーバースペックになるし、耐圧が高くなると音が開放的でなくなるよう気がして、悩むところだ。もう1つ気になるのは、乾電池駆動なので、電圧の低下が音に直結する。付属の電圧を調べたら、1.557Vと1.443Vで、約8%も違っている。AC駆動なら定電圧回路がズレない限り一定なので、乾電池の管理は重要だ。新品のエボルタは1.614Vもあった。1.443Vと比べると10%電圧が低くなっている。新品のエボルタの音やいかに。新品の電池は、より一層静けさが増し、微小な音が浮かび上がる感じだ。聞こえなかった音が聞こえるが、うるささが全く無い。ジョン カール恐るべし。たぶんこの機器も、コンデンサはヘタっているし、RCA端子も緩いので、本来の音は出ていない。VISHAYのコンデンサと金メッキ端子に交換するのが楽しみだ。
2024/6/2 SONY HA-55 メンテ
もう何十年も前の製品なので、メンテが必要だろうと電解Cと整流ダイオードを交換した。左が交換前、右が交換後。一番デカイ電解Cは、トランス裏が2200μF 25Vで、中央付近の4つの塊が2200μF 10Vなので2200μF 50Vに統一した。あとは手持ちの部品から選んで交換した。オリジナルはニチコンだったので、交換したのもニチコンにした。
ハンダ面までたどり着くのは、結構大変だ。負荷切替の長いシャフトを外さなくてはならない。ツマミ付近で2つのE型止め輪で固定されているので、慎重に外す。負荷切替の部分は回転負荷がかかるので、しっかりと底板からネジ止めされている。さすがはこの時代の技術者はわかっている。切り替え時の回転力を基板に直接かからないようにしているのだ。普通ならケースにサポートを立てて基板を保持するが、きちんとサブシャーシを用意している。こういう所にも、手抜きがない。ハンダ面はルーペでしっかり見たが、ハンダクラックもなく綺麗で修正の必要はなかった。ハンダもうまい。
カバーは本来と違う向きにした。本来オレンジの側板は、天板と同じでスリット側がフロント側だが、フロントにあるトランスは発熱がほとんどないし、トランス固定板で完全にトランスと基板部に仕切られている。ならば増幅部にも対流があったほうが良かろうと思い、基板側にスリットを向けた。と言っても大電力を扱うわけではないので、装置全体としても、発熱はしない。交換した電解Cは、予想どおり大方ヘタっていた。2200μV 25Vは、2260μVと2895μV。2200μV 10Vは、2577,2756,2842,2890μVで大きく容量が増えている。33μFは、38.1,39.7μV。220μV 10Vは223μV。10μV 50Vは13.3μVという具合だ。さてパーツを交換したので、少しエージングして見よう。今までMCはトランス派だったが、このヘッドアンプを使ってから、ヘッドアンプの面白さに気づいた。今後、ヤマハやレビンソンも聞いて見たくなった。コンデンサ交換後は、ノイズもなく、よりキレが増してハイスピードになり溌剌とした音に変化した。これが本来の音なのか?試聴はベンツマイクロで行ったが、切れ味はLYRAに気迫している。やはり相当ヘタっていたことがわかった。これはなかなか凄いMCヘッドアンプだ。状態の良いものは、お買い得だと思う。
2024/6/1 GLANZ MH-9B・他
GLANZのアームのインプレは、なんと言っても剛性感が高いのと、感度が良い。簡単に言うとキレキレのサウンドだ。ただキレキレだとカンカンして聴きにくいが、そんなことはなく下はソリッドで上は自然に伸びる。この音は好みだ。たぶん支点の構造が良いのだろう。ゼロバランスもすんなり決まるし、アンチスケートも使いやすい。SMEのように糸+錘だと、扱いが難しいがダイヤル式なので、余計なものがなく固有振動も素直なのだと思う。入門機でこの性能なら、上はどんな世界なのか覗いてみたい。
続いて、ターンテーブルシート SAEC SS-300 特殊な金属らしいが叩いても、音は長くは伸びず、何等かのダンピング処理をしているようだ。断面も複雑である。SX-1500には、皮?製のシートが付いてしたが、交換後は、やはり違いが分かる。音が締まるし、定位が明確だ。クセもない。そこそこのお値段だがさすがは、SAEC製。良く出来ています。
最後がサテライト型ヘッドアンプ。なんと昔YAMAHAがやっていたヘッドシェルの上に載せるタイプだ。技術の進歩で、抵抗、コンデンサ、増幅器に電池まで実装している。WP-MCHA01の実装は結構、面倒だ。カードリッジ、シェル、基板、スペーサ、保護カバーを全部串刺しにする必要がある。電源を入れると緑のLEDが点灯する。点灯しないと電池切れを示すので、便利な設計だ。これだけ積むとさすがに重く、アームのウエイトは一番後ろまで行ってしまったが、何とかバランスが取れた。SONY HA-55との比較では流石にSNは良くなる。レンジは差が無い。では音色は、どうか?これが問題だ。どうも下が少し重くなったように感じる。もう少し聞いてみるか。
2024/5/30 ダブルアーム化完成
アームベーッスが揃って、やっとダブルアーム化が実現した。ただしまだターンテーブルシート SAEC SS-300が到着していないので、高さ調整はやっていない。明日、再度調整する予定だ。今まで407/23は10インチだと思っていたが、実際には9インチだったことに気づいた。オーバーハングがGLANZと同じ15mmだったので、確認したら9インチだった。こうしてみると同じ9インチだが、MH-9Bのほうが長く見える。フォノケーブルもMH-9Bには、オヤイデのPA-2075 DR V2を使い、407/23のほうにGLANZの付属ケーブルを付けた。さて、どんな音になるか?

2024/5/30 SONY HA-55 内部点検
内部を開けてみた。ホコリの蓄積もなく非常に綺麗な状態だ。どこにもトリマーがないので部品精度だけで、性能を出しているようだ。電解Cの液漏れはないが、緑色のバイポーラのケースはビロビロになっているし、ほかのもケースが下がっているので、そろそろヤバそうだ。ついでに整流ダイオードも交換するか。
ORTFON 針圧計
グランツのアームを買ったので、まじめに調整しようと思い、針圧計を買った。安物なら2000円で結構いい加減らしいので、ここはオルトフォンのしっかりしたのを買った。使い勝手は良い。表示は大きいし、ライトも付いている。ここで面白いことがわかった。SAECとGLANZだと、針圧指示値に違いがあるのだ。あくまで針圧計と自分のゼロバランスが正確なことが前提での話だが。ベンツマイクロは針圧2.0gだが、SAECの指示値は2.1gぐらいで結構正確。一方、ライラ ドリアンは針圧1.9gでGLANZの指示値は2.1gぐらい。これだとGLANZのほうが軽めの指示値を示すようだ。
ここで1つやらかしてしまった。ベンツマイクロのシェルを交換しようとしたら、ネジの片方がネジ切れてしまったのだ。ベンツマイクロは樹脂ボディーで、直接メネジが切ってある。ネジはアルミ製だった。どうやらメネジとアルミネジがかんでしまい動かなくなって切れてしまった。頭を軽くするため、ネジにアルミを使っている方は、ご注意を!このカートリッジは、針が減ったら捨てるしかない。がっかり。
2024/5/28 LUXMAN E-250 VS SONY HA-55
昨日はアーム対決で、今日はヘッドアンプ対決だ。LUXMAN E-250のMCポジションとSONY HA-55のMCヘッドアンプ対決である。普通に考えると現役バリバリのE-250のほうが有利だが、簡単には予想通りにならないのがオーディオだ。HA-55は、1977年頃の発売なのでもう47年も前なので、電解Cも寿命を越えているし、ほかの素子も性能を保っているとは思えない。でも買って聞いてみたいと思った。まずはE-250のMCポジションから、奇をてらった所がないまっとうな音である。やや甘めか。続いてHA-55を聴く。とても47年も経っているとは思えないサウンドだ。こっちのほうがゲインが高いが、ノイズはない。全体にクッキリした音で低域の馬力もある。これは好みの音だ。さすがにオーディオ全盛期の製品は、一味違うと思わせるものがある。カートリッジはライラ ドリアン。HA-55の3Ωポジションでは、やや音が詰まったように聞こえる。40Ωポジションのほうが抜けが良い。実際には25Ωと100Ωらしいが。こうなると増々、ヘッドアンプ WP-MCHA01の期待が高まる。HA-55は、筐体がしっかりしており、見た目よりズシリと重い。スイッチ類も当時のTA-N902と同じ形状で金がかかっている。これはじっくりいじってみたい機器だ。

2024/5/27 SAEC 407/23 VS SME 3012R
現在出品中のTORANSROTOR DARKSTARを買ったとき、SME M2-9と言うアームが標準設定だったが、結構お高かったのでSAECの407/23を取り付けるべく自分で図面を引いて、純銅アームベースを作った。目論見は当たり、SAECらしいキレのある音が得られた。その後マイクロの糸ドライブに興味が湧き、SX-1500を買い、砲金ターンテーブルをに交換した。本来砲金は吸着タイプとなり自分のセットは、存在しない。マイクロはアームベースが今でも多くの種類が手に入るので、SMEのロングアーム、それも12インチを使って見たくなった。そこで3012Rを手に入れた。今までは、プレーヤーが2台だったので、純粋にアームの音質評価が出来なかったが、今回AX-8Gアームベースを手に入れたので、407/23が付けられるようになった。SAECとSMEで違うのは、トーンアームからLUXMAN E-250につなくケーブルのみの差しかない。昔「アームは長ければ、長いほど良い」とアーム屋の社長から聴いたことがる。3012Rは、ロングアームなので、さぞや雄大な音がするかと思ったら、さにあらず。407/23のほうが低域の伸びも量感もある、全体に締まった印象の音だ。3012Rは、解像度より「これが良い音ですよ」と言うような感じで、全体にフワッとした印象を受けた。良い悪いでなく、好みと聞くジャンルの問題だ。3012Rは、聞き疲れしないので、クラシックをじっくり聞くのに良いだろうし、40/23は、ここ一発の集中力で聞くのが良いだろう。ただし407/23もすでにご老体であり、初期感度を維持しているとは到底思えず、されどメンテに出す所もなく、このまま使うしかなかろう。407/23はキレがあると感じたが、より現代的な音を聴くため、現役のアーム GLANZ MH-9Bがもうすぐ届くだろう。

ダブルアーム化したら、いろいろわかったことがあり、以下のパーツを買いそろえた。まずはアームの高さがマイクロに407/23を付けると不足気味なので、モノタロウから外径60,内径40mmのワッシャーを買った。さらにトランスローターを売ると、ディスクスタビライザーが無くなるので、ここは同じメーカーが良かろうと、MICRO ST-10にした。重量1Kg 当然中古だが、程度はまあまあだ。最後が届いたばかりのヘッドアンプ WP-MCHA01。これらはGLANZアームが届いてからでないと、作業が2度手間になるので、到着まで待つことにする。ゆうパックなので、宅急便よりは2~3日余計にかかるだろう。たぶんGLANZが本命アームと予想し、GLANZを手前側、SAECを奥側にセットしなおす予定だ。今度は10インチと9インチなので、アーム同士の干渉は無いだろう。モータベースが本体から切り離せば良いのだが、自分のSX-1500は標準バージョンなので、モーターベースがない。いつか手に入れたいものだ。モータカバーもないが、こっちはスモークアクリルで自作できそうだ。
2024/5/24 MICRO SX1500 ダブルアーム化
やっとSAEC 407/23用のアームベースが手に入った。純正品ではないとのことだが、凄く良い品だ。さっそく取り付けてみた。寸法ピッタリで、セット完了。これからDARKSTARに付いているアームの移植作業にかかる。アームはいろんな調整があるので、音が出るまでには、結構な時間がかかるが、それも楽しみのうちだ。
何だかんだで、やっと2つのアームが収まった。SME 3012Rは12インチでSAEC 407/23と同居させるには、結構厳しい位置関係になる。アーム同士がぶつからないギリギリの所で両社のオーバーハングを成立させることができた。本当にギリギリである。問題だったのは、SME用のアームベースで純正かどうかわからないが、アームを固定する4つのタップが片側にしか切ってなく、アームベースを反対に取り付けられなかった。アームの距離が決まって、さあネジ締めをやろうとするとターンテーブルと6角レンチが干渉して締めつけられない。ターンテーブルを取ろうとしても、外れない。なんとかボール型6角レンチで締めることができた。めちゃくちゃ疲れた。これでSMEにベンツマイクロACE-L、SAECにライラ ドリアンを付けて試聴開始。久しぶりのアナログサウンドは、気持ちが良い。キレキレのライラに対し、しっとりとしたベンツマイクロと言う感じだ。3012Rは、中高域の響きに艶が乗ると言われているので、今後、じっくり時間をかけて、アームの差、カートリッジの差を聞いてみたい。使っているフォノイコライザーは、LUXMANのE250なので、少しおとなしめの音が出ているのかも知れない。これをWP-MCHA01+C46の内蔵フォノイコライザーで聞くとどうなるかが、次の楽しみだ。E250でもアース接続なしで、ハムは出ないのは良いことだ。さらにキレのある音になるかが鍵だ。
2024/5/23 MCヘッドアンプ WP-MCHA01 その1
昔、空港向けの自動改札機を設計して納入した。納入した途端に、クレームが来た。海外製の発券機で発券した磁気券がほかの改札機では読めるがうちのでは読めない、と言うものであった。先輩に「たぶん磁気ヘッドの調整が悪いだけだと思うので、今からセントレアまで来てくれ」と言われ、作業服のまま新幹線に飛び乗り夕方に着き、ゴットハンドで完璧な調整をしたが、さっぱり直らない。その日から1週間缶詰になって対応したが改善せず、コテンパンに怒られて戻ってきた。今でもあの時が過去最高に悔しかった。戻って来てから、ハイコーダーで波形を読み、マジに10mぐらいの長さになるように時間軸を取り、床に顔が付くぐらいまで波形を眺めた。これを何度も何度も繰り返した。そうしているうちにだんだん原因がわかってきた。海外製の発券機で書いたものは、書き込みが浅かったのだ。違う言葉で言うと「出力が弱い」と思っても良い。つまり出力が弱いものを磁気ヘッドで読んで、そこからアンプで増幅されるまでの間にノイズを拾って波形がなまって、波形が読めなくなっていたのだ。そこで磁気ヘッドにほぼ直結の形で「サテライトアンプ」を実装し、見事に問題を解決したのだ。ここで言う「サテライトアンプ」と言う名前に古いマニアの方ならピンとくるだろう。そうYAMAHAが開発した「HA-3 ヘッドアンプ」だ。これはサテライトアンプと言う超小型の増幅器をカートリッジの後ろに実装し、発電直後に増幅すると言う画期的な製品だった。今頃になって、こいつを試してみたくなったが、ヘッドアンプは見つかっても、サテライトアンプ付きはほぼ全滅状態で見つからない。そこでかすかな記憶で、どこかで似たようなのがあったな、と思い出して見つけたのが「MCヘッドアンプ WP-MCHA01」だ。こいつはさすがに技術の進歩で、さらにパーツの小型化が進み電池まで積んでいる。これは試してみないわけにはいかないと思い、早速購入した。マークレビンソンのJC1ACも検討したが、ハムの問題がありそうだし、JC1DCは、電池式なのは良いが長時間使わない時に液漏れが心配だ。WP-MCHA01は、LEDが付いていて電池容量もわかるし、電源スイッチも実装しているので実使用に耐えると判断した。自分は共立電子製を買った。保護カバーに「STEREOロゴ入り」「赤」「グレースモーク」の3種類があり、一番シンプルなのを選んだ。MCカートリッジは、出力電圧が弱くそのままでは、フォノイコライザーに入れても音にならないので、トランスかヘッドアンプで昇圧することになる。トランスは音が太いが解像度がイマイチ、ヘッドアンプは解像度は良いがノイズがイマイチ、と簡単に言うとこんな所である。そこでカートリッジのすぐそばで増幅する「サテライトアンプ方式」はノイズが乗る前に増幅するので、理にかなった方式だと思う。マイクロのアームベースも購入できたので、ダブルアーム化と同時にSAEC 407/23にベンツマイクロ ACE-Lかライラ ドリアンを実装し、WP-MCHA01を付けて音を聴いてみたい。楽しみだ。よって残念だが、TRANSROTOR DARKSTARは手放すことにした。カッコは最高だし、超SNが良いターンテーブルだ。

2024/5/22 MC252メーター調整
メーター照明を調整したとき、誤ってメーターのゲイン調整値を動かしてしまった気がしたので、3台のMC252のメーター指示値を再調整することにした。用意するのは、ダミー抵抗:8Ω 300W この手の抵抗も今では手に入りにくくなり貴重品だ。あとは信号発生器:正弦波でボリューム連続可変型が良いが、自分のは安物で0.1V単位でしか調整できない。残りはテスターが2台あればいい。やることは簡単だ。W数=電圧値の2乗÷8Ωなので、2.5Wで調整する場合は、4.47Vになる。SP端子の8Ωにダイー抵抗を付けて、その電圧をテスターのAC電圧モードで測った時、4.47Vになったらメーターの針を常用域の2.5Wに合わせれば良い。アンプの上にダミー抵抗と信号発生器を載せ、1KHzで0.2V出力した時のアンプの出力電圧が2.135Vだったことを示している。ピークパワーに合わせることも出来るが、ほとんど使わない所に合わるより、常用する0.25~25Wの範囲が正確なほうが良いと思う。
信号発生器から0.5V出力時、アンプ出力は4.61Vだった。ということは、W数=4.61Vの2乗÷8Ω=2.65W出ているが、この状態で針を2.5Wに合わせた。2.65/2.5=1.06 実際より6%ほど出力が出ていることになるが、測定器じゃないアンプの出力なので、これで良しとする。表示が少なめに出ているほうが、安全側だ。調整するのは、メーターの裏にある青いトリマー2ケ。ここの抵抗値は良く考えられていて、指の動きとメーターの針の動きがリニアに一致するので、すごく調整しやすい。3台のアンプを調整してわかったのは、3台のアンプのゲインはピッタリ同じで、良く特性が揃っていると言うことと、3台とも針の指示は間違っていなかった。つまりメーターのトリマーはいじってなかったことになる。めでたしめでたし。今回は2.5Wなので自然空冷で調整できたが、25Wから上で調整する場合、ダミー抵抗の冷却が必要になる。それも考慮してファンも内蔵してあるものを自作したほうが便利だと思う。滅多に使わないが、いざやろうとすると結構、機材をそろえる必要があるが、こういうことも楽しいものだ。
2024/5/19 センターSP用MC252配置変更
センターSP用のMC252を入れてから、まだ映画を見ていない。センターSPの前に、ドーンとMC252が3台あると、やはりちょっと威圧感がある。そこで何とかアンプを下げたいと考えていた。そこで思いついたので、TAOCの300DLCと300DLの2段重ねだ。2つ重ねると280mmになる。ただし敷いていたRASKの厚みでMC252が入らなく。仕方なくRASKを取ったら、スッポリといい感じにセンター用のアンプが収まった。MC252の上にセンターSPを配置できたのだ。この状態でもヒートシンクの上にセンターSPはなく、放熱の心配はない。HTM1は、奥行が短い密閉型なのだ。発熱が少ないマッキントッシュアンプならではの技だ。A級アンプでは、こうはいかない。メインSPよりも奥に3台のアンプが並んでいるので、メインSPとアンプ筐体の音の干渉、反射も少なくなったはずだ。我ながらナイスなアイディアだ。機材も整理しているので、だいぶ部屋の中もスッキリしてきた。ただまだ大物のLUX A3000とトランスローター DARKSTAR、ESOTERIC DD-10などがある。なんとか頑張って見よう。北会津にあるCL32とSV845PPも何とかせねば。居候させていただいており、申し訳ない。
配置変更後、映画を見た。セリフに厚みがあるのは良いが、キレがイマイチ。思えばAPEQの測定は、PASS ALEPH0でやったままだ。APEQはアンプ込みで時間軸、位相補正を実施するので、これは再測定しなくては本来の音にはならない。同時にAVプリもセンターSPの位置が違っているので、再測定が必要だ。メインSPも周りの反射が変化しているので、これも再測定が必要だ。ということで、全部、再測定しなくてはいけないようだ。ついでに、MC252のメーター表示調整も実施しよう。どう見ても25Wも出ているはずがないのに、針がビンビン振れる。LED照明を調整したとき、誤ってメーター用のトリマーを動かしてしまったようだ。幸いにも正弦波発振器と8Ω 300W抵抗があるので、これを使って調整しようと思う。
2024/5/12 MC252 到着
センターSP用の3台目のMC252が到着した。相変わらずクソ重い。何とか部屋に持ち込んだ。最近のメーター照明は、ランプからLEDに変わっていて、球切れの心配がないのは良いことだが、実は困った問題がある。メーターの明るさが合わないのだ。光る原理は、青と緑のLEDの光を光ファイバーで導いて光らせている。青と緑の配分と全体の光量を左右別々に調整できるのだが、自分の持っている1台目は最大光量でも暗く、2台目は最小光量でも明るすぎて、左右のアンプの光量が同じに出来なかった。そこで3台目を入れたら、1台目に近くなんとか同じぐらいに見えるように出来た。なので3台目を左chに使って、左chをセンターSP用に使うことにした。トリマーを動かしても調整できないので、LED自体のバラツキか、LEDの前の固定型電流制限抵抗のバラツキが大きいのだろう。電圧はきちっと15V出ているので、故障しているわけではない。ランプの時のほうが、均一で同じ光量だったのが、懐かしい。
2024/5/8 MC252 受入れ準備
MC252を横一直線に並べるのと、センターSPの位置を奥にズラす、高さを低くする、MC252の下にオーディオボード敷く、周りの空間に余裕を持たせる、以上を同時に実施した。勿体ないが、PIEGA TP5とPASS ALEPH0も売却することにした。良い音するんだがなぁ。まずセンターSPの高さを少しだけ下げるため、RASK+ダイアトーンキューブの構成を、TAOC TITE26R+クアドラスパイアに変更した。これで1cm低くなった。さらに余ったRASKはセンターSP用のMC252に敷けるので一石二鳥だ。後ろに下げてもまだセンターSPの軸線が自分にまっすぐに向かってなく、やや下の位置になっていたので、1cm厚のコルク板をセンターSPとTAOCのSPスタンドの間に挟んだ。これでドンピシャの位置に来た。センターSPは背面がラウンドしているので、TAOCとは良く見ると「点接触」になっていた。コルクは変形するので、これで「面」で受けられるようになったのは良いことだ。面で受けるので、こちらのほうが、しっかりとセンターSPが乗っている感じだ。いろいろ配置を変えたので、PAD ACドミナスがセンターアンプに使えそうだ。電源は光城 Mt1000から取ることにする。これでセンターアンプの出力値と消費電力の両方が読めるようになる。Mt1000からはスーパーウーハーにも給電する。このほうが、映画を見る時だけスーパーウーハーに給電するので、待機電力を消費しないし、安全だろう。MC252を3台並べると、センターSPから見た場合、長さは短いが床のような役目をして、床に音が反射して、よりリスポジに音が届くようになる効果も期待しているが、これはやってみないと分からない。これで3台目のMC252を受け入れる準備は出来た。

2024/5/6 マッキントッシュMC252 3台目
センターSP駆動アンプとしてのTA-N902は、申し分のない性能である。だが、何かが足りない。あれこれ考えて人生最後に買うアンプは何がいいかを決めた。センターSP用は、メインと同じMC252にしようと思う。自分は、メーター付きのアンプが好きだ。TA-N902にもついてはいるが、実用に耐えるものではない。マッキントッシュの場合、やはりブルーアイズに魅了される。さらにMC252を3台並べたら、自己満足だが良い眺めになるだろう。音質も意匠も統一されるので、最高の選択だと思う。さらにマッキントッシュの場合、「パワーコントロール」が使えるので、3台のアンプをプリから安全にON-OFFできる。この機能は、一度使うとやめられない。日本製のいいかげんな「12Vトリガー」とは、作りが違う。試聴中に突然電源が落ちたりしない。さすがはマッキントッシュ、安定性はピカ一だ。ところが、GWのあおりを受けて、九州から4/30に発送されてもまだ東京の中継基地にある。2人工分の送料を払っているが、本当に2人で運んでくるのだろうか?なかなか届かないので、段々と心配になって来た。届いたらホームの部屋の写真も更新しよう。もう大幅に入れ替わっていて、現実との差が大きくなってしまった。5/7に運送会社から連絡があり5/11に配送が決まった。楽しみである。センターアンプのスペースを開けて待っている。

2024/4/6 SONY TA-N902 その1
SONY TA-N902が届いた。外観は年式相応だ。問題は中身だ。大きな傷はないが、小傷はあちこちにある。天板はサビなく状態良し。重量は28kgもある。ヒートシンクにRかけしてあるのが良い。クレルやPASSでは、何度移動の際に怪我をしたことか。金はかかるが安全に配慮した設計は、さすがメイド イン ジャパンだ。130W/ 8Ωなので、AB級アンプだと思ったが、A級のようだ。ただし「ほとんどの領域で」と書いてあるので、130WフルにA級動作ではないようだが、5パラプッシュプルの強力な出力段が支えているので、5Wや10WぐらいのレベルでAB級に移行するものでもないようだ。サービスマニュアルにもA級動作範囲の解説は無い。
アッテネータツマミには、こすった跡があるが、バリアブルインプットは使わないので気にしない。電源SWが回転式でカッコ良い。カチッとした感触が溜まらない。こういう所までこの時代は、作り込んでいるのがわかる。電源ONの緑の照明は、光漏れがあるのでLEDでなくランプのようだ。この時代はまだLEDは一般的ではなく、パネルの照明はONKYOもPANASONICもランプだ。
さて緊張の電源ON。まずは赤いプロテクションが点灯し、数秒後にカチッとリレーが解除された。リレーの音が良い。この機器の内部の状態は良いのがわかる。機械は音を聴けば、状態がわかるものだ。緑の表示は運転温度表示で、冷間は青、適温(40~90℃)が緑、高温が赤で、赤連続で自動シャットダウンする。何分ぐらいで緑になるのか、次回見てみよう。
一番興味があるのが、DCオフセットだ。どんな名機でも30年も経てば、パーツも劣化するので大幅にDC漏れしてても、おかしくない。驚いた。たった5分でLchは、全くDC漏れなし。Rchですらたった8mVだ。これは超優秀。どこかでメンテされたのかも知れない。天板を開けて見たくなった。外観はまあまあだが、中身は当たりのようだ。

開けてビックリ。なんと完全オリジナルだった。ただしびっしりとホコリが溜まっていた。ホコリが多い環境に長時間した証拠だ。錆は出てないので、パーツの劣化が少ないのかも知れない。バカでかいEIトランスが2ケ。その後方に電解C。左右にチャンネルを振り分け、出力段の上にドライバー基板が載るタイプ。良く練られた構造だが、コネクタ接続がほとんどないので、基板どおしをワイヤラッピングしたあとに筐体に組み込むやり方だと思う。この手のタイプは、シロートメンテには向かない。オリジナルのままで、当初の性能を維持しているなら驚異的な安定度だ。トリマー抵抗は一般的な開放型なので、湿気やホコリで接触不良になっていてもおかしくないのだが。回路設計が優秀なのか?。良くみると入力部やメーター部にそこそこの容量の電解Cを抱いているので、専用電源設計のようだ。相当、各部に気を使っているのがわかる。このへんはあとでじっくり回路図を見ることにしよう。

ホコリの堆積はすごい。これだけあると、悪さしないはずがない。ゆっくり取り組むしかなかろう。少なくともこのまま音出しする気にはなれない。
そろそろハンダクラックが起きそうな気配を感じる。「PRE AMP」基板の中央左右にある青い丸いトリマーがDCオフセット調整用だ。このトリマーは最新型に交換したい所だ。アイドリング調整も、テストピンがあるので、やりやすい。この機種のメンテ記事が非常に少ないのは、コネクタ接続でないため、メンテが面倒なのでやりたくない、と言うのが真相だろう。さてどうするか。
まずはきちんと清掃し、その後、DCオフセット、アイドル電流値、メーター指示値を調整して異常がないかを確認する。そして試聴しノイズが無いかを確認。その後、目視でもダイオードの足が黒くなっているので、交換可能か検討する。また多くの故障が出力段のパワトラ破損で電源が入らなくなるようなので、ヒューズ抵抗値の調査やプリアンプ基板のハンダクラックチェックをしてみたいと思う。DCオフセット、アイドル電流値などはテスターで数値を合わせれば良いものと思っていたが、数値よりもオシロで波形を見て、フラツキや変動が無いかの安定度が大切なことに気づいたので、今回はオシロを使って調べて見ようと思う。
DCオフセットは左右とも1mV以内に設定したが、Rchがやや不安定だ。アイドル値は、マニュアルには60mVの記載がある。基板には50mVと記載されてます。電源投入直後はLch:71mV、Rch:54mV。最終的に左右共58mV付近に合わせた。左右の音も問題ないし、左右のヒートシンクの温度も差がない。暖まった時の音は、クリアーでストレートな印象だ。ただし決して粗くはない。低域もしっかり出るし制動力もある。これは好みの音だ。低域の分解能は、なかなかのもので、弾力のあるベースラインが気持ち良い。低域方向で聞こえなかった音が聞こえたのは、新鮮な驚きだ。レベルメータも動いている。音量は、メーター調整前だが、0.03から0.15Wぐらいで試聴した。オレンジ色の横棒で、映画用なら目だたなくて良いかも知れない。ヒートシンクの温度は室温19℃で43~45℃。夏場は、ちょっと辛いか。やはりアイドル値は50mVまで下げよう。(マイナス表示は、接続ミスです)
サーミスタが付いているQ354で20分後の温度を測定したら37℃であった。ヒートインジケータは、青と緑の中間ぐらいの色だ。青はクッキリと見えるが、緑がどうも音っぽい。たぶん緑点灯時間が一番長いので、ランプがヘタっているのだろう。ランプ交換も簡単にはできないし、ヒートインジケータの調整は出来ない。ACジェネレータの電流計を読むと消費電力はぴったり200Wで変動しない。1時間も経つと完全に暖まったようで、自然体でかつ締まったいい音が聞ける。これなら売れたのが納得できる。このレベルの音は、今でも十分通用する。さて一通りいじって音も聞いたが、おかしい所はないので、これからどうしたものか。結局プリアンプ基板の取り付けネジを外した所で、断念した。どうやっても外せないからだ。あとで気が付いたが天板裏に外し方が書いてあったが、とても外れる雰囲気ではなかった。このアンプの基板は「芋つる方式」だ。すべての基板がハンダ付けかワイヤラッピングでつながっているのだ。なので特定を基板を修理したくてもコネクタが無いので、ハンダを切り離さないと基板を修理することが出来ないのだ。どうやって組んだのか、理解に苦しむ。自分のようなシロートには、ハードルが高すぎる。元どおりにするには、配線をすべて間違わずに再ハンダしなくてはならないし、写真のグレーの8の字になっているケーブルはたぶんアース線だと思うが、先端がコネクタになっている。これがクセ者で、基板に太いポストが立っていて、そこに差し込むのだが、プリント基板の薄っぺらい箔にポストをハンダ付けしているので、押し込んだら箔が浮いてしまった。元どおりにしたら故障はしなかったが、今度抜き差ししたら、箔が取れて修理不能になりそうだ。アイドル値が怪しいので、トリマーを交換したいが、壊しては元も子もないので、これで終了とする。これで映画を見た。マランツ MM7025で鳴らしたB&W HTM1は、高域がキンキンした印象だったが、こいつで鳴らすと凄く自然でセリフのニュアンスが良く聞き取れる。ピークパワーは75Wまで出ていた。ただしメーターは調整してないのであてにならないが、Mcintosh MC252のメータとほとんど同じような指示だったので、大幅に狂ってはいないようだ。爆発音以外は、うちの環境では5Wもあれば十分だ。爆発音で50W。モノパラレルで使っているので500Wの1/10しか使っていないことになる。このまま使うか、センターアンプもMcintoshにするか、難しい問題だ。

2024/4/3 センターSP用アンプの考察
映画でもっとも大切なのは、センターSPである。よってアンプ選びも慎重を期すべきだ。使っているセンターSPはB&W HTM1 バイワイヤ仕様だ。上を見ればきりがないが、過不足ない性能だと思う。解像度も高く設置性も良い。鳴らしにくくはないが、密閉式なので、そこそこのパワーは必要だ。今までいろいろなアンプで鳴らしてきた。現在はPASS ALEPH0 シングルエンドA級100Wだ。このアンプの素晴らしさは今更語る必要もないが、実在感のある声が魅力だ。さらにマランツのMM7025と言う140Wのステレオアンプも使っている。重量10.8kg。こちらはステレオ仕様なので、バイアンプ駆動にしている。パワーは上がっているが、パワフルには聞こえないし、ちょっと高域が出過ぎるように聞こえる。この辺が真のオーディオアンプとの違いだろう。ただし12Vトリガーが使えるのは、すこぶる便利だ。強制空冷ファンが付いているが、通常使用ではファンが回らないのも良い。ただしやはり重量10.8kgではトルク感が出ないのは、いたしかたないだろう。そこでオーディオ用に設計され、クセがなくスッキリしたサウンドを持ったアンプを探したところ見つかった。SONY TA-N902だ。1983年製だが、SONYが真剣に取り組んだ製品なので、抜かりはない。重量28kg。出力段は5パラプッシュの130WX2。ブリッジ接続で400W出せるのも魅力だ。サービスマニュアルも入手できたので、購入することにした。ほとんど同じパワーで10.8kgと28kg。約3倍もSONYは重い。良い音のするアンプは重い、と言う経験から外れたことはない。バイアンプで130Wで使うか、ブリッジにして400Wで使うか、やってみる価値は十分ある。ただし最終的には、メインと同じマッキントッシュでセンターSPも鳴らしてみたい。自分は、出力値が見える機種が好きである。TA-N902も、おまけ程度だが、パワーメーターが付いている。うちで映画を見ている時は、最大でも25Wも使っていない。ほとんどが2.5W程度だ。だが瞬発力がないと腰くだけの音になってしまう。
2024/3/27 機器の入れ替え
12Vトリガー電源は、完璧に動作しONKYO PA-MC5500パワーアンプの電源が落ちることは無くなった。これで映画環境は、一段落したが、プロジェクターの高さが低くなったら、以前よりセンターのセリフの明瞭度が格段に上がっているのに気がついた。今まではセンターの音量をかなり上げて聞いていた。「評論家スタイル」の機器の配置は、操作性は抜群だが、目の前に壁があるのと同じなので、センターの音の邪魔になっていたのだ。よってプロジェクターの位置をギリギリまで下げるように配置替えを実施することにした。愛用のクアドラスパイア Q4Dの長手寸法には、プロジェクターの横幅が入らないので困っていた。現在も棚の一番上に置いている。そこでなんとかすべくQAVMと言うラックを手に入れた。これはQ4Dを横の2つ並べたぐらいの寸法だが、横幅が1mもあるので、余裕でプロジェクターが入る。しかも強度があるので、今までと同じ4本ポールで機器を支えることができる優れものだ。これを使ってプロジェクターを下から2段目に格納しようと思う。ついでにセンターSPの目の前にで~んと鎮座するCELLO DUET350も片付けよう。これでセンターSPの音は、良くなるはずである。またQAVMを使うと横に並べた機器間寸法を狭くできるので、操作性も良くなる。やはり使わない機器は、片付けるのが良い音への、近道だろう。機器を整理して、なるべく目の前の機器の高さを抑えた配置に変更してみる。ついでにメインシステムをCELLOからMCINTOSHに交代させようと思う。フロントの機器をすべて入れ替えるのは、結構大変で、力も使う。8割ぐらい終わった所で今日は終わり。残りはパワーアンプの配線とメインSPの配線だが、機器の裏側できつい体制で配線するのは、やっかいな仕事だ。
2日がかりで、やっとオーディオ系の配置替えと音出しが完了。映画は、これから配線間違いがないかを確認する。クアドラのQAVMの寸法が絶妙で機器をうまく収納できた。プリ2台、トランポ、DAC2台、デジタルイコライザー3台とプロジェクターが綺麗に収まった。写真だとわかりにくいが、高さが5cmぐらい下がっている。これだけでも左右の見通しが凄く良くなっている。これでセンターSPにも効果があると良いのだが。センターSPの前にあったCELLO DUET350は右に移動して、なるべく干渉しないようにした。QAVMはQ4Dと同じように見えるが、実際には板の厚みが増しているので、頑丈なのだ。一番上のチェリーの板は、新古品で、ほとんど新品同様の掘り出し物を手に入れました。クアドラは、セット品を一度に買おうとすると高価だが、自分のように棚板、ポール、スパイクなどをこつこつと買っていくと、いろんな組み合わせができるので、とても使い勝手の良い製品だと思う。

プロジェクターの高さがピッタリ収まっているのが、わかるだろう。棚板が大きいので機器と機器の水平方向のスキマが縮められるので、操作も楽になる。今回はAVプリの上の天板はQ4D VENTにしたので、放熱もバッチリだ。スッキリ収納できると、良い音が聞こえて来そうだ。
2024/3/20 AVアンプ 12Vトリガー電源製作 その4
パーツが入手できたので、トライアック部分を製作する。基板は使わず、手配線する。このほうがレイアウトが自由なのと好きな太さの配線材を使えるからだ。もちろん少しだけ回路図が読める必要はあるが。思うようのパーツ実装と配線ができた。AC100V線は、1ケ所も交差せず配線できた。
フロント、リアパネルはこんな感じ。リアパネルはブラザーの子供用テープ印刷機で、入出力名を貼り付けた。
完成したので火を入れてみる。もちろん事前に直流安定化電源を使って動作することは、確認したが、実機を使っての本番は毎回緊張するものだ。AVプリの電源をリモコンで入れてから、2~3秒たってカチンとパワーアンプ側のリレーがONした。うまく行った。12Vトリガー電源の赤いLEDとパワーアンプの青い表示が点灯した。動作も安定しており、フォトトライアックが入り切りすることもない。AVプリのトリガー電源と自作の12Vトリガー電源のフォトトライアックの相性は良いようだ。負荷も計算上は0.6Wしかないはずだが、電力トライアックも不安定な動作はしていない。あとは映画を見て、ランニング試験をしよう。AVプリとパワーのメーカーが異なるとうまくトリガーが動作しないことがわかっても、ここまでやるのは自分ぐらいだろう。こんなものでも、ちゃんと動作するとうれしいもんである。3端子レギュレータの温度が5℃ぐらい上昇したが、電力トライアックの発熱はほとんどなく、カバーを付けて運用しても問題はないだろう。

2024/3/18 AVアンプ 12Vトリガー電源製作 その3
定電圧回路部を実装し、LEDを点灯させる所まで作った。本機のLEDは12Vの出力確認用なので、明るい必要はないので、22KΩの抵抗を付けて暗くした。トランスは出力AC18Vを使っているので、平滑化してDC12Vまで落としている。発熱するかと思ったが、LEDの10mA程度では発熱は皆無に等しかった。入荷待ちのトライアック制御回路は、負荷が5Wぐらい無いとうまく動作しないらしい。12Vのリレーもせいぜい40mAぐらいしか消費しないので、LEDが0.12W,リレーが0.48W 合計で0.6Wにしかならない。とりあえず作ってみるしかないが、負荷追加を考えなくてはならないかもしれない。負荷を増やすには、抵抗を入れて電力を熱に変えるしかない。その場合、メタルクラッド抵抗しか使えないだろう。18V出力で5VAX2で10VAなら、0.55Aが最大供給電流になる。この計算が正しいかわからないが、V=I・Rで、12V=0.55A・R R=21.8Ωの抵抗を入れると最大電流が流れることになる。22Ωで10W抵抗があれば良いが、これではトランスの容量いっぱいを使ってしまい危険だ。30Ωなら12=I・30 I=0.4A 4.8Wになりいい感じだ。。マルツで30Ω 25Wが¥738で入手可能だが、これは最後の手段だ。
ACインレットとモノラルプラグ用のジャックを実装した。電動ドリルでおおまかな穴を開け、あとはヤスリで仕上げる。手間がかかるが、これが一番キレイにできる。何となく形になってきた。先ほどの負荷計算だが、合計で0.6Wと言うことは50mAしか流れないことになる。フォトトライアックを12Vで駆動するためには、入力抵抗を1KΩ 1/4Wにする必要がある。これで10mA流れる計算になる。この場合、入力電圧が6.2V~26Vまで動作できるようになるが、フォトトライアックが不安定動作する場合、駆動電流を20mAにすると良いと書かれている。この場合の抵抗値はR1=(12-1.15)÷20=0.54KΩなので、500~600Ωにしてみれば良いことになる。手元の抵抗で570Ωが作れるが、まずは1KΩでやって見る。

2024/3/15 AVアンプ 12Vトリガー電源製作 その2
予備試験として、安定化電源で12Vを出して連続動作が安定するかをやってみた。やってみると以外なことがわかった。なんと4.15Vでアンプの電源が入るのだ。アンプ中央の青い横長のランプが電源が入ったと言う状態だ。ということはPA-MC5500は5V仕様のリレーを使っているのだろう。OFF側は3.59Vだった。とりあえず正規電圧の12Vぴったりに電圧調整して、やって見ることにした。まずは2時間連続駆動をやって見る。これでうまく行けば良いのだが。安定化電源で制御できるのが一番だが、安定化電源は100Vを入れても、OUTPUTボタンを押さないと出力されない仕様なので、ノータッチでON-OFFすることはできないのだ。いつも30分ぐらいで電源が落ちるので、まずは30分経過では電源は落ちていない。2時間経過したが、問題なく電源は入っている。ここから得られる結論は12Vが安定して供給されていれば、PA-MC5500の電源は落ちないと言うことだ。これで12Vトリガー電源を作る意欲が湧いてきた。ONKYOからトリガーに関する回答が来た。現在、ONKYO自体はメンテを行っておらずティアック修理センターが窓口になっている。届いた回答は以下で原文のまま「ティアック修理センターでございます。 申し訳ございませんが[ONKYO]PA-MC5500の 製品内部に関するご案内はさし上げておりません。 また本機の修理もお受けしておりません。」と言うことで、情報は得られず、壊れても修理もできないそうだ。いつから日本のオーディオメーカーは、売りっぱなしになってしまったのだろうか?もうオーディオメーカーのプライドが無いのだろう。日本社会の現実がここにある。寂しい限りだ。
2024/3/14 AVアンプ 12Vトリガー電源製作 その1
最近のAVプリ、パワーには、大抵12Vトリガー端子が装備されている。ところが、このトリガーも困ったことに規格化されていない。なんでこういうユーザーに不都合なことをどのメーカーも問題にしないのか?こういう所が日本のオーディオ業界の閉鎖的で将来性がない問題の象徴だと思う。自分はちょっと前まで、ヤマハのAVプリを使っていたが、これとマランツのMM7025と相性が悪く12VトリガーでマランツをONできなかった。マランツが壊れているのかと散々調べたが正常だった。そこでプリをマランツのAV8802に換えた。さすがに問題なくMM7025をON-OFFできる。さらにドルビーアトモス用の天井SPを鳴らしているONKYO PA-MC5500 9chパワーアンプとつなげると、ONするのだが、いつの間にか電源が落ちている現象が出ている。AV8802のトリガーは12V 150mAと記載されている。残念ながらONKYOのほうは12Vとだけ記載されていて詳細不明。ここからは想像だが、ONKYOのアンプのトリガーは150mAギリギリで動作するのではなかろうか?なので時間が経つとリレーのラッチが外れてしまうと考えると納得できる。回答が来るかわからないが、ONKYOの修理受付にメールをしてみた。AV8802の12V電源容量を増やすことはできないので、単体の12V定電圧電源付きのスイッチボックスを作ってみることにした。これを手元に置いておけば、PR-MC5500の電源を入れに行かなくて済むし、LEDを付けるので切り忘れも防止できると考えた。仕様は12Vで0.6Aを流せるようにしたい。今の4倍の電流を流せばさすがに大丈夫だろう。トロイダルトランスはTALEMA製 70043K TA60Eの115V×2入力 18V×2 5VA 合計0.6A仕様が手元にあった。115V仕様で18Vなので100Vだと、2次側電圧は下がるのかと思いきや、しっかり18.4V以上出ていた。これを使い慣れた3端子レギュレータ LM350Tで12Vを得る。LM350Tは欲しい電圧プラス3V以上の入力が有れば動作するので、18V以上あれば問題ない。これをなるべくコンパクトに実装しなくてはならない。3端子レギュレータ部は秋月電子のキット品:なんとたった450円を使い、ケースも秋月電子で取り扱っているタカチのSY-110Gと言う樹脂ケース:900円を使う。あと生基板やショットキーバリアダイオード、スイッチなどなど全部で2300円なり。トランスを入れても5000円程度で済む。ここまで自作してもPR-MC5500の電源が落ちるなら、あきらめるしかなかろう。
運よくPA-MC5500のサービスマニュアルが入手できた。これによるとパワーリレーはG2RL-1A-E-DC12V コイル定格:33.3mAか、NRL-1P10A-DC9 コイル定格:44.4mAのどちらかのようだ。これだと150mAも消費してないので、リレーが落ちる説明がつかない。とするとほかに原因があるのか?たとえばAV8802の12Vはマランツ同士だと十分に電流を流せるが、ONKYOのほうが消費電流が大きく時間が経つと十分に電流供給が出来なくなるか、またはPA-MC5500側に不具合があって時間が経つとリレーが落ちるかだ。あとはAV8802の12Vが勝手に落ちている可能性もあるが、マランツ同士では落ちたことがないので、この可能性はない。やはりやってみるしか方法は無さそうだ。うまく行ったら、AV8802の12Vトリガーを使って、このトリガー電源のAC100Vを入り切りするように作ればいいだけだ。そこでちょっと調べたら、またまた秋月電子で良いものを見つけた。5V~24V入力でAC100VをゼロクロスでON-OFF制御できる「ソリッドステートリレー25Aキット」。なんと450円なり。35Aタイプでも700だ。25Aタイプは、トライアックの放熱板なしで2Aまで流せる。12Vトリガーは0.6Aのトランス容量しかないので、2Aも流せれば十分だ。35Aタイプも同じく放熱板なしだと2Aだが、こちらは大型トライアックが底付けされているので、取りつけやすい。もちろんこのほかに少々パーツも必要だが、入力部の抵抗を変えて、好きな電源電圧に対応できるのがいい。CSEのゼロクロススイッチ付きが450円でできるのだ。トライアックの放熱だけ気をつければいいので、簡単に工作できる。これはまず12Vトリガー電源を完成させねばなるまい。ここで1つアイディアが浮かんだ。定電圧電源装置を持っているので、これで12Vトリガー電圧を作ってPA-MC5500に入れたら、どうなるかだ。定電圧電源装置は勝手に電源が落ちたりしないので、これでアンプ電源が落ちたら、アンプの問題だと判明する。早速やって見よう。
2024/3/12 ELEKIT TU-898 WEST-CAP実装
カップリングコンデンサをデルリトモからWEST-CAPのオイルコンデンサに変更する。まず最初に極性確認から。マルチメーターをAC電圧モードにして、手で本体を持った時の電圧値の大きい方のプローブの+側を回路のマイナスに接続する。
このように明らかに数値が異なる場合と、差が無い時がある。差が無い時は気にしなくても良いだろう。どちらにつないでも音は出るし、壊れることはない。改造前の写真を撮り忘れてしまったが、なんとか実装はできた。しかいデカイ。音を出しての第一印象は、響きが深いと言うことだ。ノイズ感は全く無い。音場はより深く奥に定位するように感じる。高域はまだまだ伸びが足りない感じで、丸くはないがスパーンと立ち上がるような音ではない。うるささが無いと言っても良いだろう。自分のTU-898は、オリジナルに対し、交流点火、ウエスタンの配線材、スプラグのコンデンサ、ソケット交換、WEST-CAPのオイルコンデンサとあらゆる点を改造したので、もうオリジナルの気配は微塵もないが、よりハッキリ、深い音になったのは間違いない。この機種はコンパクトで重量的に扱いやすいし、回路もシンプルなので変更するとすぐ音に反映される。初心者からベテランまで、オススメできる良いキットだ。唯一もったいないのは、ステンレス天板には真空管冷却用の穴が開いているが、その下のシャーシには、穴がなく飾りになっている点だ。トランスカバーも同じでカバーだけに穴が開いている。シャーシに穴を開ければ、底板にはスリットがあるので、自然空冷できるようになる。ただしわずか5W程度の出力なので、内部が高温になることはないのだが、長く安定して使うには、空冷できるほうが良いだろう。またいつか挑戦してみよう。


2024/3/7 PANASONIC DMP-UB900
やっと4KBDプレーヤを入手した。PANASONICのDMP-UB900だ。結論から言うとやはり4Kは違う。いままでの2Kでは、ボケた時のザワザワ感が気になっていたが、全く気にならなくなった。そしてよりキレのあるシャープな絵になったこれは満足だ。ただ残念ながらA、V分離をすると、オーディオのほうがFIBBRを認識しないのか、音が出なくなった。元のハードワイヤー型8K対応HDMIケーブルに交換すると、音が出た。光ケーブルはなかなか使うのが難しいようだ。このプレーヤには、表面パネルにボタンがない。表面パネルを押し開いてディスクトレイが出てくる。なので再生中は、すこぶる静かだ。今まではマランツのUD7007を使っていた。マランツ製なので、音はさすがに良いし、ズシリと筐体も重い。でも4Kはかからない。時代の流れなので、そこは仕方ないが、SACD,CD、BDプレーヤとして見たときは、大変優秀な機器だと改めて思った。
気にいった機能は「字幕位置調整+字幕輝度調整」である。これはリモコンの「字幕」ボタンを押すと一発で出てくる便利機能です。位置は上下に±15段階で変更可能。絵が出ている所より、下に出せるのは絵の邪魔をしないので、すこぶる快適です。さらに好みの明るさに字幕を変えられるので、疲れません。これは良い機能です。これだけでも買う価値ありです。
最後に4K映像が出ているかを「情報」で確認して終了。ちゃんと4K 24Pになってます。めでたしめでたし。次はソフトバージョンアップをやってみようと思って確認したら、Ver1.83で最新バージョンになってました。あとは接続を再度見直してみたい。現状は、BDP→FIBBR→PJとBDP→メタル→AMPでA、V分離をしている。これを、BDP→FIBBR→AMP→FIBBR→PJにできないかをやってみようと思う。A、V分離できないが、その代わり光ケーブルを2本使うことができる。さてどうなるか?やってみたらうまく行った。何故うまくいくのかは、不明だがつながったのはうれしい。あとは実際に映画を見て、安定して伝送できるかを確認してみる。BDP→FIBBR→AMP→FIBBR→PJの場合、映像データがアンプ経由でプロジェクターに行くが、その分信号が劣化しないのかが気になるが、この接続だとボリューム表示が出るので、使い勝手は良い。2本買ったFIBBRが、無駄にならないといいが。

2024/3/3 プロジェクター用電源ケーブル 5.5スケ化
VPL-VW515は、筐体の奥にACインレット部があるので、大きなACインレットプラグが使えない。そこでZONOTONEの3.5スケを使っていたが、どうもしっくりこない。そこで元もと使っていた5.5スケケーブルのインレットプラグをハッベル8215C 銅無メッキタイプに交換することにした。ACプラグはフルテック FI-11Mでこちらも銅無メッキ。無メッキは、メッキの影響がないので、ストレートな音になる。絵もストレートに、色付け無しで出て欲しい。ハッベルなら何とか干渉しないで付けられそうだ。早速、交換。作業は慣れているので、あっという間に完成。ケーブルは被覆や芯線が圧力で縮むので、一晩置いてから最終的にネジを締め付ける。昔、長岡鉄男さんが「5.5スケのキャブタイヤケーブル」を使っていた。少ししてOFCだの6Nだのが流行り出して「OFCでもないただのタフピッチ銅ケーブルなんてダメだ」みたいに言われた時期があった。自分も経験を積んでわかってきた。電気の基本は、やはり電気の通りやすさが一番重要だ。純度だ、構造だと騒ぐ前に、まずは太いケーブルを使うこと。これが基本である。長岡さんが、言い続けたことは正しかったのだ。太いケーブルを使えば、ストレートな音や絵が出る。それ以上求めるなら、線材や構造を変えて見れば良い。絶対に変化しないのは、太い線のほうが、抵抗が少ないと言うことだ。1つの例外は、CARDASのQUADLINKだ。ただのOFCで6Nじゃない。それでもあの音が出せるのは、カルダスの黄金分割理論が正しいからだ。素晴らしい設計者だと思う。明日には5.5スケケーブルが完成する。絵がどう変化するか楽しみだ。ついでに4KのBDプレーヤも入手した。SONYのUBP-X800M2が候補だったが、中がスカスカでスイッチング電源に食指が動かなかった。型は古いがPANASONICのDMP-UB900にした。M2にはDOLBY VISIONがあるが、一般的なプロジェクターで対応機種がないので、使えないのがわかったし、字幕移動も5段階だけだ。UB900は当時のフラッグシップ機だし、字幕移動は輝度まで変えられるのがありがたい。字幕映画を見る時、変な位置に表示されたり眩しかったりするので、この機能は是非使って見たいと思った。まずは4Kのブルーレイがどんなものか体験してみたい。
ちょっと分かりにくいが、VPL-VW515は電源プラグが入る部分だけが、えぐれている構造なので、プラグの頭の大きいものは、ストレートに刺すことができないのだ。ハッベルだとなんとかスキマに入り込めた感じだ。入ったので良しとしよう。さすがに5.5スケは太く安定感が抜群だ。外径は14mmほどになります。3芯です。1晩置いて増し締めして完成しました。絵はやっぱり違います。画面全体が明るくなりました。これはいい感じ。明るさを抑え、その分をコントラストにまわすことができます。5.5スケは効きます。

2024/3/1 SONY VPL-VW515
待ちに待ったリアル4Kプロジェクター VPL-VW515が届いた。筐体天板に軽いスジが見えるが、リモコンも本体もビニールが付いたまま。ランプ時間も0H。数回使用したとあるので、リセットしたのだろう。まずはセッティング。左がビクターのDLA-X700Rで少し小さい。そして天板がテカる。右がVPL-VW515でシボ加工のようなザラザラとした表面で反射しない。目の前に置く自分には、こっちのほうが良い。ACケーブルは後面に刺すタイプだが、筐体が邪魔してフルテックのプラグが使えない。残念!仕方なくZONOTONEの3.5スケに変更した。入力は写真の右側にあり、AVアンプに近くなったのと、後ろに飛び出さないのはありがたい。ビクターは右後方から光が少し漏れたが、SONYは全く漏れない。ランプ低モードの騒音レベルは、同じ程度で気にならない。SONYは後ろにボタンが無いので、リモコンでしか操作できないが、不便なことはない。GUIは、ビクターのほうが大きいしオレンジカラーで見やすい。SONYは表示部が小さいし、白黒で見にくい。こういう部分は買ってみないとわからないものだ。メニューもSONYのほうが階層が深いし、ソースによって異なる画面の大きさを呼び出す「POSITION」も、ビクターはメモリーが10ケあるが、SONYはデフォルト2つに、ユーザメモリも3つしかない。
ソフトバージョンは工場出荷時の2.002だ。これを2.301まで無事バージョンアップできた。メーカによっては、さっさとバージョンアップサービスを中止してしまう所もあるので、製造中止モデルでもバージョンアップできるSONYの姿勢はありがたい。バージョンアップはUSBメモリーで行うが、指示どおりにやれば問題なく終了する。自分の部屋は、昼間は真っ暗にできないので評価は次回にする。BDプレーヤとAVアンプ間(マランツ UD7007-AV8802)にFIBBR PURE2を使ったら、映像と音がブチブチ途切れた。このケーブルのほうがバージョンが新しいので、古い機械では動かないようだ。早く4KBDプレーヤを入手しなくては。候補は決まっているが、現在¥42800でまだまだ高い。3万代まで待とう。箱付き、取説なしなのでイマイチだ。
夜になってアマプラを試聴した感じは、ビクターのe-shift4Kと変わりない感じだ。それだけe-shift4Kの性能が高いのだろう。プロジェクターだけ新しくても、送り出しが2Kのままでは、性能をフルに発揮することができないのだろう。FIBBRも使うと音も良くなると聞いているが、昨日のようなブチブチ途切れる状態では、認識できない。4KのBDプレーヤは必須のようだ。4KのBDプレーヤならプロジェクターとFIBBRでつなぐことが出来るので、最高の信号を伝送できる。あとはBDプレーヤとAV8802をFIBBRで接続できるかは、やって見るしかないだろう。
2024/2/29 HARBETH HL-COMPACT 復活!
歪みの出ていたHL-COMPACTのウーハーがファンテックさんから戻ってきた。完璧に直っている。完全に音がよみがえった。ウーハーがちゃんとすると、高域も綺麗に再生されるのをあらためて実感した。このウーハーは、コーン紙が樹脂製で販売されてないので、壊れたらもう使えなくなる。貴重な製品だ。元のみずみずしい音を蘇えらせてくれたファンテックさんには、感謝しかない。このスピーカーを300Bを使って女性ボーカルを聴くと、本当にしっとりとしてかつ芯のある音色に癒される。外観的には大修理だが、音は左右とも全く違和感がない。うちに来た当初より、エッジを替えた効果もあり、音場は広く深く展開する。低域も十分だし、高域が出しゃばることもない。この辺は、イギリスらしさを感じる。決して大げさにふるまわないないが、抑えるべき所はきっちりと抑える。このバランス感覚が素晴らしい。レンジは広くないし、微粒子サウンドでもない。でも素直で落ち着いた音色がなんとも耳に心地よいのだ。次はいよいよ仕込んで置いたTU-898のカップリングCを、WEST-CAPのオイルコンデンサに交換を実施する。これでSA-3.1 TU-898 HL-COMPACTの真空管サウンドの探求は、完成形になる。

この角度からだと、ウーハーの修理の跡は、全くわからない。ウーハーの裏と表から特殊な接着剤で補修してくれた。跡が目立たないように黒い接着剤を使ってくれる配慮がうれしい。バッフル板が黒一色になり、精悍な印象になった。
続いてWEST-CAP オイルコンデンサ。WEST-CAPはすでになく、現在はアリゾナキャパシタになっている。こちらが本家本元である。有名なヴィタミンQオイルコンデンサである。今回入手したのは、デッドストックの新品未使用品。一般には市販されてないルートから入手できた貴重品。まずは寸法だが、恐ろしくデカイ。電源の電解コンデンサかと思うほどの大きさで、全長は55mmもある。普通の電解Cなら1万μFぐらいは作れそうだ。仕様は0.47μF 600VDCだ。

容量を測ってみると、選別品のように仕様値どおりだ。これはなかなか良さそうだ。さてこいつをどうやって筐体の小さいTU-898に実装するかが、腕の見せ所だ。
2024/2/24 FIBBR PURE2 HDMI光ケーブル
AVACから中古のつもりで購入したが、届いたのは未開封の新品だった。箱に少しシワがあったので中古扱いにしたのだろう。プラグには、指紋一つ付いてない。これはラッキーだ。HIVIの2019年ベストバイのシールまで貼ってある。ケーブルは、これで大丈夫なの?と思うほど細い。この中に光ファイバーとメタルケーブルが同居する凝った構造だ。うたい文句どおり屈曲性はすこぶる良いし、ケーブルもプラグも軽いのでコネクタ部に負担がかからないのは、大変良いことだ。硬くて重いものは、どうしても敬遠されがちだ。

端子には、送り出し側と受け側が厳密に決められている。1番が送り出し側で2番が受け側だ。プラグは、テケテカに光って高級そうに見える。さて映像はどうだろう。送り出しはPCからでソースはアマゾンプライム。プロジェクターの入力情報を見ると1080Pになっている。よってDLA-X700Rの内部処理で4K化されている。PURE2には1080Pの信号が通っていて4K信号は通っていない。この状態でもハッキリと変化がわかる。絵がわずかに明るくなり、黒がグッと沈んだのだ。線と線、面と面がクッキリと表現される。質感の表現が素晴らしい。たった2mでここまで変化するとは思わなかった。最高の絵にするにはプロジェクター側の映像パラメータをいじりたくなったが、もうすぐVW515が来るので、ここは我慢だ。こうなると4KプレーヤからHDMIケーブルを2本使って、映像と音声を分離して最高画質を求めて見たくなる。この場合問題になるのが、アンプのボリューム表示が画面に出なくなることだ。使い勝手を選ぶか、画質を取るか、やって見るしかないだろう。PURE2をプロジェクターにつなぐのは決定だが、4Kプレーヤとアンプ間をFIBBRにするか、従来のメタルケーブルにするか、これも迷う所だ。光ケーブルは映像には確かな効果があることは、確認できた。
2024/2/23 SONY VPL-VW515
今日で65歳になりました。役所からは「介護保険料を払え」と言ってきました。もらえるものは言わないと絶対にもらえないが、取るものは問答無用で取られる、変な世の中です。誕生日記念にリアル4Kの絵が見たくなりプロジェクターを買いました。今使っているのは、在庫余りで新品だったVICTOR DLA-X700R。取り立てて不満はないが、eシフトと言う技術で4K解像度を作っているのでリアル4Kではないし、4K信号も受けられない。この機種は使い勝手も良いし黒も良く沈む。試聴位置のひざ元に置いても静かで映画を見る邪魔にはならない。ただ後面に光が少し漏れる。対してVW515だが、これも静かだろう。最初はVW745を候補に挙げたが、後面排気なので外した。うちは後方設置も天吊りも構造上できないから、前方排気で静な機種が必須条件だ。物はまだ届かないしSONYは初めて使うので、VICTORとどう違うのか興味がある。リアル4K+HDRなら自分には十分だ。たぶんもう故障以外はプロジェクターを買うことはないだろう。同時に光変換HDMIケーブル FIBBR PURE2 2mも買ってみた。こちらは明日届くので試聴できるだろう。光ケーブルは誤解していたが、映像信号だけ光ファイバーで伝達し、ほかのクロック信号などは従来どおりメタルだ。情報量の格段に多い映像信号を光にするのは、良いアイディアだと思う。これもわずか2mで差が出るのか興味がある。現行はSUPRA HF100MKⅢ=HD-5で、340MHzで4K対応ケーブルだ。PURE2は、24Gbps 4K60P対応なので、映像に関するスペックは圧倒的な差がある。期待どおりの結果になるか楽しみだ。
2024/2/18 KRELL KBL+KPE
友人の代理出品するために、KBLとKPEを聴いている。KBLは、以前所有していたので、素性は良く知っている。常時通電タイプなので寝起きが悪いが、一週間も経てば本領発揮し、厚く熱い迫力型の音が楽しめる。かと言ってレビンソンの26Lと同世代の機種なので決して大雑把な粗い音ではない。十分に微細だしレビンソンが、しれっとした感じに対し、情熱的な音の出方が特長だ。フォノイコライザーアンプのKPEは、初めて聞く機種だ。以前はフルサイズのKPAを使っていたが、こちらはコンパクトだ。スケール感はKPAのほうが勝る印象だが、こちらのほうがSNが良く、反応が良い。これはなかなか優秀なフォノイコライザーだ。内部のディップSWでMM,MCの切り替えができるし、負荷抵抗の設定も出来る。この辺の使い勝手と音質は、以前使っていたフォノ内蔵型のKSP7-Bを遥かに凌駕する印象だ。コンパクトだが、KBLと言うフラッグシップ機につなげる機種だけに、性能には抜かりが無い。並行輸入品で100V仕様に変更してあるが、自分の使っていた正規品と音質の差は感じない。安心して使うことができるだろう。リモコンが必要ない人には、フォノイコライザー付きのKBLは、魅力があると思う。表面実装パーツをしていない完全ディスクリート構成のKBL,KPEは、動作が安定しており、今後も長く使うことができる。ボリュームのスーッと抵抗なく廻る感じは、いかにもハイエンドマシンを扱っている気分になります。この時代のオーディオ製品は、オーディオ全盛期の製品であり「作品」と呼んでもいい完成度の高いものです。動作も完璧でノイズもないこの製品は、メンテ済みでお買い得だと思います。KPEは、隠れた銘品です。一度、お試しあれ。

2024/2/10 HARBETH HL-COMPACT 修理完了
エッジの交換が終わって戻ってきた。新品のゴムエッジは、素晴らしい。交換前は、めちゃくちゃ硬かったが、新品は抵抗なくスッと動く。たぶん中古のほとんどはエッジ交換してないので、本来の音は出ていないだろう。コーン紙の割れも綺麗に裏から修理してくれた。しかも無料。相変わらず素晴らしい出来だ。
今回は、ユニットを止めるネジも6穴ボルトに交換した。6穴ボルトは、ボルトの材質も違うが、一番重要なのは、頭が一般のナベネジより小さいことだ。なので軸力も出るが、面圧も上がる。見てわかるように、ユニット側の座面は当たり面積が少ない。この場合、平座を入れるのが正しい使い方だ。こうすれば座面陥没も防げるし、面圧が均等にかかるので、緩まない。
ユニットを取り付けると、ネジが黒になったので、バックル全体が黒くなり、引き締まった印象だ。音は最初の1音で違いがわかった。反応が全然違う。細かい音が良くわかる。ボーカルの艶も響きも深く格別だ。300BでドライブするHARBETHは素晴らしい。たった4~5Wでも全然パワー不足は感じない。能率が低い分、ハム音も全く気にならない。これが本来の音なのか。自分のHARBETHがイマイチだと思う人は、是非、ファンテックさんでエッジ交換をオススメする。

2024/2/9 高砂 AA330F その3
ではACファンの取り外しにかかる。ファンガードを外すとホコリまみれのブレードが現れる。このファンは、ネジロックが付いているので、簡単には外れない。こんな時は、ハンダコテを最高温度にして熱すると良い。ネジロックは熱に弱く、簡単に外せる。自分は540℃でやってみた。
つぎがヒートシンク。これはスキマにアルコールタオルを入れて拭くしかない。新しいファンは同じ120角だが、静音羽根でDC動作だ。振動で外れないようにネジロックを念のため、塗っておく。ロックタイトは樹脂に付着すると割れるので注意が必要で、24時間ほど放置が好ましい。なのでネジでなくナットに付けるのが、今回の場合は、間違いない。
これで完成。DCファンは、電圧可変型AC→DCアダプタで7.5Vで駆動するとほとんどファンの音は聞こえない。外部から内部に空気を流すように、純正とは流れを逆にしたが、放熱スリットからは結構な風量の風が出てくるので、オーバーヒートはしないだろう。これはTU-898専用電源にするつもりだ。天板を閉めて動作確認。50Hz、100Vが出力されて作業終了。風が通るようになったせいか、トランスのうなり音が結構大きいのに気づいた。リスポジから遠く離す必要がある。このへんがオーディオ機器とは、違う所だが、納得して使うしかない。純正のACファンでは大騒音だったが、DCファンでは、小さくブーンと言うぐらいなので、TU-898のハム音よりは小さいレベルで十分実用に耐える。本機は、めちゃくちゃ重いので、移動の際は、腰を痛めないよう注意が必要だ。ちなみに縦置きでも使えます。この機種は、結構、出品されているが、ファンの音がうるさいことは覚悟して買わないと後悔する。説明文だけでは、実態はわからないものだ。明日はいよいよHARBETHのウーハーユニットが戻ってくる。出来が楽しみだ。
2024/2/8 高砂 AA330F その2
とりあえず動いたので、天板を開けてみた。スタジオ関係で使われていたというが開けてビックリ。パッと見は問題ないように思えるが、さにあらず。

いったいどういう環境で使うとこうなるのか?パワトラにはホコリが積もり、メインブレーカはショート寸前。出力段の冷却口はホコリで塞がれ息が出来ない。風が通らなかったので、動作音が静かだったのか?このまま使ったら、間違いなく事故になる所だった。しっかりメンテしてから動かそう。まずはホコリを除去し、問題のファンを交換します。この機種は、サーミスタでファンを制御せず、いきなり全開で回るのでうるさくてオーディオ用には使えない。負荷一杯で使わなければ、出力段は発熱しないことがわかっているので、DCファンの低速駆動に変更する。同時にファンの送風方向を掃き出しから吸い込みに変更する。掃き出しだと電源トランス経由で冷却されるが、トランスも発熱しないことがわかっているので問題ない。前回、友人がこの機種を買いメンテを頼まれたので、動作原理と構造は、わかっているのだ。しかしこの機種は丈夫だ。ホコリだらけで、冷却もまともに出来ていないのに、しっかり動く。基本設計に余裕があるのだろう。良い設計だ。
少し掃除してみた。電源部だが、左が清掃前、右が清掃後。良くここまでホコリまみれになったもんだと感心する。黄色のコンデンサやトランスの型番がわかるようになった。これだけホコリをかぶっても大丈夫なのは、配線に被覆を被せているからだ。昔の設計者は、こういう所がしっかりしていて、長く使える配慮が伺える。
こちらは制御基板だろう。こちらはホコリをかぶっていなかった。コネクタ部をキレイにして終了。これだけで結構疲れる。問題の出力段は、気合を入れないと清掃、改造が出来ないだろう。これだけデカイパーツを積んでいて、330Wなのは300Vまで保証するからだろう。100~117Vぐらいに抑えれば1500Wぐらいは、十分出せるトランスと電解Cを積んでいる。電流計がMAX5A表示なので、5Aが限界なのだろう。

2024/2/7 HL-COMPACT 修理完了1
ファンテックさんから修理完了の連絡が来た。ビビリ音の原因はゴムエッジの劣化で、ダンパーは問題ないそうだ。左右ともエッジを貼り直してもらって3万以下。しかも送料込み。どこかのぼったくり業者とは雲泥の差だ。勝手に「ダンパーも交換しました」なんてことには絶対にならない信頼できるプロ中のプロです。画像をもらったが、いつもながら素晴らしい出来で、シロートには出来ない技だ。さらに写真左のコーンが割れていたが、その修理はサービスしてくれた。ありがたや!新品のエッジがどのくらいの硬さなのか、触ってみるのが楽しみだ。TU-898もいじり終わったし、来週、WEST-CAPを取りに行って、いよいよ真空管システムが完成する。さて、どんな音になっているか、ワクワクする。
2024/2/7 高砂AA330F ACジェネレータ
ヤフオクで2万で買った高砂 AA330F ACジェネレータが届いた。これは産業用だがオーディオ用にも使える優れものだ。何と言っても周波数は50、60、400Hz±10%を自由に作れるし、電圧はAC300Vまで作れる。これならあらゆるオーディオ機器に電源を供給できるのだ。200Vまでなら、なんとか作れるが、220Vや240Vは簡単には作れない。作れてもステップアップトランスでは容量制限があるが、こいつは330Wまで出せる。なかなか使えそうだ。100Vなら3.3Aなので、大飯喰らいのパワーアンプ以外なら使えるのだ。

早速、動作確認してみる。周波数はクオーツロックすることができるので、安定して50Hzを出せる。電圧は100V設定で、99.9~100Vぐらいの変動値なので合格レベルだろう。ただオーディオ機器に使うには、1点だけ改造しないと使えない。それは次の回で報告する。
2024/2/3 アース棒 引き抜き
庭に木を植える関係で、10年ほど前に埋めたアース棒を引き抜くことにした。7本の1.5mアース棒で、7.3Ωまで接地抵抗が下がり、その時のサウンドは新鮮だったが、CELLOを導入しアース問題に悩まされ、結局は線を切ってしまった。結論はCELLO側の問題だったのは、このブログを読めばわかります。10年も経つと、どこに埋めたかも土や葉っぱに埋もれてわからなくなる。かろうじて3本見つかった。もっと短いのはあと15本ぐらいは埋まっているはずだ。地中に1.7m以上埋まっていると、人の力では引き抜けない。最初はスコップで穴を掘りだしたが、30分でギブアップ。そこでマキタの電動ドリルハンマーHR182DZKを買った。先に付けるSDSプラス型スコップ込みで3万ほどだ。初めて使ってみたが、これは使える。SDSマックスのほうが太く種類もあるが高い。ハンマーモードにするとグングン地面に刺さっていく。何回か刺したらスコップで土をどければ良い。これなら64歳の自分にも出来る。穴が掘れたら車用のジャッキを使い、アース棒とアース線をカシメている部分に、皿を引っ掛けて上げていく。これを何回か繰り返す。アース棒に振動を与えて、そこに出来たスキマに水を流し込むと抵抗が減って抜けやすくなる。このタイプのアース棒なら1時間ぐらいで抜けるだろう。土に埋まっていたので緑青がふいているかと思ったら、拭けば綺麗な銅色が戻った。銅は今、1300円/kgぐらいするので貴重な資源だ。再利用してもらおう。午前中2本抜いたら、ヘロヘロになった。アース棒を抜くのは、打ち込むより3倍は大変だ。アース線のカシメがないタイプだと、全体を掘らないと抜けないかも知れない。
2024/2/1 TU-898 カップリングコンデンサ交換
いよいよ大詰めに入り、カップリングコンデンサを交換することにした。カップリングコンデンサは音声信号に直列に入るので、真空管アンプでは非常に重要なパーツである。交換するのは、オイルコンデンサ ビタミンQを使ったDEL RITMOの0.47μF 630CACである。純正に対しデカいので、実装は大変だ。
自分は知らなかったのだが、このようなコンデンサにも極性があるのだ。厳密には極性ではなく、ペーパーの巻き始めと巻き終わりを意味し、この方向を合わせるとノイズに強くなるらしい。試験方法は簡単だ。オシロを用意しコンデンサのリード線にプローブを接続する。この時、コンデンサを手でつかみ、ノイズレベルの大きい方の時の、プローブがプラス側が回路上のマイナス側に接続すると良い。上の写真でマイナスのテープが貼ってあるほうが、アース側につながっている。マルチメータでもできるが、テスターだと厳しいかも知れない。
音はどうなったか?と言うと、これがさっぱり変化がない。オイルCは、エージングに時間がかかるそうで、待つしかなさそうだ。さらにこの上を行く、本家:WEST-CAPのコンデンサも入手した。交換は2/15の予定だ。300BはJJ製になったし、あとはハーベスの修理上がりを待つばかりだ。
2024/1/18 ELEKIT TU-898 ソケット WE単線交換1
友人から貴重なパーツをもらった。まずは300B用のUXソケット。メーカー名はわからないが、「S」の刻印がある。板金は厚いし端子には金メッキがかかっている。最近の中国製は、メッキはかかっていても板金がペラペラで剛性感がない。これは板金の厚さが1.6mmありパンチで打ち抜いたものだ。さらにイタバネが仕込んであり90度ごとに好きな角度に固定できるのはありがたい。
次がフィルムコンデンサ。ASC製の0.47μF 1000V仕様だ。これも新品未使用。はっきりストレート系の音らしい。純正の黄色いやつじゃ可哀そうだと、譲ってくれた。ありがたや。

最後がWE ウエスタンエレクトリック製の単線だ。非常に貴重なものらしい。被覆があるが芯線はメッキしてあるとのことで、剥がしてから使うよう指示を受けた。芯線径はφ1.5 1.8SQ相当の太さなので余裕で10Aは流せる。今までのφ0.6とは大違いだ。これは硬くて曲がらないので、振動に強い。微細な音の再現性に有利だろう。これで信号の入力線と出力線がWE線になった。

2024/1/16 HARBETH HL-COMPACT 修理4
箱の修理が終わったので、ツイーターを付けてみる。爪付きナットの位置は、慎重に合わせたので、取りつけはうまく行った。M4X20だと裏面に結構飛び出しているのがわかる。6穴ボルトにすると、いいことがあって、色が黒いのでバッフル板全体が黒で統一され締まった感じになり、カッコ良い。
2024/1/15 HARBETH HL-COMPACT 修理3
今回は、天板と外装の修理。まずは天板の修理前と修理後。修理前は、クッキリと焦げた跡があったが、修理後は、ほとんどわからないぐらいまでになった。
塗料はBRIWAX TUDOR OAKを使った。これはワックスなので塗りやすいし、ハケ塗りのような失敗がない。左が1回塗り後で、良く見ると木目の間が白いままでワックスが届いてないのがわかる。そこでワックスを綿棒に取って、1ケ所1ケ所埋めていく作業をすると綺麗になる。TUDOR OAKは少し茶色が強く、オリジナルはもっとオレンジ色が強い感じだが、良いものが見つからなかった。さらにこの上に楽器用のワックスを塗って磨くとツヤが出てきて、ヤレた感じが改善される。
フロントバッフルを外したら、ポロッとバスレフポートが取れた。接着剤でなく、グルーガン:ホットボンドで固定していたようだ。ここは取り外さないので、エポキシで接着後、グルーガンで埋めた。
2024/1/14 HARBETH HL-COMPACT 修理2
HL-COMPACTで良く問題になるのが、ユニット取り外し時に起きる「ネジなめ」と「ナット空回り」だ。ネジなめは、ポジドライブと言う特殊なネジを使っているので、普通のJISドライバーではビットの形状が合わない。ただし余程固着していない限りは緩めることができる。固着しているのに無理に回そうとするから、なめて取れなくなる。自分のネジも固着していたが、バッフル板を外しCRC556を吹き付けて取り外した。一番問題なのは、ナット空回りのほうだ。写真左の左が純正の埋め込みナットで外周のギザギザがイタに食い込んで固定する方式だが、ネジが固着している力が強いと簡単に空回りしてユニットが外せなくなる。こうなるとどうにもならない。自分はバッフル板を外した後、ネジザウルスでナットの外周をくわえて、何とか取り外せた。古いSPは保守するだけでも大変だ。ちなみにネジはユニファイネジかと思ったら、普通のM4でした。埋め込みナットは、このまま使ってもまた外れるので、新しい爪を打ち込むタイプを入手し、ハンマーで打ち込み、念のためエポキシでナットとバッフル板の間のスキマを埋めた。ここまでやれば、もう空回りすることはないだろう。ただし爪タイプは、純正より外径が細いので、慎重に位置決めして打ち込まないと、位置ズレでネジが入らなくなります。バッフル板はパーチクルボードなのでハンマーで叩けば打ち込めます。
ついでにガサゴソ音が出た時、交換用に入手したWIMAの2.2μF 250VDCのフィルムコンデンサも交換してみることにした。純正はフィリップス製で2.2μF 100VDC
。容量を測ってみると、2.32,2.35,2.36,2.37μF
だった。WIMAは2.12μF
。交換しても差がわかるかどうかは自信がないが、ネットワーク自体の取り付け具合も同時に見直したので、悪くはならないだろう。このSPはSP端子が直接ネットワークの基板と接続されるタイプなので、締めつけが均等でないと接触不良を起こす可能性があります。そのためか、銅製の薄いバネワッシャーを挟んでありますが、ほとんど効果はないでしょう。
2024/1/13 HARBETH HL-COMPACT 修理1
ウーハーユニットは修理に出しているが、箱も問題がある。買った時から、天板に焦げたような跡がある。消しゴムやアルコールでは消えない。何か熱の出るものを置いて、焼けた跡のようだ。
まずは小型電動サンダーを使う。#180の耐水ペーパーで削って見ると、だんだん取れてきた。その後#800で表面を滑らかにする。とりあえずこれでまずはやってみよう。この機種は、ツキ板仕上げでなく、1枚板のようで、削っていっても下の板が見えるようなことはないようだ。ただしやり過ぎると木目も消えそうなので、様子を見ながら削っていく。
2024/1/12 ELEKIT TU-898 RCA 5691→JJ 6SL7
COUNTERPOINT SA-3.1の整備が終わったので、聴いてみることにした。最初はオリジナルのRCA 5691+純正300B。いつものようにブーンと言って立ち上がった。ボソボソ音は無くなったので、やはりプリのコンデンサがダメだったのだろう。新しくJJの6SL7を購入した。5691より背が高く、ガラスの厚みを感じるしっかりした作りだ。
6SL7に換えると、全帯域でSN感が向上する。音像も小さく絞られる。前後感も出る。やはりRCAはヘタっているようだ。RCAの5691はゲインが2倍のはずだが、音量差は感じない。

最後に300BをJJ製に交換する。前後の球が純正組み合わせになる。ここで音を出す前から変化がわかる。電源ONで、ブーンとハム音がするのだが、それが小さくしかも収束があっと言う間に終わる。当然ながらハム音もそれに比例し、ほとんどわからないレベルまで小さくなった。音を聴く。激変している。上から下までビッシリと音に埋め尽くされ、前後左右に音場が広がる。低域も下まで伸びて制動力もある。SNが抜群に良い。そこに真空管らしいしなやかさが加味された音が出ている。これは素晴らしい。交流点火はのハム音が、どうなるか改造前に心配だったが、良い球を選べば全く問題ないことがわかった。JJ 300Bは借り物だから、300Bを何とかせねば。どれにするか、良い悩みは楽しいものだ。TU-898を使っている方、交流点火も行けますよ。

2024/1/12 COUNTERPOINT SA-3.1 スイッチ 電解C交換
電源スイッチが切れない不具合は、前に述べたがボソボソ音の原因は恐らく電解Cの寿命と判断し、交換することにした。SA-3.1は、天板、底板が外れる構造なので基板を取り外さなくても作業ができる。これはありがたいことだ。まずはフロントパネルを外す。交換前が左側。インチサイズの6角レンチでツマミを外すとMAIN OUTのセレクターシャフトが出てくる。なんと樹脂製だった。こいつがなかなかのクセものだ。
3つあるスイッチ。左がSTEREO MONO切り替え。ときどきMONOしか音が出ないので、寿命だ。右がSIGNAL OUTと電源スイッチ。基板からチューブが出ていて、それにハンダ付けしている。ここにも細かな配慮がある。
スイッチの下のほうを見て欲しい。スイッチのボディーはアースバーでハンダ付けされているのだ。こうやって少しでもSNを良くしようとする設計者の配慮には頭が下がる。見た目は、これと言ってカッコイイ外観ではないが、内部は知恵が詰まっている。雑なアメリカ製のアンプとは一線を画す。スイッチは、全く同じものは入手できないが、フジソクの8GA1016-Zや8G2016-Zなどが使えそうだ。マルツパーツで購入できる。
このセレクタが問題だ。接点は、板金製でカバーは透明な樹脂なので中が見える。分解清掃したかったが、背面でカシメ構造になっているので、分解できない。透明樹脂までは分解できるが、小さなボールが2ケ入っていて、これが取れると入れるのが物凄く大変なので、スキマからPANDOを吹き付けるぐらいで辞めておいた方が良い。このセレクタは壊すと交換部品がないので、アンプそのものが使えなくなる。貴重なパーツだ。
これが取り外したスイッチ。微妙に寸法が違うがなんとかなるだろう。チューブに端子を入れてハンダ付けするので、どうやって高さと前後方向を合わせるかが問題だ。古いスイッチは、足が錆びついている。これじゃ接点も傷んでいるだろう。

取り外した電解C。純正はSPRAGUEで一流品だ。交換するのは、IC:イリノイキャパシター社製にした。グレーの80μF 450Vは同じ容量で耐圧も同じ。200μF 250Vは同じ容量で実装できるものが無かったので、220μF 300Vにした。どちらも小型になっている。ここで容量測定してみた。
純正 交換パーツ
80μF→98μF、91μF
85,86μF
200μF
→210,222,223,212,216μF
233,233,234,236,236μF
容量だけ見るとヘタってないように見えるが、そうではない。正規の電圧がかかったときは、テスターではわからないからだ。ただし規定値から大きく外れたり、バラツキがあるのはヘタっていると判断して良いと思う。今回も純正は大幅に容量が規定値より増えているし、バラツキも大きい。交換パーツは下1ケタだけの誤差しかない。またテスターで見ているとわかるが、新品はスッと数値が上がって、ピタッと安定するが、純正はダラダラと数値が変動してから落ち着く。このスッっと上がって、ピタッと安定することが真空管と同じで大切だ。真空管もgm値の数値が高いほうが良いには違いないが、元気だからと言って寿命がたくさん残っているとは言えない。数値の上昇速度と安定性のほうが大事だ。

スイッチは、面倒でも仮組みしてセンターと高さを出す。そして仮止め用のハンダを流す。急がば回れだ。これをきっちりやらないとフロントパネルが付かないなんてことが有りうる。アースバーもきっちり元通りにハンダ付けする。
メタルクラッド抵抗を付けた時、合計の抵抗値がズレていたので、元と同じになるようにDALE RS-5 250Ω 1%抵抗を付けた。電解Cも予定どおり綺麗に交換できた。これでスイッチもコンデンサも新品になったので、ノイズの無い音が聞けるだろう。コンデンサが小さくなったことは、ノイズの点でも放熱の点でも、有利に働く。明日からの音出しが楽しみだ。
2024/1/11 ELEKIT TU-898 交流点火 その2
昨日に続き2台目の改造。まずはハムバランサー用の穴開け。最初はφ1.2で下穴を開け、φ3.2で仕上げる。反対側にバリが出るので、φ5ぐらいのドリルの刃で、バリ取りをする。

ささっと改造完了し、測定。元のAC5Vは、AC5.38V来ていた。1台目より高い。300Bを付けたフィラメント電圧は、AC4.97Vで完璧だ。トランスの巻き線誤差は、結構あるようだ。さらにハム調整。最初で26mVだった。まあこんなもんだろう。これで左右2台揃ったから、やっとまともに聴くことができるが、プリのCOUNTERPOINTも直さねばならない。

2024/1/10 ELEKIT TU-898 交流点火その1
パーツが揃ったので、改造開始。一番の問題はハムバランサーをどこに実装するかだが、電源トランス裏に、使ってない通線孔が2つある。この穴径が10ミリでシャフトを通せることがわかったので、これを使う。あとは位置決め用のφ2.8の穴を開ければ固定できる。この場所だと外からはトランスカバーに隠れて見えないし、無意識に調整値が狂うこともない。一石二鳥だ。

次は配線。電源トランスのAC5V端子から太めの黒黄色線で接続し、ハムバランサー、フィラメントに接続する。元の線は、オレンジ色のよじり線なので、いかに細かったかわかるだろう。あとはハムバランサーのワイパー線を自己バイアスの抵抗に接続すれば配線完了。難しいことは無い。配線を左向きによじったのと、なるべくシャーシの縁を通すように配線した。DC点火用のパーツは取り去ったので、基板上がさっぱりした印象だ。
一番興味のあるハムバランサーの調整に入る。SP出力端子にオシロとテスターの両方をつないでみた。テスターだとかなりの範囲で0mVになり、正確には調整できないことがわかった。オシロの時間分割を細かくすると波形が見やすくなるので5nsの分解能で見てみた。結果は純正の300BでP-Pで残留ノイズが16mVだった。JJだともっと良いだろうと思ったが26mVだった。前段との相性の問題か。この辺は後日検証することにする。何はともあれ音を聴いてみよう。電源ONで、盛大にブーンとうなった。こりゃダメかと思ったら、電圧が安定するとスッ静かになった。少なくともリスポジからは全く気にならないレベルだ。行けそうな気がする。HARBETHを修理に出したので、ピンチヒッターのマランツ MZ-S01で試聴。おや、やっぱり中低域の肉付きが良くなっている。これが交流点火の音か。フィラメント電圧は、元がAC5.1VでフィラメントにAC4.8Vかかっていた。これなら目標の5±0.25V以内だ。DC点火では、いくらやっても4.4Vどまりだった。何故AC点火だと、フィラメントにきちんと電圧がかかるのかは、自分にはわからないが、ハムの弊害は感じないし、ふっくらとした音は、好みだ。もう1台改造して、ステレオできちんと聞いてみよう。
2024/1/9 HARBETH HL-COMPACT 修理
右chのウーハーのガサゴソ音が酷くなり、これ以上放置するとボイスコイルが接触し使用不能になりかねないので、左右ともファンテックさんに送って修理してもらうことにした。ゴムエッジは、デュポン製らしいが30年以上経ち、弾力性が無く硬い。ダンパーはもっと硬い。それでもあの音が出るのだから不思議だ。エッジは在庫があるし、ダンパー交換もできるとのことなのでお願いすることにした。最初は、もう1セット買ってユニットを入れ替えようかと思ったが、手に入れた所で、ほとんどが自分のものと大差なく、ダメになるのは時間の問題だろう。COUNTERPOINTとELEKITのアンプもいろいろ手を入れて、リフレッシュしている最中なので、スピーカーもしっかり修理することにした。ファンテックさんは、JBL4344時代からお世話になっており、腕は確かで修理代も非常にリーズナブルだ。なので、すべて今回は、お任せでお願いすることにした。修理している間に、箱についた焦げたような跡を研磨して、再塗装したり、バッフル板のナメた埋め込みナットを新しくしたりする予定だ。明日は、ハムバランサー用のボリュームも到着するので、やること満載だ。COUNTERPOINTは、スイッチ3つと電解C7本の交換。ELEKITは、300Bの交流点火改造、スピーカーは箱の修理と、どれからやるか悩むな。

2024/1/7 TU-898 交流点火改造
友人からJJの300Bを借りた。JJは白ハカマで純正より重い。しっかりした作りだ。純正が正体不明なので比べようもないのだが、全く違う。左右、前後に音が広がりクリアーな音だ。ノイズ感が全くない。音像も小さい。やはり純正真空管は、相当ヘタっているのだろう。同じアンプとは思えないほど変貌した。純正球は、音全体がベールにくるまれて、細部が見通せなかったが、この球は解像度が抜群に良い。純正球がダメなだけかも知れないが、いろんなパーツを組み込んでも反応しないのは純正球のせいだったことがわかり収穫があった。この球は欲しい!ただし低域の量感がもう少し欲しいと感想を言ったら「一度、300Bを交流点火で鳴らしたらどうか」とアドバイスをもらった。確かにいくらやっても純正の直流点火では、フィラメント電圧が4.4Vで規定の5Vにならない。このこともイマイチ膨らみ、量感のなさにつながっているのかも知れない。

そこで直流点火に必要なパーツを取り去り、新たにハムバランサーを追加し、交流点火に挑戦してみることにした。運よくシャーシに開いている通気口が使えそうなので、本体の改造なしで外から全く改造したとわからないように、できるかも知れない。直流点火用に結構良いパーツに交換していたのが残念な気もするが、点火方式だけが違うアンプを聴くチャンスはなかなかないので、やってみる価値は十分ある。中央上の青いVISHAYの電解C、その左横の黒ケースに金文字のアムトランスの抵抗、右上のメタルクラッド抵抗が取り去ったものだ。あとはコスモス製 RV24YN-20S 100Ω抵抗の入手待ちだ。ハムバランサーは重要なパーツなので、信頼できる日本製を選択した。交流点火はハムが残るが、どのくらいのものかも興味がある。300Bのフィラメント点火は、交流派と直流派に分かれている。電気的にノイズが無いのは直流点火だが、ノイズだけでは、語れないのがオーディオの世界だ。だから交流派が存在するのだろう。
2023/12/31 HARBETH HL-COMPACT ビビリ音2
ネットワークのコンデンサが怪しいと思い、ならば容量が同じでそこそこ耐圧のある電解Cに交換してみることにした。電解Cだと恐ろしく小さいが、これで容量は同じだ。結局交換してもビビリ音は直らず。音を出しながらウーハーの上のほうを押したら、ピタリと収まった。これはボイスコイルがどこかに当たっている様子だ。センターのフェイズプラグを外して、ギャップを見るとコピー用紙がギリギリ入るスキマしかない。経年劣化でウーハーのセンターが下がったのだろう。こうなるとエッジを取り、ダンパーを外すしか手は無い。さすがにそこまでやる勇気はない。パルス性の音に弱いだけで、そのほかはちゃんと聞けてるので、このまま元に戻して、ボロボロでいいから片chが手に入ったら、交換することにする。爪ナットの空回りも、もう1台が手に入ってからにする。HARBETHは、JBLと違ってすぐに替りのユニットが手に入るメーカーではない。気長に待つしかなかろう。今回の件で、ネットワークは簡単には壊れないのがわかっただけでも収穫があった。
2023/12/28 HARBETH HL-COMPACT ビビリ音
HL-COMPACTの右chからピアノを聴くとビビリ音がする。原因を探すと、ウーハーからだった。ならばネットワーク基板のハンダクラックが怪しかろうと、取り外して再ハンダした。ネットワーク自体は、しっかり作ってある、ハイ、ロー分離型だ。しかしながら完全なクラックは見つからなかった。再ハンダ後も結果は変わらず。この個体は、左chのウーハーを外そうとして失敗しネジをなめた物なので左右のネットワーク交換も容易ではない。となるともう一度ネットワークを外して、ウーハー側のコンデンサを交換するしかならろう。やれやれこれでCOUNTERPOINTのプリ、ELEKITのパワー、そしてHARBETHと全機種修理だ。古い機種を維持するのは本当に大変だが、その機種にしか出ない音があるので、惚れたら仕方がないのだ。なんとなく過大入力を入れて、コンデンサを痛めた気がする。幸いにもツイーターだけ鳴らしたら異常はなかった。低域側だけパターンを追いかけて回路を書いてみよう。あとは左chは、爪付きナットが空回りして外れない。これも困った問題だが、地道にやるしかないだろう。COUNTERPOINTのプリも凄い問題が起きた。なんとスナップ式の電源スイッチをOFFしても、通電したままになってしまった。いったいどうなるとこんなことが起きるのか、想像できない。他のも怪しいので3つあるスナップスイッチは全部、日本電産コパル製に変更する。ここは信頼度で日本製でしょ。ついでに後回しにしていた電源部のチューブラ型電解コンデンサも交換することにした。1987年製だとすると36年経ったことになるので、さすがにいくらスプラグ製でも電解コンデンサは容量抜けが進んでいるだろう。ここは液漏れする前に交換するほうが賢明だ。これでSA-3.1は、安心して使えるだろう。
ウーハー用のネットワーク回路図を書いてみた。一通り調べたが、問題のありそうなパーツは無かった。こうなると怪しいのはフィルムコンデンサしかない。コンデンサは正規の電圧を掛けないと性能がわからないので、容量を測っただけでは、ちゃんと動いているかどうかはわからない。以前、真空管プリのノイズが出たときも、フィルムコンデンサが原因だったので、とりあえずWIMAの2.2μF 160Vに交換してみる。これで直らないと重症だ。ユニットの抵抗値は6.5Ωで、手で押しても引っかかりはない。

さらにフェイズプラグも見てみた。ネジ止めだと思い左にねじったら取れた。なんと接着だった。周囲にキズは無いので、ボイスコイル部と接触はしていない。ウーハーの中央に鉄粉も無い。ウーハー自体の状態は良い。裏面のエッジにも問題はない。
となるとやはりネットワークが怪しいということになる。
2023/12/25 300B F電圧5V化 その2
新しいDCコンバータを入手した。DC6.6V入力で最低7.3Vに昇圧できた。これならいけるはず。早速実装してみた。フィラメント電圧を測定すると5Vになったと思ったら、3~6Vの間を変動する。だめだこれも使えない。どうやらスイッチングデバイスは負荷が一定で安定していないものには使えないようだ。これでDC点火はあきらめる。入力電圧を高くするしか方法がないようだ。
2023/12/24 300B F電圧5V化 その1
TU-898の300Bは、意図してフィラメント電圧を下げているのだと思う。素の状態では正規電圧5Vの所、3.8Vしかかかっていなかった。いろいろやって4.4Vまでこぎつけたがこれが限界である。そこで面白いものをアマゾンで見つけた「昇圧型DCコンバータ」である。電圧は35V 4Aまで流せるとある。ただし入力電圧と出力電圧と電流のグラフがないので、最初から信用はしていない。大きさが手ごろで実装できそうなので、購入してみた。

実装して入力電圧を表示させたところ。テスターで測ったら6.6Vだったが、表示は6.3V。まあこんなもんだろう。とりあえず出力8V設定してスイッチON。ピカピカで点滅してアラームが出て出力されない。思ったとおりで、低い入力電圧だと電流を流せないんだろう。ここで簡単にエンジニアはあきらめない。秋月で同じようなモジュールを見つけた。こっちは最大12.6V出力だが最大で10A流せる。ちゃんと入力電圧-出力電流図があり、6.6V入力なら9V出力しても7Aぐらいは流せることがわかった。これならいけそうだ。まずはやって見よう。

2023/12/23 COUNTERPOINT SA-3.1 試聴
どきどきしながら電源ON。赤いLEDが点灯。しばし時間が過ぎるとLEDが緑に変わって、準備完了。パワーアンプのTU-898の電源を入れる。残留ノイズは皆無だ。素晴らしい。1曲目は、ダイアナクラール。フワッと両SPの間にボーカルが浮かぶ。左右の音量差はやはり抵抗が原因だったようだ。決してCELLOのようにギリギリまでピンポイントで音像が絞り込まれるようなことはなく、口元も大きい。けど雰囲気は抜群である。レンジやレスポンス、解像度を超越した音だ。ゆったりと音楽に浸れるのは、真空管アンプのなせる技だと思う。やっぱりこの世界はありだと思う。HARBETH HL-COMPACTは、右chのウーハーからノイズが出るのが判明した。アンプ系は、しっかりメンテしたので原因でなくてほっとしている。プリもパワーも可能な限り最新の高性能パーツを投入したので、最初の音に比べるとベールを何枚も剥がしたような音だ。ぼんやりした部分だけが無くなり、独特の柔らかな雰囲気は残っている。ここで裏技紹介。真空管が1本しか刺してない。実はライン専用で使っている。こうすると電源部の負荷が減りより音が太く力強くなる。SA-3.1は、ヒータ回路は3本並列になっているが、1ほんだけでも6.1Vに変わりはなかった。また高圧回路が良く出来ていて、カソード1つ当たり1本の電解Cを当てている。なので1本だけでもカソード電圧は変化しないのだ。こうすると発熱も減るし、音も良くなる。笛吹童子の良さが、際立ちます。たった1本の真空管だけで増幅を行うこのアンプは、シンプルだが、コクがある音が出ます。この状態で、1ケ月ほどエージングしてから、段間Cをオイルコンデンサに換えるつもりだ。

2023/12/23 COUNTERPOINT SA-3.1 修理
とりあえず音はでるが、バランスが大きく右に寄っている。球の問題でなく、どこかの抵抗が逝かれて増幅率が違うのだろう。あとはダイオード、レギュレータの発熱が凄いので、相当ヘタっていることだろう。電解Cはアキシャルの電源部以外は全交換する。ソケットも金メッキのアムトランス製に交換する。見た目に違うのは、右のサイドパネル部分だ。自分のはREV-A基板なので、一番最初の3.1で、この後少なくとも2回変更があったようだ。

このアンプは球が3つあり、中央がラインアンプで左右がフォノアンプだ。ラインアンプのゲインが左右で違うのが、音量差の要因だと思うので、ラインアンプ部の球の周りの抵抗を交換する。プレートの入力には22KΩ 2Wと100Ω、グリッドは681Ωが使われている。これをギャレットオーディオから入手した、PR0222K Vishay、PRPD25100 100Ω 1/4W、PRPD25680 680Ω 1/4Wに交換する。PRP抵抗は、非常に解像度が高いが自然な感じだ。これはオススメだ。これで左右の音量差は解消した。

高圧回路にモトローラ MU12005 1500V 8Aが使われているが、この前に500Ω 5W抵抗が並列でつながれた250Ω 10W相当があり、さらにこの後に500Ω 5Wが直列につながれコレクタに接続されている。合計で750Ωになる。最初の250Ωがセメント抵抗なので実測300Ωだった。なのでこの部分を500Ω 25Wのメタルクラッド抵抗:GB-MCR-25W-501に変更する。抵抗値は、1KΩにばるが、元が800Ω相当なので問題ないだろう。メタルクラッド抵抗は、固定が出来るので放熱が有利だ。ついでにヒータ用の6.3V用のブリッジダイオードも5A品から10AのS10VB60に交換する。
右サイドパネルの発熱はヒータ用のブリッジダイオードとこのダイオードにつながる3端子レギュレータが近接されて固定されているからだ。3端子レギュレータも設計が古く容量も少ないので、3A流せるLM350Tに交換し、フロントパネル側に移動した。これでブリッジダイオードと十分離れた。実際にパネル表面温度を測って見ると、ブリッジダイオード 38℃ メタル抵抗38.5℃ 3端子レギュレータ 42℃であった。これなら発熱の問題はない。安心して使える。配線引き回しのノイズも皆無だ。本当にSA-3.1は静かなアンプだ。

最後に3.1の特長のミュートリレーを交換する。下が元のZETTLER AZ820-2C-5DEで製造中止品。代替品なし。これは6V動作品だ。今時はなかなか無い。調べたらOMRONのG6A-274P-DC5が使えそうだとわかった。リレーの動作電圧は実測5.5Vだった。G6Aの許容最大動作電圧は10Vまで許容するので、使えると判断した。実装して「カチッ」と音がして、予想どおり動いた。これで完成。音のインプレは次回で。
2023/12/20 ELEKIT TU-898 パーツ交換3
RBA-406B ショットキーバリアダイオードが届いたので交換してみた。大きさ的には、問題なく純正の固定ネジで固定できた。配線も問題ない。
さてフィラメント電圧を測ってみると、交換前:3.8V 交換後:4.3Vで0.5V上がった。読みは当たって高電圧タイプのブリッジダイオードは低い電圧では、内部損失が大きかったようだ。ただしこれでもまだ300Bの規定値:5Vには到達しない。純正の回路のままでは、さすがに限界なので、ここで裏技を繰り出すことにする。入力5Vで動作する昇圧型コンバータが入手できそうなので組み込んでみることにした。一応最大で4A流せるようだが、この手のものはやって見ないとわからない。何事も勉強である。たぶんこの機種の設計者は、プレート電圧もかなり低めに設定しているので、300Bを軽い負荷で鳴らそうと言う意図があるのだと思う。だから純正だとフィラメント電圧をあえて3.8Vに抑えているのだと思う。自分はここでさらに300Bの自己バイアスの中点誤差を無くすためアムトランスの47Ω 2W抵抗 AMRGを導入した。こんな所にオーディオ用のカーボン皮膜抵抗など必要ないと思うかも知れないが、300Bを少しでも理想の形で鳴らしてみたいから、やれることはやってみるのだ。実測の抵抗値は、48.0Ωと47.9Ωでさすがに良く揃っている。ちなみに純正は、51.0Ωと50.8Ωで規定の47Ωから大きく外れていた。黒いケースに金文字は、いかにもそれっぽく見え、カッコいい。ただしこの抵抗もエージングに時間がかかるようだ。F1のロータス78は、JPSカラーで黒い車体に金文字でめちゃくちゃカッコ良かった。非力なV8:コスワースDFVで、フェラーリのV12に挑む姿がいい。

2023/12/16 ELEKIT TU-898 パーツ交換2
メタルクラッド抵抗が届いたので、交換してみた。抵抗値は0.82Ωの所、2.5Ωだった。規定値を外れているが、どうも低い抵抗はうまく測れない。とりあえず30.6Ωよりはましだ。実装場所は、トランスケースのネジと共締めした。これで放熱も問題なし。
これで300Bのフィラメント電圧を測定すると、3.8Vしか出てない。交換前と全然変わってない。ということはこの抵抗は電圧とは無関係だ。調べたら、フィラメントに突入電流が流れるのを緩和するのが目的の抵抗だとわかった。そこで球を抜いて、再度測定してみる。大元の2次電圧は、AC5.11Vで正常だが、ダイオード整流後はDC5.92Vしか出てない。本来は5×1.41=7Vぐらい出てきていいはずだ。ということは純正のブリッジダイオード:S4VB20がダメだと言うことになる。この場合、故障しているのでなく、本来は200Vと言う高い電圧に耐えて整流するものを、たった5Vで動作させるので、内部抵抗が高く電圧が上がらないのではと想定する。キットとしては、フィラメント電圧が3.8Vでも十分動くので問題はないが、300Bのフィラメント電圧は、AC点火、DC点火のいずれでも5Vと規定されている。5V±0.25ぐらいが理想だろう。そこで考えた。低電圧整流用のSBD:ショットキーバリアダイオードが使えないだろうか? フィラメント電流は、1.2Aぐらいなので、電力は4~5Aぐらいでいけるはずだし、耐圧は40~50Vもあれば十分だ。ケースに固定できれば放熱も出来るので、熱暴走の心配もない。探したら秋月電子に「RBA-406B」と言う60V 4Aのものがあった。1ケ50円で手に入るので試すことにした。300Bのフィラメント電圧は、AC7Vぐらいを整流してフィラメント電圧5Vを得るのが王道のようだ。何故5Vを選んだのか不明だが、まずはきっちり5Vを目指してみる。これでダメなら、交流点火にチャレンジするしかない。一応計算してみるとRBA-406Bの電圧降下VFは0.62Vなので、5.11X1.414-0.62=6.6Vぐらい出るはずだ。今付いているS4VB60はVF1.05Vなので6.2Vぐらいは出るはずだが、出ていない。現状が球なしで5.92Vでフィラメント電圧が3.8Vだから、単純計算だと5-3.8=1.2V 5.92+1.2=7.12V必要になるが、6.6Vとすると7.12-6.6=0.52V不足で、5-0.52=4.48Vが予想される答えだが、さてどうなるか?
2023/12/14 COUNTERPOINT SA-3? 3.1?
良く考えずに入札したら、COUNTERPOINT SA-3.1が安く落札できた。いろいろ調べたら理由がわかった。電源部が純正のケースに入ってないのだ。自分は、電源違いだろうとしか思ってなかった。それで安く手に入ったのか。納得した。

中を開けてみると、幸いにも純正のトランスが入っているようだ。SA-3とのシールが貼ってある。ヒューズホルダも純正だ。狭いケースに無理に押し込むより、このほうが良いだろう。
問題はここからで、フロントパネルにはSA-3.1とあるが、天板にはSA-3と書いてある。嫌な予感がしてきた。
天板を開ければ、どっちかわかる。リアパネルにリレーがあれば3.1。アキシャルコンデンサが全部青いVISHAYなら3.1。フィルムCが白なら3.1。さて勝負!すべて満たしているので、こいつは3.1だ。しかも改造無しのオリジナル基板。では真空管は?
こいつは、何?PRCって、聞いたことない。どうやら中国製の6DJ8のようだ。純正はカウンターポイントの選別品だ。どうやら玉は安物に交換したようだ。その割には、内部にホコリは無いし、ヘタっている部品も無いし、不思議だ。これなら弱点の高圧回路を新しくすれば、良い音が出せそうな予感がする。まずは電源を入れて、ミュートリレーがきちんと動作するかを確認する。

電源ONで赤いLED点灯。2~3分ほどで緑に変わり、カチッと言ってリレーON。動作は正常で煙も出ない。動作品と言っても信用はしない主義だ。
2023/12/13 TU-898 パーツ交換
今日は、ブリッジダイオードを交換した。どちらも左が純正、右が交換パーツ。6.3V用はJ5-Hと記載されているが、スペックがわからなかったので、同じ寸法のS1NB60 600V 1AとS4VB20を60にして600V 4Aにそれぞれ変更した。技術の進歩でサイズが同じでも容量は4倍になっている。
0.82Ωセメント抵抗をメタルクラッド抵抗に交換するため、取り外して抵抗値を調べたが、どうも数値がフラフラする。5~300Ωぐらいまで変動するので、こいつが逝かれているのが、300Bのフィラメント電圧が上がらない原因かも知れない。それにしてもセメント抵抗は、抵抗値のズレが大きく今となっては使い物にならない。ここまで手をいれれば、音質は相当変わるはずだ。入手中の抵抗は、0.82Ω±5%の高精度で、容量が5Wから25Wに大幅に向上するので、熱でヘタることもないだろう。型番は、ARCOL HS25 R82。

2023/12/12 オイルコンデンサ DEL RITMO
TU-898の段間コンデンサの交換用に、オイルコンデンサを使ってみたくなりDEL RITMOを買った。オイルコンは、以前聞かせてもらった時、独特の音の質感に感動した経験があり、使って見たいと思った。オイルコンもピンキリで古いほうが良いらしいが、ロシア製は、やめたほうが良いと言われたので、日本製にした。ブルーカクタスが最終目的だが、なかなか高価で手が出ない。

指月と並べると、想像した以上にデカイ。これは実装が大変そうだ。オイルは有名なVITAMIN-Q。こなれるまで結構時間がかかるようだ。まずは交換した電解Cを慣らさなくては正しい変化はつかめない。どうやって実装するかを検討しよう。
2023/12/8 ELEKIT TU-898 修理2
最後のパーツが届いて実装。配線した。直った!やはり指月のフィルムコンデンサが逝かれていたのだろう。ブチブチノイズも入らない。全電解Cを交換したが、300Bのフィラメント電圧:5Vが3.8Vと低めだが、調整できるわけではないので、このままとする。左右で大幅にパーツが違うが、音質差は感じない。HARBETHを鳴らすには、ちょうどいい規模感のアンプだと思う。なんだかんだでパーツ代は、1万円ぐらいかかってしまったが、これで当面、メンテしなくていいなら御の字だ。ヒマを見て、もう片方のパーツも交換しよう。モノラルアンプの場合、どちらかだけ劣化が進むことは考えられないから。信号とNFBケーブルの2つと、ACケーブル群に分けて配線を這わせたので、ノイズにも強くなったはずだ。8Ωにしたので、低域のゆったり感も出た気がする。300Bのフィラメント電圧低いのは、途中の抵抗値が設計値:0.82Ωの所、2.5Ωと大幅に外れているので、高精度のメタルクラッド抵抗に交換したら改善するのか試してみたい。この抵抗は中央の写真の青いVISHAYのコンデンサに挟まれた白いセメント抵抗である。なんとか実装できそうだ。あとは段間コンデンサをブルーカクタスにしてみたいし、300Bも換えてみたい。動いてしまえば、何でもできるので、真空管アンプいじりは本当に楽しい。今日は、イチローズモルトを飲みながら、ダイアナ クラールを聴いてみよう。ここまでいじったら、オイルコンデンサも試してみたいので、DEL RITMOのオイルコンデンサ 0.47uFを買った。ただしこれは、パーツ交換が終わって十分エージングが完了してからの交換にする。出ないと違いがわからないからだ。玉ころがしもやってみたかったが、貴重なRCAの赤ハカマは高いし、300Bも高価なので、このまま使い続けることにした。代わりにプリアンプを導入した。COUNTERPOINT SA-3.1だ。内部はオリジナルなので、ウイークポイントの高圧回路をブラッシュアップすることにする。ライン、フォノ系のフィルムコンデンサはもう手に入らないので、オリジナルのまま使いたい。あとは玉がどうなっているかだ。重いトランジスタアンプは、いつかは手元を去り、最後は真空管アンプだけが残りそうな気がする。
2023/12/7 ELEKIT TU-898 修理1
VISHAYの電解Cをあと1つ載せて修理は完成予定だ。友人からWESTERN ELECTRICの1芯シールド線をもらった。外径は2.7mm。どこにもWEとは書いてないが、只者でない雰囲気がある。外皮は茶色の布巻き。その下にシールドがある。このシールドも芯線も銀色で感触は銀線のようだがスズメッキ線かもしれない。しっかりした硬さがあるのだ。芯線も太く全体では、単線かと思うほど硬く曲がらない。
これをRCA端子から、ボリュームまで最短に這わせてハンダ付け。純正は、頼りないほど細いので、しっかりした音が聞けそうだ。これだけパーツを交換しても治らなかったら、真空管が原因と言うことになる。その場合、何を買うか?前段は6SL7,後段は300B。まずは前段をRCAかJJ当たりに交換してみるつもりだ。RCAの赤ハカマは、人気があり高価なので手が出ない。
2023/12/4 HARBETH HL-COMPACT
真空管アンプで手軽に鳴らせるSPを探していた。ラックスマンとサンバレーの845PPを持っているが、どちらも高出力でイマイチ合うSPが無かった。かといってPIEGAとは思ったより合わなかった。HARBETH HL-COMPACTを選んだのは、小型だし大きな音を出さなくていいし、狙いは女性ボーカルに絞った。狙いは当たって、噂どおりに不満のない音だった。レンジやレスポンスは求めてないので、フワッとした余韻がなんとも心地良いSPだ。能率が高くないのも、真空管アンプには適している。あまり高能率だと残留ノイズに敏感になってしまうからだ。買ったものはサランネットなし。純正スタンドは購入済。天板に焦げたような跡があるが、消しゴムでも無水アルコールでも効果なし。一度、皮をはぐしかないのか?

ELEKIT TU-898
HL-COMPACTを鳴らすために購入した。ペアで10万なり。4.5W程度の出力だが、300Bを使っている。キットだが抵抗にはリケンのRMGが使われているし、チョークトランスも積んでいる。電源OFFで電解Cのチャージを抜く仕組みや前段の電圧を調整する回路など、なかなかシンプルだが、凝った回路になっている。ELEKITさんは親切で回路図を無償で送ってくれた。ありがたや!天板のステンレスには放熱用の穴が見えますが、実はこの下に真空管を固定する板があり、これには穴が無いので天板の穴は飾りです。ただしシングルアンプで真空管同士も十分離れているので、放熱は内部基板も含め問題ありません。300Bのフィラメント用の5Vダイオードはシャーシに固定され放熱するようになっており、放熱対策もバッチリです。前玉はラッキーなことにRCAの高信頼管の6SL7GTが付いてました。
底板には基板の真下部分にスリットがあります。届いた時、何故か足が逆さまに付いてました。中央のポッチがあるほうが上になります。これだとポッチに重量がかかってしまう。回路は1枚のプリント基板に載ってます。非常にシンプル。見えているのは電源トランスとチョークトランスです。残念ながら右写真のシャーシ上側にサビが出ています。
自己バイアスで残留ノイズも無かったので、音出ししたら、最初の2~3分は良い音してましたが、途中から原因不明のボソボソノイズが入るようになり、只今、バラシで調査中。コンデンサ類は容量的には問題なかったが、年数が経っているので、電圧がかかった時正しく動くかは確認しようがないので、全部の電解Cと中央黄色のカップリングコンデンサを交換します。300Bのフィラメント用とチョークトランスの後ろの電解CはVISHAYにした。まずは音を出るようにして、余裕があったらカップリングコンデンサをブルーカクタスにしたり、300Bを新品にしたりしてみたい。
2023/11/29 CELLO ノイズ対策
POWER MONO3のノイズにずいぶん時間をかけてやってきた。AC100V、AC200V、IFI Audio GND DEFENDER、AC IPURIFIERなどなど。どれも決め手に欠くが、現状はAC200Vをダイトロンのアイソレーショントランスで100Vにして使うのが最もノイズが低く感じる。そこでさらなる1手で、ノイズカットトランスを使ってみることにした。勘違いしてたが、アイソレーショントランスは1次側と2次側が絶縁されているが、ノイズをカットする効果は薄いようだ。なのでノイズカットトランス NCT-I2 1KW仕様をアイソレーショントランスに直列につないだ。左がNCTなし。右が有り。残念ながら、効果なしだ。全体的に赤のピークを見ると100Hz以上は下がっているようだが、不思議なことに2KHzに新たなピークが出来てしまった。これじゃダメだ。さらに本体も少しウナる。産業用をオーディオ用に使うのは、無理なようだ。
そこでもう1つ考えた。シネマ用のKOJO Mt-1000 クリーン電源を使う方法だ。1000W出せるので、パワーアンプも楽勝だ。左が元の200Vトランスで、右がMt-1000だ。良く見ると50Hzのピークが下がっている。Mt-1000は60Hzで出力するからだ。ピーク自体は、大差ないが100Hzから上の赤線を見て欲しい。1K~10Kzにかけてグッ下がっているのがわかるだろう。聴感上もほぼ無音になった。シネマのセンターSPは、PASS ALEPH0で鳴らしているが、セリフが生々しいのはMt-1000も相当貢献してるに違いない。結局、最終的にプリ側もパワー側も200Vを100Vに落とし、さらにMt-1000とPOWER PLANT PREMIREから給電する方法に落ち着いた。すべてはアースから切り離し3Pケーブルを使っても、アースとは接続していない。うちではこれが最良の結果だ。
2023/11/18 やっぱり直っていない
オーバーホールに出したCELLO ENOCORE 1MΩだが、戻ってきてからはずっと2PのACケーブル接続で使っていた。地中アース工事が終わったので、ACケーブルを3Pにして、コンセントと3Pプラグの間にアダプタをかまして、3Pのアースピンと地中アースを接続したら見事に漏電ブレーカが落ちた。業者は「直った」と言っているが、全然直ってないじゃないか。高い金払っても直らないのは、うちの電源環境のせいなんだろう。CELLOのプリにアースをつなぐと、必ずブレーカが落ちる。ほかのAVプリ、マッキントッシュC46,ラックスマンCL32などのプリは、全く問題ない。ここまで来ると、いくら音が良くても我慢には限界がある。いっそのこと放出したほうが、スッキリする。それともコレクションで取っておくか。困った問題だ。MONO3のノイズ問題も全く解決しないし、うちはCELLOと相性が最悪のようだ。
2023/11/15 IFI Audio AC iPurifierは効いた?2
地中アース線を1本、室内に引き込めたので、再度、AC iPurifierを試してみることにした。きちんとしたアースがノイズ削減に影響するかを知りたかったからだ。やり方は、2P変換コネクタで、アース線を3Pのアースに結合させるのである。こうすると、家庭用アースでなく、地中アースと直接結合することができる。
左がコンセントに3Pで給電した状態。右がAC iPurifierを追加した家庭用アースの状態。ピークの赤線を見るとまどわされるが、黄色のリアルタイム測定値では、大きな変化なし。聴感上も変化なし。50Hzピーク値は、変わっていないようだ。
左がAC iPurifierを追加し地中アースの場合。これも大きな変化なし。聴感上も変化なし。右が200VステップダウントランスをONした状態。200Vが悪さしてるかと思ったが、違ったようだ。結論は、うちの環境でパワーアンプに使った場合、AC iPurifierは、ノイズ低減に効果なしだ。ガッカリ。
2023/11/15 地中アース工事
きちんとしたアースを取ることがオーディオの基本と考え、地中アース工事をやることにした。ただし15年ほど前に埋めたアース棒を活用し、労力は最小限に抑えるようにする。まずは埋めたケーブルを掘り起こすことから始めた。20本以上埋まっているはずだが、まじめに50~75cm以上の深さに頭が来るようにしたので、相当深く掘らないと見つからない。運よく2本見つかった。
何もわからず自分の考えで、ゴムホースで包んだものがどうなっているか、知りたかったので被覆を破ってみた。ゴムホースの周りはアルミテープを巻き付け水が入らないようにしたつもりだ。開けてビックリ。なんと自己融着テープで保護した圧着スリーブと銅線はピカピカのままだ。15年経ってもこの状態は素晴らしい。これならまだまだ使える。アルミテープを撒き直せば問題ない。まずは見つかった2本を並列に接続して接地抵抗を測定し、オーディオルームに引き込んでノイズとシャーシ電位に変化が出るかを見るのが先決だ。やってわかったのは、昔の財産を使うほうが、新しくアースを打ち込むより何倍も大変だと言うことだ。アースはプリとパワーで2本必要かも知れないが、まずは1本張ってみることにする。家庭用はD種接地なので、100Ω以下が基準だが、まずは70Ωぐらい出てればいいと思う。経験上、10~50Ωで音はそんなに良くならない。良くなったのは10Ωを切ってからだったが、10Ωを切るのは、簡単なことではない。シロートは工具を持ってないので、アース棒を掘るのも、打ち込むのも人力なので深く打ち込むのは、本当に大変なことだ。なので今回も現状のアース棒からアース線を引っ張ってきて、その数値で勝負する。それでダメなら、原理的に仮想アースなんて効くはずないし、それ以上やる手段もないので、CELLOとAYREのパワーアンプのノイズはあきらめることにする。
2023/11/15 IFI Audio AC iPurifierは効いた?
AC iPurifierが届いた。形は円筒形でスイッチはなしなので、常時通電するタイプ。背面にLEDが2つ。左が極性、右はアース。正しいと表示が緑、NGだと赤になる。もう1つ4mmの穴があり、ここからアースを供給できるらしい。アースマークの下に亀裂と焼けあり。調べるとどれも同じでこの部分が発熱するようだ。この程度のことは気にしない。要は性能だ。こいつはフィードバックで電源波形を綺麗にする一種のクリーン電源だ。さて効果はいかに。
まずはAYRE V-3のコンセントに刺してみる。左が装着前波形。右が装着後。ピークが2dB下がっているが、聴感だともっと効いている感じだ。サー音が静かになったように感じる。これは効いていると判断していいと思う。
左がV-3のコンセントに刺したもの。両方とも緑で納得。ところが中央のENCOREプリに刺すと、極性もアースも赤表示だ。なんで?アースは切っているので納得だが、極性がNGなのはわからない。アースが切れているからだろうか?そこで右の写真の使ってないコンセントに刺すと今度は極性NGで、アースがOKになった。この前段コンセントはすべてアース線を切ったはず。あとで確認せねば。アースの供給は次回レポートとする。とりあえずもう1ケ入手し、ENCORE MONO3に使ってみたい。ENCOREのコンセントでの結果がおかしかったので、2P-3P変換プラグを本機につけて、極性を換えて付けても、結果は両方共赤表示で変わらず。このコンセントはなにかおかしいのか?もう一度、パワーアンプに使ってみたが、今度はノイズに変化がない。さっきのは何だったのだろう。パワーアンプは、まず地中アース工事をして、2P変換プラグから出ているアースケーブルに接続してみるしかなかろう。あと頼れそうなのは、AITECの電源フレッシャーぐらいだ。
2023/11/14 IFI Audio ハムノイズ対策
自分のうちの問題は、電源環境に起因するハムノイズだと、明確になったので対策する。と言っても、できることはやっているので、ほかに手はないかと調べたら「iFi AUDIO GND DEFENDER」なるものがあることがわかった。使っているレポートを探したが見つからないので、まずはやってみることにする。今使っているAYRE V-3はステレオアンプなのでまずはこいつに1ケ使って効果を見る。うまくいったらもう1ケ買って、CELLO MONO3を復活させようと思う。うちは効果を試すには、絶好の環境だしスペクトラムアナライザーで見れば、一目瞭然だ。
届いたので早速やってみる。まずはアンプのACインレット部に刺す給電はMt-1000クリーン電源から。つぎがクリーン電源のインレットに刺す。巷ではクリーン電源には、効かないとのこと。左がアンプで右がクリーン電源。もとが50Hzのピークが78~79dB程度なので、聴感でもデータでも「効果あり」とは言えない結果だ。
では壁コンから3P接続し、アンプのACインレットに再度刺してみる。壁コンのアースは生きている状態だ。聴感でもデータでも、ちょっと下がった気がする。そこでさらに今度は「AC iPurifier」を試してみることにした。これはアクティブノイズキャンセラーなので、期待はできるが、問題はどの周波数から効くかだ。資料には1Hzから40dBノイズを低減すると書いてあるが、本当なら劇的に効くはずだ。やってみる価値はありそうだ。同社は、フィードバックを使った高品位なACアダプタを製造しているが、このAC iPurifierも原理は元波形の反対波形を作りだして合成しているので、応答遅れはあるはずだし、大電力を使うパワーアンプで使えるのか?と言う疑問がある。もし額面どおり40dBもノイズ低減効果があるなら、無音に近い状態になるはずだ。そんな魔法ような機器は見たことがない。C社のトランスは、歪んだ波形はそのまま出力されたし、PS AUDIOの機器でも、完全波形が綺麗になるわけではない。原理的には一度、直流に戻してから交流を作るので、歪は無くなるはずだが、現実はどこのクリーン電源でも完璧な正弦波を作れるものはない。ある条件の元では、正弦波に近づきますよ、ぐらいに思ってないと期待はずれになる。経験上、それは間違いない。なので今回も過度の期待はしない。効いたらラッキーぐらいの気持ちでいる。次回、レポートにご期待あれ。オーディオのテスト記事は、昔、長島先生がいたころは、いろんな電気特性を測定されて、読み応えがあったが、今は物書きが書いているので、ほとんど形容詞のオンパレードで仮想アースの記事には、電圧測定すら出てこない。みんなが知りたいのは「本物のアースは引けないけど、仮想アースは電位が下がるの?」がまず最初で「音質の変化」は、その次なんじゃないの?今回の画像も周波数分布であり、電源のノイズの周波数分布ではない。なので1:1の関係でないのは、最初からわかって書いている。それでも電源起因のノイズが減るか、増えるかは、データと数値でまず確かめるべきだと思う。オーディオは車より感性が左右する領域が大きいので、数値化できないのは明白だが、可能なものは数値化してこそ、説得力があると考える。今回は、ハムノイズは、グランドに起因するものではなさそうだ、と言うことが分かっただけでも収穫があった。だから次は「AC iPurifier」を試すのだ。ただし世の中には、数値には出ないが、音質が改善すると言う物も販売されているので、やっかいだ。実はもう1機種検討している。 Telos Audio Designのグランドノイズ低減器とアクティブアース発生器だ。これも気になる存在だ。現状、AYRE V-3のシャーシ電位は、AC6.4V。ENCOREプリ(電源部で測定)にいたっては、AC24.1Vもあった。うちは電源ノイズとアースノイズの2つに悩まされているのだ。ここまで、悪い環境はなかなかないだろう。プリの電源コンセントにスーパーアースリンク RE-9をつなぐと、どうつないでもLEDが緑にならず使えない環境なのだ。AYREのコンセントにつなぐと緑表示になるが、6.4⇒7.3Vと逆に電位が上がってしまい使えない。ノイズも減らない。困ったもんだ。
ここでもう一度、原点に帰ることにした。SPからノイズが出るのは、CELLOとAYREのパワーアンプで、マッキントッシュMC252は問題ない。MC252は200Vステップダウントランスから電源を取っている。ところがCELLOとAYREは、同じ電源の取り方をしてもノイズが出る。ノイズは電源周波数の50Hzに一致する。これは2Pにすると改善はするが、満足できるレベルではない。iFi AUDIOのGND DEFENDERを使っても効果はなかった。壁コンの100Vでも200V⇒100V変換でもダメだった。となると家電のノイズが電源ラインに乗っていることが考えられる。家を建てる時、アースの知識が無かったので、家電とオーディオのアースを分離することはやってない。なので3Pのアースは、家電でノイズまみれなので使い物にならないと推測すると納得が行く。CELLOとAYREは、アースをしっかり取らないと正常動作しないなら、ここは仮想アースやアクティブアース発生器でなく、本物の地球アースを再度、引くべくではないかと思う。以前、庭に20ケ所以上、アース棒を打ち込んで実験したことがある。最終的に接地抵抗は7.7Ωまで下がった。この状態で聴く音は、背景の静さが際立ち素晴らしいものがあった。所がこの時プリアンプ ML360SLにアース線をつないでいたら「地絡」が発生しプリが逝かれた。それ以来故障が怖くてアースを外した。でも今は家財保険に入ったので落雷被害は補償されるので、再度、アース工事を自力でやってみようと思うようになった。今でもアース棒は地面に埋まっている。すでに15年ぐらいは経過しているので、どれだけ有効かは不明だ。なので接地抵抗計をまた買って、測定することから始めよう。アース棒は太く、深く、間隔を離して接地すれば、いい結果が出るのだ。ただし15年分の体力が低下しているので、前回と同じようには打ち込めないので、なるべく今埋まっている棒を使いたい。今、引いてある3Pアースより、少しでも条件が良くなれば必ず結果は出ると思う。グランドノイズ低減器とアクティブアース発生器は、高性能だが、必ず自分の環境で効く保証はないし、高額なのでイマイチ触手が出ない。

APEQ2 PROの使いこなし
自分の使っているデジタルイコライザー APEQ2 PROは、時間軸、位相、周波数特性を補正してくれる優れものだが、本体に入るメモリーが1つ(左右ch分)しかないので、低域をもうちょっと上げたいな、と思っても簡単にできない、と今まで思っていたが、実は簡単にできることが最近になってわかった。これは「C2」と言うソフトを使う。このソフトの良い所は、セキュリティーキーなしで動作することだ。セキュリティーキーありのソフトがないとマイクを使っての測定は出来ないので、本来の使い方はマイクを使う方法だが、耳を頼りに補正することも可能だった。左が本体とUSBケーブルで通信している状態。N801の左右の補正データが入ってる。名前を見ると-6dBの入力アッテネータを入れているのがわかるだろう。この画面の一番下に「ADDITIONAL EQ」とう項目がある。これをクリックすると
このような横軸:周波数、縦軸:ゲインのグラフと、入力項目が現れる。これで自由自在に補正カーブが書けるのだ。右は120HzをQ10で5dB上げた状態で、グラフに補正曲線が現れる。入力値は12バンド使え、それらは足し算されるので、複雑な補正もできる。特長は「マイク測定+この補正」なので、せっかく測定して残した補正値が消えるわけではない。入力すると自動で保存される仕組みだ。失敗したら、元の補正値を入れ直せば何度でも元の状態になる。あくまで足し算なので前回値+今回値の形になる。ただし前回値は入力したら表示はしてくれないので、そこは不便だが、この操作はUSBケーブルをつないだまま音が出せるので、気に入らなかったら、すぐにPCの所に戻って補正値を入れ直せばよい。次回作では、前回補正値カーブを表示してくれるのと、マイク補正値とこの補正値を別々に管理できると凄く使いやすくなると思う。APEQ2 PROは、アンプ込みの補正値なので、アンプを替えると、低域の量感に影響がでる。なのでこの補正で量感を増減することで、好みの周波数バランスを作れるのだ。使ってみると本当に便利な機能だ。自分はAPEQ2 PROを5台持っているが、メモリーが1つしかないので、1組のSPに1台づつ使っている。A社のは、1点測定で聴感と補正後の違和感があるし、トリノフは高価すぎて手が出ない。この機種は、色付けがなくノイズ感もないので、本当に良い機器だ。
2023/11/11 PIEGAを真空管で鳴らしたら
CELLOのMONO3 POWERは、うちの環境だと高域のノイズが大きくて、PIEGAとの相性がイマイチだ。そこで真空管アンプのLUXMAN A3000で鳴らしてみた。玉は名機 8045Gだ。パワー的には十分なはずだ。つないでみると、ノイズはこっちのほうが小さい。鳴らしてみると、全体に音が丸くスピード感が無い。いい表現だと刺激がない感じ。自分には、ちょっと解像度もそがれてしまいPIEGAの良さが出ない感じだ。やはり真空管はフルレンジか古めの2WAYが合うような気がする。オーディオは、つくづく難しいものだ。PIEGAは、やっぱりスピード感のあるアンプで鳴らしたほうが、個性が生きると思う。合うアンプを探すか、MONO3に合うSPを見つけるかのどちらかだ。たぶん普通のアンプなら、ノイズは出ないはずだ。そこで手持ちのパワーアンプを探したら、LUXMANのM05とAYRE V-3が余っていた。そこでV-3を試したら、これが良かった。スピード感も制動力もある。CELLO並の分解能もある。CELLOと比べるとこちらのほうが、いくぶん表現がウエットだ。その性格がPIEGAにとっては相性の良さにつながる。神経質にはならず、自然な感じがAYREの特長だ。結局、ENCOREプリ AYRE V-3 PIEGAとシルバーパネルで統一された感じだ。V-3は、極性合わせをして2P接続で使うことにした。最初にプラグを刺した向きのACシャーシ電圧は、43.4Vで反対にすると28.2Vになり、こちらを採用。V-3でも無音の静けさにはならないが、ENCORE POWERよりは、いくぶん小さいのでこちらを採用することにした。今回は、200Vのステップダウントランスから、電源を取っているが、これもクリーン電源にすると結果が変わるかもしれないが、とりあえず、この状態で様子見をする。時間によっては、ノイズが乗ることは良くあることだから。さすがにV-3は100W/8Ω出るので、ENCORE MONOより低域がどっしりとして音に安定感がある。V-3はやっぱり良いアンプだと思う。と言うことで、残念ながらMONO3は、ベンチに引っ込むことになってしまった。うちの電源環境が悪いせいなので、アンプの責任じゃないが、もったいない気がする。

スマホのスペクトラムアナライザーで測ってみた。パワーアンプの電源を入れただけの状態でSPからのノイズを測定している。左が壁コンから取った場合で、ピークはピッタリ50Hzになっている。電源の周波数ノイズが原因だとわかる。右が光城のMt-1000 クリーン電源から取ったもの。クリーン電源からのほうが聴感上、ノイズが小さく聞こえる。ピーク値は、ほぼ同じだ。クリーン電源の出力周波数は60Hzなのだが、ピークが60Hzにならないのが、不思議な所。さてこれをどうすれば下げることができるのか?なかなかの難問だ。100Vでも200V変換でもクリーン電源でもダメ。困ったものだ。
2023/11/8 CELLO ENCOREノイズ対策
うちは電源環境がどこか悪いらしく、ブレーカーが落ちたりノイズが出たりする。プリのENCORE1MΩは、ACケーブルを3P接続するとブレーカーが落ちた。漏電表示が出ていた。原因は電源部を誰かさんがいじった時のミスだが、その前に前段用コンセントアースを切り離したので、3Pにして直ったかは確かめようがない。ほかのアンプもたくさんあるが、普通につないでノイズが出たりブレーカーが落ちるのはCELLOだけである。今までマークレビンソン、クレル、ムンド、AYRE、ジェフ、SONY、サンスイ、ラックスなどを使ってきたが、これらでは一度もノイズもブレーカー落下は起きていない。昨日は、ENCORE MONOの電源を3Pで200Vステップダウントランスから取ろうとしたら、ブレーカーが落ちた。DUET350もこのコンセントから取っているが、ブレーカーは落ちない。ステップダウントランスは、アースが切れないようにしてコンセントまで持ってきている。どうもうちはアースに起因する問題のようだ。今のところ、MONO POWERはPIEGAにつないであり、SPから出るジージー音は、まあ許せる範囲ではあるが、気になる音だ。そこでいろいろやってみた。まずはプリアンプのACの極性を合わせた。ケーブルは2Pを使用。 Aの向きに刺す AC33.4V ジー音が出る。Aの反対向きに刺すとAC36Vで盛大にブー音が出る。A案を採用した。ここでゼロクロス、ソフトスタート機器を使ってみたが、いずれもノイズ大で使用不可。電子的に接続するものをプリは受け付けないようだ。今更ながら、冷蔵庫のアースを取ってみた。ノイズが減るとは思ってないが、基本は固めようと思ってのことだ。そこでACシャーシ電圧を測ってみる。冷蔵庫大:接続前AC11.4V⇒1.38V 冷蔵庫小:接続前AC9.83V⇒0.52V 数値的な効果は抜群だが、MONO POWERのノイズ量に変化はなかった。ここで気になったのが、ENCORE1MΩのシャーシ電圧の高さだ。アースをつないでないからかAC33.4Vもある。経験上、プリのある条件が揃うと、ノイズが無くなる。プリはアース接続すべきなのだろうか?ならばスーパーアースリンクを使ってみよう。DUET350では効果が無かったが、プリではやっていない。ところがENCORE1MΩ の電源を取っているコンセントと同列のもう1つの口に、ACプラグをどちらの向きに刺してもピー音が消えない。これではどうにもならない。これは困った。仮想アースについて考えてみたが、たぶんシャーシ電位は下がる方向だと思うが、逆にノイズが増える可能性もあることだ。まず最初にやるべきことは、パワーアンプにSP以外をつながず、ノイズが無くなるようにすることだ。このあとプリとつないでノイズが増えれば、プリが悪いことになる。上流と下流をつないだまま、同時にいろいろやっても、切り分けができないのだ。もう一度、整理しながら実施する。考えないでまずは行動。仮想アースもどきで、シャーシ電圧は、下がるのか?実験してみた。
使ったのは240V用のステップアップトランスだ。仮想アースは、詰まる所、表面積の大きい導電体があればいいので、このトランスの1次側の0と100Vを接続した上でケーブルでプリと接続してみた。結果は、接続前はAC32.5V。前回が33.4Vなので同じ条件になっていると判断できる。接続後は24.5Vなので電圧を下げる効果はあるようだ。ただし音は出してないので、ノイズ削減効果は不明だ。結局、最終的には、2Pで接続して光城のMt-1000からMONO POWERの電源を取るのが、聴感ノイズが一番小さいのがわかった。この場合、3.5m離れた5KWのステップダウントランスのうなり音のほうが大きく聞こえる。PIEGAまでは、4.2mあるがPIEGAはリボンツイーターなので高域ノイズには敏感だ。この辺が限界だと思う。パワーアンプを2台駆動しても、たった90Wしか消費していない。超省エネアンプである。昔使っていたKRELL KSA250は、900Wだった。これでなんとか微粒子サウンドが聴けるようになった。ただこの組み合わせだと、微細すぎる気もする。このアンプで、どんなSPを鳴らしているんだろうか?

2023/11/6 CELLO ENCORE MONOメンテ3
1回経験すると、次回からは経験が生きて、作業は早く正確にできる。今回は、急がば回れで、側板を外してみた。こうするとパーツにアクセスしやすくなり作業が楽になる。フィルムCの交換は簡単に出来た。中央の仕切り板に、放熱グリスが塗ってあるが、この材質は、ステンレスのようだ。熱伝導性が悪い材質なので、触ってもパワトラの反対側までは熱くならない。とりあえず放熱グリスは塗ろ直しておいた。
左写真の白いのが、DCオフセット調整トリマーだ。電源投入直後で-2mV。この時点で超優秀!
天板開放で30分後に一番熱いのは、☆型の放熱器が付いたトランジスタで52℃になった。右写真の中央付近の赤いレーザーが当たっている部品だ。この下は32~33℃ぐらいだった。ちなみにパワトラは放熱が効いてか、35℃だった。この小さい筐体にトランスとチョークトランスまで詰め込んで、まとめあげる腕はさすがに、トム コランジェロは大したもんだ。惜しい人材を失ったものだ。天国でも、驚くようなアンプを作って欲しいものだ。
30分後に、DCオフセット調整は完了し、オフセットなし。きっちり調整できること自体が素晴らしい。

これでENCOREプリとパワーのメンテは完了。コンデンサの慣らしには、ほとんど時間はかからないだろう。これでやっといつも起きる電源周りのノイズ対策に入れる。今のところ、プリは3P接続(コンセントのアース線はつないでない)の状態。DUET350も3P接続の状態で、ブーンと言うノイズ交じりの音が出ている。聞けないことはないが、無音の状態にまで持って行きたい。これからやるのは、プリを2Pにして極性を合わせるのと、もう一度、どのコンセントから電源を取るかを試してみたい。ちなみにDUET350の電源を取っているコンセントに、アコリバ スーパーアースリンクを入れてみたが、効果は無かった。地道にやるしか方法はない。またうちの環境では、CSEのゼロクロスSWや光城のソフトスタートSWをENCOREプリに使うと、盛大にノイズが出て使いものにならない。どうも電気的に電流を入り切りする方式は受け付けないようである。この辺はCELLO特有の問題で、MCINTOSHでは何も問題もなく使える。CELLOのENCOREプリは、そのアース処理が優秀であるがゆえの問題を抱えているのだと思う。メイン基板の下に、もう1枚アース専用基板を持っているのだ。CELLOは外乱に弱く、部屋の中でラジオを付けただけで反応する。アース基板自体が、アンテナになるのだろう。なので自分のように、電源環境の悪い条件のもとでは、本来の性能を発揮していない気がするのだ。プリはプラグの極性を合わせたが、大差なし。MONO POWERは、2P接続のほうがノイズは小さいが電源OFF時にパチッと音がするのがいただけない。結局、少しましなDUET350で試聴開始。やはりこのアンプは只者ではない。極限まで微細化された音の粒が、左右のSPいっぱいに広がり、漂い、消えて行く様が見事だ。音の粒子が細かいが、そこは350Wもあるので、線は細くならないし疲れない絶妙なバランスを保っている。パワーがあるので、ロックでもポップスでも何でもガンガン行けるが、下品にならないのはCELLO特有の美音に支配されるからだ。どんなSPを使っても、支配下に置く影響力は、凄いものがある。もう少しがんばって、ノイズレスの環境を構築したいものだ。
2023/11/4 CELLO ENCORE MONO メンテ2
前回の続きです。前回は、フィルムCを交換したが、今回は電解Cの交換とDCオフセット調整を実施する。自分が買った時、誰かがメンテしたらしく、ドライバー段のコンデンサが交換されていた。それが何故かニチコン製で、片方はFGだった。ここはやはりVISHAYに交換するのが、セオリーでしょう。対象は10μF 50V品と200V品。左が交換前で、右が交換後だ。でっかいコンデンサの間の青いのと、その奥の銀色のケースがVISHAYです。
ついでにDCオフセット調整を実施。まずは現状把握。左がスタート時。素晴らしい。もう何十年もたっているのに、-0.5mVだ。規格はわからないが、このままでも十分問題ない。PASS ALEPH0なんて、1V近くも最初はズレていて、2時間たってやっとmV台に落ち着く程度だ。ここのトリマーは精密回転型を使っているので、調整が容易だ。ただし回路がシンプルで安定性も高いので、一度調整すれば大幅にズレることはないだろう。DCオフセット調整トリマーは、中央の仕切り板の右側の一番下あたりにあります。出力段の近くにあるほうは、アイドル調整用なので、触らないように。調整方法を知っている方がいらしたら、教えてください。これで自分のMONO POWERのコンデンサはすべて出荷時と同じか、同等品に交換できました。

2023/11/1 CELLO ENCORE MONO メンテ
購入してから数年が過ぎたので、メンテしようと思う。今回は、電源部のACラインフィルターを交換する。現在は、VISHAYが付いているが、プリと同じに耐圧を上げたWIMAに交換する。自分のはMONOⅢで、たぶん最終バージョンだろう。右がACラインフィルター部。黄色とオレンジのフィルムCを交換する。本当はアイドル調整とDCオフセット調整もやりたいが、調整方法がわからないので、いじらないことにする。ネットで検索したら回路図が出てきたので、DCオフセット調整は出来そうである。
写真上段が交換前、下段が交換後のパーツである。実装もうまく行った。今回の作業は、基板を取り外さなくても、なんとか可能だった。今パーツを入手中で、アンプ基板にある10μFの電解Cが2種類あるので、これも交換する。一番大きなコンデンサは、まだまだ使えるはずなので、交換しない。
これで作業完了。もう1台やらねば。

2023/10/28 マークレビンソンの功罪
誰もが認めるハイエンドオーディオの創始者と言ったら、まず頭に浮かぶのは、マークレビンソン氏だろう。彼と彼の右腕が作り出した製品は、どれも素晴らしいものばかりだ。まず最初の「功」は、画期的なモジュール構成のプリアンプ:LNP2と400Wも消費しながらたった25Wしか出せないML2だろう。LNP2 のモジュール構成は、日本のメーカーも真似したものだ。マザーボードの上に、プラグインカード型のアンプを並べるものだが、今では、どこもやってない。どちらも歴史に残る名品だが、「罪」もある。LNP2は、入力コネクタにLEMO端子を使ったため、RCAの他の機種とは直接接続できない。結局、ケーブルを作るか、LEMO-RCA変換プラグを使うしかなかった。これがクセもので、細くて長いので、不安定なことこの上なかった。だがLEMO-RCA変換プラグは比較的安価で数も多く出回っているので、今でも入手は容易だ。問題はML2のSP端子だ。これはケーブルを固定するようにはなっていない。これも特殊なフィッシャーコネクタを差し込む形状になっており、コネクタにケーブルをハンダ付けするので、SPケーブルを簡単に交換することができない。また売買される時、このコネクタは見捨てられるのか付属してない場合が多い。こちらは入手がほとんど不可能だ。なので、このアンプを使ってみたくても、SP端子がないと音が出せず、結局は、指を咥えて見てるだけになってしまう。次に起こした会社がCELLO社で、ここでもまたやってくれた。バランス入出力が、フィッシャー端子の3ピンなのだ。これがXLR端子と違ってやっかいなのは、連結ができないのだ。なので決まった長さのケーブルしか使えなく延長が効かないのだ。これはレイアウト変更時に問題を引き起こす。さらにこのコネクタも入手性が非常に悪く、また高額だ。なのでまたXLR-フィッシャー変換プラグのお出ましになるのだ。パワーアンプのSP端子も、何を考えたか、真空管アンプで良く使われた「ネジ止め式」なのだ。これは端子を入れる部分が狭く、カルダスのYラグも入らない。これも非常に困った問題だった。今時、バラ線を使えと言うのか。最後に作った会社のビオラ社では、フィッシャーをやめ普通のXLR端子に戻った。世の中、汎用性のないものは、いくら高性能だと言われても、広がらないものだ。端子の形状がオーディオ用途には不向きと言われたRCAは今でも生きているし、一時流行ったデジタルの「STリンク」は、最初にWADIAが採用してから流行ったが、WADIA消滅と同時に誰も使わなくなった。世の中の流行りすたりは早いものだ。結局、自社だけの専用みたいな規格は普及しないのだ。KRELLのCAST接続も技術的には素晴らしいものだが、他のメーカーはどこも続かなかった。日本独自の規格は「TOS」ぐらいのものだ。日本人は、規格を作るのがヘタだし、規格を広めるのは、もっとヘタだ。新しいものを作っても、すぐまねされて競争力を失うようではダメだ。技術は生み出したら、広めてこそ本当の価値がある。規格を制する者は、世界を制するのだ。
2023/10/27 CELLO ENCOREプリ 改善作業
CELLO ENCORE 1MΩは、ACラインが一番最初にACラインフィルターを通る設計になっている。10/18の記事に書いたようにこのコンデンサの耐圧不足で割れ、膨れ、最悪は故障に至る。そこでメンテ業者はここを交換するが、純正パーツは入手できないので、3つのフィルムCで同じ回路を組む。今回はここを交換する。現在ついているのは、KEMET製。これをWIMAにし、さらに耐圧を上げる。右写真のグレーの四角いのが、ACラインフィルターの部分だ。
左がKEMET製。右がWIMA製。KEMETの大きいのが440VDCなので、ACだとせいぜい220VAC程度だろう。これだと141.4X3=424で440VAC必要だから、耐圧不足じゃないの?ちいさい方は630VDCなので、310VACとすると並列接続で耐圧倍なので、「通常時」はOKと言うことになる。自分が選択したWIMAは、大きいほうが650VACで、安全率は4.6倍。小さい方も700VACで5倍となる。「通常時」と言ったのは、もし片方が短絡状態になった場合、耐圧310VACでは、安全率3とした場合、310/440=0.7倍になってしまう。700VACなら、片方が短絡しても余裕で440Vに耐えることができるのだ。
これで交換完了。いい感じに実装できた。これで電源部の改善終了。さっそく試聴と行くはずだったが・・・・・。
このアンプのこんな画像は、なかなか見られないはずだ。なんでこんなことをするはめになったかというと、詳しくは書けないが、やらかしてくれたからだ。結局、夜中までかかって、修正作業が完了。さて借用中のAYRE K-1と交換してやっと聞ける状態になる。バランスアンプの電解Cは、容量が同じで耐圧が50Vから63Vに耐圧アップ。右上の電源電解Cは、容量が3300μFから4700μFになっているので、音は変わるだろう。
2023/10/26 センターSP カバー製作
センターSPのサランネットを付けないでステレオを聴くと、視覚的にセンターSPに引っ張られる傾向があるので、カバーを掛けることにした。「おかやまカバー製作」と言う会社にフルオーダーで作ってもらった。B&WのHTM1は、ツイーターが本体の上にちょこんと載っているので、単純な箱の形だとカッコ悪い。注文した時は、少々ブカブカでも仕方ないと思っていたが、届いたものは作りが丁寧で素晴らしかった。なんとツイーターの部分は、面倒な袋状になっているし、コーナーのR形状まで、ピッタリだ。色はワインを選んだ。刺繍も無料でやってくれる。カバーを掛けると、ぐっと高級感が出ます。
背面にSPケーブルを逃げる背割りも入れてくれる親切さが良い。これで7000円弱は、安い。キャンペーン中で、リモコン入れも作ってくれた。そこで今度は、色が白で反射が気になっていた100インチスクリーンボックス用のカバーも作ってもらうことにした。この会社はレスが早く、しかもこうすれば安くできる、というような提案もしてくれる親切な会社です。

2023/10/18 CELLO ENCORE1MΩ 修理完了
自分の個体は買ったときから、3Pプラグでコンセントに刺すと漏電ブレーカが落ちる。2Pだと問題ないので、そのまま使っていたが、ある日、電源部の3Pインレットの抵抗値を測ってみた。驚くことに片側が導通しているのである。これじゃブレーカが落ちるのも無理はない。長年気が付かなかった自分も未熟だ。そこで修理してもらった。

漏電ブレーカが落ちる原因はなんと、ACラインフィルター内のコンデンサの足を誰かがカットし、その足が筐体に接触していたことだった。何でそんなことをしたのか、知る由もないが、直ったのは良いことだ。59接点アッテネータは分解、清掃したので、感触がちょっと重く変わっていた。
問題は一番下の列のオレンジと黄色のフィルターコンデンサである。上の写真がオリジナル。0.1μと4700pFが2ケ入って樹脂封入されている。これが熱で膨らんで破壊する。AC100Vはピーク141.4V出てるので安全率を3倍とった424V、規格上は440VAC品を使うべきだが、本品は250VACしかない。自分は自分は某修理工房をまねて、0.1μが400VDC 200VAC、4700pFが220VACのVISHAYを付けていたが、これがKEMETに交換されていた。今回付いてるのは、0.1μが440VDC、4700pFが310VACだ。310Vは直列接続で耐圧が2倍になるので、これで良いのだろう。
でもCELLOと言ったらフィルムはWIMAで、電解がVISHAYでしょう。自分はWIMAに付け替えようと思う。MONO3は、オリジナルのままなので、そろそろ膨らんで破壊してもおかしくないので、ついでにこっちも交換しよう。
2023/10/9 AYRE K-1
太っ腹な友人がAYRE K-1を貸してくれた。ありがたや。自分はV-3を持っているので、是非純正ペアで聞いてみたかった。ところがこいつ230V仕様だった。100V環境では使えないので、早速ステップアップトランスを物色中。自分はシンプルで無駄のないAYREのデザインが好きだ。シンプルゆえ飽きが来ないし、機能も明確だ。早速失礼して開腹させていただいた。なんか変だ?例の空間たっぷりと違っている。良く見たら左右にオプションのディスクリートフォノイコライザー回路を搭載していた。これは貴重なモデルだ。
これがオプションのフォノイコライザー回路。AYRE社製フィルムコンデンサを投入した金のかかった基板です。これは取説を読むとMMにもMCにも抵抗交換で対応する。標準は50KΩで受けている。100Ωから1KΩまでの抵抗を供給しているとあるので、そこらへんの適当な抵抗じゃダメなんだろう。抵抗交換はユーザにも開放されているが、経験がないと無理だろう。電源部もフィルター回路が載っているのでこれはK-1xeじゃないかと思う。AYREは型番が変わっても本体の表記は以前と同じなので、改良が有っても識別するのがむずかしい。今回もいろいろ調べたが、xeかどうか確証が得られなかった。リモコンがあればわかったのだが、残念だ。AYREも電源部が凝っている。この辺はCELLOも同じだ。良い音に良い電源は必須だ。
本機は完全バランスアンプ。バランスアンプでも抵抗アッテネーターを使った完全バランスアンプは数えるほどしかない。大抵はボリューム回路の前でアンバランスに変換し、左右2chのホット側にアッテネーターを入れて音量調節した後、再びバランス変換する。マークレビンソンのNO26Lのバランスカード付などがその例だ。こいつはアッテネーターを4基積んでる完全バランスタイプ。精密抵抗を放射状に配置し、4基を同時に動作させるため、コックドベルトで結びモータードライブしている。CELLOも同じタイプの音量調整機構を持つが、CELLOはアンバランスタイプ。CELLOはカチカチと独特の操作感覚を持つが、こちらはゴリゴリと言う感じ。あくまで音質を追求しているので、操作はリモコンでやってくれ、と言うのが主張のようだ。このアッテネーターは良くできていて、最初は2dBステップで変化し、音量を決定する領域は1dBステップになっている。連続変化型なら好きな音量に必ず調整できるが、抵抗アッテネーター式は、抵抗と抵抗の中間の音量にはセットできない。ステップが粗いと好みの音量にできずこの手のアンプを嫌う人もいるが、AYREやCELLOは良く考えられているので、まず間違いなく好みの音量に調整できるだろう。CELLOのアッテネーターは定期的にクリーニングが必要だが、AYREは接点自体が頑丈に作られているので、その必要はないようだ。早く音を聴いてみたいものだ。
通電した直後は寝ぼけた音だった。暖まるにつれ次第に霧が晴れていくようにフォーカスが合ってきたが、それでもまだ十分な感じではない。プリの後ろにAPEQをつないでいるが、手持ちのXLRケーブルが無くなり仕方なくRCAで接続していた。これが悪さしているのだろうと、SAECのXR1000 バランスケーブルを入手して換えてみた。驚くことに全然違う。低域にしっかりと厚みが付き、音場も音の密度が上がったように聞こえる。やはりこのアンプは、バランス入力、バランス出力で使わないと真価を発揮しないようだ。
2023/10/7 PASS ALEPH0 その7 TWIN TURBO化
どうもドライバー基板が思ったほど冷えていないようだ。なので追加で穴を開けることにした。10mm穴を7ケづつあける。1.5,3,6.5,8,10mmのドリルを使ってゆっくり確実に開けた。樹脂の加工は金属よりむずかしいのだ。理由は、樹脂の場合、ドリルの熱で樹脂が溶けて、ドリルと融着すると、あっと言う間にワークが回され危険だからだ。なので熱を与えないようにゆっくり開けることが大切だ。まあ出来は良いほうだ。
この状態で映画を2時間見たら、ヒートシンクの温度は前回とほとんど変化がないし、ドライバー基板の温度も高いままだ。どうもファンが吐き出した熱い空気を吸っているように見える。ならばとTWIN TURBO化を実行した。本当は2重反転にしたいが回転方向が決まっているので、できない。これで計算上の風量は2倍になる。音はほとんど変わりない。高さも25mm分高くなった。これでやって見よう。
さらにもう1つ機能を追加。ヒートシンクの温度を表示できる回路を付けた。これで今どんな状態かが一目でわかる。視認性も良い。これで完成だ。気が向いたらケースに入れよう。そうするとまた恰好が良くなる。

ちょうど良いサイズの樹脂ケースが手に入ったので、バラックを格納してみた。基板直付けのLEDは延長して、フロントパネルに付けた。リレーON時点灯のLEDは、電源と同じ12V駆動だったので、手持ちの青LEDを使った。これでケーブルもスッキリして良い感じに仕上がった。次はアクリル板で作った天板をアルミ製に換え、より放熱性を高めようと思う。今度はカナノコじゃ作れないからNCフライスかマシニングが必要になる。さていつになるやら。

2023/10/6 PASS ALEPH0 その6
強制空冷ファンの取り付けが終わった。設計どおり一発で実装できたのは、気持ちが良い。今回の狙いは2つ。天板に穴が開いてないため、ドライバー基板は、パワートランジスタの直接放射熱と自分が発熱した分の熱をずっと浴び続ける過酷な環境で動作しているので、そこをファンで空冷することでパーツの長寿命化を図る。同時にファンの吸い込み風に引っ張られドライバー基板下にある電源用の電解コンデンサの熱も吸い上げ、こちらも長寿命化を図る。もっとも今まで高温にさらされてきたので、どれだけ寿命が延びるのかはわからないが。DC12Vの静音ファンを7.5Vで駆動すると、リスポジからは無音である。これで、どのくらい熱を吸い上げてくれるかが、楽しみな所だ。もともと自然空冷なので、風を吹き付けるのでなく、吸い出す方向で使用する。そのほうがホコリも溜まらないだろうし、自然なはずだ。またいつものように完全に元に戻せる改造を実施している。ドライバー基板のアルミ放熱板とアクリル板はネジ止めしているが、アクリルの熱変形温度は85℃である。過去の測定で内部温度はせいぜい60℃程度と予測するので、十分に余裕がある。ファンは120角でこれ以上大きいと、ファンの吸い込み内径がドライバー基板の取り付けネジとかぶってしまうので、これが実装できる最大のファンである。アクリル板はオリジナルの天板と同じ穴位置で加工してあるので、ドライバー基板の取り付け位置は、同じである。アクリルなので中が見えるため、もし異常が起きればすぐに観察できるし密閉型でなく開放型になったので、発熱等のニオイにも気づくはずだ。もっとも動作環境が良くなったので故障はないと思うが。
2023/10/5 PASS ALEPH0 その5
温度上昇とDCオフセットの測定を実施した。給電は光城精工のMt-1000で供給し、消費電流値を読み取った。負荷は8Ω 300Wのダミー抵抗を取り付けSP端子の両端DC電圧を測定。温度は正面ヒートシンクの中央部が一番温度が高かったので、ポイントを固定して測定した。スタート時は温度27.5℃、DCオフセット値:0.85Vである。普通のAB級なら、DCオフセットは最初からそこそこの値を示すが、これは壊れてんじゃないの?と思うほど最初は高い値を示す。そこから90分後に2.8mVになるのは優秀。ヒートシンクの温度も75分後にほぼ安定し47℃になる。このアンプが本来の性能を発揮するのは1時間半後だと言うのがわかった。無信号なので最大消費電流になっているはずで、常に2.7A消費しこれは最初から変わらなかった。次回は、映画を見ながら消費電流がどうなるか観察してみたい。音を出せば、もっと早くヒートアップすることも考えられる。シンプルで非常に安定した回路のようで使っていてとても安心感がある。形は無骨だが、十分持つ喜びを感じる良い製品だ。あとは強制空冷ファンを実装するだけだ。
センターSP用のバイワイヤスピーカーケーブルも自作した。フルテックのμ-4.1T 4芯ケーブルを使った。このケーブルはなかなか凝った作りになっていて、同じ線が4本束ねてあるのではなく、高域、低域に別々の線が入っている。太さも違うのだ。青、黒が高域用で線径が太く硬い。赤、白が線径が細く柔らかい。バランスを取るためにこのような構造にしたのだろう。これも楽しみだ。電源ケーブルのLUXMAN JPA-15000を入手した。3.5スケで取り回しも良くALEPH0にきちんと刺さったまでは良かったが、アースマークがプラグについてない。最新のJPA-17000と10000iにはついているのね。モールドのプラグなので付けて欲しかったな。まあテスターでアース電位を測ればいいだけのことだが、2Pの場合、マークがないと外した時、どっち向きかわからないのが玉にきずだ。JPA-17000は導体が7Nになったが、太さは3.5スケで変わらないので、このまま15000で行くとする。
2023/10/1 PASS ALEPH0 その4
この熱いA級アンプを強制冷却する計画だが、良くやるのはファンの消し忘れ。そこでアンプの性能をフルに引き出すのと、ファンの切り忘れ防止に光城精工 Mt-1000 クリーン電源を使うことにした。これは電圧、消費電流、内部温度が表示されるので、まず切り忘れることがない。消費電流が表示されるので、もし調整値の2.5A(250W)を大幅に越えるようなことがあれば、アンプの異常もわかるので一石二鳥だ。背面のコンセントにファン用の電源をつなぐだけでON-OFFが出来るのは便利だ。ACドミナスはクリーン電源に刺した。さらにスピーカーケーブルをバイワイヤリング化する。せっかくスピーカーがバイワイヤリング対応になっているのに、ジャンパー線で結んでは、本来の性能を発揮できない。ここは自作するとする。オヤイデからフルテックのμ-4.1Tを2m購入し、同じくSPSL 銀メッキYラグで固定する。μ-4.1Tは2.5スケのアルファ導体が4本構成なので、太さも十分だ。これでさらにキレが増し高域がクリアになるだろう。センタースピーカーは通常1本使いだから、2本セットのものを買っても、1本余るのでもったいないので、作ったほうが安上がりになる。紹介記事には「レンジが広く明るい傾向。混濁の少ない音質。躍動感やスピードのあるレスポンスのいい音」とある。まさに希望どおりだ。落札できればアンプ用のACケーブルも2スケから3.5スケになり、さらなるパワフルサウンドが期待できる。やる時は、徹底的にやるのだ。そして長く大切に使う。

2023/9/30 PASS ALEPH0 その3
音を出してみた。やはり声に芯があるのと、細かい声のニュアンスが良くわかるようになり、より映画に没頭できる。ゲインも前とほとんど変わらないようで、ボリューム操作は不要だった。このアンプは入力ミュートリレーも出力ミュートリレーも搭載していないが、電源ON-OFFのポップノイズは良く押さえ込まれており、全く問題ないレベルだ。DCオフセットとバイアスを確認してみた。電源を入れる前のヒートシンクの温度は室温と同じ26.5℃。電源ONでDCオフセットは、-0.964V。こりゃズレすぎだわ。
2時間ほの映画を見た後は、ヒートシンクは52℃でまあ規定値の50℃とみていいだろう。天板はもっと熱く55.5℃。この結果、温度上昇値は25.5℃となる。筐体の中は少なくとも10℃は高いから65℃以上だろう。しかもほとんど対流もないから高温にさらされ続けることになり、電解コンデンサは厳しい動作をしいられる。内部温度が70℃を越えるとサーマルプロテクションが働くらしいがエアコン環境下でも5℃程度しか余裕がないので、ラックに入れるのは厳禁だ。また50WまではシングルエンドA級増幅で50Wを越えるとプッシュプルに移行するが、映画ユースでも通常は、せいぜい5Wぐらいしか出力は出ないので、常にA級動作していることになる。温度がちょっと上がり過ぎなのと、DCオフセットは完全にズレているので、自分で調整することにする。DCオフセットがズレた状態でも、SPからはノイズが出たりすることはない。回路もシンプルなので放熱さえ適切なら故障しないアンプだと思う。
DCオフセット調整をやってみた。青いトリマーが2つある。自分のはVer1.2なので左がDCオフセット、右がバイアスだ。最初は-0.9Vもあったが、3.4mVまで調整できた。A級アンプなので完全に暖まるまで、最低2時間ぐらいかかるが、そこまで変動っしつづける。右に回すと+に振れ、左に回すと-になる。自分のはマイナス0.9Vだったので、大幅に右に回した。バイアスは、右に回してバイアスが下がる(温度が下がる)方向になる。ちょっと左に回しただけで猛烈に発熱し、ヒートシンクが72℃になってしまったが、サーマルプロテクションは働かなかった。内部は80℃以上になったはずだ。自分のは、故障しているのだろうか?慌ててバイアスを元に戻したら、52℃まで下がった。どうやら自分のは52℃以下にはならないようだ。早く強制空冷化しよう。来週中には、アクリル板が届くはずだ。届いたら簡単な穴開けだけなので、すぐ完成する。少しでも内部温度を下げて使いたい。付け加えると暖まってからの音は、一段と冴えわたり、ホーッとため息が出るくらい素晴らしい。スピード感や制動力を保ちながら、管球アンプのような優しさが同居する絶妙なサウンドです。問題は最低でも1時間以上たたないと、本来の力を見せてくれない所です。紛れもなく、現在でも最高のパフォーマンスを発揮するアンプです。解像度や力があるだけのアンプとは、次元が違います。
2023/9/29 PASS ALEPH0 その2
足がないのは、前回紹介したが、固定用の6穴ボルトが入手できた。予想どおりユニファイネジ細目 #10-32-5/8でぴったりだ。早速TAOCの足を固定してみる。純正は見たことがないが、たぶん外径も高さも高いだろう。高さが増すのは、冷却に良いし、制振性が増すのは音に良い。
これで立たせてみると、やっぱりしっかり感があって良い感じだ。次は健康診断を始めよう。やはりデカい。発熱が心配だわ。

2023/9/27 PASS ALEPH0
センターSP用にPASS ALEPH0を買った。巨大なウニそのものである。非対称増幅A級 75W。思っていたより一回りはデカい。自分のは何故か足が4本共無いので、このままでは手が入らず移動もできない。足を付けるべく底板のメネジサイズを測った。たぶん間違いないと思うが、メートルネジでなくユニファイネジの細目である。#10-32-5/8を買ってみた。2~3日で結果は出るだろう。足は余っていたTAOCにする。ついでに強制空冷にするため、天板を開けた。案の定、電解Cのケースがズルむけしそうになっていた。電解液は、漏れてないのが幸いだ。ヒートシンクは50~55度になるように設計されていても、内部は60~65度の常に高温化で動作している厳しい環境だ。これじゃ85℃品のコンデンサでは、やられて当たり前。と思ったが良く見たら105℃仕様でまたびっくり。早速コンデンサも手配することとする。大事に使うには、最初が肝心だ。天板には、小さな穴が2つだけ開いている。この真下にバイアス調整とDCオフセット調整の5KΩの可変抵抗がある。真空管アンプは大抵カバーがないから、調整用ボリュームを触れる機種も多いが、トランジスタアンプでカバーや天板を外さないで調整できるものは、初めて見た。さすがはネルソンパスだ。整備性も良く練られている。サービスマニュアルを見ると、2時間ヒートアップして、DCオフセットが50mV以下、ヒートシンク温度が50℃なら調整OKとある。通常のアンプのように、抵抗の両端電圧をいくつにしろ、と言うものでなく、バイアス電流でヒートシンク温度を調整する方法もあると書いてある。本来は電流計をつないで、100V仕様なら2.5Aになるように調整するのが正しい。バイアス調整とDCオフセット調整は「触るな」と書いてあるので触らない。足が来たら、DCオフセットとヒートシンク温度を測ってみる。ただし環境温度が何度で調整しろ、とは書いてない。夏場と冬場では、ヒートシンクの温度が違うはずだ。冬場に合わせたら、夏場は使えないんじゃないの?
空冷化は、120角のDC12V静音ファンを低速で回すいつもの作戦だ。アクリ屋で天板サイズで穴加工した板を発注し、さらに自分で追加工して仕上げる。この手のアンプは、パワトラは巨大なヒートシンクで冷えるが、ドライバー基板は、ほとんど冷えないので可哀そうなのだ。ドライバー基板にも2枚のアルミ板が立っていて、そこにドライバーTrが付いている。これを天板にネジ止めする構造だが、天板は内部から熱をもらうし、4面のヒートシンクとも接触しているので、自然空冷では冷える要素がどこにもない。これじゃ内部部品はたまったもんじゃない。空気抜きの穴を何故つけなかったのか、天才ネルソンパスに聞いてみたいものだ。自分だったら、底板とトランス固定板と天板に一直線に開いた穴をつけるが。ファンは吸い出しで使う。アクリル板の四隅40mmほど切り欠き加工してもらい、そこからフレッシュエアを吸い込む。そうするとヒートシンクもついでに冷える目論見だ。アンプ内部に風を送り込むと、ドライバーだけ冷えそうな気がするからだ。強制空冷は、ほんの少しでも風が動けば、自然空冷とは比較にならないほどの冷却効果があるのは、今までの経験でわかっていることだ。このファンもいろんなファンを手に入れてやっと満足いく性能が得られたものだ。

買ってみないとわからないことは多い。今回もそうだ。楽しみにしていたPAD ACドミナスが刺さらないのだ。何で???このアンプは厚板を組み立てて筐体を作っている。写真を見て欲しい。ACインレットが内部から取り付けられているのだ。そうすると板厚分ACインレットまでの距離が遠くなり市販の高級インレットのほぼ100%が使えない。6角形の形のまま、ずーっと長い形状じゃないと入らないのだ。これにはガッカリ。手持ちの一体型ACケーブルを片っ端から集めて来て、やっと2スケのものが見つかった。純正はたぶん1スケもない細いものだ。これで300Wも流したら可哀そうだ。とりあえず2スケでやってみる。ALEPHを売買する時はACケーブルが付属しているかを確認しないとエライ目にあうぞ。今晩は火を入れない。またブレーカーを飛ばしたらまずいので、明日の昼まで我慢する。いきなりスピーカーを飛ばしたら怖いので、まずは負荷なしでDCオフセット測定からだ。再度、インレットが樹脂モールドなら入るんじゃないかと、ZONOTONEを見たらデカくて入らず。最後の望みはLUXMAN JPA-10000。これが見事に入ってくれた。これは2.14スケの導体を使っていて安心感がある。さらに上位機種のJPS-15000は3.5スケもある。パワーアンプならこれだろう。早速、購入してみたくなった。

2023/9/23 ACコンセント アース切断
我が家特有の問題として、3P接続すると、漏電ブレーカーが落ちる問題がある。良く発生したのはcelloの1MΩ。これは電源部の故障が原因なのが判明して、修理中。昨日は、全く問題がないはずのプロジェクターでも発生した。いずれも2P接続すると解決する。そこで思い切って、オーディオ用のフロント機器用のコンセントをアースを外すことにした。フロント機器用は10口あって8口は松下のホスピタルグレードで2口はFIM880だ。早速カバーを開けてみる。
うちのアースは、基線から圧着端子みたいな分岐具で、コンセントに分配しているのがわかった。コンセント1つ1つにアース線を引っ張ってくるなんてことは面倒でやらないから、この方法が一般的なのだろう。ここで困ったことが判明。松下のコンセントはアース線がカシメになっていて外せない。ならば切るしかない。切断して、おまじないで絶縁テープで処理した。もとに戻してブレーカーON。当たり前だが、何ともたく機器は立ち上がった。これで3P接続してもアースとは切り離されているので、アースピンを通しての機器間のアースループはできない。もうアースの問題は無くなったはずだ。今後はブレーカーが落ちないのを祈るしかない。3P接続はアースピンがあるお蔭で、3P-2P変換プラグを使った時とは比較にならないほど、しっかりコンセントに固定される。太いケーブルを使うと、だんだん緩んできて、いつの間にか勝手に外れる心配もなくなる。これで様子見する。
2023/9/20 プロジェクター用電源ケーブルの自作
HDMIケーブルをSUPRA HD-5に変更したら、映像にキレが出てきたので、もっと良くならないかと電源ケーブルを自作することにした。現状はフルテック FP-320Agと言うL型のケーブルだ。銀コートα導体を使った2.8スケ相当のものだ。細身で取り回しも良くずっと愛用している。プロジェクター用電源ケーブルは、普通にまっすぐ伸びてくると邪魔なのでL型が便利だ。ところがL型は良いものがなく、唯一まともなのは、自由に角度が選べるフルテックのFI-12を使うことにした。作りはしっかりしている。プラグ側も同じくFI-11Mを使う。問題のケーブルは、これらがなんとか接続できる5.5スケの導体を持つミツボシ 2PNCTを使った。外径が15.5ミリもあるので、曲がらないし硬いし電源ケーブルを作るのは一苦労だ。

左が現行、右が自作品。太さの違いがわかるだろうか。
左が現行、右が自作品。圧倒的存在感だ。早速ケーブルを刺したら、ブレーカーが落ちた。調べたらプロジェクターのACインレットのLとNの抵抗がOLでなく0.9MΩだった。LとE、NとEはOLだった。celloのプリはLとEが導通してブレーカーを何度も落とした。今回も2P接続にしたらブレーカーが落ちなくなったが、やはり我が家のACラインには、何かしらの問題を抱えているようだ。どこかに腕の良い電気屋さんは、いないものか?今まで何度調べても原因がわかっていない。困ったものだ。さて電源ケーブルの効果は、いかに?トップガン マーベリックを見る。マーベリックとフェニックスのヘルメットの赤が鮮やかだ。空の青は、深く濃くなった。これは大満足だ。やはりケーブルを太くした効果は抜群だ。めでたしめでたし。ほかの映画も見てみよう。
2023/9/15 DOLBY ATMOS 天井SP配置変更
DOLBY ATMOSを使うようになって天井SPを設置したが、天井の構造の関係でツイーターは、水平方向に向いていた。試聴位置ははるか下のほうなので、高域が足りないのだ。本来のDOLBY ATMOSは映画館用なので天井SPは、真下を向くように設置されている。SPを何本も使う映画館なら問題ないが、家庭で使うなら高域成分が減衰しないように試聴位置に向けたほうが良いと考えた。そこでSP設置台を作った。左が従来で右が対策後。右は30度下を向くようになった。本当は45度にしたかったが、このSPの重心がかなりバッフル寄りにあり30度でないと転がってしまうのだ。
設置台はいつもの型枠板で製作。載せるとこんな感じ。天井の4つのSPは、試聴位置に向けて首を振った。さて効果やいかに。天井SP単独で音が出ることはほとんどないだろう。サラウンドやサラウンドバックと連動して音が出るのが、ほとんどだろう。対策後は、今まで以上に音の移動感や包囲感が明瞭になった。やはり高域が減衰しないで耳に届くようになったのは、効果がある。今日は、SP距離の測定をしないで、そのまま聞いたが、後日、しっかりと再測定し、パラメータを固めよう。最後の詰めは、やはりセンターSPを駆動するアンプになる気がする。マランツ MM7025はスッキリした音で不満はないが、どうにも人の声の潤いとかボリューム感が出ないようだ。中低域に安定感のあるマッキントッシュが最有力候補だ。もう1つあった。PASSLABのALEPH0モノラルアンプだ。昔、ALEPH2を使って、何とも言えぬいい感じでSPを鳴らしたのを覚えている。発熱は凄かったが、強引に押すのでもなく、かと言って繊細でもないのだが、バランスというか声のニュアンスがとても良く出るアンプだった。当時1台しか持ってなく、最後までステレオの音が聞けなかったのが、残念だ。天才ネルソンパスの音が、降臨するか?
2023/9/12 アップサンプリングの考察
アップサンプリングの功罪については、大方語られている通り、176.4とか192にすると、ノイズ感が減って解像度が良くなったように聞こえるが、生気というかパンチが無くなる。MYTEK DIGITALのstereo192-DSDは、自分自身でアップサンプリングができるが、これを聞くとなんとなく詰まった感じというか、開放感が出ない。そこで休眠中のSV192PROにアップサンプリングをさせることを思いついた。これは本来はDAコンバータだが、DDコンバータとしても使える。ただしアップサンプリングを選択すると外部クロックを受け付けなくなるのが、玉に瑕だ。さっそくD730からAES/EBUで出力し、SV192PROに入力。SV192PROは192KHzにアップサンプリングを実施。これをMUTEC MC3+に入れ、リクロック+マスタークロックを実施。最後にstereo192-DSDに192KHzデータを入力し、192KHzのマスタークロックを入力する。stereo192-DSDの表示が「192」と変化し、ロックした。この音は悪くない。広がり感も低域のパンチもある。では176.4KHzにすると、より広がりと余韻が増した。こっちが正解のようだ。D730は、当然176.4KHzなんてマスタークロックを受けることはできないが、リクロックした恩恵で音像はシャープに結ばれる。DACの電源ケーブルをCARDAS GOLDEN POWERにすると、ますます美音系になる。これで決まりだ。

2023/9/5 自作ルビジウムクロック波形をスペアナで見る
ネットに10MHzのローパスフィルターなるものが売られていた。自分のルビジウムマスタークロックは10MHzだが、それ以外の周波数も発信していると、動かないわけではないが、気持ちの良いものではない。そこでローパスフィルターが必要か必要じゃないかを判断するため、スペアナで周波数分布を見ることにした。受けはきっちり50Ωで受けてから、スペアナに入力する。波形を見ると、10MHz以外のピークは無かった。スタート周波数は1MHzでストップは1GHzだ(表示は999MHz)。ピークとノイズの差は60dB以上取れている。我ながら大したもんだ。これでローパスフィルターは、必要ないことがわかった。こうなるとサイバーシャフトのOP14はどうなっているか気になる所だ。まあ自作品に負けるようなことはないだろう。

2023/9/4 WADIAとCELLO
WADIA2000 Ver96は、ダメもとで見てもらうことにした。希望は薄いが修理できる、できないだけは知っておきたかった。CELLOは、オーバーホール+修理をお願いした。3Pでブレーカーが落ちるのは、2018年12月に買ったときからの症状で、まさか買ったときから、故障品だとは疑わなかった。その間、漏電検知機を買って漏れ電流を測ったり、電気屋さんにブレーカーを交換してもらったが、症状は変わらなかった。当たり前だ。アンプの電源部がショートしてるなんて思っても見なかった。自分のスキルも無かったし、今回たまたまACインレットの抵抗を測ってみようと思いついて、やっと発見した。アンプにも負荷がかかったことと思うが、幸いにしてアンプ本体は、ちゃんと音が出る状態だ。WADIA2000が壊れたのも、CELLOの漏電ブレーカーが落ちた時だと思っている。たまたま電源を取ったコンセントの組み合わせが悪かったのか、漏電した直後に壊れた気がする。WADIAもご老体なので急激な電圧変化に耐えられなかったのだと思う。WADIAはわからないがCELLOのプリアンプは、間違いなく復活してくれるだろう。そしてあの超微粒子サウンドを聴かせてくれるに違いない。2ケ月ぐらいはかかるだろう。あと2ケ月すれば11月だからちょっと寒くなっているだろう。アンプにとっては良いはずだ。空気も軽くなり爽やかな音が聞けるだろう。それまでの辛抱だ。
2023/8/31 MYTEK DIGITAL Stereo192-DCD
wadiaが壊れたので、そこそこ使えそうな本機を買った。筐体は小さいが機能は満載だ。ただし買って見ないとわからないことだらけで、さすがはプロ機だ。まずアップサンプリングが出来る。ただし任意の周波数は選べず192KHzの一択のみ。さらにDSD変換・再生がやってみたいと思って買ったのだが、これが落とし穴満載。なんとパソコンに専用ソフトを入れないとダメ。自分はPC音楽を聴かないので却下。ではほかのトランスポートとかはどうなの?と調べると、専用ソフトがないと動きそうもない。結局、PCを音源とする思想のようで、自分のようにDDコンバータでDSD信号を入れるような使い方は、想定外のようだ。結局、ワードシンク機能とアップサンプリング機能しか恩恵に預かれないのだ。アップサンプリング機能をONすると、192KHzらしい綺麗な音になるが、どうも力のない音になってしまう。DACにアップサンプリングまでやらせるのは、負荷が大きいと想定し、サンバレーのSV-192PROⅡを引っ張り出して、こいつに192KHzにアップサンプリングさせた。すると断然、こっちのほうが良い。詰まった感じがなくなり開放的になる。Stereo192-DSDには、ワードシンクのINとOUTがあるが、ワードクロックを入れても表示がないので、ロックしてるのか、してないのかさっぱりわからない。音を聴けば普通はわかるのだが、こいつはわかりにくい。ところがいつもは外部クロックが良く外れるSTUDER D730が、Stereo192-DSDのクロックアウトから入力すると外れない。短時間なのでまだ結論は出せないが、相性が良い感じだ。写真の左が自己アップサンプリング状態。右がアップサンプリングをOFFし、192KHzを受けた状態。
そこで再度考えた。D730がクロックを受けるなら、ここは素直に44.1KHzのマスタークロックをトランポとDACに供給したほうが、いいんじゃないか?そしてMUTECにリクロックさせるのが一番だ。やってみるとやはりこれが一番好みだ。フォーカスが絞られ、力感もある。ロックやポップスには、これが一番だ。当面これでやって見よう。1つ気が付いた。Stereo192-DSDにクロックを入れると「フォーカスのあった滲みのない音になる」との記事があった。クロックをマスタークロック受けの設定にしておいてクロックケーブルを抜けば、音が出なくなるか、クロック入力無しの音になるかのどちらかしかない。クロックのロック表示が無いのでこの手しかない。早速、やって見よう。
2023/8/24 Cello Encore1MΩ 故障!!!
うちのEncore 1MΩは買ったときから3Pで接続すると漏電ブレーカーが落ちるので2Pで使っていた。ここ半年、使ってなかったので、久しぶりに電源を入れたら3Pでブレーカーが落ちた。ならばと2Pで入れると電源は入るが、スピーカーからブーンとハム音が出る。クリーン電源やステップダウントランス、コンセントを刺す場所を変えるなど、いろいろやってもダメ。3P接続にヒントがあるかも知れないと、電極とアースピンの抵抗値を測ってみた。本来は「OL」になるはずであるが、なんと片方と導通がある。これじゃ3Pで接続したら漏電ブレーカーが落ちて当たり前だ。何でいままで気が付かなかったのだろう。これでプリも修理行きだ。WADIAに続いてがっかりだ。ちなみのMONO POWERⅢは、同じ測り方でOLで正常だった。

自分のは、オリジナルで回路は変更していない。ただし入手できないパーツについては置き換えを実施している。1MΩは初期型の部類に入り、電源部の回路が贅沢だ。この後、コストダウンされる。コストダウン前なので、チョークトランスとEIコアのトランスを使っており、電解コンデンサも通常のタイプでなく青い色のフィルムコンデンサを使っている。アースピンが回路のどことつながっているかはわかったが、どこで導通があるかまではわからなかった。この手の修理には、回路図がないとどうにもならない。なんとか直ってくれれば良いが。

2023/8/23 WADIA2000 Ver96 逝く
DIGILINKで、酷使がたたったのか、突然音が出なくなった。最初は電源部かと思ってレギュレータの電圧を見たが、異常なし。本体のフタを開けたら、久しく嗅いでないニオイがした。そうパーツが焦げた匂いだ。どこだ?目を凝らしてみると、アナログ出力の端子の直前にあるチップ抵抗とチップコンデンサが焼けていた。それもRCA端子側だ。RCA端子は、使ったことがないので何故壊れたのか、理解不能だ。さすがにこれはシロートには直せない。どうするか、考えよう。WADIAのキレのある音が好きだった。dcsのほうが万人向けだし、解像度やレンジも広い。高性能を実感するが、でもWADIAの音も魅力的だ。今時、みんな優等生になってしまって、どれも同じようで個性がない。本当に残念だ。トランポは3台あるが、DACは1台になってしまった。どんな時も予備機は必要だ。じっくり考えよう。

2023/8/19 CDトランポ デジタル出力の研究
DIGILINK40のXLR入力が1勝2敗だったことで、そもそものデジタル出力がどう違うのか、調べてみた。最初に110Ωで受けられるように抵抗器を作った。実測値は113Ωほどで、概要を知るには十分だろう。まずはSTUDER D730を見てみる。波形的には問題なしで、5.1Vpp出ている。結構高めだ。
次がTASCAM CD601MKⅡ。こちらのほうがノイズも少なくオーバーシュートもない。出力は3.3Vpp。気が付いたのは周波数安定度。44.1KHzの場合、実際の周波数は64倍の2.822MHzになる。バランスドデジタルなので、その半分の1.411MHzになるはずだ。測定するとそうなってないが、周波数安定度が違う。CD601MKⅡの場合は、ほとんど変動しない。
STUDERの場合、頭から3ケタ目が1秒ゲートで変動するが、CD601MKⅡは5ケタ目までは安定している。1.411MHzに近いのはSTUDERのほうだが、安定度はCD601MKⅡに軍配が上がる。DIGILINK40のXLR入力の問題は、出力レベルでなく、ジッターの問題のほうが支配的な気がする。ならばDIGILINK40の下流にSTリンクを受けられかつ、ジッター軽減能力のあるESOTERIC DD10を入れたらどうなるのだろうか?いずれやって見よう。ついでにAYRE D1もやってみると、よりはっきりとわかるだろう。WADIA2000 Ver96は、古い機器でST入力しかないが、自分のはスペシャルエディションなのでBNC入力もある。でもSTリンクで音を決めた機器なので、STリンクで聞いてみたいのだ。ただしリクロック+10MHz入力するとさらに音像が絞り込まれるので、現在はDIGILINK40は外してある。
2023/8/16 WADIA DIGILINK40 修理6
XLR入力がロックしない問題で、もう1台持っているTASCAM CD601MKⅡにつないだら、なんとロックした。結局、どこも故障してなくて、正常に動いているが相性があって動いたり、動かなかったりするようだ。AES3の規格は、2番と3番が逆相のデータが送られてくる。差動アンプに入ったところで波形を見ると同相で入っているので、ずっと悩んでいた。回路を見ると、なんと2番はアースにつながっておりデータを使ってなかった。さらに3番のデータを2つに分岐し、142Ωと162Ωの抵抗で受けたものを差動アンプに入れていた。DIGILINK40は、3番データしか使わない設計だったのだ。結局、片っ端からパーツを交換したのでオーバーホールしたのと同じだ。ただしTASCAMとDIGILINK40を直結するとロックするが、途中にMUTECのDDコンバータでリクロックするとロックしない。この時代のトランポ?しかロックしないようだ。DIGILINK40を使うとリクロック機能が使えないので、さてどうしたものか、また接続方法を検討せねば。とりあえずコレクションで飾っておくか。

2023/8/15 WADIA DIGILINK40 修理5
やっとebayからコンパレータ:MC3430Pが届いた。交換してない最後のICだ。恐る恐る交換してみたが、現象は全く変わらず。BNC入力はDACがロックするが、XLRはロックしない。STUDERの故障かと思ったが、AYRE D1でも変わらず。トランポはどちらも正常だ。全IC、全電解C、ツェナーダイオードを交換しても治らない。逆に言うとそこそこ正しく動いている。インチキ測定で周波数を測ると、XLRのほうが1%ほど周波数が低くでる。何故、低くでるのか?これがさっぱりわからない。途中のセラミックコンデンサの所もまともだし、±5Vの電源も変動していない。ただ何故か、コンパレータからの出力周波数が低く出るのだ。AYRE D1の出力電圧は、1.28Vppで、D730は8.32Vpp。MC3430Pがサチっているのか?MC3430Pの仕様を見ると、電源電圧は±5Vで正しく供給されている。問題は、差動モード入力電圧幅は、-5~+5Vとなっている。これだとD730はアウトだが、ならば電圧の低いD1なら正しく動くはずだが、動いてないので差動モード入力電圧幅 は、問題なさそうだ。となると周波数が低くでる=ジッターが増えると解釈すると、どこでジッターが増えているのだろうか?さっぱりわからない。

2023/8/11 MARANZ MODEL 120B オシロスコープ付きチューナー
オシロスコープ付きチューナーに興味を持って、購入してみた。物は古いがそこそこ調整・整備されたものなので、ちゃんと動く。最新?のデジタル機器のWADIAと同居するのが、面白い。

アナログチューナーの醍醐味は、チューニングである。この機器は左右に回す大型ダイヤル式。ここでオシロスコープをON。左がチューニング途中。右のように中央線に合えば完了。一般的な針式より格段にやりやすい。驚くべきは受信強度があると抜群に音が良い。ちょっとびっくり。もちろんアキュフェーズのようなSNやセパレーションは出ない。でも何故か本物っぽく聞こえるのが面白いのだ。音がリアルなのだ。中音域がしっかりしているマッキントッシュサウンドと通じるものがある。RADIO BERRYだと時報の歪もなくクリアだ。局から局を探す時、ザーっと鳴るのはアナログチューナーならではで、シンセやデジタルチューナーはプリセット機能があるから無縁だが、そこがまたアナログで良い感じだ。このチューナー、外見は古いが中身の性能は侮れない優れものです。
左がマルチパス状況。左右に広がり太くなるとマルチパスが多くなる。右はオーディオ信号。これはどう使うのかわからないが、オシロスコープは、見ていて飽きない。
2023/8/9 MARANZPRO NM01 試聴
ツイーターも同じだと思ったが、良くみると違うものだ。NM01のほうはリード線がコーンの表面に見えるが、MZ-S01は見えない。全体として兄弟よりも違っている部分が少ないので、音も同じ傾向だろう。張り替えたエッジも底付きやサイドに当たることもなく、うまく出来た。音を聴くと、能率は高くなったようだが、ほとんど違いがわからない。MZ-S01の出来が良いのであろう。NM01は値段が上がった分の恩恵を感じない。削り出しイコライザーも?と言う感じだ。ただし現状はAPEQがMZ-S01のパラメータのままなので、再調整後が本当の試聴になる。